台达PLC_实例伺服控制实例参数设置及PLC程序_图文(精)
- 格式:doc
- 大小:77.00 KB
- 文档页数:2
X1Y0脉冲输出Y1正转/反转Y 脉冲清除4DOP-A 人机ASDA 伺服驱动器【控制要求】● 由台达PLC 和台达伺服,台达人机组成一个简单的定位控制演示系统。
通过PLC 发送脉冲控制伺服,实现原点回归、相对定位和绝对定位功能的演示。
● 下面是台达DOP-A 人机监控画面:原点回归演示画面相对定位演示画面绝对定位演示画面【元件说明】【PLC 与伺服驱动器硬件接线图】台达伺服驱动器码器DO_COMSRDY ZSPD TPOS ALAM HOME【ASD-A伺服驱动器参数必要设置】当出现伺服因参数设置错乱而导致不能正常运行时,可先设置P2-08=10(回归出厂值),重新上电后再按照上表进行参数设置。
【控制程序】M1002MOVK200D1343Y7Y10Y11M20M21M22M23M24M1334Y12M1346M11X0X1X3X4X5X6X7M12M13设置加减速时间为 200msY6M10伺服启动伺服异常复位M0M1M2M3M4M1029DZRN DDRVI DDRVI DDRVA DDRVA ZRSTK10000K100000K-100000K400000K-50000K5000K20000K20000K200000K200000X2Y0Y0Y0Y0Y0Y1Y1Y1Y1M1M0M0M0M0M2M2M1M1M1M3M3M3M2M2M4M4M4M4M3M0M4原点回归正转圈10跑到绝对坐标,处400000跑到绝对坐标,处-50000定位完成后自动关闭定位指令执行伺服计数寄存器清零使能反转圈10伺服电机正转禁止伺服电机反转禁止PLC 暂停输出脉冲伺服紧急停止伺服启动准备完毕伺服启动零速度检出伺服原点回归完成伺服定位完成伺服异常报警【程序说明】●当伺服上电之后,如无警报信号,X3=ON,此时,按下伺服启动开关后,M10=ON,伺服启动。
●按下原点回归开关时,M0=ON,伺服执行原点回归动作,当DOG信号X2由Off→On变化时,伺服以5KHZ的寸动速度回归原点,当DOG信号由On→Off变化时,伺服电机立即停止运转,回归原点完成。
台达plcmov指令使用方法实例台达PLC在工业控制领域应用广泛,其MOVR指令是运动控制指令中的重要组成部分,用于实现伺服电机的定位控制。
本文将结合实例,详细介绍台达PLC中MOVR指令的使用方法。
**台达PLC MOVR指令使用方法实例**一、MOVR指令简介台达PLC的MOVR(Move Relative)指令是相对移动指令,主要用于控制伺服电机的相对移动。
通过设置指令参数,可以实现位置、速度和加速度的控制。
二、MOVR指令格式MOVR指令的基本格式如下:```MOVR [轴号], [目标位置], [速度], [加速度];```其中,轴号代表控制的伺服轴,目标位置、速度和加速度分别设定相对移动的目标值。
三、实例说明假设我们有一个应用场景,需要控制轴号为1的伺服电机从当前位置移动到相对位置1000步,速度为100步/秒,加速度为20步/秒。
1.首先,在PLC程序中找到适当的程序段,插入MOVR指令。
2.设置指令参数:- 轴号:1- 目标位置:1000- 速度:100- 加速度:203.完整的MOVR指令如下:```MOVR 1, 1000, 100, 20;```四、注意事项1.使用MOVR指令前,请确保已正确配置伺服驱动器和电机参数。
2.目标位置、速度和加速度的设置需要根据实际应用场景和电机性能进行调整。
3.使用MOVR指令时,请注意安全,避免发生碰撞或其他意外情况。
五、总结通过以上实例,我们可以了解到台达PLC中MOVR指令的使用方法。
在实际应用中,掌握MOVR指令有助于实现精确的运动控制,提高自动化设备的性能。
请根据实际需求,合理设置指令参数,确保设备安全、稳定运行。
注意:本文仅供学习和参考,实际操作请遵循台达PLC的相关规定和指导。
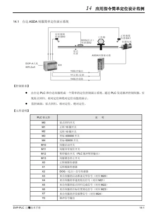
14应用指令简单定位设计范例14.1 台达ASDA伺服简单定位演示系统X1伺服电机Y0脉冲输出Y1正转反转/Y4脉冲清除DOP-A人机ASDA伺服驱动器WPLSoft【控制要求】z由台达PLC和台达伺服组成一个简单的定位控制演示系统。
通过PLC发送脉冲控制伺服,实现原点回归、相对定位和绝对定位功能的演示。
z监控画面:原点回归、相对定位、绝对定位。
【元件说明】PLC软元件说明M0 原点回归开关M1 正转10圈开关M2 反转10圈开关M3 坐标400000开关M4 坐标-50000开关M10 伺服启动开关M11 伺服异常复位开关M12 暂停输出开关(PLC脉冲暂停输出)M13 伺服紧急停止开关X0 正转极限传感器X1 反转极限传感器X2 DOG(近点)信号传感器X3 来自伺服的启动准备完毕信号(对应M20)X4 来自伺服的零速度检出信号(对应M21)X5 来自伺服的原点回归完成信号(对应M22)X6 来自伺服的目标位置到达信号(对应M23)X7 来自伺服的异常报警信号(对应M24)Y0 脉冲信号输出14应用指令简单定位设计范例Y1 伺服电机旋转方向信号输出Y4 清除伺服脉冲计数寄存器信号Y6 伺服启动信号Y7 伺服异常复位信号Y10 伺服电机正方向运转禁止信号Y11 伺服电机反方向运转禁止信号Y12 伺服紧急停止信号M20 伺服启动完毕状态M21 伺服零速度状态M22 伺服原点回归完成状态M23 伺服目标位置到达状态M24 伺服异常报警状态【ASD-A伺服驱动器参数必要设置】参数设置值说明P0-02 2伺服面板显示脉冲指令脉冲计数P1-00 2外部脉冲输入形式设置为脉冲+方向P1-01 0位置控制模式(命令由外部端子输入)P2-10 101当DI1=On时,伺服启动P2-11 104当DI2=On时,清除脉冲计数寄存器P2-12 102当DI3=On时,对伺服进行异常重置P2-13 122当DI4=On时,禁止伺服电机正方向运转P2-14 123当DI5=On时,禁止伺服电机反方向运转P2-15 121当DI6=On时,伺服电机紧急停止P2-16 0无功能P2-17 0无功能P2-18 101当伺服启动准备完毕,DO1=OnP2-19 103当伺服电机转速为零时,DO2=OnP2-20 109当伺服完成原点回归后,DO3=OnP2-21 105当伺服到达目标位置后,DO4=OnP2-22 107当伺服报警时,DO5=OnÚ当出现伺服因参数设置错乱而导致不能正常运行时,可先设置P2-08=10(回归出厂值),重新上电后再按照上表进行参数设置。
PLC控制伺服电机应用实例本文介绍了PLC控制伺服电机的应用实例,包括组成整个系统的PLC模块及外围器件,并附带相关程序。
其中以松下FP1系列PLC和A4系列伺服驱动为例,编制控制伺服电机定长正、反旋转的PLC程序并设计外围接线图。
在PLC程序中设定伺服电机旋转速度,单位为rpm,且设伺服电机设定为1000个脉冲转一圈。
根据机械条件,综合考虑精度与速度要求设定好伺服电机的电子齿轮比,以保证所需的定位精度。
最终实现控制的方法是应用PLC的相应脉冲指令发出脉冲。
Pr48、Pr4A、Pr4B是电子齿轮比的重要参数,用于控制伺服电机的运转速度和行走长度。
公式为:伺服电机每转一圈所需的脉冲数=编码器分辨率×Pr4B/(Pr48 ×2^Pr4A)。
如果所配编码器为2500p/r 5线制增量式编码器,则编码器分辨率为p/r。
若要控制器发送一个脉冲伺服电机行走长度为0.01mm,则伺服电机转一圈需要2000个脉冲。
三个参数可以设定为:Pr4A=0,Pr48=100,Pr4B=20.设定这三个参数需要考虑控制器的最大发送脉冲频率和工艺所要求的精度,工艺精度越高,则伺服电机能达到的最大速度越低。
松下FP1-40 T型PLC的程序梯型图如下:S7-200 PLC在数字伺服电机控制中的应用。
首先需要了解PLC如何控制伺服电机。
本应用实例选择的是位置控制模式,采用差动驱动方式的脉冲输入回路,方便实现对两部电机的控制。
PLC与伺服放大器的接线图如下:L+为公共PLC端子,接24VDC正端,通过控制内部晶体管的开关使得输出Q呈现不同的电平信号或发出脉冲信号。
L+一PG—P lM—L+为脉冲输入回路,PLC控制该回路中的发光二极管的亮灭,形成脉冲编码输入。
L+一NG—NP一1M—L+为电机旋转方向控制回路,当该回路的发光二极管点亮时,电机正转,否则反转。
为防止电流过大烧坏内部的发光二极管,需要外接电阻R,其阻值的计算如下:根据公式(1),可以选择R=3.9KO。
台达PLC控制伺服电机实现原点回归和定位PLC是一种常用的工业自动化控制设备,可以通过编程实现对各种设备的控制和监测。
伺服电机是一种精密、高效的电机,常用于需要精确定位和高速运动的应用中。
在工业自动化中,使用台达PLC控制伺服电机实现原点回归和定位是一种常见的应用。
原点回归是指将伺服电机恢复到初始位置的过程。
定位是指将伺服电机定位到指定位置的过程。
下面将详细介绍如何使用台达PLC控制伺服电机实现原点回归和定位。
首先,需要连接PLC和伺服电机。
通常情况下,PLC通过数字I/O或者模拟输出的方式与伺服电机进行通信。
通过控制信号来实现对伺服电机的运动控制。
接下来,需要进行编程。
在PLC编程软件中,可以使用LAD(梯形图)或SFC(顺序功能图)等编程语言进行编程。
以下是使用LAD进行编程的步骤:1.设定伺服电机的回零信号:首先,将一个输入模块(通常是数字输入模块)连接到PLC,并将其配置为接收伺服电机的回零信号。
在PLC编程软件中,设置一个变量用来接收回零信号,并将其与输入模块的输入点相连。
2.设定伺服电机的运动控制信号:将一个输出模块(通常是数字输出模块)连接到PLC,并将其配置为输出伺服电机的运动控制信号。
在PLC编程软件中,设置一个变量用来控制运动控制信号,并将其与输出模块的输出点相连。
3.编写原点回归程序:在PLC编程软件中,使用LAD或SFC语言编写原点回归的程序。
程序中需要包含以下几个步骤:a.等待回零信号:使用一个等待指令,等待回零信号的到来。
当接收到回零信号时,程序将继续执行下一步。
b.发送运动控制信号:将设定好的运动控制信号发送给伺服电机,使其执行原点回归的动作。
c.等待回零完成信号:使用一个等待指令,等待回零完成信号的到来。
当接收到回零完成信号时,程序将继续执行下一步。
4.编写定位程序:在PLC编程软件中,使用LAD或SFC语言编写定位的程序。
程序中需要包含以下几个步骤:a.接收定位信号:使用一个等待指令,等待定位信号的到来。
台达伺服参数设定1。
基本参数(伺服能够运行的前提)P1—00 设为2 表示脉冲+方向控制方式P1-01 设为00 表示位置控制模式P1—32 设为0 表示停止方式为立即停止P1-37 初始值10,表示负载惯量与电机本身惯量比,在调试时自动估算.P1-44 电子齿轮比分子P1-45 电子齿轮比分母2。
扩展参数(伺服运行平稳必须的参数,可自动整定,也可手动设置)P2-00 位置控制比例增益(提升位置应答性,缩小位置控制误差,太大容易产生噪音)。
P2-04 速度控制增益(提升速度应答性,太大容易产生噪音)。
P2-06 速度积分补偿(提升速度应答性,缩小速度控制误差,太大容易产生噪音).此外还需要把P2-15至P2—17 均设为0,分别代表正反转极限,紧急停止关闭。
否则的话会导致伺服驱动器报警。
此外如果有刹车的话还要把P2-18设为108 (设定第一路数字量输出为电磁抱闸信号。
)这些参数都是基于对伺服驱动器的数字输入(DI)输出(DO)功能定义表来设置。
(表7—1.表7—2)对于工程应用当中的I/O点进行端口定义。
必要的时候查表进行相应的设置。
3.共振抑制的设置P2—23 第一组机械共振频率设定值,(开启第一组机械共振频率时,P2-24不能为零)P2—25 共振抑制低通滤波。
P2-26 外部干扰抵抗增益.P2-47 自动共振抑制设为1 抑振后自动固定。
P2-49 速度检测滤波及微振抑制。
设置完以上的参数就开始自动增益P2-32 设为1或2,伺服在运行过程中每半个小时估测负载惯量比至P1—37.再结合P2—31的刚性及频宽设定,自动修改P2—00,P2—04,P2-06,P2—25,P2-26,P2—49等参数。
当P2—33为1时,P1-37惯量比估算完成,以上相应的控制参数值固定。
此外我们还可以把P2-32设为0,进行手动增益调整。
扩展资料:。
14应用指令简单定位设计范例14.1 台达ASDA伺服简单定位演示系统X1伺服电机Y0脉冲输出Y1正转反转/Y4脉冲清除DOP-A人机ASDA伺服驱动器WPLSoft【控制要求】z由台达PLC和台达伺服组成一个简单的定位控制演示系统。
通过PLC发送脉冲控制伺服,实现原点回归、相对定位和绝对定位功能的演示。
z监控画面:原点回归、相对定位、绝对定位。
【元件说明】PLC软元件说明M0 原点回归开关M1 正转10圈开关M2 反转10圈开关M3 坐标400000开关M4 坐标-50000开关M10 伺服启动开关M11 伺服异常复位开关M12 暂停输出开关(PLC脉冲暂停输出)M13 伺服紧急停止开关X0 正转极限传感器X1 反转极限传感器X2 DOG(近点)信号传感器X3 来自伺服的启动准备完毕信号(对应M20)X4 来自伺服的零速度检出信号(对应M21)X5 来自伺服的原点回归完成信号(对应M22)X6 来自伺服的目标位置到达信号(对应M23)X7 来自伺服的异常报警信号(对应M24)Y0 脉冲信号输出14应用指令简单定位设计范例Y1 伺服电机旋转方向信号输出Y4 清除伺服脉冲计数寄存器信号Y6 伺服启动信号Y7 伺服异常复位信号Y10 伺服电机正方向运转禁止信号Y11 伺服电机反方向运转禁止信号Y12 伺服紧急停止信号M20 伺服启动完毕状态M21 伺服零速度状态M22 伺服原点回归完成状态M23 伺服目标位置到达状态M24 伺服异常报警状态【ASD-A伺服驱动器参数必要设置】参数设置值说明P0-02 2伺服面板显示脉冲指令脉冲计数P1-00 2外部脉冲输入形式设置为脉冲+方向P1-01 0位置控制模式(命令由外部端子输入)P2-10 101当DI1=On时,伺服启动P2-11 104当DI2=On时,清除脉冲计数寄存器P2-12 102当DI3=On时,对伺服进行异常重置P2-13 122当DI4=On时,禁止伺服电机正方向运转P2-14 123当DI5=On时,禁止伺服电机反方向运转P2-15 121当DI6=On时,伺服电机紧急停止P2-16 0无功能P2-17 0无功能P2-18 101当伺服启动准备完毕,DO1=OnP2-19 103当伺服电机转速为零时,DO2=OnP2-20 109当伺服完成原点回归后,DO3=OnP2-21 105当伺服到达目标位置后,DO4=OnP2-22 107当伺服报警时,DO5=OnÚ当出现伺服因参数设置错乱而导致不能正常运行时,可先设置P2-08=10(回归出厂值),重新上电后再按照上表进行参数设置。
台达伺服参数设定台达伺服参数设定是指对台达伺服系统进行相关参数的配置和调整,以满足特定应用需求的过程。
在设定台达伺服参数时,需要考虑到伺服系统的性能要求、运动控制需求和具体应用场景等因素,以达到最佳的运动控制效果和稳定性。
首先,我们可以从伺服参数的基本设定开始。
伺服参数的基本设定包括多项参数,如加速度、减速度、速度、加减速曲线类型、位置误差带宽、位置偏差带宽等。
这些参数影响着伺服系统的运动特性和控制精度。
在设定这些参数时,需要根据具体应用需求和机械系统特性进行调整。
例如,加速度和减速度的设定要考虑到机械系统的惯性特性,以避免产生过大的惯性冲击力;速度的设定要根据机械系统的最大可行速度和运动控制精度来确定。
其次,伺服参数还包括反馈器件的设定。
反馈器件用于实时检测伺服电机的位置和速度信息,并将其反馈给伺服控制器,以实现闭环控制。
对于位置反馈器件,如编码器或位置传感器,需要正确设定其分辨率和线数等参数,以保证测量的位置精度和稳定性;对于速度反馈器件,如速度传感器,需要正确设定其测量范围和灵敏度等参数,以保证测量的速度准确性和稳定性。
此外,伺服参数还涉及到报警保护和故障诊断等方面。
在伺服系统运行过程中,可能出现一些异常情况,如过载、过热、过流等,这时伺服控制器需要能够及时发出报警信号,并采取相应的保护措施,以防止电机或机械系统损坏。
因此,在设定伺服参数时,需要设置相应的报警和保护参数,以保证系统的安全性和稳定性。
除了以上基本参数设定外,台达伺服系统还提供了诸如自抗扰模糊控制(ADRC)、阻尼观测器(DO)、灵敏度补偿等高级功能,可以用于提升伺服系统的运动控制性能和稳定性。
对于具体应用场景,可以根据需要合理设定这些高级参数,并进行相应的调试和优化。
在设定台达伺服参数时,需要采用科学的方法和实验数据进行调整和测试。
可以通过动态调试、频率响应测试、稳态误差分析等手段,对伺服系统的运动特性进行定量分析和优化。
同时,也应根据具体应用需求和机械系统特性进行实际现场测试和调试,以验证设定参数的有效性和可靠性。