阀门编号原则及KKS
- 格式:doc
- 大小:220.00 KB
- 文档页数:17
高工你好:KKS熱控涉及编码要求如下(1(2(3)仪表设备组代码仪表设备组分类代码及编号CE 电气变量001-099 电流101-199 电压201-299 功率301-399 频率401-999 备用CF 流量001-099 流量测量装置101-199 模拟量201-299 开关量401-499 带远传信号501-599 就地指示601-899 备用901-999 备用CL 液位、料位001-099 模拟量101-199 平衡容器、电接点测量筒201-399 开关量401-499 带远传信号501-599 就地指示601-699 备用701-799 调节器801-999 备用CP 压力、差压001-099 压力模拟量101-199 差压模拟量201-299 压力开关量301~399 差压开关量401-449 压力带远传信号451-499 差压带远传信号501-599 压力就地指示601-699 差压就地指示701-799 压力调节器801-899 差压调节器901-949 压力试验测点951-999 差压试验测点CQ 品质参数(分析量)001-099 发送器(探头)101-199 转换器(变送器)201-399 开关量401-499 带远传信号501-599 就地指示601-999 备用CT 温度001-350 热电偶351-499 热电阻501-559 带远传信号560-600 温度变送器601-699 开关量701-799 调节器801-899 就地温度计901-999 温度试验测点刘建民。
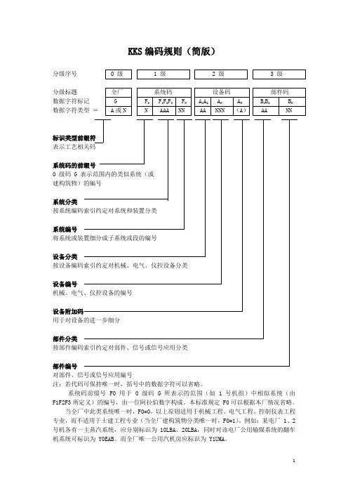
KKS编码规则(简版)分级序号 0 级 1 级 2 级 3 级分级标题全厂系统码设备码部件码数据字符标记 G F0 F1F2F3 F N A1A2 A N A3 B1B2 B N数据字符类型= A或N N AAA NN AA NNN (A) AA NN标识类型前缀符表示工艺相关码系统码的前缀号0 级码 G 表示范围内的类似系统(或建构筑物)的编号系统分类按系统编码索引约定对系统和装置分类系统编号将系统或装置细分成子系统或段的编号设备分类按设备编码索引约定对机械、电气、仪控设备分类设备编号机械、电气、仪控设备的编号设备附加码用于对设备的进一步细分部件分类按部件编码索引约定对部件、信号或信号应用分类部件编号对部件、信号或信号应用编号注:若代码可保持唯一时,括号中的数据字符可以省略。
系统码前缀号 F0用于 0 级码 G 所表示的范围(如 1 号机组)中相似系统(由F1F2F3所定义)的编号,由一位阿拉伯数字构成。
本标准规定 F0可以根据本厂情况省略。
当全厂中此类系统唯一时,F0=0。
以上原则适用于机械工程、电气工程、控制仪表工程专业,而不适用于土建工程专业(当全厂建构筑物分类唯一时,F0=1)。
例如:某电厂 1、2 号机各有一主蒸汽系统,应分别标识为 10LBA、20LBA,同时对该电厂公用输煤系统的翻车机系统可标识为 Y0EAB。
而全厂唯一公用汽机房应标识为 Y1UMA。
分级 0 标识 G 取值约定附录B 设备索引主组A 机械设备B 机械设备C 直接测量回路D 闭环控制回电路E 模拟和二进制信号调节F 间接测量回路G 电气设备H 主要机械和重型机械的组(配)件J 核组件(注:I,O为禁用字母)-------------------------------------------------------------A 机械设备AA 阀门、气流调节阀等等,包含自动、手动执行机构、爆破膜设备AB 密闭元件,空气闸室,门窗等构件AC 换热器、加热器、热交换器、冷却器,传热面AE 转动、驱动提升和旋转装置(及机械手)AF 连续运输设备,升降机(自动电梯),捞渣机,给料机,电动推杆AG 发电机组AH 采暖、通风、制冷和空调设备AJ 尺寸(规模)减少(提炼)设备,仅工艺部分(例:碎煤机、粉碎机、碎渣机等)AK 成套组装设备,仅工艺部分(净化,加药,除尘,脱水等等)AM 混和器,搅拌器,加湿AN 空压机组,风机AP 泵组AS 用于非电变量的调节和拉紧设备(仅适用于执行器本身作为结构在其他设备上) AT 清洗,干燥,过滤,输水和分离设备,不含“BT”AU 减速设备,齿轮箱,耦合设备,非电力变频器AV 燃烧室设备,车式运输设备AW 固定式工具,加工处理设备,消火栓AX 用于工厂维修的实验和监视设备_____________________________________________________________________________ B 机械设备BB 储存设备(箱、槽、罐、池、联箱等)BE 轴(仅用于安装和维修)BF 基础,机架BN 喷射泵、喷射器,注入器BP 限流器,限制器,节流孔板(非测量用的孔板),气化板,伸缩器BQ 吊架、支架、托架、管道贯穿件BR 水管道,气体管道,沟槽BS 消音器BT 燃气催化剂变频器构件BU 绝热层,护套,保温保冷层_____________________________________________________________________________ C 直接测量回路CD 密度CE 电气变量(例如:电流、电压、功率,电频率)CF 流量、速率CG 距离、长度、位置、转动方向CH 人工操作的手工输入(例如:火探测器)CK 时间CL 液位(也用于分界线)CM 水份,湿度CP 压力CQ 质量变量(分析、材料参数)除“CD,CM,CY”之外CR 辐射变量CS 速度、速率、频率(机械的)、加速度CT 温度CU 组合的变量和其他变量CV 粘度CW 重量、质量CX 中子通量(流量)CY 振动、膨胀_____________________________________________________________________________ D 闭环控制回路DD 密度DE 电气变量(例如:电流、电压、功率、电频率)DF 流量、速率DG 距离、长度、位置、转动方向DK 时间DL 液位(也用于分界线)DM 水份、湿度DP 压力DQ 质量变量(分析、材料参数)除“DD,DM,DY”之外DR 辐射变量DS 速度、速率、频率(机械的)、加速度DT 温度DU 组合变量和其他变量DV 粘度DW 重量、质量DX 中子通量DY 振动、膨胀_____________________________________________________________________________ E 模拟和二进制信号调节EA 开环控制(自由使用)EB 开环控制(自由使用)EC 开环控制(自由使用)ED 开环控制(自由使用)EE 开环控制(自由使用)EG 警报、报警(自由使用)EH 警报、报警(自由使用)EJ 警报、报警(自由使用)EK 警报、报警(自由使用)EM 工艺计算机(自由使用)EN 工艺计算机(自由使用)EP 工艺计算机(自由使用)EQ 工艺计算机(自由使用)ER 反应堆保护EU 组合模拟和二进制信号调节EW 保护(自由使用)EX 保护(自由使用)EY 保护(自由使用)EZ 保护(自由使用)_____________________________________________________________________________ F 间接测量回路FD 密度FE 电气变量(例如:任选频率功率)FF 流量、速率FG 距离、长度、位置、转动方向FK 时间FL 液位(也用于分界线)FM 水份、湿度FP 压力FQ 质量变量(分析、材料参数)除“FD、FM、FV”外FR 辐射变量FS 速度速率频率(机械的)、加速度FT 温度FU 组合的变量和其他变量FV 粘度FW 重量、质量FX 中子通量FY 振动、膨胀_____________________________________________________________________________ G 电气设备GA 开关量变送器的接线盒和电缆母线贯穿件GB 接线盒和电缆母线贯穿件(自由使用)GC 接线盒和电缆母线贯穿件(自由使用)GD 大于等于1KV的接线盒和电缆母线贯穿件GE 小于等于1KV接线盒和电缆母线贯穿件GF 小于等于60V接线盒和电缆母线贯穿件GG 接线盒和电缆母线贯穿件(自由使用)GH 根据工艺系统所划分的电气和仪控安装设备(例如:盘、柜、箱)GK 用于工艺计算机和自动系统的信息显示和操作控制设备GM 国内长途电话服务的弱电流系统的连接线盒GP 照明、检修配电箱/接线盒GQ 电源配电箱/接线盒GR 直流电流设备、蓄电池没有采用工艺设备码标识的开关设备,按钮GS (GS100-199:高压配电盘,GS200-299:隔离开关,GS300-399:接地开关)GT 变压器、电压互感器(PT)、电流互感器(CT)GU 逆变器设备、整流器、UPSGV 构筑物接地和防雷保护设备、避雷器GW 箱式供电设备,机柜电源设备GX 电气变量的触发设备(执行器)GY 弱电系统的接线盒(非国内远途通信设施)GZ 电气和仪控设备的吊架、支架和托架_____________________________________________________________________________ H 主要机械和重型机械的组件(只与主组“M、X”码连用)HA 机械壳体的组件HB 机械转动部分的组件HD 轴承组件_____________________________________________________________________________ J 核组件JA 吸收棒组件JB 燃料组件(包括块状、棒米状和球状燃料组件)JC 增殖组件JD 节流格栅组件(限流器)JE 可燃物吸收力组件JF 反向层件件JG 压力室组件JM 慢化剂组件JN 中子源JS 屏蔽装置JZ 特殊组件_____________________________________________________________________________附录C 部件(元件)索引主组一电气部件K 机械部件M 机械部件Q 热控部件(非电气的)X 信号起点Y 信号终点Z 门信号(注:I、O为禁用字母)-------------------------------------------------------—电气部件-A 组件和模件-B 非电气变量的逆变器-C 电容器-D 二进制(逻辑)部件,延时和存储设备-E 特种器件-F 保护装置-G 发电机电源-H 信号装置-K 继电器接触器(保险)-M 电动机-N 放大器控制器-P 测量仪表试验设备-Q 电源开关(一般为380V以上的强电)-R 电阻器-S 开关、选择开关(380V以下的弱电,交流直流均可用)-T 变压器-U 调制器,从电气变量转变为其他变量的转换器-V 电子管半导体(晶体管)-W 传输电路波导管天线-X 接线端子(接线柱)插头,插座-Y 电位器,例如:圆筒形线圈(非电动的)-Z 终端设备浮充设备滤波器电缆终端_____________________________________________________________________________ K 机械部件KA 闸阀、球阀、调节风门、旋塞阀、爆破膜、节流孔板KB 大闸门、门、水坝插板闸门KC 换热器,冷却器KD 流体系统的容器(箱、槽、罐、水池、波动箱)KE 转动、驱动、提升及旋转机构KF 运转装置、给料机KJ 粉碎机KK 压缩打包机KM 搅拌机KN 空压机、风机、鼓风机KP 泵KT 清洗机、干燥机、分离器、过滤器KV 燃烧炉炉排KW 维修用的固定工具和处理机器_____________________________________________________________________________ M 机械部件MB 制动装置MF 机架,基础MG 齿轮箱变速箱,减速箱MK 离合器、联轴节,轴MM 发动机(不包括电动的)MR 水管道部件、风管道部件MS 定位装置(非电气的)MT 汽轮机MU 变速箱(非电气的)换向器和增压器,不含联轴器和齿轮箱_____________________________________________________________________________ Q 热控部件(非电气)QB 测量孔板,传感器(与“QP”在结构上非一体的)QH 信号装置QN 控制器离心调节器QP 测量仪表、实验设备QR 测量管道QS 测量回路上的冷凝室(数据存贮器)QT 热电偶套管和传感器护套_____________________________________________________________________________ X 信号起点(分功能组,根据热控系统来确定,并应经工程各方同意)_____________________________________________________________________________ Y 信号终点(分功能组,根据热控系统来确定,并应经工程各方同意)_____________________________________________________________________________ Z 门信号(分功能组,根据热控系统来确定,并应经工程各方同意)_____________________________________________________________________________。
KKS 编码1. KKS编码表示方法1.1 工艺和电气专业表示方法: 各系统、设备、管路、阀门、开关、刀闸、系统继电保护以及二次线部分采用发电厂标识系统,即KKS编码。
KKS编码除设备外,均由三级共11位字符组成,它们的分级及含义由下表说明。
1.2 分级表说明1.2.1 机组码:按1,2(1号机、2号机)编制,全厂公用系统编入1号机组;1号机、2号机公用系统编入1号机组。
1.2.2 系统或装置代码:用三位英文字母对系统及装置进行分类标识,详见各专业说明。
1.2.3 同一系统里的管路区域、分支或区段代号(系统或装置序号):用两位数字对系统分为子系统序号,子系统的序号一般指定为10,20,30……,对于子系统内的分支则以11,12,13……顺序加以区分和识别。
子系统的序号也可用顺序号01,02,03……来区分。
1.2.4 设备或阀门类别代号(设备或间隔回路代码):用两位英文字母对设备及间隔进行分类标识,详见附件。
1.2.5 同一设备或阀门类别里的序号(设备或间隔回路序号):用三位数字来标识设备或间隔回路序号。
1.2.6 用英文大写字母A、B、C顺序或数字1、2、3顺序加以标识,但“I”和“O”两字母不用,避免混淆。
1.3 特殊规定1.3.1 热工专业1.3.1.1接线盒标识: 用十一位字符组成1.3.1.2 电缆清册: 由10位数字或字母构成组成1.3.1.2.1 第一位表示机组及公用设备号机组标识,单元机组用1、2表示,公用设备用1表示。
1.3.1.2.2 第二位表示本专业代号,用C表示1.3.1.2.3 第三至六位表示电缆所在卷册号,用数字表示1.3.1.2.4 第七位表示电缆分类其中 1 ─动力电缆(交流380V)、电源电缆(交直流220V)2 ─控制电缆(开关量信号)3 ─信号电缆(模拟量信号)4 ─补偿电缆5 ─通讯电缆6 ─专用电缆、预制电缆1.3.1.2.5 第八至第九位表示电缆所在图号,用两位数字01-99表示(如图纸张数超过100张,用三位上数表示)1.3.1.2.6 第十(至十一)位表示电缆编号,当用于CWD时,用一位英文字母表示(其中I,O,C不用);当用于端子排的图纸时,用两位数字表示。
什么是KKS编码?KKS电厂标识系统起源于德国。
专门的组织于1970开始组织编写,并于1978年正式发布第一版,以后几年历经修改和充实,现在的最新版本为第四版2000年修订本。
KKS标识系统是根据任务、类型和位置来标识任何类型电厂中的各个装置,装置的各个部分以及各个设备。
具有四个分解层次和固定字母数字字符的分层结构格式,各层次都是以工艺相关代码为依据。
它采用下列三种类型标识的统一代码格式,按工程规范的专门规则分别进行标识:工艺(过程)相关标识(PROCESS-RELATED CODE)、安装地点标识(POINT OF INSTALLATION CODE)、位置标识(LOCATION CODE)。
遵循下列标准:DIN——德国工业标准;IEC——国际电工技术协会;ISO——国际标准化组织。
KKS编码在欧洲的电力工业的应用已经非常的普遍和成熟,甚至直接应用于控制系统的程序中,我国也有许多电厂选用了KKS编码作为自己的设备编码。
KKS编码是强规则的编码规则,它的每一位编码的含义和取值,都有严格的规定。
是作为编码标准的优良品种。
KKS编码系统规范一、系统概述发电厂有成千上万台各种设备,为了确保发电厂生产过程的安全、经济和可靠,设备管理工作十分重要,设备管理工作包括以下主要内容:采购、监造、安装、运行维护、检修、退役。
在设备管理过程中涉及大量的技术数据、资料、图纸和档案,现代化的设备管理必须借助于计算机,显然,上述技术数据及文件录入计算机需要有一种公用的语言,这种公用语言应具有易于计算机处理、能提供足够的信息且不应含有某一特定语种文法翻译因素。
此外,由于不同发电厂的工艺有别,设备和系统命名也不相同,这使得电力系统及其电厂之间在生产管理和系统联络上产生一连串的问题,尤其是随着电厂规模不断发展,设备自动化程度不断提高,管理工作日趋复杂化和现代化,这就要求有一套统一的设备和系统编码,来满足统一管理及实施计算机管理的要求。
见附件5:广西防城港电厂一期工程初步设计阶段KKS编码实施细则山东电力工程咨询院工程设计证书甲级150001-sj号2004年10月济南1 目的本程序使用国际应用比较广泛的发电厂标识系统(KKS),对工程的各个系统、设备、元件统一编码,以利于在工程设计、项目管理方面实施计算机管理,将工程管理提高到一个新水平。
2 范围本程序适用于工程各有关专业的设备、仪表、阀门等。
3 定义KKS:德文缩写,发电厂标识系统。
4 相关文件KKS手册(采用国际通用的SIEMENS公司发电厂编码系统2003年版)5 职责各承包商应建立和实行统一的电厂标识系统,并执行如下程序。
6 程序6.1 工程的标识规定6.1.1 工程只进行过程标识,不进行安装地点、位置、土建构筑物及电缆标识、安装地点及位置用图纸上位置表示。
过程标识分别表示系统、设备和元件编码,一般可编至系统和设备,只进行必要的编码。
6.1.2 本工程KKS码必须有唯一性,相关专业间使用KKS编码必须一致。
6.2 过程标识:注:括号内字母A和数字N需要时添加。
6.2.1 一般要求:6.2.1.1 工程中无前辍:对于#1机,N=1;对于#2机,N=2;2台机公用部分N=0;6.2.1.2 系统码中:N—平行系统的序列号。
本工程按供货厂商编制,暂定如下:锅炉厂供货的产品:N=1汽机厂供货的产品:N=2发电机厂供货的产品:N=3DCS厂供货的产品:N=4脱硫承包商供货的产品:N=5BOP及其他厂供货的产品:N=0AAA—系统名,按KKS手册规定。
NN—子系统编号,允许不连续编制,要求2位数。
由供货的承包商确定,如10、20、30等,应注意与设备名称排序规定相对应。
相同的设备名称用A、B、C、D、E……加注,以示区别,并按设备所在位置彼此相对关系确定,本工程规定与柱号(即1~18,A~D)排序方向一致。
如:自固定端至扩建端#1机磨煤机A至磨煤机F的KKS编码为:10HFC10AJ001~10HFC60AJ001。
kks编码规则-概述说明以及解释1.引言1.1 概述概述KKS编码规则是一种用于标识和命名工业系统中的设备和测量点的编码规则。
它是德国工程技术标准化协会(VDI)制定的一种行业标准,已被广泛应用于能源、化工、石油、矿业等领域的工业自动化系统中。
KKS 编码规则的目的是为了方便系统工程师对工业设备进行管理、维护和监控。
KKS编码规则由一系列字符组成,用于唯一标识每一个设备和测量点。
这些字符包括字母、数字和特殊符号,按照一定的规则组合。
通过KKS编码,我们可以准确地找到某个设备或测量点在系统中的位置,以及相关的技术参数和运行状态。
KKS编码规则的应用非常广泛。
它可以应用于各种类型的工业设备,包括发电机组、锅炉、泵站、阀门、传感器等。
通过KKS编码,系统工程师可以轻松地对这些设备进行分类、管理和维护。
同时,KKS编码也可以用于数据采集和监控系统,帮助工程师实时地了解系统的运行状态,从而及时做出反应。
总结起来,KKS编码规则是工业自动化领域中非常重要的一个组成部分。
它能够提供准确、统一的设备和测量点标识,方便系统工程师对设备进行管理和维护。
随着工业自动化技术的不断发展,我们有理由相信KKS 编码规则将会在未来得到更广泛的应用。
1.2 文章结构文章结构部分是文章大纲中的一个重要组成部分,它主要用于介绍整篇文章的组织结构和内容安排。
在本篇文章中,文章的结构主要分为三部分:引言、正文和结论。
每个部分都有各自的目的和内容要点。
引言部分作为文章的开端,主要用于引发读者的兴趣,简要介绍kks 编码规则的背景和重要性,并概括性地阐述文章的目的。
正文部分是文章的主体部分,包括kks编码规则的定义和应用。
2.1节中,将详细说明kks编码规则的定义,包括其命名规范、组成部分以及使用方式等内容。
2.2节则着重介绍kks编码规则的应用范围和实际应用案例,以便读者更好地理解和掌握该编码规则。
结论部分是文章的收尾,主要对kks编码规则的重要性进行总结和回顾,并展望未来对该规则的发展和应用前景。
厂区阀门编号管理制度第一章总则为规范厂区阀门编号的管理,提高厂区阀门管理效率,便于阀门的维护、检修和管理工作,制定本制度。
第二章阀门编号管理的基本原则1. 统一性原则:在厂区内对所有阀门进行编号,保证每一只阀门都有唯一的编号,避免重复。
2. 规范性原则:统一规范管理阀门的编号,格式简洁明了,方便记忆以及管理。
3. 持续性原则:编号一经确定,应长期使用并加以维护,防止编号混乱或遗失。
4. 故障性原则:编号管理应与阀门的维护检修工作结合,方便查找和维修。
第三章阀门编号管理的具体规定1. 阀门编号的编制(1) 根据厂区不同区域、不同功能、不同介质的阀门情况,制定统一的编号编制规则。
(2) 编制阀门编号时,应包括所在区域、功能、介质等信息,组成简洁明了的编号。
2. 阀门编号的规范使用(1) 所有阀门都应在显眼位置设立编号牌,编号牌应清晰、牢固,不易脱落。
(2) 对于新安装的阀门,应及时进行编号,并在相关数据中登记。
(3) 对于更换、调整位置的阀门,应重新编号并更新相关数据。
3. 阀门编号的维护(1) 对于因腐蚀、损坏等原因导致编号牌无法清晰显示的,应及时更换编号牌。
(2) 对于发现编号牌缺失或错误的情况,应及时找回或修正,并更新数据。
4. 阀门编号的管理(1) 建立阀门编号管理台账,对每一只阀门进行记录,包括编号、位置、功能、使用情况等信息。
(2) 对于维修、检修过程中涉及到的阀门,应及时更新阀门编号管理台账,确保数据的实时性和准确性。
(3) 对于新安装、更改位置等情况,应及时进行编号变更和更新相关数据。
第四章阀门编号管理的监督和考核1. 厂区阀门的管理部门应设立专门负责阀门编号管理的岗位,负责阀门编号的编制、使用和维护工作。
2. 每年对阀门编号管理工作进行一次全面的考核,对于管理工作的不足之处及时进行整改和提升。
第五章附则1. 本制度自发布之日起正式执行,如有异议或建议,请及时向管理部门反馈。
2. 本制度未尽事宜或发生争议,应由管理部门做出解释和裁决。
项目编号:XXXXXXXXXXXX目工程施工图设计电厂化学部分第 1 卷第4册化学水处理部分发电厂标识系统(KKS )XXXXXXXX有限公司20XX年XX月目录1. 说明2. 标识规定3. 标识编码索引表4. 应用规则1说明1.1编制依据文件本标识系统是根据中华人民共和国国家标准《电厂标识系统编码标准》GB/T 50549-2010,并结合本工程的具体情况及需要进行编制。
1.2设计范围本工程水处理专业设计范围包括:锅炉补给水处理系统,凝结水精处理系统,热力系统化学加药系统、水汽取样分析和监测系统、循环水处理系统、工业废水集中处理系统、制氢站、烟气脱硝还原剂储存计量系统等项目。
1.3编制要求全部设备、自动阀门参与编制2标识规定2.1分类等级N:数字符号,0〜9的阿拉伯数字。
2.2标识规定2.2.1全厂,0级,按划分机组码:在0分级(全厂)中,规定电厂各机组和公用系统的标识,本级G按如下约2.2.2系统码,1级本级F o值规定如下:本级F0规定如下:本级的F1F2F3的值AAA规定见第3.1节标识索引表。
本级F N的值NN两个数字字符是根据功能组和分功能组而指定的,指定为00, 10, 20,…90, —张图上的功能组不得超过10个。
对于子系统内的分支则以11, 12, 13……顺序加以区分和识别。
结合本工程具体情况,规定如下:223设备码,2级本级的AA的值AA规定见第3.2节标识索引表。
本级A N的值NNN数字字符是对设备组的计数。
管路上的阀门、挡板的设备编码原则如下:储存类设备(箱、罐、容器等)的设备编码原则如下:2.3工艺系统图上的标识标注到2层一一设备组。
位置代码标注可以简化,如设备的位置代码相同,在图中说明即可;如少数设备的位置代码不同,标注这些设备的位置代码,其余的说明即可。
2.4设备布置及管道安装图应标注系统和设备编码,阀门、挡板类设备可不标注。
对于全图中设备的系统编码相同时,可只标注设备编码,系统码在图中说明即可。
一、标准KKS编码格式各种类型编码按照DIN40719第2部分通过前缀符号和分级符号加以区分。
分级序号相关工艺标识安装点标识位置标识前缀符号分级符号安装点标识的“·”分级符号必须标明。
如果编码内容含义清楚。
则前缀符号可省略。
注:A: 字母(除I和O以外的英文字母,或其他特殊字符)。
N: 0至9的阿拉伯数字。
二、有关说明1.工艺代码编至设备编号(第二级);建筑物空间代码编至建筑物区域编号(第一级)2.总编号G和系统编号中的F0采用两位数字表示,对于公用系统为01;1号机为10;2号机为20。
3. 编码的表示方法编码可以连着写也可以分开写,但无论何种写法,均不应引起误解。
符号间留有空格,有助于编码的理解和记忆。
可单行书写,也可使用多行表示法:单行表示法:ANAAANN AANNNA AANN例如:10LAB10 CF001 QB01多行表示法:ANAAANNAANNNAAANN例如:10LAB10 #1机组给水管道CF001 流量测点QB001 流量孔板根据本工程实际情况,热控专业 KKS编码编制到设备单元级。
三、有关热控的功能、设备编码的应用规定功能编码主组C 热控设备CA 保护联锁CAA-CAQ 保护联锁柜CB 功能组控制、子回路控制CBA-CBN 功能组控制柜CBP 同期柜CBQ 厂用电切换柜CC 二进制信号调整,驱动控制接口CCA-CCQ 二进制信号调整柜,驱动控制接口CD 驱动控制接口CDA-CDQ 驱动控制接口柜CE 广播CEA-CEH 广播系统柜CEJ-CEQ 事故记录CF 计量,记录CFA-CFF 测量柜CFQ 记录柜(仪表,笔录仪)CG 闭环控制(不包括电源段)CGA-CGH 闭环控制柜CH 保护CHA-CHD 发电机和变压器保护柜CJ 机组协调CJA 机组控制系统CJD 机组启动控制,设定点控制(包括柜)CJF 锅炉控制系统(包括柜)CJJ-CJN 汽机机组热控柜CJU-CJY 其他主要和重型机械的热控柜CK 工艺过程计算机系统CKA-CKH 在线监视和诊断计算机CKJ-CKM 访问控制计算机CR 可编程控制系统及机柜CRA 自动系统柜,功能单元1CRB 自动系统柜,功能单元2CRC 自动系统柜,功能单元3CRD 自动系统柜,功能单元4CRE 自动系统柜,功能单元5CRF 自动系统柜,功能单元6CRG 自动系统柜,功能单元7CRK 自动系统柜,例如几个功能单元CRN 自动系统柜,例如运行CRP 自动系统柜,例如:故障-安全CRQ 自动系统柜,例如:AS620-TCRR 通讯系统,例如:终端总线系统CRS 通讯系统,例如:全厂总线系统CRT 通讯系统,例如:就地总线系统CRU 过程控制与信息系统,例如:OM650 CRV 组态系统,例如FS680CRW 诊断系统,例如:DS670CRY 公用附属系统CU 闭环控制(电源段)CUA 400V交流电源调节柜,例如:功能单元1 CUB 400V交流电源调节柜,例如:功能单元2 CUC 400V交流电源调节柜,例如:功能单元3CUD 400V交流电源调节柜,例如:功能单元4 CUE 400V交流电源调节柜,例如:功能单元5 CRF 400V交流电源调节柜,例如:功能单元6 CUG 400V交流电源调节柜,例如:功能单元7 CUL 24V直流电磁阀的中间继电器柜CUM 控制室硬接线电源柜CUN 24V直流融丝柜CUP 230V直流融丝柜CV 端子架CV A-CVZ 端子排CW 控制室CW A-CWE 主控制台CWF-CWP 主控制盘CX 就地控制站CXW 发电机监测柜CY 通讯设备CYA 电话系统(PABX 自用自动交换机)CYB 控制台电话系统CYC 报警系统CYE 火警系统CYF 时钟系统CYG 远方控制系统CYH 遥测系统CYJ 远方计量系统CYK 高频载波电话系统CYL 人员寻呼系统CYP 光学监视系统CYR 气管传话器CYS 无线电话系统CYY 调试用公用电话系统按系统划分E 常规燃料供应和残余物排放EA 固体燃料的卸车和储存EAY 控制与保护设备EB 固体燃料的机械处理(破碎、混合、干燥等),(也用于煤气发生和处理)EBY 控制与保护设备EC 固体燃料的分配ECY 控制与保护设备EG 液体燃料的供应EGY 控制与保护设备EH 液体燃料的化学处理,包括残余物排除EHX 控制与保护设备的介质供应系统EHY 控制与保护设备EK 气体燃料的供应EKX 控制与保护设备的介质供应系统EKY 控制与保护设备EN 其他燃料的供应(重燃油或原油)ENX 控制与保护设备的介质供应系统ENY 控制与保护设备EP 其他燃料的处理(重燃油或原油)EPX 控制与保护设备的介质供应系统EPY 控制与保护设备ER 点火燃料的供应ERY 控制与保护设备ET 除灰除渣系统ETP 控制与保护设备的载体发生与分配系统ETX 控制与保护设备的介质供应系统ETY 控制与保护设备G 给排水GA 生水供应GAX 控制与保护设备的介质供应系统GAY 控制与保护设备GB 处理系统(除碳酸盐硬度),包括冷却塔补充水处理系统GBX 控制与保护设备的介质供应系统GBY 控制与保护设备GC 处理系统(除盐)GCX 控制与保护设备的介质供应系统GCY 控制与保护设备GC 处理系统(其他)GCX 控制与保护设备的介质供应系统GCY 控制与保护设备GN 全厂排水处理系统GNX 控制与保护设备的介质供应系统GNY 控制与保护设备GR 内部废水处理系统GRX 控制与保护设备的介质供应系统GRY 控制与保护设备H 常规锅炉HA 承压系统,给水和蒸汽部分HRX 控制与保护设备的介质供应系统HRY 控制与保护设备HC 火侧受热面清理设备HCY 控制与保护设备HD 除灰除渣HDY 控制与保护设备HF 煤仓、给煤机和制粉系统HFY 控制与保护设备HH 主燃烧系统HHX 控制与保护设备的介质供应系统HHY 控制与保护设备HJ 点火设备HJX 控制与保护设备的介质供应系统HJY 控制与保护设备HL 燃烧空气系统(一次风、二次风)HLX 控制与保护设备的介质供应系统HLY 控制与保护设备HM 烟气加热系统(用于闭式循环)HMY 控制与保护设备HN 烟气排放(无烟气处理)HNY 控制与保护设备HS 烟气化学处理系统,包括残余物去除、吸附过程(例如:DENOX)HSX 控制与保护设备的介质供应系统HSY 控制与保护设备HT 烟气化学处理系统,包括残余物去除、吸附过程(例如:烟气除硫设备)HTX 控制与保护设备的介质供应系统HTY 控制与保护设备L 汽、水、气循环LA 给水系统LAX 控制与保护设备的介质供应系统LAY 控制与保护设备LB 蒸汽系统LBX 控制与保护设备的介质供应系统LBY 控制与保护设备LC 凝结水系统LCY 控制与保护设备的介质供应系统LCY 控制与保护设备LK 燃气系统(闭式循环)LKX 控制与保护设备的介质供应系统LKY 控制与保护设备M 主机组MA 汽机设备MAX 非电控制与保护设备MAY 电气控制与保护设备MK 发电机设备MKY 控制与保护设备MX 控制介质供应系统MY 控制与保护设备N 外部供热系统(如区域采暖)NA 供汽系统,包括凝结水回收NAX 控制与保护设备的介质供应系统NAY 控制与保护设备ND 热水供应系统NDX 控制与保护设备的介质供应系统NDY 控制与保护设备P 冷却水系统PA 循环水系统PAX 控制与保护设备的介质供应系统PAY 控制与保护设备PB 循环水处理系统PBX 控制与保护设备的介质供应系统PBY 控制与保护设备PC 工业水系统PCX 控制与保护设备的介质供应系统PCY 控制与保护设备PD 工业水处理系统PDX 控制与保护设备的介质供应系统PDY 控制与保护设备Q 辅助系统QH 辅助蒸汽发生系统QHX 控制与保护设备的介质供应系统QHY 控制与保护设备QJ 中央供气,也用于惰性气体QJY 控制与保护设备QL 辅助蒸汽产生分配系统的给水、蒸汽、凝结水循环QLY 控制与保护设备S 辅助系统SG 固定消防系统SGX 控制与保护设备的介质供应系统SGY 控制与保护设备X 重型机械(不是主机组)XJ 柴油机设备XJX 控制与保护设备的介质供应系统XJY 控制与保护设备XK 发电机设备XKY 控制与保护设备设备单元编码A 机械设备AA 阀门、挡板等,包括执行器,也可是手动,安全膜设备AB 隔离元件,锁气器AC 热交换器,传热面AE 传动、驱动、起重和旋转装置(也用于操作机构)AF 连续传送机、给料机(升降机)AG 发电机装置AN 压缩机、风机AP 泵组A V 燃烧设备C 直接测量回路CB 辐射变量,如热辐射、火焰监视(不是CR和CQ)CD 密度CE 电气变量(如电流、电压、功率、频率)CG 距离、长度、位置、旋转方向CH 手动输入(作为手动传感器,如火焰检测器)CJ 功率(机械、热)CK 时间CL 料位(也用于分界线)CM 水分、湿度CP 压力CQ 质量变量(分析、材料特性,不是CD、CM、CV)CR 辐射变量CS 速度、转速、频率(机械)CT 温度CU 组合变量及其他CV 粘度CW 重量、质量CY 振动、膨胀D 闭环控制回路DB 辐射变量,如热辐射、火焰监视(不是DR和DQ)DD 密度DE 电气变量(如电流、电压、功率、频率)DF 流量、流速DG 距离、长度、位置、旋转方向DH 手动输入(作为手动传感器,如火焰检测器)DJ 功率(机械、热)DK 时间DL 料位(也用于分界线)DM 水分、湿度DP 压力DQ 质量变量(分析、材料特性,不是DD、DM、DV)DR 辐射变量DS 速度、转速、频率(机械)、加速度DT 温度DU 组合变量及其他DV 粘度DW 重量、质量DY 振动、膨胀E 模拟量和二进制信号调节EA 开环控制,机组控制EB 开环控制,成组控制EC 开环控制,子组控制EE 开环控制,子回路控制,设备单元切换EG 报警,通知,报警逻辑EH 报警,通知,硬接线报警系统EJ 过程计算机,存取控制EK 过程计算机,运行显示和监视显示EM 报警,通知,报警逻辑EN 过程计算机,状态显示计算机、判据显示EP 过程计算机,监控计算机EQ 过程计算机,内部自动化(信号处理)ES 过程计算机,内部自动化(信号调节)EU 模拟量与数字量组合信号调整EV 信号输送,总线偶合EY 保护、保护逻辑,优先级,与设备单元无关EZ 保护、辅助设备单元保护F 间接测量回路FB 辐射变量,如热辐射、火焰监视(不是FR和FQ)FF 密度FE 电气变量(如电流、电压、功率、频率)FF 流量、速率FG 距离、长度、位置、旋转方向FJ 功率(机械、热)FK 时间FL 料位(也用于分界线)FM 水分、湿度FP 压力FQ 质量变量(分析、材料特性,不是FF、FM、FV)FR 辐射变量FS 速度、转速、频率(机械)、加速度FT 温度FU 组合变量及其他FV 粘度FW 重量、质量FY 振动、膨胀四、对控制及动力设备I/O清单的开列规则见下表(以第一台机组为例)1、电动阀门编码规则备注1)电动闸阀开状态 10LAB01AA011 CG01 DI关状态 10LAB01AA011 CG02 DI开指令 10LAB01AA011 XB91 DO关指令 10LAB01AA011 XB92 DO阀故障 10LAB01AA011 XB48 DI2)电动调整阀控制指令 10LAB01AA011 XB11 AO阀位反馈 10LAB01AA011 CG12 AI阀故障 10LAB01AA011 XB48 DI开状态关状态2、气动阀门开状态 10LAB01AA011 CG01 DI1)气动闸阀(双电控)关状态 10LAB01AA011 CG02 DI开指令 10LAB01AA011 XB91 DO关指令 10LAB01AA011 XB92 DO2)气动闸阀(单开状态 10LAB01AA011 CG01 DI电控)关状态 10LAB01AA011 CG02 DI开指令 10LAB01AA011 XB91 DO3)气动调整阀控制指令 10LAB01AA011 XB11 AO阀位反馈 10LAB01AA011 CG12 AI阀故障 10LAB01AA011 XB48 DI 带三断保护开状态关状态3、电磁阀1)双电控开状态 10LAB01AA011 CG01 DI关状态 10LAB01AA011 CG02 DI开指令 10LAB01AA011 XB91 DO关指令 10LAB01AA011 XB92 DO 2)单电控开状态 10LAB01AA011 CG01 DI关状态 10LAB01AA011 CG02 DI开指令 10LAB01AA011 XB91 DO启状态 10LAB01AP011 CG01 DI 4、电动机(6000V)停状态 10LAB01AP011 CG02 DI断路器闭合10LAB01AP011 XB03 DI断路器和闸位置10LAB01AP011 XB04 DI断路器跳闸位置启指令 10LAB01AP011 XB91 DO停指令 10LAB01AP011 XB92 DO就地控制 10LAB01AP011 XB71 DI保护动作 10LAB01AP011 XB48 DI保护报警 10LAB01AP011 XB49 DI电流 10LAB01AP011 XQ01 AI启状态 10LAB01AP011 CG01 DI 5、电动机(380V 75KW以上)停状态 10LAB01AP011 CG02 DI启指令 10LAB01AP011 XB91 DO停指令 10LAB01AP011 XB92 DO就地控制 10LAB01AP011 XB71 DI保护动作 10LAB01AP011 XB48 DI保护报警 10LAB01AP011 XB49 DI电流 10LAB01AP011 XQ01 AI启动状态 10LAB01AP011 CG01 DI 6、电动机(380V 75KW以下)故障状态 10LAB01AP011 XB48 DI启指令 10LAB01AP011 XB91 DO停指令 10LAB01AP011 XB92 DO就地控制 10LAB01AP011 XB71 DI电流 10LAB01AP011 XQ01 AI五、电缆清册的KKS编制原则带KKS编码和基本安装信息的电缆清册基本按施工图的方式出版完成,包括电缆的KKS编号、电缆的用途名称、起点(安装位置1)、终点(安装位置2)、电缆型号、备用芯数和估算长度注等信息,。
KKS 编码1. KKS编码表示方法1.1 工艺和电气专业表示方法: 各系统、设备、管路、阀门、开关、刀闸、系统继电保护以及二次线部分采用发电厂标识系统,即KKS编码。
KKS编码除设备外,均由三级共11位字符组成,它们的分级及含义由下表说明。
1.2 分级表说明1.2.1 机组码:按1,2(1号机、2号机)编制,全厂公用系统编入1号机组;1号机、2号机公用系统编入1号机组。
1.2.2 系统或装置代码:用三位英文字母对系统及装置进行分类标识,详见各专业说明。
1.2.3 同一系统里的管路区域、分支或区段代号(系统或装置序号):用两位数字对系统分为子系统序号,子系统的序号一般指定为10,20,30……,对于子系统内的分支则以11,12,13……顺序加以区分和识别。
子系统的序号也可用顺序号01,02,03……来区分。
1.2.4 设备或阀门类别代号(设备或间隔回路代码):用两位英文字母对设备及间隔进行分类标识,详见附件。
1.2.5 同一设备或阀门类别里的序号(设备或间隔回路序号):用三位数字来标识设备或间隔回路序号。
1.2.6 用英文大写字母A、B、C顺序或数字1、2、3顺序加以标识,但“I”和“O”两字母不用,避免混淆。
1.3 特殊规定1.3.1 热工专业1.3.1.1接线盒标识: 用十一位字符组成1.3.1.2 电缆清册: 由10位数字或字母构成组成1.3.1.2.1 第一位表示机组及公用设备号机组标识,单元机组用1、2表示,公用设备用1表示。
1.3.1.2.2 第二位表示本专业代号,用C表示1.3.1.2.3 第三至六位表示电缆所在卷册号,用数字表示1.3.1.2.4 第七位表示电缆分类其中 1 ─动力电缆(交流380V)、电源电缆(交直流220V)2 ─控制电缆(开关量信号)3 ─信号电缆(模拟量信号)4 ─补偿电缆5 ─通讯电缆6 ─专用电缆、预制电缆1.3.1.2.5 第八至第九位表示电缆所在图号,用两位数字01-99表示(如图纸张数超过100张,用三位上数表示)1.3.1.2.6 第十(至十一)位表示电缆编号,当用于CWD时,用一位英文字母表示(其中I,O,C不用);当用于端子排的图纸时,用两位数字表示。
什么是KKS编码?KKS电厂标识系统起源于德国。
专门的组织于1970开始组织编写,并于1978年正式发布第一版,以后几年历经修改和充实,现在的最新版本为第四版2000年修订本。
KKS标识系统是根据任务、类型和位置来标识任何类型电厂中的各个装置,装置的各个部分以及各个设备。
具有四个分解层次和固定字母数字字符的分层结构格式,各层次都是以工艺相关代码为依据。
它采用下列三种类型标识的统一代码格式,按工程规范的专门规则分别进行标识:工艺(过程)相关标识(PROCESS-RELATED CODE)、安装地点标识(POINT OF INSTALLATION CODE)、位置标识(LOCATION CODE)。
遵循下列标准:DIN——德国工业标准;IEC——国际电工技术协会;ISO——国际标准化组织。
KKS编码在欧洲的电力工业的应用已经非常的普遍和成熟,甚至直接应用于控制系统的程序中,我国也有许多电厂选用了KKS编码作为自己的设备编码。
KKS编码是强规则的编码规则,它的每一位编码的含义和取值,都有严格的规定。
是作为编码标准的优良品种。
KKS编码系统规范一、系统概述发电厂有成千上万台各种设备,为了确保发电厂生产过程的安全、经济和可靠,设备管理工作十分重要,设备管理工作包括以下主要内容:采购、监造、安装、运行维护、检修、退役。
在设备管理过程中涉及大量的技术数据、资料、图纸和档案,现代化的设备管理必须借助于计算机,显然,上述技术数据及文件录入计算机需要有一种公用的语言,这种公用语言应具有易于计算机处理、能提供足够的信息且不应含有某一特定语种文法翻译因素。
此外,由于不同发电厂的工艺有别,设备和系统命名也不相同,这使得电力系统及其电厂之间在生产管理和系统联络上产生一连串的问题,尤其是随着电厂规模不断发展,设备自动化程度不断提高,管理工作日趋复杂化和现代化,这就要求有一套统一的设备和系统编码,来满足统一管理及实施计算机管理的要求。
2.1本专业使用标识的图纸范围2.2仪表与控制系统图对系统图中以下设备进行编号标识:2.2.1一次测量元件。
2.2.2二次仪表。
2.2.3就地仪表。
2.1.4 ON-OFF气动门、电动门及气动电动调节门(由工艺专业负责编码)。
2.1.5 删除。
2.1.6 电动机(由工艺专业负责编码)。
2.1.7 其他仪表控制设备。
2.2 布置图对以下图纸控制设备进行编号标识(包括脱硫部分):2.2.1单元机组集中控制室及电子设备间平面布置图(对辅助车间控制室可参考执行),主要标识如下内容:控制室内布置的所有控制盘、台、柜、LCD操作员站、大屏幕显示器、打印机。
电子设备间布置的所有控制盘、台、柜。
工程师室布置的所有控制设备。
SIS及运行分析室布置的所有控制设备。
2.2.2控制盘、台、柜正面布置图,主要标识控制盘、台、柜正面布置的所有仪表和控制设备。
2.2.3热控就地设备布置图,主要标识就地控制盘、箱、柜等。
2.3控制接线图,主要标识控制设备、一次测量元件、控制盘、箱、柜、配电箱、接线盒、电缆等。
2.4电缆清册2.5仪表导管和阀门清册参照本说明4.7条执行。
2.6热控设备清册2.7I/O清册3 图例说明及表示方法3.1仪表标识3.1.1图例及说明仪表图例符号采用椭圆形符号,分上下两部分,上部分为功能代码,下部分为仪表编号。
功能代码左侧为仪表分类,右侧为控制系统功能组代码;仪表编号左侧为工艺系统功能代码,右侧为仪表控制设备代码标识。
工艺系统功能代码是由工艺专业标注在系统图中某一区域(如管道)的编号;仪表控制设备代码是在此区域仪表设备的编号。
如:仪表分类控制系统功能组代码工艺系统功能代码仪表控制设备代码椭圆形符号尺寸为宽24mm,高8mm。
对某一设备上测点集中且数量多(如壁温、线圈温度、发电机本体温度等)的成组测量,可用一个适当加长的椭圆形符号。
3.1.1.1 对于就地仪表,功能代码与仪表编号之间不带横线。
3.1.1.2 对于进入集中控制室内盘、台、柜上的仪表,功能代码与仪表编号之间划一横线。
KKS编码1.KKS编码表示方法1.1工艺和电气专业表示方法:各系统、设备、管路、阀门、开关、刀闸、系统继电保护以及二次线部分采用发电厂标识系统,即KKS编码。
KKS编码除设备外,均由三级共11位字符组成,它们的分级及含义由下表说明。
1.2分级表说明1.2.1机组码:按1, 2(1号机、2号机)编制,全厂公用系统编入1号机组;1号机、2号机公用系统编入1号机组。
1.2.2系统或装置代码:用三位英文字母对系统及装置进行分类标识,详见各专业说明。
1.2.3同一系统里的管路区域、分支或区段代号(系统或装置序号):用两位数字对系统分为子系统序号,子系统的序号一般指定为10,20,30……,对于子系统内的分支则以11,12, 13……顺序加以区分和识别。
子系统的序号也可用顺序号01, 02, 03……来区分。
1.2.4设备或阀门类别代号(设备或间隔回路代码):用两位英文字母对设备及间隔进行分类标识,详见附件。
1.2.5同一设备或阀门类别里的序号(设备或间隔回路序号):用三位数字来标识设备或间隔回路序号。
1.2.6用英文大写字母A、E、C顺序或数字1、2、3顺序加以标识,但“I”和“O” 两字母不用,避免混淆。
1.3 特殊规定1.3.1热工专业1.3.1.1接线盒标识:用十一位字符组成131.2电缆清册由10位数字或字母构成组成1.3.1.2.1第一位表示机组及公用设备号机组标识,单元机组用1、2表示,公用设备用1表示。
1.3.1.2.2第二位表示本专业代号,用C表示1.3.1.2.3第三至六位表示电缆所在卷册号,用数字表示1.3.1.2.4第七位表示电缆分类其中1 —动力电缆(交流380V)、电源电缆(交直流220V2控制电缆(开关量信号)3信号电缆(模拟量信号)4—补偿电缆5—通讯电缆6—专用电缆、预制电缆1.3.1.2.5第八至第九位表示电缆所在图号,用两位数字01-99表示(如图纸张数超过100张,用三位上数表示)131.2.6 第十(至)位表示电缆编号,当用于CW时,用一位英文字母表示(其中I , O, C不用);当用于端子排的图纸时,用两位数字表示。
阀门型号编制方法、阀门编号说明、阀门命名2007-5-15 07:09阀门型号编制方法、阀门编号说明阀门型号通常应表示阀门类型、驱动方式、连接形式、结构特点、公称压力、密封面材料、阀体材料等要素。
阀门型号的标准化对阀门的设计、选用、经销,提供了方便。
当今阀门的类型和材料种类越来越多,阀门型号的编制也愈来愈复杂。
我国虽然有阀门型号编制的统一标准,但逐渐不能适应阀门工业发展的需要。
目前,阀门制造厂一般采用统一的编号方法;不能采用统一编号方法的,各生产厂可按自己的情况制订出编号方法。
当阀门还具有其他功能作用或带有其他特异结构时,在阀门类型代号前再加注一个汉语拼音字母,按下表的规定。
第二功能作用名称代号 第二功能作用名称代号 保温型B排渣型P类型 安全阀 蝶阀 隔膜阀 止回阀底阀 截止阀 节流阀 排污阀 球阀 疏水阀 柱塞阀 旋塞阀 减压阀 闸阀代号 A D G H J L P Q S U X Y Z二单元:传动方式安全阀、减压阀、疏水阀、手轮直接连接阀杆操作结构形式的阀门,本代号省略,不表示;对于气动或液动机构操作的阀门:常开式用6K、7K表示;常闭式用6B、7B表示;防爆电动装置的阀门用9B表示。
三单元:连接型式四单元:结构型式阀门结构形式用阿拉伯数字表示,按下表规定。
闸阀结构形式代号截止阀、节流阀和柱塞阀结构形式代号球阀结构形式代号蝶阀结构形式代号隔膜阀结构形式代号旋塞阀结构形式代号止回阀结构形式代号安全阀结构形式代号减压阀结构形式代号蒸汽疏水阀结构形式代号排污阀结构形式代号五单元:密封副材料空气是硬密封Y,水是软密封X六单元:公称压力数值用阿拉伯数字直接表示,它是MPa的10倍金金代A C H I K L P Q R S T V Z号灰铸铁底压阀和钢制中压省略此项举例:Z543H-16C 伞齿轮传动法兰连接平板闸阀,公称压力1.6MPa,阀体材料为碳钢阀门的命名阀门的名称按传动方式、连接形式、结构形式、衬里材料和类型命名。
阀门型号编制方法、阀门编号说明、阀门命名2007-5-15 07:09阀门型号编制方法、阀门编号说明阀门型号通常应表示阀门类型、驱动方式、连接形式、结构特点、公称压力、密封面材料、阀体材料等要素。
阀门型号的标准化对阀门的设计、选用、经销,提供了方便。
当今阀门的类型和材料种类越来越多,阀门型号的编制也愈来愈复杂。
我国虽然有阀门型号编制的统一标准,但逐渐不能适应阀门工业发展的需要。
目前,阀门制造厂一般采用统一的编号方法;不能采用统一编号方法的,各生产厂可按自己的情况制订出编号方法。
当阀门还具有其他功能作用或带有其他特异结构时,在阀门类型代号前再加注一个汉语拼音字母,按下表的规定。
第二功能作用名称代号 第二功能作用名称代号 保温型B排渣型P类型 安全阀 蝶阀 隔膜阀 止回阀底阀 截止阀 节流阀 排污阀 球阀 疏水阀 柱塞阀 旋塞阀 减压阀 闸阀代号 A D G H J L P Q S U X Y Z二单元:传动方式安全阀、减压阀、疏水阀、手轮直接连接阀杆操作结构形式的阀门,本代号省略,不表示;对于气动或液动机构操作的阀门:常开式用6K、7K表示;常闭式用6B、7B表示;防爆电动装置的阀门用9B表示。
三单元:连接型式四单元:结构型式阀门结构形式用阿拉伯数字表示,按下表规定。
闸阀结构形式代号截止阀、节流阀和柱塞阀结构形式代号球阀结构形式代号蝶阀结构形式代号隔膜阀结构形式代号旋塞阀结构形式代号止回阀结构形式代号安全阀结构形式代号减压阀结构形式代号蒸汽疏水阀结构形式代号排污阀结构形式代号五单元:密封副材料空气是硬密封Y,水是软密封X六单元:公称压力数值用阿拉伯数字直接表示,它是MPa的10倍金金代A C H I K L P Q R S T V Z号灰铸铁底压阀和钢制中压省略此项举例:Z543H-16C 伞齿轮传动法兰连接平板闸阀,公称压力1.6MPa,阀体材料为碳钢阀门的命名阀门的名称按传动方式、连接形式、结构形式、衬里材料和类型命名。
但下面内容在命名中均予省略:(1) 连接形式中:“法兰”。
(2) 结构形式中:a:闸阀的“明杆”、“弹性”、“刚性”和“单闸板”;b:截止阀和节流阀的“直通式”;c:球阀的“浮动”和“直通式”;d:蝶阀的“垂直板式”;e:隔膜阀的“屋脊式”;f:旋塞阀的“填料”和“直通式”;g:止回阀的“直通式”和“单瓣式”;h:安全阀的“不封闭”。
(3) 阀座密封面材料中的材料名称。
D71XJ-10 DN80表示的是:液动、内螺纹连接,阀瓣密封面材料为橡胶,阀座密封面材料为衬胶,公称压力为10公斤/平方厘米,公称口径为80mm的铁制蝶阀。
、一、标准阀门型号编制方法阀门型号编制组合排列形式类型代号用汉语拼音字母表示如下表各类阀门型号含义各类阀门结构形式其它电动阀:“B”为防爆电动装置。
“Y”“S”为未注代号的均为普通型电动装置。
阀门型号:首位前加“K”表示抗硫阀;“G”表示配金属棱型垫片及加接法兰,螺栓、螺母。
“G”表示联合设计的截止、节流阀。
“C”表示CVA标准。
“S”表示地下水门。
“W”高中压表示波纹管阀;“W”低压表示卧式安装。
“HD”表示止回蝶阀;“GD”表示高真空截止阀。
“D”表示低温阀。
材质:1)C4 C6表示耐浓硝酸的新钢种。
2)TI表示耐剧腐蚀的工业钝钛。
3)N表示铝铌铜氮钢。
4)RL表示超低碳的不锈钢。
KKS(电厂标识系统)编码起源KKS编码起源于德国,其含义是电厂标识系统。
1970年,来自欧洲的电厂计划、经营、运行、维护、决策等部门的有关专家组成了VGB技术委员会,在借鉴了上述电厂标识系统的特点,共同创建了KKS编码系统。
1978年6月,VGB以手册的形式发布了第一版,当时就得到了电力工业的广泛采用。
1983年发布了改正修订后的第二版, 1988年发布了第三版,1995年发布了第四版,此时它在欧洲的电力工业几乎无处不在,以至控制系统的程序编码都直接引用了该编码,基本上形成了一套完整的发电厂标识系统,其应用范围包括电站工程规划、设计、施工、验收、运行、维护、预算和成本控制等。
KKS编码根据标识对象的功能、工艺和安装位置等特征,来明确标识电厂中的系统和设备及其组件的一种代码。
KKS编码用字母和数字,按照一定的规则,通过科学合理的排列、组合,来描述(标识)电厂各系统、设备、元件、建(构)筑物的特征,从而构成了描述电厂状况的基础数据集,以便于对电厂进行管理(如,分类、检索、查询、统计)。
我国最早于20世纪90年代开始引进和使用KKS,目前,大部分新建的电厂从建设数字化电厂的角度出发,要求必须采用KKS编码系统,统一编码并标识图纸及现场的设备挂牌标识,国内电力设计院、发电集团、电力企业等相继组织编制了KKS企业标准,并在企业内部推广应用。
国家有前部门已发布了相关标准(《电厂标识系统设计则》,DL/T950-2005),并在积极联系发布更详细的细则;在《火力发电厂厂级监控信息系统技术条件》(DL/T 924-2005)中第4.5条款明确规定采用DL/T 950-2005标准;在实际中,KKS编码实现了设计图纸的标注和现场的设备挂牌上,成为信息系统(MIS、EAM、SIS、DCS等,包括状态检修系统)各功能模块联系的纽带,从而被广泛应用!KKS编码被广泛用于电厂的规划设计、工程建设和经营管理过程之中;它拥有足够的容量且可扩充,能够标识不同类型电厂所有的设备;KKS编码的逻辑结构和组成体系层次分明,代码简单明了,能够不依赖于计算机程序语言而独立存在。
这些特点使它适合作为基础数据供计算机处理,为电厂信息系统(如MIS、ERP、EAM、SIS)的建立提供强有力的支撑,为企业进行成本核算、计划统计和预决算等管理提供良好的基础数据平台。
另外,KKS编码可以与其它编码混合使用,比如文档编码、备品备件编码等,这对于电厂管理功能的集成具有重要价值。
也为工程建设各单位以及国内和国际之间的多元化交流提供了方便。
编辑本段KKS标识系统概述发电厂有成千上万台各种设备,为了确保发电厂生产过程的安全、经济和可靠,设备管理工作十分重要,设备管理工作包括以下主要内容:采购、监造、安装、运行维护、检修、退役。
在设备管理过程中涉及大量的技术数据、资料、图纸和档案,现代化的设备管理必须借助于计算机,显然,上述技术数据及文件录入计算机需要有一种公用的语言,这种公用语言应具有易于计算机处理、能提供足够的信息且不应含有某一特定语种文法翻译因素。
此外,由于不同发电厂的工艺有别,设备和系统命名也不相同,这使得电力系统及其电厂之间在生产管理和系统联络上产生一连串的问题,尤其是随着电厂规模不断发展,设备自动化程度不断提高,管理工作日趋复杂化和现代化,这就要求有一套统一的设备和系统编码,来满足统一管理及实施计算机管理的要求。
发电厂是资产、技术密集的流程型生产企业,信息化基础较好,一般具有配套的计算机软件和硬件设施(DCS、PLC等)完成对数据的采集和对运行的控制。
发电厂对设备运行的安全性和可靠性要求高,因此对企业的管理信息系统也有较高要求。
电厂标识系统KKS(德文为:Kraftwert Kennzeichen System;英文为:Identification System For Power Plants),KKS电厂标识系统起源于德国。
专门的组织于1970开始组织编写,并于1978年正式发布第一版,以后几年历经修改和充实,现在的最新版本为第四版2000年修订本。
KKS标识系统是根据任务、类型和位置来标识任何类型电厂中的各个装置,装置的各个部分以及各个设备。
具有四个分解层次和固定字母数字字符的分层结构格式,各层次都是以工艺相关代码为依据。
它采用下列三种类型标识的统一代码格式,按工程规范的专门规则分别进行标识:工艺(过程)相关标识(PROCESS-RELATED CODE)、安装地点标识(POINT OFINSTALLATION CODE)、位置标识(LOCATION CODE)。
遵循下列标准:DIN——德国工业标准;IEC——国际电工技术协会;ISO——国际标准化组织。
KKS编码在欧洲的电力工业的应用已经非常的普遍和成熟,甚至直接应用于控制系统的程序中,我国也有许多电厂选用了KKS编码作为自己的设备编码。
编辑本段系统功能●各种类型的电厂及相关工艺的标识统一。
避免采用不一致的命名系统导致电厂间及上层管理投资机构之间的沟通问题。
●有足够的容量和细节来标识所有系统、设备和建筑物。
运行和检修等人员能更加准确辨认设备装置,从设备标识牌上马上可以辨识出设备功能和所处位置●有足够的扩充容量以适应新技术的发展,有一个连贯的统一的标识系统。
●规划、施工、运行、维护和其他管理的标识始终一致,保证电厂所有历史数据的延续性。
●标识的规则在机械(汽机、锅炉、化学)、土建(建筑物)、电气和仪表热控各专业之间得到严格的统一和完美的适用,并兼备根据工艺过程、安装地点和位置进行识别的能力。
●KKS编码是强规则的编码规则,它的每一位编码的含义和取值,都有严格的规定。
是作为编码标准的优良品种。
●符合国家和国际的有关标准。
●易于实现人才流动。
由于相同的编码系统,在各专业中(甚至不同电厂)人员流动比较容易。
也正式因为是非基于语言的编码系统,还将有利于和国外厂商进行交流。
●设备由不同制造商和供应商制造或供应,因此形成不统一的设备代码系统。
统一到一个标准的KKS标识系统下(因为它可以给任何设备对象编码),可以形成统一的设备标识体系,方便管理。
●使用先进的、统一的编码系统,这是对电厂所包容的所有对象进行数字化的过程,这是实现计算机管理的基础。
为信息系统提供最科学的信息系统特点●设备由不同制造商和供应商制造或供应,因此形成不统一的设备代码系统。
统一到一个标准的KKS标识系统下(因为它可以给任何设备对象编码),可以形成统一的设备标识体系,方便管理。
●使用先进的、统一的编码系统,这是对电厂所包容的所有对象进行数字化的过程,这是实现计算机管理的基础。
为信息系统提供最科学的信息。
●KKS编码可广泛用于任何CSMS软件,可简化CSMS软件的准备过程,加快了系统建设的进度。
●利用计算机,重新绘制所有系统图纸。
由于重新绘制时均经过现场核对,其准确性大大提高,如果提供彩色输出将会更加清晰,同时可大大提高可读性,便于查阅。
●利用计算机绘图,对于将来发生的设备变更、异动和技术改造,需要修改系统图纸时可以轻易实现,一劳永逸。
●易于实现人才流动。
由于相同的编码系统,在各专业中(甚至不同电厂)人员流动比较容易。
●如果能更换现场设备标识牌,那么运行和检修等人员能更加准确辨认设备装置,从设备标识牌上马上可以辨识出设备功能和所处位置。
层次结构KKS编码包括对设备功能位置、安装位置和地理位置的描述。