阀门型号规格编码规则
- 格式:doc
- 大小:183.50 KB
- 文档页数:5
阀门型号规格编码规则
本标准适用于工业管道的闸阀、截止阀、球阀、蝶阀、隔膜阀、止回阀、安全阀、减压阀、疏水阀、旋塞阀、柱塞阀。
1.阀门的型号编制方法如下:
表1
类型代号类型代号
闸阀Z 旋塞阀X
截止阀J 止回阀和底阀H
节流阀L 安全阀 A
球阀Q 减压阀Y
蝶阀 D 疏水阀S
隔膜阀G 柱塞阀U
注:当阀门还具有其他功能作用或带有其他特异结构时,在阀门类型代号前再加注一个汉语拼音字母,按下表的规定。
第二功能作用名称代号第二功能作用名称代号保温型 B 排渣型P
低温型D a快速型Q
防火型 F (阀杆密封)波纹管型W
缓闭型H ——
D a 低温型指允许使用温度低于-46℃以下的阀门。
4.0MPa,1Cr18Ni9Ti (不锈钢,相当于304)阀体材质
7.公称压力数值
按JB74—59《管路附件公称压力,试验压力和工作压力》的规定。
用于电站工业的阀门,当介质最高温度超过530摄氏度时,按JB74-59第5条的规定标注工作压力.。
阀门的分类阀门类型的含义一、阀门型号的表示方法:阀门型号主要依据JB4018-85《电站阀门型号编制方法》编写。
阀门型号的构成要素主要包括阀门的类型、传动方式、连接形式、结构形式、阀座密封面或衬里材料、公称压力和阀体材料等,表示方法如下:□□□□□-□□阀体材料代号标称压力数值阀座密封面或衬里材料代号结构形式代号连接形式代号传动方式代号阀门类型代号1、阀门类型代号阀门类型代号用汉语拼音字母表示,表1-1-1给出阀门类型代号规定。
2、传动方式代号传动方式代号用阿拉伯数字表示,表1-1-2给出传动方式代号规定。
表1-1-1 阀门类型代号注:1 在阀门类型字母前加“D ”的表示低温阀门(即适用温度低于-40℃),加“B ”的表示保温(带加热套)阀门,加“W ”的表示带波纹管密封的阀门; 2 在电动闸阀的型号前加“B ”,表示阀门的驱动装置为防爆型电动装置; 3 在地下水用闸阀的型号前加“S ”,表示竖式安装,加“W ” 表示卧式安装; 4 闸阀型号前加“P ”,表示用于排渣系统的闸阀,即排渣阀,加“X ”或“K ”表示排渣用泥浆阀;5 蝶阀型号前加“D1”、“D2”表示短系列,加“Q ”表示球蝶阀,加“S ”表示用于地下管网的蝶阀。
表1-1-2 传动方式代号注:1 手轮、手柄和扳手传动的,以及安全阀、减压阀、疏水阀可省略本代号;2 对于气动或液动:常开式用6K 、7K 表示,常闭式用6B 、7B 表示,气动带手动用6S 表示;3 防爆电动装置用9B 表示,户外耐热用9R 表示;4 代号2及代号8表示在阀门启闭时,需由两种动力源同时对阀门进行动作。
3、阀门连接形式代号阀门连接形式代号用阿拉伯数字表示,表1-1-3连接形式代号规定。
表1-1-3 连接形式代号 注:焊接包括对焊和承插焊。
4、阀门的结构形式代号阀门的结构形式代号用阿拉伯数字表示,表1-1-4~表1-1-16阀门结构形式规定。
表1-1-4 闸阀结构形式代号表1-1-5 截止阀、节流阀结构形式代号表1-1-6 球阀结构形式代号表1-1-7 蝶阀结构形式代号表1-1-8 隔膜式结构形式代号表1-1-9 旋塞式结构形式代号表1-1-10 止回阀结构形式代号表1-1-11 安全阀结构形式代号注:杠杆式安全阀也可在类型代号前加“G”表示,单杠杆代号为“2”,双杠杆代号为“4”。
瑞来宝金属制品有限公司闸阀编码规定(试行)编制年月日审核年月日批准年月日为适应公司产品规格品种不断发展的要求,避免产品管理出现混乱,使产品管理向规范化标准化方向过渡,特制订本产品编码规定。
产品编码的原则代码由三个部分组成,计13位数字,说明如下。
第一部分1-R-代表瑞来宝公司产品。
2-产品名称。
规定A-闸阀,B-消防栓,C-消防盒,D-止回阀,E-迷你阀,F-水表阀,G-过滤器,H-空气阀。
3-开发序列号,按阿拉伯数字顺序排列,0,1,2,3,以此类推。
这里规定老闸阀为0, 新闸阀为1。
4-F4或F5,4-F4,5-F5。
闸阀部件只有阀体有F4/F5区分,其它部件没有,此项缺省用0代替。
5-执行标准。
D-德标,M-美标,A-澳标等。
第二部分6-部件顺序号第一位。
7-部件顺序号第二位。
规定装配成品代码中部件顺序号为00。
8,9,10-表示产品规格,如080代表DN080。
表示在不同规格间通用部件代码时,此处用生产频次较高的产品规格。
第三部分11-旋向,R-右旋,L-左旋。
12-附件,1-代表带阀帽,2-代表带手轮。
11,12项为装配成品及阀杆,传动螺母的代码专用.其中12项为装配成品代码专用,其它部件代码中此两项为缺省,用0代替。
13-修改号,规定新产品正式图纸版本号为0,依次修改号按阿拉伯数字1,2,3..排列。
代码在表示规格的三位数字前后加. 在修改号前加. 以区分规格及修改号。
本编码对压力等级,橡胶及喷涂粉是否认证等暂不做规定。
举列说明。
装配成品代码新闸阀DN80 F4 德标,旋向右旋,带阀帽,图纸修改号0。
R A14D00080R10 RA14D00.080.R1.0部件代码1.新闸阀DN80 F4 德标, 阀体,图纸修改号0。
R A14D04080000 RA14D04.080.00.0部件代码2.新闸阀DN100,德标.,右旋阀杆,图纸修改号0。
R A10D08100R00 RA10D08.100.R0.0部件代码3。
国标阀门型号编制方法一、阀门型号的结构组成阀门型号由一系列数字、字母和符号组成,通常包括以下几个部分:产品类型标志、产品形式标志、产品结构标志、产品尺寸标志、产品材质标志、产品压力等级标志以及特殊要求标志等。
各个标志的排列和组合方式有标准规定,下面将详细介绍各部分的编码规则。
1.产品类型标志:用于标识阀门的类型,通常使用大写字母表示,如G表示截止阀、H表示止回阀等。
2.产品形式标志:用于标识阀门的形式,通常使用大写字母表示,如N表示蝶阀、Y表示旋塞阀等。
3.产品结构标志:用于标识阀门的结构形式,通常使用数字和字母组合表示,如1表示直通式、2表示角式、3表示弯道式等。
4.产品尺寸标志:用于标识阀门的口径尺寸,通常使用数字表示,如DN50表示50mm的口径。
5.产品材质标志:用于标识阀门的材质,通常使用大写字母和数字组合表示,如WCB表示碳钢、CF8表示不锈钢等。
6.产品压力等级标志:用于标识阀门的工作压力,通常使用数字表示,如PN16表示16MPa的工作压力。
7.特殊要求标志:用于标识阀门的特殊要求,通常使用大写字母和数字组合表示,如E表示耐高温、F表示耐腐蚀等。
二、编码规则1.编码顺序:阀门型号的编码顺序一般按照产品类型标志、产品形式标志、产品结构标志、产品尺寸标志、产品材质标志、产品压力等级标志和特殊要求标志的顺序进行排列。
2.编码分隔符:各部分之间的编码可以使用特定的分隔符进行分隔,常用的分隔符有"-"、"/"和空格等。
3.编码长度:阀门型号的编码长度没有规定限制,但通常为了方便标识和辨认,长度不会太长。
三、编码方法阀门型号的编码方法是将各个标志的编码按照规定的顺序组合起来。
例如,一个DN50剪刀式截止阀,材质为WCB,工作压力为PN16的阀门的型号可以编写为G-1-1-DN50-WCB-PN16、这个编码表示了该阀门的类型、形式、结构、尺寸、材质和压力等级等信息。
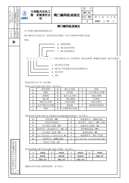
阀门编号规则阀门的型号编制方法一、阀门的型号阀门的型号是用来表示阀类、驱动及连接形式、密封圈材料和公称压力等要素的。
阀门产品的型号是由七个单元组成,用来表明阀门类别、驱动种类、连接和结构形式、密封面或衬里材料、公称压力及阀体材料。
阀门型号的组成由七个单元顺序组成(见下表)1(阀门的类型代号表1—1阀门类型代号阀门类型代号阀门类型代号Z Q S 闸阀球阀疏水阀J X A 截止阀旋塞阀安全阀L M Y 节流阀液面指示器减压阀G H 隔膜阀止回阀U D 柱塞阀碟阀2(传动方式代号用阿拉伯数字表示,按表1—2的规定表1—2传动方式代号传动方式代号0 5 电磁阀伞齿轮1 6 电磁—液动气动2 7 电—液动液动3 8 蜗轮气—液动4 9 正齿轮电动注:?手轮、手柄和扳手传动以及安全阀、减压阀、疏水阀省略本代号。
?对于气动或液动:常开式用6K、7K表示;常闭式用6B、7B表示;气动带手动用6S 表示。
防爆电动用“9B”表示。
3(连接形式代号用阿拉伯数字表示,按表1—3的规定表1—3连节形式代号连节形式代号1 7 内螺纹对夹2 8 外螺纹卡箍4 9 法兰卡套6 焊接注:焊接包括对焊和承插焊4(结构形式代号用阿拉伯数字表示1—4~13表1—4闸阀结构形式代号0 明杆楔式弹性闸板1 刚单闸板2 双闸板3 平行式性单闸板4 双闸板暗杆楔式 5 单闸板6 双闸板表1—5截止阀和节流阀结构形式代号1 直通式4 角式5 直流式6 平衡直通式7 角式表1—6球阀结构形式代号直通式 1浮动 L形三通式 4T形 5固定直通式 7表1—7蝶阀结构形式代号0 杠杆式1 垂直板式3 斜板式表1—8隔膜阀结构形式代号1 屋脊式3 截止式7 闸板式表1—9旋塞阀结构形式代号3 直通式填料 4 T形三通式5 四通式7 油封直通式8 T形三通式表1—10止回阀和底阀结构形式代号1 升降直通式2 立式4 单瓣式旋启 5 多瓣式6 双瓣式表1—11安全阀结构形式代号0 带散热片全启式封闭 124 全启式弹簧 3 双弹簧微启式带板手 7 微启式不封闭 8 全启式5 微启式6 带控制机全启式构9 脉冲式注:杠杆式安全阀在类型代号前加“G”汉语拼音字母。
阀门型号编制方法阀门型号编制是根据阀门的规格、结构、用途等参数进行编制的一种方法。
它的主要目的是为了对阀门进行统一的标识和管理,方便用户和生产厂家进行沟通和交流。
下面将从阀门型号的组成、命名规则以及相关的注意事项等方面进行详细的解释。
一、阀门型号的组成阀门型号通常由一组数字和字母组成,其中包含了阀门的基本信息。
下面是常见的阀门型号组成要素:1. 阀门类型:通常用一个字母来表示,如G表示截止阀,Q表示球阀,C表示蝶阀等。
2. 阀门口径:表示阀门的通径大小,以英寸(inch)为单位,常用的有1/2、3/4、1、2等。
3. 面板连接方式:表示阀门的连接方式,常用的有螺纹连接、法兰连接、对夹连接等。
4. 阀门结构:表示阀门的结构形式,包括闸阀、截止阀、球阀、蝶阀、安全阀等。
5. 阀门材质:表示阀门的材质,常用的有铸铁、不锈钢、铜等。
6. 工作压力:表示阀门的额定工作压力,以MPa或psi为单位。
7. 温度等级:表示阀门的额定工作温度,以摄氏度或华氏度为单位。
8. 附件选型:表示配套的附件选型,如手动操作装置、电动装置、气动装置、减震器等。
二、阀门型号的命名规则阀门型号的命名规则可以根据不同的国家、行业或厂家而有所不同。
一般来说,阀门型号是由相关的技术标准规定的,具有一定的统一性。
以下是常见的阀门型号命名规则:1. 简化型号:有些厂家为了方便用户记忆和辨识,会对阀门型号进行简化,用一些常用字母或数字来替代具体的技术参数。
2. 层次型号:有些阀门型号会采用层次结构的命名方式,将阀门的各个参数按照一定的顺序和级别进行组织,使其更加清晰和易读。
三、注意事项编制阀门型号时需要注意以下几个方面:1. 根据实际情况选择型号:在编制阀门型号时,要根据具体的使用要求和工况条件来选择合适的型号。
不同工程项目或设备要求的阀门类型和规格可能会有所不同,需要根据实际情况进行选择。
2. 参考相关标准和规范:在编制阀门型号时,可以参考相关的标准和规范,如国家标准、行业标准或企业内部标准等。
阀门的分类阀门类型的含义一、阀门型号的表示方法:阀门型号主要依据JB4018-85《电站阀门型号编制方法》编写。
阀门型号的构成要素主要包括阀门的类型、传动方式、连接形式、结构形式、阀座密封面或衬里材料、公称压力和阀体材料等,表示方法如下:□□□□□-□□阀体材料代号标称压力数值阀座密封面或衬里材料代号结构形式代号连接形式代号传动方式代号阀门类型代号1、阀门类型代号阀门类型代号用汉语拼音字母表示,表1-1-1给出阀门类型代号规定。
2、传动方式代号传动方式代号用阿拉伯数字表示,表1-1-2给出传动方式代号规定。
表1-1-1 阀门类型代号注:1 在阀门类型字母前加“D ”的表示低温阀门(即适用温度低于-40℃),加“B ”的表示保温(带加热套)阀门,加“W ”的表示带波纹管密封的阀门; 2 在电动闸阀的型号前加“B ”,表示阀门的驱动装置为防爆型电动装置; 3 在地下水用闸阀的型号前加“S ”,表示竖式安装,加“W ” 表示卧式安装; 4 闸阀型号前加“P ”,表示用于排渣系统的闸阀,即排渣阀,加“X ”或“K ”表示排渣用泥浆阀;5 蝶阀型号前加“D1”、“D2”表示短系列,加“Q ”表示球蝶阀,加“S ”表示用于地下管网的蝶阀。
表1-1-2 传动方式代号注:1 手轮、手柄和扳手传动的,以及安全阀、减压阀、疏水阀可省略本代号;2 对于气动或液动:常开式用6K 、7K 表示,常闭式用6B 、7B 表示,气动带手动用6S 表示;3 防爆电动装置用9B 表示,户外耐热用9R 表示;4 代号2及代号8表示在阀门启闭时,需由两种动力源同时对阀门进行动作。
3、阀门连接形式代号阀门连接形式代号用阿拉伯数字表示,表1-1-3连接形式代号规定。
表1-1-3 连接形式代号 注:焊接包括对焊和承插焊。
4、阀门的结构形式代号阀门的结构形式代号用阿拉伯数字表示,表1-1-4~表1-1-16阀门结构形式规定。
表1-1-4 闸阀结构形式代号表1-1-5 截止阀、节流阀结构形式代号表1-1-6 球阀结构形式代号表1-1-7 蝶阀结构形式代号表1-1-8 隔膜式结构形式代号表1-1-9 旋塞式结构形式代号表1-1-10 止回阀结构形式代号表1-1-11 安全阀结构形式代号注:杠杆式安全阀也可在类型代号前加“G”表示,单杠杆代号为“2”,双杠杆代号为“4”。
阀门型号编制方法、阀门编号说明阀门型号通常应表示阀门类型、驱动方式、连接形式、结构特点、公称压力、密封面材料、阀体材料等要素。
阀门型号的标准化对阀门的设计、选用、经销,提供了方便。
当今阀门的类型和材料种类越来越多,阀门型号的编制也愈来愈复杂。
我国虽然有阀门型号编制的统一标准,但逐渐不能适应阀门工业发展的需要。
目前,阀门制造厂一般采用统一的编号方法;不能采用统一编号方法的,各生产厂可按自己的情况制订出编号方法。
□□□□□-□□
一单元:阀门类型代号
二单元:传动方式
三单元:连接型式
四单元:结构型式
每种阀门的结构型式都不同,请点击下面相应的阀门结构型式编制方法
五单元:密封副材料
当密封副的密封面材料不同时,以硬度低的材料代号表示。
六单元:公称压力数值用阿拉伯数字直接表示,它是MPa的10倍七单元:阀体材料
灰铸铁底压阀和钢制中压省略此项
举例:Z543H-16C 伞齿轮传动法兰连接平板闸阀,公称压力1.6MPa,阀体材料为碳钢
阀门的命名
阀门的名称按传动方式、连接形式、结构形式、衬里材料和类型命名。
但下面内容在命名中均予省略:
(1) 连接形式中:“法兰”。
(2) 结构形式中:
a:闸阀的“明杆”、“弹性”、“刚性”和“单闸板”;
b:截止阀和节流阀的“直通式”;
c:球阀的“浮动”和“直通式”;
d:蝶阀的“垂直板式”;
e:隔膜阀的“屋脊式”;
f:旋塞阀的“填料”和“直通式”;
g:止回阀的“直通式”和“单瓣式”;
h:安全阀的“不封闭”。
(3) 阀座密封面材料中的材料名称。
属性编号说明平行式闸板物资编码属性编写基本原则范例物资编码属性内容1. 按国内标准生产,各属性单位采用公制,否则采用英制。
例如压力,口径。
注意压力单位仅在公制时填写MPa ,英制时必须为空,口径单位在任何时候均必须为空。
2. 阀门型号按照型号编制方法填写,但第六、七单元压力与材料不填。
3. 所用数字与符号,如 "、*、/ 等匀使用半角符,即按英文模式输入。
4. 由于部分阀门名称5497标准中没有,则按照阀门基本结构形式选用小类与品名,参见相应技术规格书,并注意型号编制方法及备注。
5. 对于闸阀、球阀、截止阀(标准型)和蝶阀在备注中必须标明加长杆。
加长杆长度单位为m 。
为避免编码过于繁多务必按小数点后仅使用0.5,如1.5m ,2.5m ,2m 。
若无加长杆,6.备注中必须填写制造标准的标准号,参见技术规格书。
对于排污阀、注水注汽阀制造涉及多个标准,则应注明技术规格书,参见相应的范例与技术规格书。
备注中不同内容之间。
J 此类阀门在54978. 变径阀门应在两个不同口径之间用“*”,参见范例。
7. 阀体材料代号填写材料牌号,牌号前注明美国材料标准,参见范例。
针型阀类针型阀在阀门型号标准中没有,但型号编制方法中按截止阀编制给予了扩充,列于非标准型截止阀,此类截止法备注中不写入加长杆。
H时候均必须为空。
m ,2.5m ,2m 。
若无加长杆,务必填写加长杆无。
规格书。
备注中不同内容之间必须用“/”划分,如制造标准或技术规书号之后用/与后续内容划分长杆。
此类阀门在5497标准中有,根据其结构与功能,为便于供应商管理以致品名按针型阀归类。
阀门型号编制方法阀门型号表示方法阀门作为流体控制设备的一种常见类型,广泛应用于各种工业领域。
为了方便区分不同类型和规格的阀门,人们采用了阀门型号的编制方法和表示方法。
下面将介绍阀门型号编制的一般方法和常见的阀门型号表示方法。
一、阀门型号编制方法阀门型号的编制通常遵循一定的规则和要求,以确保阀门型号的唯一性和准确性。
以下是一般的阀门型号编制方法:1. 阀门类型标识:阀门型号的第一部分通常是阀门的类型标识,用于区分不同类型的阀门,如闸阀、截止阀、球阀等。
不同国家和标准对阀门类型的表示方法有所差异,但多数采用字母缩写或数字编号表示。
2. 阀门规格标识:阀门规格标识通常包括阀门的口径、压力等级和结构材料等信息。
口径是指阀门的通径大小,通常用英寸或毫米表示;压力等级表示阀门的额定工作压力,通常用公斤/平方厘米或兆帕等单位表示;结构材料表示阀门主要部件的材料,如铸铁、不锈钢、铜等。
3. 阀门特殊要求标识:在阀门型号中,还可以包含一些特殊要求的标识,用于表示阀门的工作温度范围、工作介质、驱动方式等特殊要求。
二、阀门型号表示方法阀门型号可以使用不同的表示方法,以满足不同用户的需求和习惯。
以下是常见的阀门型号表示方法:1. 文字表示方法:阀门型号可以通过文字来表示,即通过使用不同的字母和数字组合来表示阀门的类型、规格和其他特殊要求。
例如,GZ45-16C表示一个型号为GZ45的闸阀,口径为16英寸,压力等级为C级。
2. 编码表示方法:为了简化阀门型号的表示,有些厂家采用了编码方式来表示阀门的类型、规格和特殊要求等信息。
通过设定一套固定的编码规则,可以用较短的编码来表示复杂的阀门型号。
例如,XK88-16A可以表示一个型号为XK88的截止阀,口径为16英寸,压力等级为A级。
3. 图形表示方法:在某些情况下,阀门型号也可以通过图形来表示。
通过绘制阀门的外形、特点和尺寸等信息,可以直观地表示阀门的类型和规格。
这种表示方法常用于产品型录、技术手册和维修手册等文档中。
阀门型号编制方法、阀门编号说明、阀门命名、编号说明阀门型号通常应表示、驱动方式、连接形式、结构特点、、密封面材料、阀体材料等要素。
阀门型号的标准化对阀门的设计、、经销,提供了方便。
当今阀门的类型和材料种类越来越多,阀门型号的编制也愈来愈复杂。
我国虽然有阀门型号编制的统一标准,但逐渐不能适应阀门工业发展的需要。
目前,阀门制造厂一般采用统一的编号方法;不能采用统一编号方法的,各生产厂可按自己的情况制订出编号方法。
当阀门还具有其他功能作用或带有其他特异结构时,在阀门类型代号前再加注一个汉语拼音字母,按下表的规定。
第二功能作用名称代号 第二功能作用名称代号 保温型 B 排渣型 P 低温型 D a 快速型Q 防火型 F (阀杆密封)波纹管型W 缓闭型H——a低温型指允许使用温度低于-46℃以下的阀门。
类型 安全阀 隔膜阀底阀 排污阀 疏水阀 柱塞阀 旋塞阀 减压阀代号 A D G H J L P Q S U X Y Z二单元:传动方式安全阀、减压阀、疏水阀、手轮直接连接阀杆操作结构形式的阀门,本代号省略,不表示;对于气动或液动机构操作的阀门:常开式用6K、7K表示;常闭式用6B、7B表示;防爆电动装置的阀门用9B表示。
三单元:连接型式四单元:结构型式阀门结构形式用阿拉伯数字表示,按下表规定。
闸阀结构形式代号截止阀、节流阀和柱塞阀结构形式代号球阀结构形式代号蝶阀结构形式代号隔膜阀结构形式代号旋塞阀结构形式代号止回阀结构形式代号安全阀结构形式代号减压阀结构形式代号蒸汽疏水阀结构形式代号排污阀结构形式代号五单元:密封副材料六单元:公称压力数值用阿拉伯数字直接表示,它是MPa的10倍举例:Z543H-16C 伞齿轮传动,公称压力,阀体材料为碳钢阀门的命名阀门的名称按传动方式、连接形式、结构形式、衬里材料和类型命名。
但下面内容在命名中均予省略:(1) 连接形式中:“法兰”。
(2) 结构形式中:a:闸阀的“明杆”、“弹性”、“刚性”和“单闸板”;b:截止阀和节流阀的“直通式”;c:球阀的“浮动”和“直通式”;d:蝶阀的“垂直板式”;e:隔膜阀的“屋脊式”;f:旋塞阀的“填料”和“直通式”; g:止回阀的“直通式”和“单瓣式”; h:安全阀的“不封闭”。
阀门型号编制方法阀门型号的编制方法是根据阀门的功能、结构、材质、工作条件等因素进行综合考虑,通过一定的编码方式来标识阀门的性能、规格和特点,便于用户选择和订购。
下面将详细介绍阀门型号编制的方法:一、阀门功能阀门的功能包括截止、调节、安全保护等,根据阀门的不同功能,可以采用相应的字母进行标识。
如:•G表示截止阀门,如G1表示截止阀。
•R表示调节阀门,如R1表示调节阀。
•S表示安全阀门,如S1表示安全阀。
二、阀门结构阀门结构包括阀体形式、连接方式、密封形式等,根据阀门的不同结构,可以采用特定的字母和数字进行标识。
如:•Y表示截止阀门,阀体为蝶板形,如Y1表示蝶板截止阀。
•F表示截止阀门,阀体为球形,如F1表示球形截止阀。
•S表示截止阀门,阀体为直通通形,如S1表示直通截止阀。
•连接方式用数字表示,如1表示法兰连接,2表示螺纹连接,3表示对焊连接。
•密封形式用字母表示,如A表示软密封,B表示金属密封,C表示填料密封。
三、阀门材质阀门材质包括阀体、阀盖、阀芯、阀座等部件的材质,根据阀门的材质,可以采用特定的字母和数字进行标识。
如:•C表示碳钢材质,如C1表示碳钢阀门。
•S表示不锈钢材质,如S1表示不锈钢阀门。
•H表示铸铜材质,如H1表示铸铜阀门。
四、阀门口径和压力等级阀门的口径和压力等级决定了其流量和承受的压力范围,可以采用特定的数字进行标识。
如:•阀门口径一般采用英寸或毫米进行表示,如1/2英寸表示口径为1/2,DN80表示口径为80mm。
•阀门压力等级采用标准的PN、Class或MPa进行表示,如PN10表示压力等级为10bar,Class150表示压力等级为150psi,2.5MPa表示压力等级为2.5兆帕。
五、其他特殊要求阀门还可能具有一些其他特殊要求,如特殊温度、特殊介质等,可以采用特定的字母和数字进行标识。
如:•T表示阀门适用于高温工况,如T1表示适用于高温的阀门。
•M表示阀门适用于带有颗粒杂质的介质,如M1表示适用于颗粒介质的阀门。
阀门型号编制方法、阀门编号说明、阀门命名阀门型号编制方法、阀门编号说明阀门型号通常应表示阀门类型、驱动方式、连接形式、结构特点、公称压力、密封面材料、阀体材料等要素。
阀门型号的标准化对阀门的设计、选用、经销,提供了方便。
当今阀门的类型和材料种类越来越多,阀门型号的编制也愈来愈复杂。
我国虽然有阀门型号编制的统一标准,但逐渐不能适应阀门工业发展的需要。
目前,阀门制造厂一般采用统一的编号方法;不能采用统一编号方法的,各生产厂可按自己的情况制订出编号方法。
当阀门还具有其他功能作用或带有其他特异结构时,在阀门类型代号前再加注一个汉语拼音字母,按下表的规定。
第二功能作用名称代号第二功能作用名称代号保温型 B 排渣型P低温型D a快速型Q防火型 F (阀杆密封)波纹管型W缓闭型H ——a 低温型指允许使用温度低于-46℃以下的阀门。
类型安全阀蝶阀隔膜阀止回阀底阀截止阀节流阀排污阀球阀疏水阀柱塞阀旋塞阀减压阀闸阀代号A D G H J L P Q S U X Y Z二单元:传动方式安全阀、减压阀、疏水阀、手轮直接连接阀杆操作结构形式的阀门,本代号省略,不表示;对于气动或液动机构操作的阀门:常开式用6K、7K表示;常闭式用6B、7B表示;防爆电动装置的阀门用9B表示。
三单元:连接型式四单元:结构型式阀门结构形式用阿拉伯数字表示,按下表规定。
闸阀结构形式代号截止阀、节流阀和柱塞阀结构形式代号球阀结构形式代号蝶阀结构形式代号隔膜阀结构形式代号旋塞阀结构形式代号止回阀结构形式代号安全阀结构形式代号减压阀结构形式代号蒸汽疏水阀结构形式代号排污阀结构形式代号五单元:密封副材料六单元:公称压力数值用阿拉伯数字直接表示,它是MPa的10倍举例:Z543H-16C 伞齿轮传动法兰连接平板闸阀,公称压力1.6MPa,阀体材料为碳钢阀门的命名阀门的名称按传动方式、连接形式、结构形式、衬里材料和类型命名。
但下面内容在命名中均予省略:(1) 连接形式中:“法兰”。
阀门型号编制方法和阀门编号说明阀门型号通常应表示阀门类型、驱动方式、连接形式、结构特点、公称压力、密封面材料、阀体材料等要素。
阀门型号的标准化对阀门的设计、选用、经销,提供了方便。
当今阀门的类型和材料种类越来越多,阀门型号的编制也愈来愈复杂。
我国虽然有阀门型号编制的统一标准,但逐渐不能适应阀门工业发展的需要。
目前,阀门制造厂一般采用统一的编号方法;不能采用统一编号方法的,各生产厂可按自己的情况制订出编号方法。
一单元:阀门类型代号类型安全阀蝶阀隔膜阀止回阀底阀截止阀节流阀排污阀球阀疏水阀柱塞阀旋塞阀减压阀闸阀代号A D G H J L P Q S U X Y Z当阀门还具有其他功能作用或带有其他特异结构时,在阀门类型代号前再加注一个汉语拼音字母,按下表的规定。
第二功能作用名称代号第二功能作用名称代号保温型 B 排渣型P低温型D a快速型Q防火型 F (阀杆密封)波纹管型W缓闭型H ——a低温型指允许使用温度低于-46℃以下的阀门。
二单元:传动方式传动方式电磁动电磁-液动电-液动蜗轮正齿轮伞齿轮气动液动气-液动电动手柄手轮代号0 1 2 3 4 5 6 7 8 9 无代号安全阀、减压阀、疏水阀、手轮直接连接阀杆操作结构形式的阀门,本代号省略,不表示;对于气动或液动机构操作的阀门:常开式用6K、7K表示;常闭式用6B、7B表示;防爆电动装置的阀门用9B表示。
三单元:连接型式连接方式内螺纹外螺纹两不同连接法兰焊接对夹卡箍卡套代号 1 2 3 4 6 7 8 9四单元:结构型式阀门结构形式用阿拉伯数字表示,按下表规定。
闸阀结构形式代号结构形式代号阀杆升降式(明杆)楔式闸板弹性闸板0刚性闸板单闸板 1双闸板 2 平行式闸板单闸板 3双闸板 4阀杆非升降式(暗杆)楔式闸板单闸板 5双闸板 6 平行式闸板单闸板7双闸板8截止阀、节流阀和柱塞阀结构形式代号结构形式代号结构形式代号阀瓣非平衡式直通流道 1阀瓣平衡式直通流道 6 Z形流道 2 角式流道7 三通流道 3 ——角式流道 4 ——直流流道 5 ——球阀结构形式代号结构形式代号结构形式代号浮动球直通流道 1固定球直通流道7 Y形三通流道 2 四通流道 6 L形三通流道 4 T形三通流道8 T形三通流道 5 L形三通流道9 ——半球直通0蝶阀结构形式代号结构形式代号结构形式代号密封型单偏心0非密封型单偏心 5 中心垂直板 1 中心垂直板 6 双偏心 2 双偏心7 三偏心 3 三偏心8连杆机构 4 连杆机构9隔膜阀结构形式代号结构形式代号结构形式代号屋脊流道 1 直通流道 6直流流道 5 Y形角式流道8旋塞阀结构形式代号结构形式代号结构形式代号填料密封直通流道 3油密封直通流道7 T形三通流道 4 T形三通流道8 四通流道 5 ——止回阀结构形式代号代号结构形式代号结构形式直通流道 1旋启式阀瓣单瓣结构 4 立式结构 2 多瓣结构 5 角式流道 3 双瓣结构 6———蝶形止回式7安全阀结构形式代号结构形式代号结构形式代号弹簧载荷弹簧密封结构带散热片全启式弹簧载荷弹簧不封闭且带扳手结构微启式、双联阀 3 微启式 1 微启式7 全启式 2 全启式8 带扳手全启式 4 ——杠杆式单杠杆 2带控制机构全启式6 双杠杆 4 脉冲式9减压阀结构形式代号结构形式代号结构形式代号薄膜式 1 波纹管式 4弹簧薄膜式 2 杠杆式 5活塞式 3 ——蒸汽疏水阀结构形式代号结构形式代号结构形式代号浮球式 1 蒸汽压力式或膜盒式 6浮桶式 3 双金属片式7 液体或固体膨胀式 4 脉冲式8 钟形浮子式 5 圆盘热动力式9排污阀结构形式代号结构形式代号结构形式代号液面连接排放截止型直通式 1液底间断排放截止型直流式 5 截止型角式 2 截止型直通式 6 ——截止型角式7 ——浮动闸板型直通式8五单元:密封副材料材料锡基轴承合金巴氏合金搪渗氮钢18-8系不锈钢氟塑料玻璃Cr13不锈钢衬胶蒙乃尔合金尼龙塑料渗硼钢衬铅Mo2Ti不锈钢塑料铜合金橡胶硬质合金阀体直接加工代 B C D E F G H J M N P Q R S T X Y W号当密封副的密封面材料不同时,以硬度低的材料代号表示。
附件十二:阀门编号规定本阀门规定不包括液压控制阀门、气动阀门和电动阀门的电驱动装置。
阀门的设计、制造、检验应符合ASME B16.34《法兰端、螺纹端和焊接端阀门》。
1.阀门设计、制造要求以及结构长度、检验要求见下表阀门连接端:法兰尺寸: HG/T 20615-2009 HG/T20623B-2009承插口尺寸: GB/T 14383-2008螺纹端尺寸: GB/T 14383-2008阀门对焊端(坡口)执行标准:GB 50316-2000(2008版)、GB50236-2011。
对焊端接管尺寸执行标准:HG/T20553-2011 Ia系列低温碳钢阀门法兰连接端尺寸:ASME B16.5 ASME B16.47B低温碳钢阀门对焊端接管尺寸执行标准:ASME B36.10M2.阀门编号执行以下规定阀门编号(订货号)由9个(组)数字(字母)组成,它规定了阀门的类型、压力等级、阀体材料、连接方式以及内件材料。
阀门编号:X X X X XXX X X – X X1 2 3 4 5 6 7 8 9其中: 1单元:表示阀门类型2单元:表示阀门结构型式若为栓接阀盖(B.B)、轭式明杆外螺纹(0S&Y)支架式可省略,压力自紧密封阀盖用P表示。
3 单元:表示压力等级4 单元:表示阀门连接方式5 单元:表示阀门内件材料代号5.1 闸阀、截止阀、止回阀5.2 蝶阀5.3 球阀5.4 旋塞阀6 单元:表示阀体材料(括号外的材料牌号为铸钢、括号内的材料牌号为锻钢)7单元:阀门填料、垫片对应表如下:(闸阀、截止阀、球阀、蝶阀对应填料、垫片;止回阀对应垫片)8单元:对于低温阀门:工况0∽-45℃:S; 工况-46∽-70℃:D; 工况-71∽-196℃:KS、D 、K表示低温阀门在低温下各温度区间对阀杆的加长长度要求(根据相应标准并结合项目地区实际情况)、制造技术要求和检验要求。
低温阀门应遵照低温阀门技术条件JB/T7749-95,特别要指出:(1)工况为0∽-45℃的低温碳钢阀门要用干冰对所有零部件材料进行100%冷处理,这主要是为了材料在低温下进行冷缩变形。
阀门型号规格编码规则
本标准适用于工业管道的闸阀、截止阀、球阀、蝶阀、隔膜阀、止回阀、安全阀、减压阀、疏水阀、旋塞阀、柱塞阀。
1.阀门的型号编制方法如下:
2.类型代号用汉语拼音字母表示,
一单元
类型代号类型代号
闸阀Z 旋塞阀X
截止阀J 止回阀和底阀H
节流阀L 安全阀 A
球阀Q 减压阀Y
蝶阀 D 疏水阀S
隔膜阀G 柱塞阀U
注:当阀门还具有其他功能作用或带有其他特异结构时,在阀门类型代号前再加注一个汉语拼音字母,按下表的规定。
第二功能作用名称代号第二功能作用名称代号保温型 B 排渣型P
低温型D a快速型Q
防火型 F (阀杆密封)波纹管型W
缓闭型H ——
D a 低温型指允许使用温度低于-46℃以下的阀门。
4.0MPa,1Cr18Ni9Ti (不锈钢,相当于304)阀体材质
7.公称压力数值
按JB74-59《管路附件公称压力,试验压力和工作压力》的规定。
用于电站工业的阀门,当介质最高温度超过530摄氏度时,按JB74-59第5条的规定标注工作压力。