阀门命名标准
- 格式:pdf
- 大小:148.63 KB
- 文档页数:6
阀门命名标准阀门是工业生产、民用建筑和管道系统中用于控制管道介质流动的重要设备。
在现代化的工业制造过程中,阀门种类多样,功能各异。
为了方便阀门的管理、使用和维修,对阀门进行命名和标识,成为了一项必要的标准化工作。
阀门命名标准是阀门行业的一项基本规范,它具有统一性、规范性和实用性的特点。
本文将介绍阀门命名标准的相关知识。
一、阀门命名的基本规则阀门的命名按照国际标准ISO/DIS 5211进行命名。
阀门命名规则是基于阀门主要部件和功能来标识不同的阀门。
总体上,阀门的命名规则如下:1、阀门名称分别由两部分组成:阀门种类和阀门执行机构。
2、阀门种类通常由阀门结构特点、阀门使用场合、阀门工作原理、阀门对介质性质要求、阀门连接方式和阀门控制方式等因素决定。
3、阀门执行机构就是指阀门的动力装置,可以分为手动操作、电动操作、气动操作和液动操作等。
4、阀门的描述一般按以下规则:阀座材质_阀门材质_阀门规格_阀门种类_阀门执行机构例如,STL_CF8M_2"球阀_手动操作系统二、阀门命名的详细分类按照阀门的结构、形式和用途等因素,阀门可以分为多种类型,下面将依次介绍。
1、截止阀(Globe valve)截止阀是一款用于管道供水、供热等系统中的重要设备。
它适用于对介质流动的控制要求比较严格的场合。
截止阀是一种逐渐缩小管道截面,最终关闭管道的阀门。
在通水状态下,截止阀板与阀座呈 60~80° 角度,流体通过阀门时产生阻力,从而达到减速、疏气等目的。
在关闭状态下,阀门板紧压在阀门座面上,从而达到完全封闭管道的目的。
截止阀广泛应用于水、蒸汽、油品、气体等流体控制系统中。
球阀是一种旋转式阀门,它是由一对对称球体对组成,通过旋转实现阀门的开关。
球阀因其结构简单、密封性好、耐高温、耐低温、抗腐蚀、易于操作等优点,广泛应用于化工、石油、天然气和城市基础设施等领域。
闸阀是一种使用比较广泛的平面闭合阀门,它适用于流体介质的开放和关闭,当前主要用于管道系统中特别是对水、污水、海水和石油等液体介质的控制。
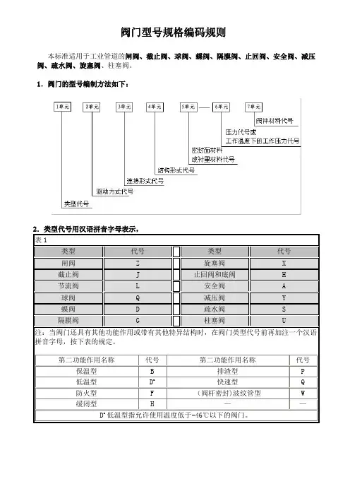
阀门型号规格编码规则
本标准适用于工业管道的闸阀、截止阀、球阀、蝶阀、隔膜阀、止回阀、安全阀、减压阀、疏水阀、旋塞阀、柱塞阀。
1.阀门的型号编制方法如下:
表1
类型代号类型代号
闸阀Z 旋塞阀X
截止阀J 止回阀和底阀H
节流阀L 安全阀 A
球阀Q 减压阀Y
蝶阀 D 疏水阀S
隔膜阀G 柱塞阀U
注:当阀门还具有其他功能作用或带有其他特异结构时,在阀门类型代号前再加注一个汉语拼音字母,按下表的规定。
第二功能作用名称代号第二功能作用名称代号保温型 B 排渣型P
低温型D a快速型Q
防火型 F (阀杆密封)波纹管型W
缓闭型H ——
D a 低温型指允许使用温度低于-46℃以下的阀门。
4.0MPa,1Cr18Ni9Ti (不锈钢,相当于304)阀体材质
7.公称压力数值
按JB74—59《管路附件公称压力,试验压力和工作压力》的规定。
用于电站工业的阀门,当介质最高温度超过530摄氏度时,按JB74-59第5条的规定标注工作压力.。
阀门的型号命名及选型方法阀门型号通常应表示出阀门类型、驱动方式、连接形式、结构特点、密封面材料、阀体材料和公称压力等要素。
阀门型号的标准化对阀门的设计、选用、销售提供了方便。
当今阀门的类型和材料越来越多,阀门的型号编制也愈来愈复杂。
我国虽有阀门型号编制的统一标准,但愈来愈不能适应阀门工业发展的需要。
目前,阀门制造厂一般采用统一编号方法;凡不能采用统一编号的方法,各制造厂均按自己的需要制订编号方法。
一、阀门的型号编制方法:JB308-75《阀门型号编制方法》适用于工业管道用闸阀、节流阀、球阀、蝶阀、隔膜阀、柱塞阀、旋塞阀、止回阀、安全阀、减压阀、疏水阀。
它包括阀门的型号编制和阀门的命名。
1:阀门的型号编制阀门型号由7个单元组成,其含义(即1单元表示类型代号;2单元表示传动方式代号;以此类推)又如以Q941F-16P为例 Q代表1单元(即阀门类型为球阀);9代表2单元(即传动方式其中的电动方式);4代表3单元(即连接方式其中的法兰连接);1代表4单元阀门的结构形式;F代表5单元(即密封材料其中的聚四氟乙烯密封圈);16代表6单元(即公称压力其中的一种,此示范为1.6MPa);P代表7单元(此示范为不锈钢1cr18Ni9Ti 的材料);型号编制如表1所示。
表1:2:类型代号(即表1的1单元):类型代号用汉语拼音字母表示。
如表2所示:表2:注:低温(低于-40度)、保温(带加热套)和带波纹管的法门,抗硫的阀门,早类型代号前分别加汉语拼音字母D、B、W和K。
3:传动方式代号(即表1的2单元):传动方式代号用阿拉伯数字表示。
如表3所示:表3:注:1.手轮、手柄和扳手传动以及安全阀、减压阀、疏水阀省略本代号。
2.对于气动或液动:常开式用6k、7k表示;常闭式用6B、7B表示;气动带手动用6S表示;防爆电动用“9B”表示。
蜗杆-T型螺母,用3T表示。
3、代号2和代号8是用在阀门启闭需由两种动力源同时对阀门进行动作的执行机构。
阀门型号表示方法及名称命名方法(JB308-1975)(1)阀门型号各单元表示的意义□□□□□---□□↓↓↓↓↓↓↓阀体材料↓↓↓↓↓↓公称压力↓↓↓↓↓阀座密封面或衬里材料↓↓↓↓结构形式↓↓↓连接形式↓↓传动方式↓阀门类型(2)第1单元――阀门类型表示方法注:用于低温(低于-40度)、保温(带加热套)和带波纹管的阀门,应在类型代号前分别加注代号“D”、“B”和“W”。
注:1.用手轮、手柄或扳手传动的阀门以及安全阀、减压阀、疏水阀,省略本代号。
2.对于气动或液动,常开式用6k,7k表示;常闭式用6B、7B表示;气动带手动用6s表示。
防爆电动用9B表示。
注:焊接包括对焊和插焊。
(5)第4单元――结构形式表示方法(a)闸阀结构形式表示方法(c)球阀结构形式表示方法注:垂直板三杆式用ls表示。
(e)隔膜阀结构形式表示方法(f)旋塞阀结构形式表示方法(g)止回阀和底阀结构形式表示方法(h)安全阀结构形式表示方法(i)减压阀结构形式表示方法(j)疏水阀结构形式表示方法(k)排污阀结构形式表示方法(6)第5单元――阀座密封面或衬里材料表示方法注:1.由阀体直接加工的阀座密封面材料代号用“W”表示。
2.当阀座和阀瓣(闸板)密封面材料不同时,用低硬度材料代号表示(隔膜阀除外)。
(7)第6单元――公称压力表示方法公称压力用压力数值(Mpa数值的10倍)表示,并用短横线与前五个单元分开(8)第7单元――阀体材料表示方法注:对于PN小于等于1.6Mpa的灰铸铁阀体和PN大于等于2.5Mpa的碳素铜阀体,省略本单元。
(9)阀门型号举例J11T-16K;截止阀,内螺纹连接,直通式,铜合金密封面,公称压力为PN1.6Mpa,阀体材料为可锻铸铁。
Z44W-10K:闸阀,法兰连接,明杆,平行式刚性双闸阀,由阀体直接加工的密封面,公称压力PN1.0Mpa,阀体材料为可锻铸铁。
A47H-16C:安全阀,法兰连接,不密封,带扳手弹簧启式,合金钢密封面,公称压力PN1.6Mpa,阀体材料为碳素。
阀门型号标准大全1.阀门的型号编制方法如下:2.类型代号用汉语拼音字母表示,按表1的规定。
表1类型代号类型代号闸阀Z 旋塞阀X截止阀J 止回阀和底阀H节流阀L 安全阀 A球阀Q 减压阀Y蝶阀 D 疏水阀S隔膜阀G 柱塞阀U 注:低温(低于零下40摄氏度)、保温(带加热层)和带波纹管的阀门在类型代号前分别加“D"“B"和“W"汉语拼音字母。
3.传动方式代号用阿拉伯数字表示,按表2的规定。
表2传动方式代号传动方式代号电磁动0 伞齿轮 5电磁-液动 1 气动 6电-液动 2 液动7蜗轮 3 气-液动8正齿轮 4 电动9 注:(1)手轮、手枘和板手传动以及安全阀,减压阀,疏水阀省略本代号。
(2)对于气动或液动:常开式用6K、7K表示;常闭式用6B、7B表示;气动带手动用6S表示,防爆电动用“9B"表示。
蜗杆-T形螺母用3T表示。
4.连接形式代号用阿拉伯数字代号表示,按表3的规定。
5.结构形式代号用阿拉伯数字表示,按表4~13的规定表4表5表6表7表8表9表11表12表136.阀座密封面或衬里材料代号用汉语拼音字母表示,按表14的规定。
7.公称压力数值,按JB74-59《管路附件公称压力,试验压力和工作压力》的规定。
用于电站工业的阀门,当介质最高温度超过530摄氏度时,按JB74-59第5条的规定标注工作压力。
8.阀体材料代号用汉语拼音字母表示,按表15的规定。
表15注:PN≤1.6MPa的灰铸铁阀体和PN≥2.5MPa的碳素钢阀体省略本代号。
阀门型号和名称编制方法示例例1:电动传动、法兰连接、明杆楔式双闸板、阀座密封面材料由阀体直接加工、公称压力PN0.1MPa、阀体材料为灰铸铁的闸阀:Z942W-1 直动楔式双闸板闸阀例2:手动、外螺纹连接、浮动直通式、阀座密封面材料为氟塑料、公称压力PN4.0MPa、阀体材料为1Cr18Ni9Ti的球阀:Q21F-40P 外螺纹球阀例3:气动常开式、法兰连接、屋脊式、衬里材料为衬胶、公称压力PN0.6MPa、阀体材料为灰铸铁的隔膜阀:G6k41J-6 气动常开式衬胶隔膜阀例4:液动、法兰连接、垂直板式、阀座密封面材料为铸铜、阀瓣密封面材料为橡胶、公称压力PN0.25MPa、阀体材料为灰铸铁的蝶阀:D741X-2.5 液动碟阀例5:电动机传动、焊接连接、直通式、阀座密封面材料为堆焊硬质合金、在540'C下的工作压力为17MPa、阀体材料铬钼钒钢的截止阀:J961Y-P54170 电动焊接截止阀。
阀门编号规则阀门的型号编制方法一、阀门的型号阀门的型号是用来表示阀类、驱动及连接形式、密封圈材料和公称压力等要素的。
阀门产品的型号是由七个单元组成,用来表明阀门类别、驱动种类、连接和结构形式、密封面或衬里材料、公称压力及阀体材料。
阀门型号的组成由七个单元顺序组成(见下表)1(阀门的类型代号表1—1阀门类型代号阀门类型代号阀门类型代号Z Q S 闸阀球阀疏水阀J X A 截止阀旋塞阀安全阀L M Y 节流阀液面指示器减压阀G H 隔膜阀止回阀U D 柱塞阀碟阀2(传动方式代号用阿拉伯数字表示,按表1—2的规定表1—2传动方式代号传动方式代号0 5 电磁阀伞齿轮1 6 电磁—液动气动2 7 电—液动液动3 8 蜗轮气—液动4 9 正齿轮电动注:?手轮、手柄和扳手传动以及安全阀、减压阀、疏水阀省略本代号。
?对于气动或液动:常开式用6K、7K表示;常闭式用6B、7B表示;气动带手动用6S 表示。
防爆电动用“9B”表示。
3(连接形式代号用阿拉伯数字表示,按表1—3的规定表1—3连节形式代号连节形式代号1 7 内螺纹对夹2 8 外螺纹卡箍4 9 法兰卡套6 焊接注:焊接包括对焊和承插焊4(结构形式代号用阿拉伯数字表示1—4~13表1—4闸阀结构形式代号0 明杆楔式弹性闸板1 刚单闸板2 双闸板3 平行式性单闸板4 双闸板暗杆楔式 5 单闸板6 双闸板表1—5截止阀和节流阀结构形式代号1 直通式4 角式5 直流式6 平衡直通式7 角式表1—6球阀结构形式代号直通式 1浮动 L形三通式 4T形 5固定直通式 7表1—7蝶阀结构形式代号0 杠杆式1 垂直板式3 斜板式表1—8隔膜阀结构形式代号1 屋脊式3 截止式7 闸板式表1—9旋塞阀结构形式代号3 直通式填料 4 T形三通式5 四通式7 油封直通式8 T形三通式表1—10止回阀和底阀结构形式代号1 升降直通式2 立式4 单瓣式旋启 5 多瓣式6 双瓣式表1—11安全阀结构形式代号0 带散热片全启式封闭 124 全启式弹簧 3 双弹簧微启式带板手 7 微启式不封闭 8 全启式5 微启式6 带控制机全启式构9 脉冲式注:杠杆式安全阀在类型代号前加“G”汉语拼音字母。
阀门的分类阀门类型的含义一、阀门型号的表示方法:阀门型号主要依据JB4018-85《电站阀门型号编制方法》编写。
阀门型号的构成要素主要包括阀门的类型、传动方式、连接形式、结构形式、阀座密封面或衬里材料、公称压力和阀体材料等,表示方法如下:□□□□□-□□阀体材料代号标称压力数值阀座密封面或衬里材料代号结构形式代号连接形式代号传动方式代号阀门类型代号1、阀门类型代号阀门类型代号用汉语拼音字母表示,表1-1-1给出阀门类型代号规定。
2、传动方式代号传动方式代号用阿拉伯数字表示,表1-1-2给出传动方式代号规定。
表1-1-1 阀门类型代号注:1 在阀门类型字母前加“D ”的表示低温阀门(即适用温度低于-40℃),加“B ”的表示保温(带加热套)阀门,加“W ”的表示带波纹管密封的阀门; 2 在电动闸阀的型号前加“B ”,表示阀门的驱动装置为防爆型电动装置; 3 在地下水用闸阀的型号前加“S ”,表示竖式安装,加“W ” 表示卧式安装; 4 闸阀型号前加“P ”,表示用于排渣系统的闸阀,即排渣阀,加“X ”或“K ”表示排渣用泥浆阀;5 蝶阀型号前加“D1”、“D2”表示短系列,加“Q ”表示球蝶阀,加“S ”表示用于地下管网的蝶阀。
表1-1-2 传动方式代号注:1 手轮、手柄和扳手传动的,以及安全阀、减压阀、疏水阀可省略本代号;2 对于气动或液动:常开式用6K 、7K 表示,常闭式用6B 、7B 表示,气动带手动用6S 表示;3 防爆电动装置用9B 表示,户外耐热用9R 表示;4 代号2及代号8表示在阀门启闭时,需由两种动力源同时对阀门进行动作。
3、阀门连接形式代号阀门连接形式代号用阿拉伯数字表示,表1-1-3连接形式代号规定。
表1-1-3 连接形式代号 注:焊接包括对焊和承插焊。
4、阀门的结构形式代号阀门的结构形式代号用阿拉伯数字表示,表1-1-4~表1-1-16阀门结构形式规定。
表1-1-4 闸阀结构形式代号表1-1-5 截止阀、节流阀结构形式代号表1-1-6 球阀结构形式代号表1-1-7 蝶阀结构形式代号表1-1-8 隔膜式结构形式代号表1-1-9 旋塞式结构形式代号表1-1-10 止回阀结构形式代号表1-1-11 安全阀结构形式代号注:杠杆式安全阀也可在类型代号前加“G”表示,单杠杆代号为“2”,双杠杆代号为“4”。
阀门命名标准和规则阀门命名标准就是根据阀门的类型、驱动方式、连接形式、结构特点、公称压力、密封面材料、阀体材料等要素不同而进命名。
阀门型号的标准化为阀门的设计、选用、经销提供了必要条件。
当今阀门的类型和材料种类越来越多,阀门型号的编制也愈来愈复杂。
我国虽然有阀门型号编制的统一标准,但逐渐不能适应阀门工业发展的需要。
因此,阀门制造厂一般采用统一的编号方法,使用统一的阀门命名标准;不能采用统一阀门命名标准的,各生产厂可按自己的情况制订出编号方法。
阀门命名标准主要根据类型型号、驱动方式代号、连接形式代号、结构形式代号、密封面材料或衬里材料代号、压力代号或工作温度下的工作压力代号、阀体材料代号七个要素方面的代号进行说明并依次组合成为阀门的名称。
详细如下图:1单元:阀门类型代号类型安全阀蝶阀隔膜阀止回阀截止阀节流阀排污阀球阀疏水阀柱塞阀旋塞阀减压阀闸阀当阀门还具有其他功能作用或带有其他特异结构时,在阀门类型代号前再加注一个汉语拼音字母,按下表的规定。
2单元:传动方式安全阀、减压阀、疏水阀、手轮直接连接阀杆操作结构形式的阀门,本代号省略,不表示;对于气动或液动机构操作的阀门:常开式用6K、7K表示;常闭式用6B、7B表示;防爆电动装置的阀门用9B表示。
3单元:连接型式4单元:结构型式阀门结构形式用阿拉伯数字表示,按下表规定。
闸阀结构形式代号截止阀、节流阀和柱塞阀结构形式代号球阀结构形式代号蝶阀结构形式代号隔膜阀结构形式代号旋塞阀结构形式代号止回阀结构形式代号安全阀结构形式代号减压阀结构形式代号蒸汽疏水阀结构形式代号排污阀结构形式代号5单元:密封副材料当密封副的密封面材料不同时,以硬度低的材料代号表示。
6单元:公称压力数值用阿拉伯数字直接表示,它是MPa的10倍7单元:阀体材料灰铸铁底压阀和钢制中压省略此项举例:Z543H-16C伞齿轮传动法兰连接平板闸阀,公称压力1.6MPa,阀体材料为碳钢阀门的命名阀门的名称按传动方式、连接形式、结构形式、衬里材料和类型命名。
阀门型号通常应表示阀门类型、驱动方式、连接形式、结构特点、公称压力、密封面材料、阀体材料等要素。
阀门型号的标准化对阀门的设计、选用、经销,提供了方便。
当今阀门的类型和材料种类越来越多,阀门型号的编制也愈来愈复杂。
我国虽然有阀门型号编制的统一标准,但逐渐不能适应阀门工业发展的需要。
目前,阀门制造厂一般采用统一的编号方法;不能采用统一编号方法的,各生产厂可按自己的情况制订出编号方法。
一单元:阀门类型代号当阀门还具有其他功能作用或带有其他特异结构时,在阀门类型代号前再加注一个汉语拼音字母,按下表的规定。
二单元:传动方式安全阀、减压阀、疏水阀、手轮直接连接阀杆操作结构形式的阀门,本代号省略,不表示;对于气动或液动机构操作的阀门:常开式用6K、7K表示;常闭式用6B、7B表示;防爆电动装置的阀门用9B表示。
三单元:连接型式四单元:结构型式阀门结构形式用阿拉伯数字表示,按下表规定。
闸阀结构形式代号截止阀、节流阀和柱塞阀结构形式代号球阀结构形式代号蝶阀结构形式代号隔膜阀结构形式代号旋塞阀结构形式代号止回阀结构形式代号安全阀结构形式代号减压阀结构形式代号蒸汽疏水阀结构形式代号排污阀结构形式代号五单元:密封副材料六单元:公称压力数值用阿拉伯数字直接表示,它是MPa的10倍举例:Z543H-16C 伞齿轮传动法兰连接平板闸阀,公称压力 1.6MPa,阀体材料为碳钢阀门的命名阀门的名称按传动方式、连接形式、结构形式、衬里材料和类型命名。
但下面内容在命名中均予省略:(1) 连接形式中:“法兰”。
(2) 结构形式中:????? a:闸阀的“明杆”、“弹性”、“刚性”和“单闸板”;????? b:截止阀和节流阀的“直通式”;????? c:球阀的“浮动”和“直通式”;????? d:蝶阀的“垂直板式”;????? e:隔膜阀的“屋脊式”;??????? f:旋塞阀的“填料”和“直通式”;????? g:止回阀的“直通式”和“单瓣式”;????? h:安全阀的“不封闭”。
闸阀命名规则闸阀是一种常见的阀门类型,用于控制流体的开关和阻断。
为了方便标识和识别,闸阀也需要命名规则。
下面将介绍一些常用的闸阀命名规则。
1. 根据阀门结构命名闸阀根据其结构和特点可以分为平板闸阀、弹性闸阀、蝶式闸阀等多种类型。
在命名时可以根据阀门的结构特点来命名,如平板闸阀可以简称为PBZ,弹性闸阀可以简称为DBZ等。
2. 根据阀门材质命名闸阀的材质直接影响其使用性能和适用环境,常见的材质包括铸铁、不锈钢、铜合金等。
在命名时可以根据阀门的材质来命名,如铸铁闸阀可以简称为CBZ,不锈钢闸阀可以简称为SBZ等。
3. 根据阀门公称通径命名闸阀的公称通径是指阀门内径的标准值,常用的公称通径有DN50、DN100、DN150等。
在命名时可以根据阀门的公称通径来命名,如DN50闸阀可以简称为Z50,DN100闸阀可以简称为Z100等。
4. 根据阀门压力等级命名闸阀的压力等级是指阀门能够承受的最大工作压力,常见的压力等级有PN10、PN16、PN25等。
在命名时可以根据阀门的压力等级来命名,如PN16闸阀可以简称为Z16,PN25闸阀可以简称为Z25等。
5. 根据阀门适用介质命名闸阀适用的介质通常包括水、气体、蒸汽等,不同介质对阀门的要求也不同。
在命名时可以根据阀门的适用介质来命名,如水用闸阀可以简称为ZWZ,气用闸阀可以简称为QWZ等。
6. 根据阀门执行机构命名闸阀的执行机构有手动操作和自动操作两种,手动操作可以使用手轮、手柄等,自动操作可以使用电动执行器、气动执行器等。
在命名时可以根据阀门的执行机构来命名,如手动闸阀可以简称为MZ,电动闸阀可以简称为DZ等。
总结:闸阀的命名规则可以根据阀门的结构、材质、公称通径、压力等级、适用介质和执行机构等方面来命名,以便于标识和识别。
在实际应用中,命名规则的统一和规范有助于提高工作效率和减少错误。
根据不同的需求和标准,可以灵活运用这些命名规则,制定适合自己的闸阀命名规则。
阀门型号编制方法阀门型号编制是根据阀门的规格、结构、用途等参数进行编制的一种方法。
它的主要目的是为了对阀门进行统一的标识和管理,方便用户和生产厂家进行沟通和交流。
下面将从阀门型号的组成、命名规则以及相关的注意事项等方面进行详细的解释。
一、阀门型号的组成阀门型号通常由一组数字和字母组成,其中包含了阀门的基本信息。
下面是常见的阀门型号组成要素:1. 阀门类型:通常用一个字母来表示,如G表示截止阀,Q表示球阀,C表示蝶阀等。
2. 阀门口径:表示阀门的通径大小,以英寸(inch)为单位,常用的有1/2、3/4、1、2等。
3. 面板连接方式:表示阀门的连接方式,常用的有螺纹连接、法兰连接、对夹连接等。
4. 阀门结构:表示阀门的结构形式,包括闸阀、截止阀、球阀、蝶阀、安全阀等。
5. 阀门材质:表示阀门的材质,常用的有铸铁、不锈钢、铜等。
6. 工作压力:表示阀门的额定工作压力,以MPa或psi为单位。
7. 温度等级:表示阀门的额定工作温度,以摄氏度或华氏度为单位。
8. 附件选型:表示配套的附件选型,如手动操作装置、电动装置、气动装置、减震器等。
二、阀门型号的命名规则阀门型号的命名规则可以根据不同的国家、行业或厂家而有所不同。
一般来说,阀门型号是由相关的技术标准规定的,具有一定的统一性。
以下是常见的阀门型号命名规则:1. 简化型号:有些厂家为了方便用户记忆和辨识,会对阀门型号进行简化,用一些常用字母或数字来替代具体的技术参数。
2. 层次型号:有些阀门型号会采用层次结构的命名方式,将阀门的各个参数按照一定的顺序和级别进行组织,使其更加清晰和易读。
三、注意事项编制阀门型号时需要注意以下几个方面:1. 根据实际情况选择型号:在编制阀门型号时,要根据具体的使用要求和工况条件来选择合适的型号。
不同工程项目或设备要求的阀门类型和规格可能会有所不同,需要根据实际情况进行选择。
2. 参考相关标准和规范:在编制阀门型号时,可以参考相关的标准和规范,如国家标准、行业标准或企业内部标准等。
一般工业阀门型号编制方法JB/T308—2004《阀门型号编制方法》适用于工业管道用闸阀、截止阀、节流阀、球阀、蝶阀、隔膜阀、旋塞阀、止回阀、安全阀、减压阀、蒸汽疏水阀、排污阀、柱塞阀。
它包括阀门的型号编制和阀门的命名。
一,阀门的型号编制:阀门型号由阀门类型、驱动方式、连接形式、结构形式、密封面材料或衬里材料类型、公称压力代号或工作温度下的工作压力、阀体材料七部分组成。
其具体编制顺序按下图的规定。
阀体材料代号密封面材料或衬里材料代号结构形式代号连接形式代号1,阀门类型代号阀门类型代号用汉语拼音字母表示,按下表的规定:阀门类型代号表当阀门还具有其他功能作用或带有其他特异结构时,在阀门类型代号前再加注一个汉语拼音字母,按下表的规定。
具有其他功能作用或带有其他特异结构的阀门表示代号①低温型指允许使用温度低于-46℃以下的阀门。
2,驱动方式代号:驱动方式代号用阿拉伯数字表示,按下表的规定执行。
阀门驱动方式代号表注:(1)、安全阀、减压阀、疏水阀、手轮直接连接阀杆操作结构形式的阀门,本代号省略,不表示。
( 2)、对于气动或液动机构操作的阀门:常开式用6K、7K表示;常闭式用6B、7B表示。
(3)、防爆电动装置的阀门用9B表示。
①、代号1、代号2及代号8是用在阀门启闭时,需有两种动力源同时对阀门进行操作。
3,连接形式代号:连接形式代号用阿拉伯数字表示,按下表的规定执行。
阀门连接端连接形式代号表各种连接形式的具体结构、采用标准或方式(如:法兰面形式及密封方式、焊接形式、螺纹形式及标准等),不在连接代号后加符号表示,应在产品的图样、说明书或订货合同等文件中予以详细说明。
4,阀门结构形式代号:阀门结构形式用阿拉伯数字表示,按下列各分类表的规定执行。
闸阀结构形式代号截止阀、节流阀和柱塞阀结构形式代号球阀结构形式代号蝶阀结构形式代号隔膜阀结构形式代号旋塞阀结构形式代号止回阀结构形式代号安全阀结构形式代号减压阀结构形式代号蒸汽疏水阀结构形式代号排污阀结构形式代号5,密封面或衬里材料代号除隔膜阀外,当密封副的密封面材料不同时,以硬度低的材料表示。
阀门的型号命名及选型方法阀门型号通常应表示出阀门类型、驱动方式、连接形式、结构特点、密封面材料、阀体材料和公称压力等要素。
阀门型号的标准化对阀门的设计、选用、销售提供了方便。
当今阀门的类型和材料越来越多,阀门的型号编制也愈来愈复杂。
我国虽有阀门型号编制的统一标准,但愈来愈不能适应阀门工业发展的需要。
目前,阀门制造厂一般采用统一编号方法;凡不能采用统一编号的方法,各制造厂均按自己的需要制订编号方法。
一、阀门的型号编制方法:JB308-75《阀门型号编制方法》适用于工业管道用闸阀、节流阀、球阀、蝶阀、隔膜阀、柱塞阀、旋塞阀、止回阀、安全阀、减压阀、疏水阀。
它包括阀门的型号编制和阀门的命名。
1:阀门的型号编制阀门型号由7 个单元组成,其含义(即 1 单元表示类型代号; 2 单元表示传动方式代号;以此类推)又如以Q941F-16P为例Q 代表1单元(即阀门类型为球阀);9 代表 2 单元(即传动方式其中的电动方式);4 代表 3 单元(即连接方式其中的法兰连接);1代表4单元阀门的结构形式;F代表5单元(即密封材料其中的聚四氟乙烯密封圈);16代表6单元(即公称压力其中的一种,此示范为 1.6MPa);P代表7 单元(此示范为不锈钢1cr18Ni9Ti 的材料);型号编制如表 1 所示。
表 1 :2:类型代号(即表 1 的 1 单元):类型代号用汉语拼音字母表示。
如表2 所示:注:低温(低于-40度)、保温(带加热套)和带波纹管的法门,抗硫的阀门,早类型代号前分别加汉语拼音字母D、B、W 和K3:传动方式代号(即表 1 的 2 单元):传动方式代号用阿拉伯数字表示。
如表 3 所示:表 3 :注:1. 手轮、手柄和扳手传动以及安全阀、减压阀、疏水阀省略本代号2. 对于气动或液动:常开式用6k、7k表示;常闭式用6B、7B表示;气动带手动用6S 表示;防爆电动用“ 9B”表示。
蜗杆-T 型螺母,用3T 表示。
1.阀门的型号编制方法如下:2.类型代号用汉语拼音字母表示,按表1的规定。
表1类型代号类型代号闸阀Z 旋塞阀X截止阀J 止回阀和底阀H节流阀L 安全阀 A球阀Q 减压阀Y蝶阀 D 疏水阀S隔膜阀G 柱塞阀U注:低温(低于零下40摄氏度)、保温(带加热层)和带波纹管的阀门在类型代号前分别加“D”“B”和“W”汉语拼音字母。
3.传动方式代号用阿拉伯数字表示,按表2的规定。
表2传动方式代号传动方式代号电磁动0 伞齿轮 5电磁-液动 1 气动 6电-液动 2 液动7蜗轮 3 气-液动8正齿轮 4 电动9注:(1)手轮、手枘和板手传动以及安全阀,减压阀,疏水阀省略本代号。
(2)对于气动或液动:常开式用6K、7K表示;常闭式用6B、7B表示;气动带手动用6S表示,防爆电动用“9B”表示。
蜗杆-T形螺母用3T表示。
4.连接形式代号用阿拉伯数字代号表示,按表3的规定。
表3连接形式代号连接形式代号内螺纹 1 对夹7外螺纹 2 卡箍8法兰 4 卡套9焊接 65.结构形式代号用阿拉伯数字表示,按表4~13的规定表4表5表6表7注:垂直板三杆式用I s表示表8表9表10表11注:(1)杠杆式安全阀在类型代号前加“G”汉语拼音字母。
(2)脉冲式付阀用9a表示。
表12表136.阀座密封面或衬里材料代号用汉语拼音字母表示,按表14的规定。
表14(闸板)密封面材料同时,用低硬度材料代号表示(隔膜阀除外)。
7.公称压力数值,按JB74-59《管路附件公称压力,试验压力和工作压力》的规定。
用于电站工业的阀门,当介质最高温度超过530摄氏度时,按JB74-59第5条的规定标注工作压力。
8.阀体材料代号用汉语拼音字母表示,按表15的规定。
注:PN≤1.6MPa的灰铸铁阀体和PN≥2.5MPa的碳素钢阀体省略本代号。
阀门型号表示方法及命名法截止阀J (手轮传动省略) 1 1 T ----1.6 DN25闸阀Z (手轮传动省略) 4 4 H-----6.4 P DN200止回阀H (手轮传动省略) 4 1 W-----2.5 DN100蝶阀 D 3 4 1 W----0.1 DN800安全阀 A 4 4 Y------10.0 DN32气动球阀 Q 6 4 1 F----16 C DN25电动球阀 Q 9 4 1 F----16 C DN50①②③④⑤⑥⑦⑧1、阀门型号各单元表示的意义①②③④类型传动方式连接方式结构形式⑤⑥⑦ - 阀座密封面或衬里材料公称压力(GB1048-05) 阀体材料(GB1047-05)⑧公称通径mm2、阀门类型代号闸阀(Z) 截止阀(J) 球阀(Q) 蝶阀(D) 隔膜阀(G)旋塞(X) 止回阀(H) 安全阀(A) 杠杆式安全阀(GA) 减压阀(Y) 疏水阀(S) 节流阀(L)3、传动方式代号电磁(0)电磁液动(1)电液动(2)涡轮(3)正齿轮(4)锥齿轮(5)气动(6)液动(7)气液动(8)电动(9)注:用手轮、手柄或扳手传动的阀门以及安全阀、减压阀、疏水阀省略4、连接形式代号内螺纹(1)外螺纹(2)法兰(4)焊接(6)对夹(7)卡箍(8)卡套(9)5、阀门结构形式代号(1)闸阀明杆平行式暗杆(楔式)单闸板3 双闸板4 单闸板5 双闸板6例:Z45H—例:Z46H—例:Z43H—例:Z44H—(同快开式排污阀)(2)截止阀直通式1 角式4(低进高出)例:J11T—1.6 D N25 例:J44H—32.0 D N 32(3)球阀直通式1 例:Q41H—1.6 D N150(4)蝶阀杠杆式0 垂直板式1 斜板式3 例:D341W—0.2涡轮传动、法兰连接、垂直板式例:D741W—2.5液动,法兰、垂直板式、铁芯(5)隔膜阀屋脊式1 截止式3 闸板式7例:G41X—1.6橡胶(6)旋塞式直通式3 T型三通式4 四通式5 例:X13W—1.6(7)止回阀(底阀)A升降式:直通式1 例:H41W—1.6(二段)H41H—6.4(四段)立式2 例:H42X—2.5(升降式底阀)H12X—2.5(内螺纹升降式底阀)B 旋启式:单瓣式4 例:H44W—1.6多瓣式5 双瓣式6 例:H46X—2.5(旋启式底阀)(8)安全阀A弹簧:a 封闭:带散热片全启式0 微启式1 全启式2带扳手全启式4 例:A44Y A44Hb 不封闭:双弹簧3 微启式7 ,5 带控制机构全启式6 全启式8(例:A48Y A48H)B脉冲式9 A49H (发电用)(9)减压阀薄膜式1 弹簧薄膜式2 活塞式3(例:Y43H—1.6Q)波纹管式4 杠杆式5(例:Y65H—1.6或6.4,锅炉减压)(10)疏水阀浮球式1 例:CS41H—1.6 D N40 自由浮球式9(厂三个)CS11H—1.6 内螺纹浮球式钟形浮子式5 例:S15H—1.6 内螺纹钟形浮子式脉冲式8热动力式9 例:CS49H—1.6 法兰,热动力式(厂三个)6、阀座密封面或衬里材料代号铜合金T(红手柄)合金钢H 橡胶X 尼龙N 氟塑料F 锡基轴承合金B 硬质合金Y 搪瓷C阀体直接加工W7、阀体材料代号不锈钢(1Cr18Ni9Ti)P 例:Q21F—40P球阀,外螺、直通、氟芯、不锈钢体例:J21W—64P截止阀,外螺、直通、阀芯由阀体材料加工、不锈钢体合金钢(12CrMoV)V 灰铸铁(HT25—47)Z(抗拉强度25MP a) 可锻铸铁(KT30—6)K 合金钢(Cr5Mo)I铜合金(H62)T 球墨铸铁(QT40—15Q ( 抗拉强度40MP a, 伸长率15%))铸钢(ZG25II)C(屈服点25MP阿)注:P n≤1.6Mpa的灰铸铁阀体和P n≤2.5Mpa的碳素钢阀体省略本代号。