阀门型号规范
- 格式:doc
- 大小:231.00 KB
- 文档页数:6
阀门型号编制方法,阀门型号表示方法,标准阀门型号编制说明阀门型号编制方法国家标准化管理委员会日前发布了《阀门型号编制方法》;由中国机械工业联合会提出,按照GB/T1.1-2009给出的规则起草,阀门型号编制方法由全国阀门标准化技术委员会(SAC/TC188)归口。
阀门型号编制方法规定了阀门的型号编制、阀门类型、驱动方式、连接形式、结构形式、密封面材料、压力和阀体材料代号和代号的表示方法。
阀门型号编制方法适用于各类闸阀、截止阀、节流阀、蝶阀、球阀、隔膜阀、旋塞阀、止回阀、排污阀、柱塞阀、减压阀、疏水阀、安全阀的管道阀门产品。
阀门型号表示方法当今阀门的类型和材料种类越来越多,阀门型号的编制也愈来愈复杂; 阀门型号通常应表示阀门类型、驱动方式、连接形式、结构特点、公称压力、密封面材料、阀体材料等要素。
阀门型号的标准化对阀门的设计、选用、经销,提供了方便。
我国虽然有阀门型号编制的统一标准,但逐渐不能适应阀门工业发展的需要;目前,阀门制造厂一般采用统一的编号方法;不能采用统一编号方法的,各生产厂家可按自己的情况制订出编号方法。
一单元、阀门类型(代号):阀门类型代号(表)类型蝶阀安全阀隔膜阀球阀闸阀止回阀旋塞阀减压阀截止阀过滤器放料阀安全阀代号D A G Q Z H X Y J GL FL A二单元、阀门传动方式(代号):三、阀门连接方式(代号):四单元、阀门结构形式(代号):⑤截止阀、节流阀和柱塞阀结构形式代号⑥隔膜阀结构形式代号⑦旋塞阀结构形式代号⑧安全阀结构形式代号⑨减压阀结构形式代号⑩疏水阀结构形式代号排污阀结构形式代号五单元、阀门密封材质(代号):六单元、阀门公称压力数值用阿拉伯数字直接表示(MPa)它是MPa的10倍。
七单元、阀门阀体材料(代号):注:Pg≤16k g f/cm2的灰铸铁阀,Pg≥25kgf/cm2的碳钢阀,省略本代号2 、阀门密封面或衬里材料代号8硬质合金Y9衬胶J10衬铅Q11搪瓷C12渗硼钢P注:1、由阀体直接加工的阀座密封材料代号用“W”表示。
球阀型号表示方法标准
球阀的型号表示方法通常采用国际标准 ISO 17292 或美国标准API 6D。
这两种标准在型号表示方法上有些许不同。
ISO 17292标准:
1. 标称通径(DN):球阀的通径大小以毫米(mm)表示,例如DN15表示通径为15毫米的球阀。
2. 阀体材质:球阀的阀体材质通常使用字母或数字表示,例如WCB表示碳钢材质。
3. 阀门结构:球阀的结构通常用字母表示,常见的有T表示三通球阀,L表示直通式球阀,F表示扇形球阀等。
4. 连接方式:球阀的连接方式通常用字母表示,常见的有RF 表示法兰连接、BW表示对焊连接等。
5. 阀门执行标准和特殊要求:球阀的执行标准和特殊要求通常用字母或数字表示,例如ISO 5211表示输出轴的标准接口。
API 6D标准:
1. 阀体类型:球阀的阀体类型通常用数字表示,例如1表示全通径阀门,2表示正反式阀门,3表示倒装式阀门等。
2. 阀体材质:球阀的阀体材质通常用字母表示,例如W表示碳钢材质。
3. 阀门结构:球阀的结构通常用字母表示,常见的有D表示双阀体联动结构,S表示单阀体结构,B表示倒装结构等。
4. 阀门连接方式:球阀的连接方式通常用字母表示,常见的有RF表示法兰连接、BW表示对焊连接等。
5. 阀门执行标准和特殊要求:球阀的执行标准和特殊要求通常用字母或数字表示,例如NACE表示阀门符合NACE标准。
需要注意的是,以上仅是两种常用的球阀型号表示方法,具体的表示方法还需要根据不同的规范和标准来确定。
阀门
阀门的型号编制——
1.类型代号
传动方式代号。
连接形式代号。
结构形式代号。
阀座密封面或衬里代号。
公称压力代号。
阀体材料代号。
阀门的类型代号。
阀门的传动方式:
注:1。
手轮、手柄和扳手传动的以、及安全阀、减压阀、蒸汽疏水阀可省洛本代号。
2.对于气动或液动,常开式用6k、7k表示,常闭式用6B、7B表示,气动带液动用6S表示,防爆电动用9B表示,蜗杆—T型螺母用3T表示。
3.代号2及代号8是用在阀门启闭需有两种动力源同时对阀门进行动作的执行机构。
4.截止阀、柱塞阀和节流阀结构形式代号。
9.旋塞阀结构形式代号。
14.排污阀结构形式代号。
注:1。
由阀体直接加工的阀座密封面材料代号用w表示。
2.当密封体的密封面材料不同时,以硬度低的材料代号表示。
GB/T。
阀门型号规格编码规则
本标准适用于工业管道的闸阀、截止阀、球阀、蝶阀、隔膜阀、止回阀、安全阀、减压阀、疏水阀、旋塞阀、柱塞阀。
1.阀门的型号编制方法如下:
表1
类型代号类型代号
闸阀Z 旋塞阀X
截止阀J 止回阀和底阀H
节流阀L 安全阀 A
球阀Q 减压阀Y
蝶阀 D 疏水阀S
隔膜阀G 柱塞阀U
注:当阀门还具有其他功能作用或带有其他特异结构时,在阀门类型代号前再加注一个汉语拼音字母,按下表的规定。
第二功能作用名称代号第二功能作用名称代号保温型 B 排渣型P
低温型D a快速型Q
防火型 F (阀杆密封)波纹管型W
缓闭型H ——
D a 低温型指允许使用温度低于-46℃以下的阀门。
4.0MPa,1Cr18Ni9Ti (不锈钢,相当于304)阀体材质
7.公称压力数值
按JB74—59《管路附件公称压力,试验压力和工作压力》的规定。
用于电站工业的阀门,当介质最高温度超过530摄氏度时,按JB74-59第5条的规定标注工作压力.。
国标闸阀型号表示方法
国标闸阀型号表示方法是标准化的命名规则,用于区分不同规格的闸阀。
根据
国标闸阀型号表示方法,闸阀的型号一般由字母和数字组成。
首先,字母部分表示阀门的结构形式和功能特点。
常见的字母表示如下:
1. Z:表示闸阀;
2. Y:表示蜗轮传动闸阀;
3. Q:表示蜗杆传动闸阀;
4. X:表示关闭体为平板型闸阀;
5. H:表示高温用闸阀。
接着,数字部分表示闸阀的规格和尺寸。
一般来说,数字越大,表示闸阀的规
格越大。
其中,数值1-20表示对应的闸阀规格,例如1表示DN50,2表示DN65,3表示DN80,以此类推。
除了以上规范的字母和数字,闸阀型号中还可能包含一些特殊符号或附加信息,用于表示特殊的功能要求或技术要求。
例如,一个闸阀型号为Z45表示:这是一种闸阀,规格为DN450。
总之,国标闸阀型号表示方法通过字母和数字的组合,准确描述了闸阀的结构
形式、功能特点和规格尺寸,为用户选择和使用闸阀提供了方便。
国标阀门型号编制方法一、阀门型号的结构组成阀门型号由一系列数字、字母和符号组成,通常包括以下几个部分:产品类型标志、产品形式标志、产品结构标志、产品尺寸标志、产品材质标志、产品压力等级标志以及特殊要求标志等。
各个标志的排列和组合方式有标准规定,下面将详细介绍各部分的编码规则。
1.产品类型标志:用于标识阀门的类型,通常使用大写字母表示,如G表示截止阀、H表示止回阀等。
2.产品形式标志:用于标识阀门的形式,通常使用大写字母表示,如N表示蝶阀、Y表示旋塞阀等。
3.产品结构标志:用于标识阀门的结构形式,通常使用数字和字母组合表示,如1表示直通式、2表示角式、3表示弯道式等。
4.产品尺寸标志:用于标识阀门的口径尺寸,通常使用数字表示,如DN50表示50mm的口径。
5.产品材质标志:用于标识阀门的材质,通常使用大写字母和数字组合表示,如WCB表示碳钢、CF8表示不锈钢等。
6.产品压力等级标志:用于标识阀门的工作压力,通常使用数字表示,如PN16表示16MPa的工作压力。
7.特殊要求标志:用于标识阀门的特殊要求,通常使用大写字母和数字组合表示,如E表示耐高温、F表示耐腐蚀等。
二、编码规则1.编码顺序:阀门型号的编码顺序一般按照产品类型标志、产品形式标志、产品结构标志、产品尺寸标志、产品材质标志、产品压力等级标志和特殊要求标志的顺序进行排列。
2.编码分隔符:各部分之间的编码可以使用特定的分隔符进行分隔,常用的分隔符有"-"、"/"和空格等。
3.编码长度:阀门型号的编码长度没有规定限制,但通常为了方便标识和辨认,长度不会太长。
三、编码方法阀门型号的编码方法是将各个标志的编码按照规定的顺序组合起来。
例如,一个DN50剪刀式截止阀,材质为WCB,工作压力为PN16的阀门的型号可以编写为G-1-1-DN50-WCB-PN16、这个编码表示了该阀门的类型、形式、结构、尺寸、材质和压力等级等信息。
阀门型号的编制方法1.标准规范:阀门型号的编制需要参考相关的标准规范,例如GB、ISO、API等。
这些标准规范包括了阀门的基本要求、尺寸、材料、试验标准等内容,可以为阀门型号的编制提供基本的依据。
2.功能分类:阀门根据不同的功能可以分为截止阀、调节阀、止回阀、安全阀等。
不同功能的阀门在结构和工作原理上有所差异,因此需要对阀门进行功能分类,以便于更好地识别和选择。
在型号编制中可以使用字母或数字来表示不同的功能。
3.结构特点:阀门的结构特点对其型号编制也有重要影响。
例如阀门的连接方式可以有法兰连接、螺纹连接、焊接连接等,阀门的密封方式可以有腰封式、角形式、卧式等。
结构特点的编制可以使用字母或数字来表示,如F表示法兰连接,T表示螺纹连接。
4.工作条件:阀门的工作条件包括工作压力、工作温度和介质性质等。
阀门的工作压力通常有公称压力和最高工作压力两种,工作温度通常有公称温度和最高工作温度两种。
根据工作条件的不同,阀门型号的编制可以使用阀门额定压力和温度的数字表示,如PN16表示公称压力为16MPa。
5.所处环境:阀门的所处环境也会影响其型号编制。
例如海洋环境、高温高压环境、腐蚀环境等都会对阀门的材料选择、防腐措施等提出要求。
根据所处环境的不同,阀门型号的编制可以在阀门型号上加上特殊环境的代号或标识。
6.执行机构:对于带有电动、气动或液动执行机构的阀门,执行机构的类型和参数也需要考虑在内。
执行机构的型号编制可以使用字母或数字来表示,如E表示电动执行机构,P表示气动执行机构。
7.控制方式:阀门的控制方式包括手动控制、自动控制和远程控制等。
不同的控制方式对阀门的操作和传动机构有所不同,因此需要在型号编制中进行标识。
8.附件:阀门的附件包括了定位器、限位器、手轮等,这些附件可以扩展或提高阀门的功能。
附件的型号编制可以使用字母或数字来表示,在阀门型号中进行标识。
阀门型号的编制方法可以根据以上因素进行组合。
例如一个截止阀的标准型号可以为ZJLF-16C,其中ZJ表示截止阀,L表示法兰连接,F表示截止阀的结构特点,16表示公称压力为16MPa,C表示手动控制。
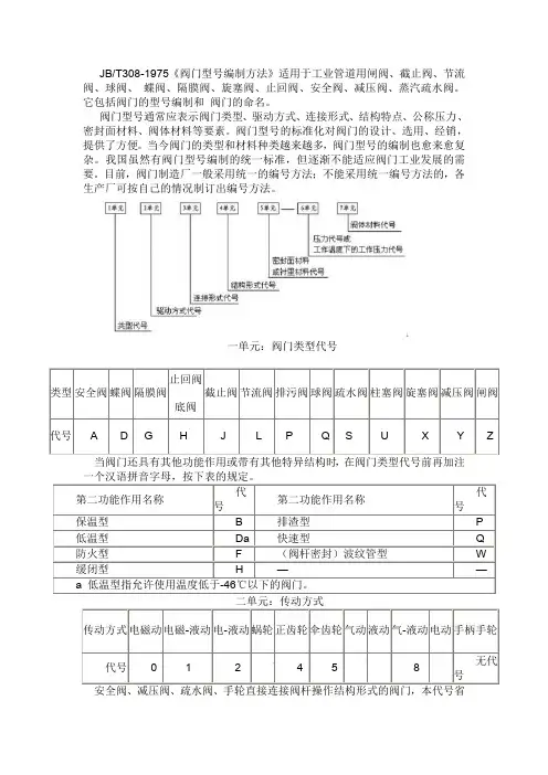
JB/T308-1975《阀门型号编制方法》适用于工业管道用闸阀、截止阀、节流阀、球阀、蝶阀、隔膜阀、旋塞阀、止回阀、安全阀、减压阀、蒸汽疏水阀。
它包括阀门的型号编制和阀门的命名。
阀门型号通常应表示阀门类型、驱动方式、连接形式、结构特点、公称压力、密封面材料、阀体材料等要素。
阀门型号的标准化对阀门的设计、选用、经销,提供了方便。
当今阀门的类型和材料种类越来越多,阀门型号的编制也愈来愈复杂。
我国虽然有阀门型号编制的统一标准,但逐渐不能适应阀门工业发展的需要。
目前,阀门制造厂一般采用统一的编号方法;不能采用统一编号方法的,各生产厂可按自己的情况制订出编号方法。
一单元:阀门类型代号略,不表示;对于气动或液动机构操作的阀门:常开式用6K、7K表示;常闭式用6B、7B表示防爆电动装置的阀门用9B表示。
阀门结构形式用阿拉伯数字表示,按下表规定阀直加六单元:公称压力数值用阿拉伯数字直接表示,它是MPa的10倍灰铸铁底压阀和钢制中压省略此项灰铸铁底压阀和钢制中压省略此项,举例:Z543H-16C 伞齿轮传动法兰连接平板闸阀,公称压力1.6MPa,阀体材料为碳钢阀门的命名阀门的名称按传动方式、连接形式、结构形式、衬里材料和类型命名。
但下面内容在命名中均予省略:(1) 连接形式中:“法兰”。
(2) 结构形式中:a:闸阀的“明杆”、“弹性”、“刚性”和“单闸板”;b:截止阀和节流阀的“直通式”;c:球阀的“浮动”和“直通式”;d:蝶阀的“垂直板式”;e:隔膜阀的“屋脊式”;f:旋塞阀的“填料”和“直通式”;g:止回阀的“直通式”和“单瓣式”;h:安全阀的“不封闭”。
(3) 阀座密封面材料中的材料名称。
GB/T 12220-89 通用阀门标志本标准等效采用国际标准ISO 5209-1977《通用阀门标志》。
1 主题内容本标准规定了通用阀门必须使用的和可选择使用的标志内容及标记方法。
2 标志2.1 通用阀门的标志通用阀门必须使用的和可选择使用的标志项目如下表所示。
JB-T308-2004阀门-型号编制方法前言阀门在各种工业领域中都有着广泛的应用,它们负责控制流体的流动,通过它们的开闭来控制整个工艺系统的运行。
为了便于生产、管理和交流,各个国家、地区针对阀门的型号和命名规则进行了系统的规定。
本文将介绍国家标准 JB-T308-2004 中关于阀门型号编制方法的规范。
一、阀门型号的组成阀门型号通常由几个部分组成,包括阀门类型、连接方式、材质、公称压力和公称通径等关键信息。
下面将逐一进行说明。
1. 阀门类型阀门类型是指阀门所具备的控制方式,包括截止阀、调节阀、止回阀、安全阀、排气阀等。
在阀门型号编制时,应根据阀门的控制方式,在型号中注明阀门类型。
2. 连接方式连接方式是指阀门与管路之间的连接方式,包括法兰、螺纹、对夹、焊接等。
在阀门型号编制时,应注明阀门与管路之间的连接方式。
3. 材质阀门材质通常包括阀体、阀盖、阀门芯、阀座等。
不同工作条件下对阀门材质的要求不同,在阀门型号编制时应明确阀门各组成部分的材质,以便更好地选择合适的阀门进行使用和维修。
4. 公称压力和公称通径公称压力是指阀门公称规格下所能承受的最高压力;公称通径是指阀门流体通过的管子大小,通常用英寸或毫米表示。
在阀门型号中,应标明阀门的公称压力和公称通径,以便确认阀门的适用范围和安装尺寸。
二、阀门型号编制规定根据国家标准 JB-T308-2004 的规定,阀门型号编制应符合以下格式:GZJ-[F]-[L]-[M]-[N]-[P](Q)其中,每个字母或文字表示不同的阀门要素,具体说明如下:•GZJ:表示阀门产品的名称•F:表示阀门类型,包括如下类型:–Z:截止阀–K:闸阀–J:球阀–L:蝶阀–C:止回阀–R:调节阀–Y:安全阀•L:表示阀门连接方式,包括如下连接方式:–F:法兰连接–J:对夹连接–G:内螺纹连接–W:焊接连接•M:表示阀门使用温度•N:表示阀门公称通径,单位为毫米•P:表示阀门公称压力,单位为Mpa•Q:表示额定流量系数三、阀门型号编制举例下面以一种法兰截止阀为例进行说明:1. 阀门型号说明•阀门类型:截止阀•连接方式:法兰连接•使用温度:室温•公称通径:80mm•公称压力:1.6Mpa•额定流量系数:502. 阀门型号编制根据阀门型号编制规定的格式,该阀门的型号可以表示为:GZJ-Z-F-M80-1.6(50)四、阀门型号编制是阀门制造、使用、维护等方面的基础,是阀门企业实现规范化、标准化生产的必要手段。
阀门型号编制方法简介阀门型号通常应表示出阀门类型、驱动方式、连接形式、结构特点、密封面材料、阀体材料和公称压力等要素。
阀门型号的标准化对阀门的设计、选用、经销、提供了方便。
当今阀门的类型和材料越来越多,阀门型号的编制也愈来愈不能适应阀门工业发展的需要。
目前,阀门制造厂一般采用统一编号方法;凡不能采用统一编号方法的,各制造厂均按自己的需要制订编号方法。
一、一般工业用阀门型号编制方法JB/T308—1975《阀门型号编制方法》适用于工业管道用闸阀、截止阀、节流阀、球阀、蝶阀、隔膜阀、旋塞阀、止回阀、安全阀、减压阀、蒸汽疏水阀。
它包括阀门的型号编制和阀门的命名。
二、阀门的型号编制阀门型号由于7个单元组成,其含义如图1所示。
1) 类型代号类型代号用汉语拼音字母表示,如表1所示。
2) 传动方式代号传动方式代号用阿拉伯数字表示, 如表2所示。
3)连接形式代号连接形式代号用阿拉伯数字表示,如表3所示。
4)阀座密封面或衬里材料代号阀座密封面或衬里材料代号用汉语拼单字母表示,如表4所示。
5)公称压力代号公称压力代号用阿拉伯数字表示,其数值是以兆帕(MPa)为单位的公称压力值10倍。
用于电站工业的阀门,当介质最高温度超过530℃时,其数值是以兆帕(MPa)为单位的工作压力值的10倍。
6)阀体材料代号阀体材料代号用汉语拼音字母表示,如表5所示。
PN≤1.6MPa的铸铁和PN≥2.5MPa的碳素钢阀体省略代号.阀门类型代号用汉语拼音表示阀门类型闸阀截止阀节流阀喋阀止回阀水位表(平衡容器)安全阀减压阀疏水阀调节阀给水分配用代号 Z J L D H B A Y S T F传动方式代号用阿拉伯数字表示传动方式电磁动电磁-液动电-液动蜗轮正齿轮园锥齿轮气动液动气-液动电动代号 0 1 2 3 4 5 6 7 8 9注(1)手轮、手柄和板手传动的阀门及安全阀、减压阀、疏水阀省略传动方式代号。
(2)对于气动或液动、常开式用6K、7K表示,常闭式用6B、7B表示,气动带手动用6S 表示,防爆电动用9B示。
阀门型号编制方法阀门型号编制是根据阀门的规格、结构、用途等参数进行编制的一种方法。
它的主要目的是为了对阀门进行统一的标识和管理,方便用户和生产厂家进行沟通和交流。
下面将从阀门型号的组成、命名规则以及相关的注意事项等方面进行详细的解释。
一、阀门型号的组成阀门型号通常由一组数字和字母组成,其中包含了阀门的基本信息。
下面是常见的阀门型号组成要素:1. 阀门类型:通常用一个字母来表示,如G表示截止阀,Q表示球阀,C表示蝶阀等。
2. 阀门口径:表示阀门的通径大小,以英寸(inch)为单位,常用的有1/2、3/4、1、2等。
3. 面板连接方式:表示阀门的连接方式,常用的有螺纹连接、法兰连接、对夹连接等。
4. 阀门结构:表示阀门的结构形式,包括闸阀、截止阀、球阀、蝶阀、安全阀等。
5. 阀门材质:表示阀门的材质,常用的有铸铁、不锈钢、铜等。
6. 工作压力:表示阀门的额定工作压力,以MPa或psi为单位。
7. 温度等级:表示阀门的额定工作温度,以摄氏度或华氏度为单位。
8. 附件选型:表示配套的附件选型,如手动操作装置、电动装置、气动装置、减震器等。
二、阀门型号的命名规则阀门型号的命名规则可以根据不同的国家、行业或厂家而有所不同。
一般来说,阀门型号是由相关的技术标准规定的,具有一定的统一性。
以下是常见的阀门型号命名规则:1. 简化型号:有些厂家为了方便用户记忆和辨识,会对阀门型号进行简化,用一些常用字母或数字来替代具体的技术参数。
2. 层次型号:有些阀门型号会采用层次结构的命名方式,将阀门的各个参数按照一定的顺序和级别进行组织,使其更加清晰和易读。
三、注意事项编制阀门型号时需要注意以下几个方面:1. 根据实际情况选择型号:在编制阀门型号时,要根据具体的使用要求和工况条件来选择合适的型号。
不同工程项目或设备要求的阀门类型和规格可能会有所不同,需要根据实际情况进行选择。
2. 参考相关标准和规范:在编制阀门型号时,可以参考相关的标准和规范,如国家标准、行业标准或企业内部标准等。
阀门型号说明书一、产品概述阀门作为流体控制设备,被广泛应用于工业、建筑和农业等领域。
阀门的型号不仅代表了其规格和性能特点,也是用户选择适合自身需求的阀门的重要参考指标。
本文档将详细介绍阀门型号的含义及其相关技术要素,以帮助用户更好地理解和正确选择阀门产品。
二、阀门型号的组成阀门的型号通常由一系列字符和数字组成,每个字符和数字都代表了不同的含义。
一般而言,阀门的型号可以分为以下几个部分:1.1 压力级别阀门的型号中通常会包含一个代表压力级别的字符或数字。
这一部分的含义是指阀门能够承受的最大工作压力,通常以单位MPa、Psi或Bar来表示。
不同压力级别的阀门适用于不同的工作环境和工作压力要求。
1.2 阀门类型阀门的型号中还会包含一个字符或数字,代表阀门的类型。
常见的阀门类型有闸阀、截止阀、球阀、蝶阀等。
不同类型的阀门具有不同的结构和工作原理,适用于不同的流体介质和流量要求。
1.3 连接方式阀门的型号中可能还会包含一个字符或数字,表示阀门的连接方式。
常见的连接方式有法兰连接、螺纹连接、焊接连接等。
不同的连接方式适用于不同的管道布局和安装需求。
1.4 阀门尺寸阀门的型号中一般会包含一个数字,表示阀门的尺寸。
阀门尺寸通常包括阀门的口径大小和长度等参数。
正确选择合适的阀门尺寸是确保阀门正常工作的关键。
1.5 阀门材质阀门的型号中可能还会包含一个字符或数字,代表阀门的材质。
阀门材质通常根据工作环境和介质的特性选择,常见的材质有铸铁、不锈钢、铜、塑料等。
三、如何选择合适的阀门型号选择合适的阀门型号是确保阀门在工作过程中能够正常运行的关键。
以下是一些选择阀门型号的重要因素:3.1 工作压力要求根据工作环境和工艺要求确定所需的阀门工作压力范围,选择合适的压力级别。
3.2 流体介质根据流体介质的特性选择适合的阀门类型和材质,确保阀门能够耐受介质的温度、压力和化学性质。
3.3 流量要求根据流量要求选择合适的阀门口径和流量特性,确保阀门能够满足所需的流量调节和控制要求。
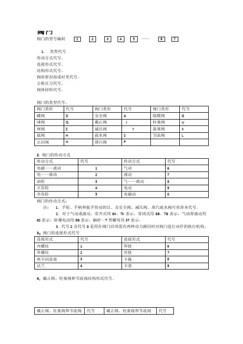
JB T308-2004阀门型号编制方法中华人民共和国机械行业标准:阀门型号编制方法1.范围本标准规定了通用阀门的型号编制方法,包括类型代号、驱动方式代号、连接形式代号、结构形式代号、密封面材料代号、阀体材料代号和压力代号的表示方法。
适用于通用的中闸阀、截止阀、节流阀、蝶阀、球阀、隔膜阀、旋塞阀、止回阀、安全阀、减压阀、蒸汽疏水阀、排污阀、柱塞阀的型号编制。
2.规范性引用文件下列文件中的条款通过本标准的引用而成为本标准的条款。
凡是注日期的引用文件,其随后所有的修改单或修订版均不适用于本标准,但鼓励根据本标准达成协议的各方研究是否可使用这些文件的最新版本。
凡是不注日期的引用文件,其最新版本适用于本标准。
GB/T 1048管道元件公称压力。
3.型号编制和代号表示方法3.1阀门的型号编制方法阀门型号由阀门类型、驱动方式、连接形式、结构形式、密封面材料或衬里材料类型、压力代号或工作温度下的工作压力、阀体材料七部分组成。
编制的顺序为:阀门类型、驱动方式、连接形式、结构形式、密封面材料或衬里材料类型、公称压力代号或工作温度下的工作压力代号、阀体材料。
3.2阀门类型代号阀门类型代号用汉语拼音字母表示,按表1的规定表示。
表1 阀门类型代号阀门类型代号弹簧载荷安全阀 A蝶阀 D隔膜阀 G杠杆式安全阀 GA止回阀和底阀 H截止阀 J节流阀 L排污阀 P球阀 Q蒸汽疏水阀 S柱塞阀 U旋塞阀 X减压阀 Y闸阀 Z3.2.2当阀门还具有其他功能作用或带有其他特异结构时,在阀门类型代号前再加注一个汉语拼音字母,按表2的规定。
表2 具有其他功能作用或带有其他特异结构的阀门表示代号第二功能作用名称代号保温型 B低温型 Da防火型 F缓闭型 H排渣型 P快速型 Q阀杆密封)波纹管型 W3 驱动方式代号驱动方式代号用阿拉伯数字表示,按照表3的规定进行。
表3 阀门驱动方式代号驱动方式代号电磁动 1电磁-液动 2电-液动 3蜗轮 4正齿轮 5锥齿轮 6气动 7液动 8气-液动 9注:代号1、代号2及代号8用在阀门启闭时,需有两种动力源同时对阀门进行操作。
阀门型号编制方法阀门型号表示方法阀门作为流体控制设备的一种常见类型,广泛应用于各种工业领域。
为了方便区分不同类型和规格的阀门,人们采用了阀门型号的编制方法和表示方法。
下面将介绍阀门型号编制的一般方法和常见的阀门型号表示方法。
一、阀门型号编制方法阀门型号的编制通常遵循一定的规则和要求,以确保阀门型号的唯一性和准确性。
以下是一般的阀门型号编制方法:1. 阀门类型标识:阀门型号的第一部分通常是阀门的类型标识,用于区分不同类型的阀门,如闸阀、截止阀、球阀等。
不同国家和标准对阀门类型的表示方法有所差异,但多数采用字母缩写或数字编号表示。
2. 阀门规格标识:阀门规格标识通常包括阀门的口径、压力等级和结构材料等信息。
口径是指阀门的通径大小,通常用英寸或毫米表示;压力等级表示阀门的额定工作压力,通常用公斤/平方厘米或兆帕等单位表示;结构材料表示阀门主要部件的材料,如铸铁、不锈钢、铜等。
3. 阀门特殊要求标识:在阀门型号中,还可以包含一些特殊要求的标识,用于表示阀门的工作温度范围、工作介质、驱动方式等特殊要求。
二、阀门型号表示方法阀门型号可以使用不同的表示方法,以满足不同用户的需求和习惯。
以下是常见的阀门型号表示方法:1. 文字表示方法:阀门型号可以通过文字来表示,即通过使用不同的字母和数字组合来表示阀门的类型、规格和其他特殊要求。
例如,GZ45-16C表示一个型号为GZ45的闸阀,口径为16英寸,压力等级为C级。
2. 编码表示方法:为了简化阀门型号的表示,有些厂家采用了编码方式来表示阀门的类型、规格和特殊要求等信息。
通过设定一套固定的编码规则,可以用较短的编码来表示复杂的阀门型号。
例如,XK88-16A可以表示一个型号为XK88的截止阀,口径为16英寸,压力等级为A级。
3. 图形表示方法:在某些情况下,阀门型号也可以通过图形来表示。
通过绘制阀门的外形、特点和尺寸等信息,可以直观地表示阀门的类型和规格。
这种表示方法常用于产品型录、技术手册和维修手册等文档中。
阀门型号编制方法,阀门型号表示方法,标准阀门型号编制说明阀门型号编制方法国家标准化管理委员会日前发布了《阀门型号编制方法》由中国机械工业联合会提出,按照GB/T1.1-2009 给出的规则起草,阀门型号编制方法由全国阀门标准化技术委员会(SAC/TC188)归口。
阀门型号编制方法规定了阀门的型号编制、阀门类型、驱动方式、连接形式、结构形式、密封面材料、压力和阀体材料代号和代号的表示方法。
阀门型号编制方法适用于各类闸阀、截止阀、节流阀、蝶阀、球阀、隔膜阀、旋塞阀、止回阀、排污阀、柱塞阀、减压阀、疏水阀、安全阀的管道阀门产品。
阀门型号表示方法当今阀门的类型和材料种类越来越多,阀门型号的编制也愈来愈复杂;阀门型号通常应表示阀门类型、驱动方式、连接形式、结构特点、公称压力、密封面材料、阀体材料等要素。
阀门型号的标准化对阀门的设计、选用、经销,提供了方便。
我国虽然有阀门型号编制的统一标准,但逐渐不能适应阀门工业发展的需要;目前,阀门制造厂一般采用统一的编号方法;不能采用统一编号方法的,各生产厂家可按自己的情况制订岀编号方法。
一单元、阀门类型(代号):二单元、阀门传动方式(代号)四单元、阀门结构形式(代号):双闸板8隔膜阀结构形式代号(表)隔膜阀结构形式隔膜阀代号隔膜阀结构形式隔膜阀代号五单元、阀门密封材质(代号):阀门公称压力数值用阿拉伯数字直接表示(MPa )它是MPa的10倍七单元、阀门阀体材料(代号):阀门阀体材质代号(表)注:Pg W16kgf/cm2的灰铸铁阀,Pg》25kgf/cm2 的碳钢阀,省略本代号2、阀门密封面或衬里材料代号注:1、由阀体直接加工的阀座密封材料代号用“W ”表示。
2、当阀座和阀瓣(阀板)密封材料不同时,用低硬度材料代号表示(隔膜阀除外)。
阀门型号和名称编制方法示例a)闸阀型号编制示例:电动、法兰连接、明杆楔式双闸板,阀座密封面材料由阀体直接加工,公称压力PNO.IMPa、阀体材料为灰铸铁的闸阀:Z942W-1电动楔式双闸板闸阀。
附件十二:阀门编号规定本阀门规定不包括液压控制阀门、气动阀门和电动阀门的电驱动装置。
阀门的设计、制造、检验应符合ASME B16.34《法兰端、螺纹端和焊接端阀门》。
1.阀门设计、制造要求以及结构长度、检验要求见下表阀门连接端:法兰尺寸: HG/T 20615-2009 HG/T20623B-2009承插口尺寸: GB/T 14383-2008螺纹端尺寸: GB/T 14383-2008阀门对焊端(坡口)执行标准:GB 50316-2000(2008版)、GB50236-2011。
对焊端接管尺寸执行标准:HG/T20553-2011 Ia系列低温碳钢阀门法兰连接端尺寸:ASME B16.5 ASME B16.47B低温碳钢阀门对焊端接管尺寸执行标准:ASME B36.10M2.阀门编号执行以下规定阀门编号(订货号)由9个(组)数字(字母)组成,它规定了阀门的类型、压力等级、阀体材料、连接方式以及内件材料。
阀门编号:X X X X XXX X X – X X1 2 3 4 5 6 7 8 9其中: 1单元:表示阀门类型2单元:表示阀门结构型式若为栓接阀盖(B.B)、轭式明杆外螺纹(0S&Y)支架式可省略,压力自紧密封阀盖用P表示。
3 单元:表示压力等级4 单元:表示阀门连接方式5 单元:表示阀门内件材料代号5.1 闸阀、截止阀、止回阀5.2 蝶阀5.3 球阀5.4 旋塞阀6 单元:表示阀体材料(括号外的材料牌号为铸钢、括号内的材料牌号为锻钢)7单元:阀门填料、垫片对应表如下:(闸阀、截止阀、球阀、蝶阀对应填料、垫片;止回阀对应垫片)8单元:对于低温阀门:工况0∽-45℃:S; 工况-46∽-70℃:D; 工况-71∽-196℃:KS、D 、K表示低温阀门在低温下各温度区间对阀杆的加长长度要求(根据相应标准并结合项目地区实际情况)、制造技术要求和检验要求。
低温阀门应遵照低温阀门技术条件JB/T7749-95,特别要指出:(1)工况为0∽-45℃的低温碳钢阀门要用干冰对所有零部件材料进行100%冷处理,这主要是为了材料在低温下进行冷缩变形。
阀门型号编制方法简介
阀门型号通常应表示出阀门类型、驱动方式、连接形式、结构特点、密封面材料、阀体材料和公称压力等要素。
阀门型号的标准化对阀门的设计、选用、经销、提供了方便。
当今阀门的类型和材料越来越多,阀门型号的编制也愈来愈不能适应阀门工业发展的需要。
目前,阀门制造厂一般采用统一编号方法;凡不能采用统一编号方法的,各制造厂均按自己的需要制订编号方法。
一、一般工业用阀门型号编制方法
JB/T308—1975《阀门型号编制方法》适用于工业管道用闸阀、截止阀、节流阀、球阀、蝶阀、隔膜阀、旋塞阀、止回阀、安全阀、减压阀、蒸汽疏水阀。
它包括阀门的型号编制和阀门的命名。
二、阀门的型号编制
阀门型号由于7个单元组成,其含义如图1所示。
1) 类型代号类型代号用汉语拼音字母表示,如表1所示。
2) 传动方式代号传动方式代号用阿拉伯数字表示, 如表2所示。
3)连接形式代号连接形式代号用阿拉伯数字表示,如表3所示。
4)阀座密封面或衬里材料代号阀座密封面或衬里材料代号用汉语拼
单字母表示,如表4所示。
5)公称压力代号公称压力代号用阿拉伯数字表示,其数值是以兆帕(MPa)为单位的公称压力值10倍。
用于电站工业的阀门,当介质最高温度超过530℃时,其数值是以兆帕(MPa)为单位的工作压力值的10倍。
6)阀体材料代号阀体材料代号用汉语拼音字母表示,如表5所示。
PN≤1.6MPa的铸铁和PN≥2.5MPa的碳素钢阀体省略代号.
阀门类型代号用汉语拼音表示
阀门类型闸阀截止阀节流阀喋阀止回阀水位表(平衡容器)安全阀减压阀疏水阀调节阀给水分配用
代号 Z J L D H B A Y S T F
传动方式代号用阿拉伯数字表示
传动方式电磁动电磁-液动电-液动蜗轮正齿轮园锥齿轮气动液动气-液动电动代号 0 1 2 3 4 5 6 7 8 9
注(1)手轮、手柄和板手传动的阀门及安全阀、减压阀、疏水阀省略传动方式代号。
(2)对于气动或液动、常开式用6K、7K表示,常闭式用6B、7B表示,气动带手动用6S 表示,防爆电动用9B示。
户外耐热用9R表示。
连接形式代号用阿拉伯数字表示
连接形式内螺纹外螺纹法兰焊接
- 1 2 4 6
注:焊接连接包括对焊和承插焊
结构形式代号用阿拉伯数字表示
闸阀结构形式明杆楔式明杆平行式暗杆
弹性闸板刚性单闸板刚性单闸板刚性单闸板刚性双闸板刚性单闸板刚性双闸板
代号 0 1 2 3 4 5 6
截止阀和节流阀结构形式直通式角式直流式平衡直通式平衡角式三通式
代号 1 4 5 6 7 9
蝶阀结构形式杠杆式垂直板式斜板式
代号 0 1 3
疏水阀结构形式浮球式钟型浮子式脉冲式园盘式
代号 1 5 8 9
止回阀结构形式升降旋启
直通式立式单瓣式多瓣式双瓣式
代号 1 2 4 5 6
减压阀结构形式薄膜式弹簧薄膜式活塞式波纹管式杠杆式
代号 1 2 3 4 5
注:杠杆式安全阀在类型代号前加汉语拼音“G”字母表示安全阀结构形式代号弹簧封闭带散热片全启式 0
微启式 1
全启式 2
全启式 4
不封闭双弹簧微启式 3
微启式 7
全启式 8
带控制机构全启式 6
先导式 9
杠杆单杠杆全启式 2
角形微启式 5
双杠杆全启式 4
调节阀结构形式代号
回转套筒式 0
- -
升降单降套筒式 Z形 5
- 7
- -
针形阀 2
柱塞式 4
闸板式 6
多级套筒式 8
柱塞式 Z形 1
- 9
给水分配阀结构形式
代号
柱塞式
1
回转式
2
旁通式
3
水位计结构形式代号
平衡容器 7
就地云母片式 1
玻璃板式 2
破璃管式 3
光学折射式双色 9
光学电视式 9a
低读轻液玻璃板式 6
玻璃管式 0
阀座密封面或衬里材料代号用汉语拼音字母表示
阀座密封面或衬里材料代号阀座密封面或衬里材料代号尼龙塑料 N 合金耐酸或不锈钢 H
渗硼钢 P 渗氮钢 D
橡胶 X 硬质合金钢 Y
注:由阀体直接加工的阀座密封面材料代号用“W”表示,当阀座和阀瓣(闸板)密封面材料不同时,用低硬度材料代号表示。
公称压力数值用阿拉伯数字表示
JB4018-85所采用的计量单位作法定单位均为“MPa”,如PN32即为原Pg320kgf/cm2。
若工作温度为540度;工作压力为14MPa时,其标注方法为“Pw5414V”。
其中“W”为温度的含义。
阀体材料代号用汉语拼音字母表示
阀体材料代号阀体材料代号
灰铸铁 H 铬钼合金钢 I
球墨铸铁 Q 铬镍钛钢 P
碳钢 C 铬钼钒合金钢 V
注:PN小于或等于1.6MPa的灰铸铁阀门及PN大于或等于25MPa的碳素钢,阀体省略本代号。