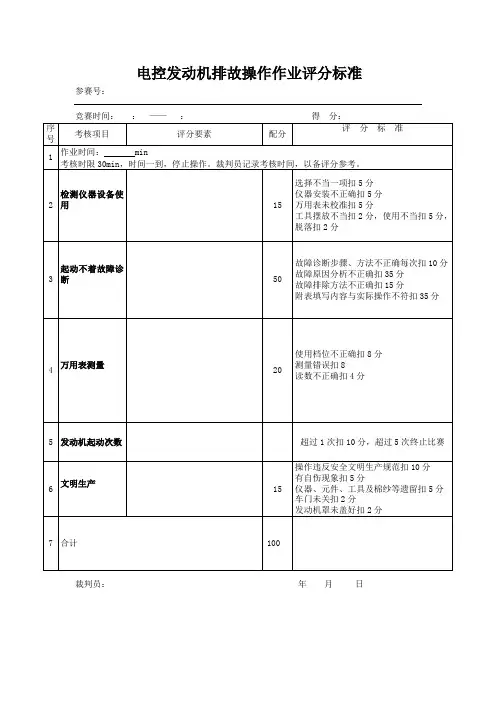
故障诊断项目竞赛评分表
- 格式:doc
- 大小:104.50 KB
- 文档页数:4
五.评分标准和评分方法
1.汽车发动机系统检修赛项过程评分标准见表九
表九汽车发动机系统检修赛项过程评分标准
2.诊断报告(故障诊断部分)评分标准
不同故障具体标准可能略有区别,但基本遵照以下判罚准则。
第一步:准确描述故障现象,并列举故障原因
重点考察故障现象描述是否准确到位,对相关联现象做好阐述;能准确写明电路图资料来源;能准确绘制原理简图,准确反映可能的故障原因;能正确、全面列举可能原因,可以合并,但不能缺点。
第二步:故障确诊过程
一般测试都需要分几步进行测试,根据具体情况在以下细节进行判罚:在每步测试过程中,能否准确描述测试概要(即标题)的;能
否正确绘制控制逻辑示意图;能否正确列举故障原因;能否正确描述测试条件、测试设备、测试对象、标准参数、测试结果;针对测试结果,能否正确进行原因分析;能否写明故障原因确诊验证方法。
首先判罚整体思路是否合理,其次判罚每个步骤细节是否准备完备。
第三步:分析故障机理,提出维修建议
重点判罚故障机理分析是否准确到位;能正确提出正确维修建议。
【本文档内容可以自由复制内容或自由编辑修改内容期待你的好评和关注,我们将会做得更好】。
-1注意:选手书写时可简化,意思表达明确即为正确。
具体故障可能为:F3信号与舒适CAN总线之间关联。
(1)拉开右前车门,测量J387端(或其他舒适系统模块)的CAN总线波形,实测发现CAN-H隐性电压由2.5V异常切换到直线(见中间图),CAN-L隐性电压比CAN-H略高一点,判断为CAN-H对地短路;(0.25分)(2)关闭右前车门,测量舒适CAN总线波形,实测基本正常(见右图),但伴有约5V杂波,判断为舒适CAN总线虽能正常工作但存在其他线路干扰;(0.5分)(3)关闭右前车门,测量J387 T20a/5对地波形,正常为关闭10V左右,打开为0V左右,实测关闭(见右图)与T20a/15一致,打开为0V,判断为两者之间可能存在短路;(0.5分)(4)关闭E378,拆下蓄电池负极接线,拔下J387 T20a、VX22 T8u、TTVR,测量J387 T20a/5-VX22 T8u/5与T20a/15-TTVR T27a/4之间电阻,标准无穷大,实测1欧左右(以现场实际测量为准),判断为两者之间短路;(5)排除舒适CAN-H对F3信号短路故障,系统恢复正常。
手回避,可写报告。
重要提示:当选手诊断出该故障后,要求选手在波形纸上绘制故障发生时的波形变化,并完成相应内容的填写。
注意:(1)、(2)、(3)、(4)只要写出两条即算正确。
1(1)打开E378,用示波器测量J533端(或其余模块)的驱动CAN总线对地波形,发现CAN-H的隐形电压被拉低到大约0.2-0.4V((以现场实际测量为准),而CAN-L的隐形电压也被拉低,但稍高于CAN-H的隐形电压,判断CAN-H对接地虚接;(2)关闭E378,拆下蓄电池负极接线,用万用表测量CAN-H线路与接地之间的阻值,正常为无穷大,实测为20Ω,判断CAN-H对接地虚接;(3)关闭E378,拆下蓄电池负极接线,断开TIUL T17i,用万用表测量CAN-H线路与接地之间的阻值,正常为无穷大,实测车内(驾驶室内任意模块)为无穷大,车外(驾驶室外任意模块)为20Ω,判断驾驶室外CAN-H对接地虚接;(4)排除驱动CAN-H线路对接地虚接故障,系统恢复正常。
故障诊断项目竞赛评分表
姓名:抽签号:
裁判员:裁判长:日期:注:1、在扣分中,若各细目的扣分总数超过配分,则最高扣分为配分。
2、时限:60分钟.
否决项: 1、顶撞、中伤裁判
2、连续两次向裁判试探故障点(第一次警告,不扣分)
3、出现安全事故或人身伤亡
发动机机械参数检测项目竞赛真空度测量评分表姓名:单位:
开始时间:结束时间:竞赛用时:
裁判员:裁判长:日期:
注:1、在扣分中,若各细目的扣分总数超过配分,则最高扣分为配分。
2、两项合计时限:60分钟
否决项: 1、顶撞、中伤裁判
2、出现安全事故或人身伤亡。