维修电工职业技能竞赛评分表
- 格式:doc
- 大小:640.00 KB
- 文档页数:8
维修电工技能鉴定评分标准大全:天铁职业学校张风莉目录:用QJ23(A型)单臂电桥测量电阻用QJ44直流双臂电桥测量导线电阻用QJ44直流双臂电桥测量小电阻安装接触器联锁正反转控制电路安装顺序启动控制电路安装单相照明双互备自投供电控制电路安装单相电度表经电流互感器测量线路安装三相四线有功电度表经三只电流互感器测量电路检查小型三相变压器绕组绝缘故障检查小型三相变压器绕组匝间短路故障用PLC、西门子变频器设计一台组合机床钻头的运行控制设计变频器接线和调试评分标准PLC和变频器评分表用双踪示波器观察波形讲述直流电动机的工作原理检修PLC控制的设备电气线路测绘T610镗床电气控制线路,绘出接线图、电路图,并且简述工作原理检修继电—接触式控制的大型设备局部电气线路 3用晶体管特性图示仪测试晶体管的hFE进行安全文明生产触电急救方面的培训指导安装和调试三相异步电动机双重联锁正反转启动能耗制动的控制电路按工艺规程检修低压电缆终端用两表跨相法测量三相无功功率在各项技能考核中,要遵守安全文明生产的有关规定高级维修电工编程与调试电力拖动配盘评分标准电子线路安装)操作技能考核评分标准用外径千分尺测量圆铜线线径并计算截面积用数字式万用表测量电阻用数字式万用表测量交、直流电压安装点动与连续运行控制电路安装按钮联锁正反转控制电路用万用表法判断小型三相异步电动机定子绕组首尾端用直流法(干电池法)判断小型三相异步电动机首尾端检查启动前的三相异步电动机安装按钮联锁正反转控制电路用硬接线进行较复杂电路基本控制线路的安装与调试用电桥测量电阻值游标卡尺的正确使用及测量外径千分尺的正确使用及测量使用万用表检测各类电子元件(二极管、三极管、电容、晶间管、中场效应管)用直流单臂电桥测量电动机绕组直流电阻配电变压器绝缘电阻及吸收比测试用万用表法判断三相异步电动机首尾端识读时间继电器自动控制Y-△控制电路原理图识读串电阻降压启动控制电路原理图识读接触器控制双速异步电动机控制电路原理图识读自耦降压起动箱控制电路原理图绘制低压配电网接地方式及安全保护方式交流接线图设计并安装带电容滤波器的单相桥式整流电路设计并安装单相可控硅好坏的检测电路设计并安装按钮接触器双重联锁正反转控制电路设计安装时间继电器自动控制Y-Δ电路并试车拆装并检测电动机判断时间继电器自动控制Y-△电路故障排除按钮、接触器双重联锁正反转控制电路故障排除自耦降压起动箱控制电路故障按图安装全自动电机Y-Δ启动控制电路串联型稳压电源的安装与调试示波器使用、万用表使用、交流电机绕组首末端判别PLC及评分表电路组装和电气线路安装评分标准用QJ23(A型)单臂电桥测量电阻用QJ44直流双臂电桥测量导线电阻用QJ44直流双臂电桥测量小电阻:安装接触器联锁正反转控制电路安装顺序启动控制电路安装单相照明双互备自投供电控制电路安装单相电度表经电流互感器测量线路安装三相四线有功电度表经三只电流互感器测量电路检查小型三相变压器绕组绝缘故障检查小型三相变压器绕组匝间短路故障用PLC、西门子变频器设计一台组合机床钻头的运行控制设计变频器接线和调试评分标准PLC和变频器评分表用双踪示波器观察波形讲述直流电动机的工作原理检修PLC控制的设备电气线路测绘T610镗床电气控制线路,绘出接线图、电路图,并且简述工作原理检修继电—接触式控制的大型设备局部电气线路 3用晶体管特性图示仪测试晶体管的hFE进行安全文明生产触电急救方面的培训指导安装和调试三相异步电动机双重联锁正反转启动能耗制动的控制电路按工艺规程检修低压电缆终端用两表跨相法测量三相无功功率在各项技能考核中,要遵守安全文明生产的有关规定高级维修电工编程与调试电力拖动配盘评分标准电子线路安装)操作技能考核评分标准用外径千分尺测量圆铜线线径并计算截面积用数字式万用表测量电阻用数字式万用表测量交、直流电压安装点动与连续运行控制电路安装按钮联锁正反转控制电路用万用表法判断小型三相异步电动机定子绕组首尾端用直流法(干电池法)判断小型三相异步电动机首尾端检查启动前的三相异步电动机安装按钮联锁正反转控制电路用硬接线进行较复杂电路基本控制线路的安装与调试用电桥测量电阻值游标卡尺的正确使用及测量。
总成绩表合计统分人:年月日试题1、PLC控制简易机械手的设计、安装与调试笔试部分参考答案和评分标准:(1)写出下列图形文字符号的名称。
(本题分值3分,每错一处扣1分)QS(电源开关);FU1(熔断器);KM1(交流接触器)。
(2)简述剥线钳使用注意事项。
(本题分值2分,错答或漏答一条扣0.5分)答: 1)选择合适的规格; 2)确定剥线长度;3)选择合适的槽口;4)用力恰当。
(3)简述指针式万用表测二极管的方法。
(本题分值2分,错答或漏答一条扣0.5分) 答:1)选择档位;2)调零;3)测出正反向电阻值;4)判别阳极和阴极。
(4)回答何为安全电压?(本题分值3分,回答错误扣3分)答:不会发生触电事故、对人体的健康不会造成危害的电压数值。
评分人:年月日核分人:年月日试题2、变频器调速装置外围电路故障维修笔试部分参考答案和评分标准:(1)正确识读给定的电路图,本变频器使用的电源是多少。
(本题分值3分)答:本变频器使用的是单相电源220v。
(2)简述剥线钳的使用方法。
(本题分值2分,错答或漏答一处扣1分,扣完为止)答:正确选用剥线钳的规格型号;根据导线线径选择合适的槽口;用力恰当。
(3)简述兆欧表使用注意事项。
(本题分值2分,错答或漏答一条扣0.5分)答:1)正确选用兆欧表规格型号;2)正确接线,3)均匀地摇动手柄;4)待指针稳定下来再读数;5)注意被测电路中的电容;6)注意兆欧表输出高压。
(4)照明灯的电压为什么采用24V?(本题分值3分,错答或漏答一处扣1分,扣完为止)答:车床加工过程中有可能会打破灯泡,使设备外壳带电;为了保证车床操作使用人员的安全,采用经过变压器隔离的24V安全电压;即使人体碰到带电体也不会发生触电事故。
评分人:年月日核分人:年月日试题3、变压器共阴共阳三相可控整流电路的测量与维修笔试部分参考答案和评分标准:(1)简述电烙铁使用注意事项。
(本题分值2分,错答或漏答一条扣0.5分)答:1)检查电源线是否完整;2)使用松香等作为助焊剂;3)保持烙铁头清洁;4)暂时不用时应把烙铁放到烙铁架上。
考件编号: 姓名: 准考证号:单位:总成绩表统分人:年月日考件编号: 姓名: 准考证号:单位:试题1、M7475B平面磨床电气控制电路故障检查、分析及排除笔试部分参考答案和评分标准:(1)叙述正反转接触器不会同时通电的原理。
(本题分值5分,错答或漏答一条扣2.5分)考件编号: 姓名: 准考证号:单位:答:1)按下按钮SB4时,接触器KM5接通,工作台退出,接触器KM5的常闭触点断开,保证接触器KM6不会接通;2)同理,按下按钮SB5时,接触器KM6接通,工作台进入,接触器KM6的常闭触点断开,保证接触器KM5不会接通。
(2)简述冲击电钻装卸钻头注意事项。
(本题分值2分,错答或漏答扣2分)答:装卸钻头时,必须用钻头钥匙,不能用其它工具敲打夹头。
(3)简述兆欧表使用注意事项。
(本题分值2分,错答或漏答一条扣0.5分)答:1)正确选用兆欧表规格型号;2)正确接线,3)均匀地摇动手柄;4)待指针稳定下来再读数;5)注意被测电路中的电容;6)注意兆欧表输出高压。
(4)回答三相五线制系统中采用保护接地还是保护接零?(本题分值3分,错答扣3分)答:采用保护接零方式。
评分人:年月日核分人:年月日考件编号: 姓名: 准考证号:单位:试题2、PLC控制三相异步电动机串电阻降压启动装调笔试部分参考答案和评分标准:(1)绘制PLC的I/O接口图和梯形图。
(本题分值5分,每错一处扣1分)考件编号: 姓名: 准考证号:单位:考评员依据具体考核要求,参考运行结果,对I/O接口图和梯形图进行评分。
(2)简述螺丝刀使用注意事项。
(本题分值2分,错答或漏答一条扣1分)答:1)正确选用螺丝刀规格型号;2)螺丝刀压紧螺丝的槽口后旋拧。
(3)简述指针式万用表电阻挡的使用方法。
(本题分值2分,错答或漏答一条扣0.5分) 答:1)预估被测电阻的大小,选择档位;2)调零;3)测出电阻的数值;4)如果档位不合适,更换档位后重新调零和测试。
(4)回答何为安全电压?(本题分值3分,回答错误扣3分)答:加在人体上在一定时间内不致造成伤害的电压。
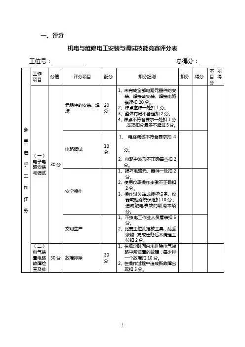
试题1三相异步电动机星三角降压启动控制线路的安装(50分)查核要求: 1 、依据电路图对主回路及控制回路进行安装接线,并进行通电调试。
2、外接电机和按钮使用端子进行连结,按钮线使用电缆连结。
3、一次调试不可功,计时以第二次结束时间为准。
序号项目内容配分评分标准扣分得分1装前检查5 1.电动机质量检查,每漏一处扣 2 分2.电器元件漏检或错检,每处扣 1分2接线20 1.不按电路图接线扣 5 分2.接线露铜过长或压绝缘层,每个点扣0.5 分3.导线未进入线槽,每根扣 1 分4.接线、布线不整齐扣 1~ 10 分5. 损害导线绝缘或线芯,每根扣 1 分6.扣完为止3通电试车20 1.整准时间3s,不会对时间继电器整定扣 3 分2.第一次试车不可功,扣 10 分3.第二次试车不可功本项不得分4安全与文51.违犯安全文明生产规程,扣1~5 分明生产 2.安全防备用品穿着不齐,扣1~5 分3.不听从评判员的指挥,扣1~5 分时间要求: 90min 开始时间:结束时间:达成时间:评判员署名:共计核分人署名:年月日否认项:操作中破坏设施。
查核时间到后,不听从评判员的管理仍持续操作。
1.选手在竞赛规准时间内提早达成者由本场评判员记录达成时间,最后由裁判长从实操成绩中酌情加分。
2.实操考试中电工工具佩戴齐备,工作衣、绝缘鞋正确穿着,恪守操作规程,尊敬评判员,讲文明礼貌,考试结束要清理现场,恪守考场纪律,不可以出现重要安全事故。
安全文明生产贯串于整个技术查核的全过程。
违犯安全生产操作规程由裁判组从该项实操成绩中酌情扣除 1~ 5 分。
3.出现重要安全事故,由裁判组集体约定最高可判断本项竞赛成绩为零分。
试题 2 PLC- 变频器 - 三相异步电动机综合控制项目(50 分)要求:使用PLC、变频器对电动机进行速度分段控制,当按下启动按钮后,电动机以 15HZ 的频次运行, 10s 后电动机以 35HZ的频次运行,再停 10s 后电机以 50HZ的速度运行,按停止按钮电动机停止运行。
高级维修电工操作技能考核评分标准、评分表(一)PLC控制技术交通信号灯(定额工时180分钟)交通信号灯控制简单时序图交通信号灯控制功能要求1、横向与纵向都有绿、黄、红三色灯。
为节省调试时间,现将各色灯点亮,灯闪烁的时间作相应比例的压缩,见上图示。
2、SB1为起动按钮,首先横向绿灯亮10秒;接着绿灯闪5次,每次先暗后亮,闪烁周期为1秒;继而绿灯暗、黄灯亮5秒;(在上述期间20秒内,纵向的红灯同步亮20秒)。
然后横向黄灯暗,红灯亮20秒。
以后就如此反复循环下去。
3、在横向红灯亮20秒期间内,纵向绿灯亮,并且同步先亮10秒,接着闪烁5秒(5次),继而黄灯亮5秒。
然后同步循环。
4、横向灯和纵向灯相应的逻辑关系必须严格同步,不许混乱。
5、SB2为夜间控制按钮,使夜间横向与纵向的黄灯持续闪烁。
暗、亮各0.5秒。
夜间横向和纵向的红、绿灯均处在熄灭状态。
6、SB1和SB2分别是白天、夜间工作的起动按钮,同时又具备转换控制功能,能灵活地控制白天或夜间两种工作方式。
7、增加交通管制功能,按下SB3为横向绿灯和纵向红灯同时持续亮;按下SB4为横向红灯和纵向绿灯同时持续亮。
交通信号灯评分细则一、逻辑功能,配分50分1、横向灯与纵向灯二者之间,仅有其一逻辑控制正常的,扣20分。
2、横向与纵向之间不同步,或有时间误差积累的,扣15分。
3、绿灯由亮变为闪烁时,若先亮后暗的,或闪烁次数不正确的,扣5分。
4、从夜间工作状态(两黄灯闪烁),转换到白天工作状态时。
若按SB1后不立即进入循环的初始状态(横向绿灯亮,纵向红灯亮),而是需经过一段时间(逻辑状态混乱)后,再进入正常状态者,扣10~20分。
5、按SB2能正常地由白天工作状态转为夜间工作状态;而按SB1后,不能正常地立即从夜间工作状态转换为白天工作状态的,扣10分。
6、其它逻辑功能欠缺的每处扣5~10分。
二、梯形图、指令语句工艺,配分15分。
在系统功能正常的前提下,若卷面上的梯形图、PC主机I/O分配图、指令语句不严密,不科学而影响系统功能的完善者,每处扣3~5分。
考件编号: 姓名: 准考证号:单位:
总成绩表
统分人:年月日
考件编号: 姓名: 准考证号:单位:
试题1、识读接触器联锁正反转控制电路原理图
配分、评分标准:
选择考核项目时应考虑的其他因素:
(1)本项目满分40分。
(2)本项目考核时间限定在30分钟。
(3)在做通电试验时,现场应有2名考评员,其中1人任现场监护。
(4)本内容作为中级维修电工的重点考核内容之一,考核时应优先选择。
评分人:年月日核分人:年月日
考件编号: 姓名: 准考证号:单位:
试题2、安装和调试三相异步电动机按钮联锁正反转控制电路
配分、评分标准:
选择考核项目时应考虑的其他因素:
(1)本项目满分50分。
(2)本项目考核时间限定在100~120分钟。
(3)在做通电试验时,现场应有2名考评员,其中1人任现场监护。
(4)本内容作为中级维修电工的重点考核内容之一,考核时应优先选择。
评分人:年月日核分人:年月日
考件编号: 姓名: 准考证号:单位:安全文明生产
否定项:要求遵守考场纪律,不能出现重大事故。
出现严重违犯考场纪律或发生重大事故,本次技能考核视为不合格。
选择考核项目时应考虑的其他因素:
(1)本项目满分10分。
(2)本内容为中级维修电工的必考内容之一,考核时应现场评分。
(3)本项目为第一类否定项。
评分人:年月日核分人:年月日。
项目一时间继电器控制Y-降压启动电路接线试卷准考证号:抽签号:工位号:
1、竞赛技术和操作要求
1)正确绘制控制原理图,识别设备,材料,安装线路,检查接线,试验。
2)正确穿戴劳动保护用品及绝缘鞋。
3)正确使用工具,用具及仪表。
4) Y-△切换时间整定为5s.
3、竞赛方式与时间
1、竞赛方式为实际操作;
2、竞赛时间为40分钟,超时不延时;
3、在规定时间内完成操作,每提前1分钟在总分中加0.1分。
时间继电器控制Y-△降压启动电路评分记录表
工位号:竞赛时间:年月日时
裁判员:
项目二 用可编程序控制器完成电动机Y-△控制的编程及电路接线试卷
准考证号: 抽签号: 工位号: 1、竞赛技术和操作要求
1)正确识读控制电路与I/O 连接图,识别设备,材料,正确检测元器件;
2)在操作板上按图完成电路的编程、接线、调试程序、电路试运行。
要求Y 运行时间为5秒和Y-△转换保护延时0.5秒,共计5.5秒。
3)按照先控制回路后主回路的顺序试车。
4)正确穿戴劳动保护用品及绝缘鞋。
5)正确使用工具,用具及仪表。
3、竞赛方式与时间 1、竞赛方式为实际操作; 2、竞赛时间为25分钟;
3、在规定时间内完成操作,若出现分数相等的情况,以用时最短者优先。
L1
L2
L3
QF
L11L12L13KM1
L21L22L23
M 3~
U1V1W1
U2
V2W2
KM2
KM3
FU1
FU2
FR SB1
SB2
KM1KM2
KM3
KM2KM2
KT
KM1
KT
KT
FR
KM3
主电路图 PLC 接线图
I/O 分配数据记录表
输入
输出
名称 代号 输入点 名称 代号 输出点
用可编程序控制器完成电动机Y-△控制的编程及电路接线评分记录表工位号: 竞赛时间:年月日时
裁判员:
项目三 排除时间继电器Y-△启动控制电路故障
准考证号: 抽签号: 工位号: 注意:1、请参赛选手将检测出的故障位置在图中用“○”标出;
2、接错线故障位置(对调的导线)
在图中用“ ”键头标出;
电路故障位置标记图
L1
L2
L3
QF
L11L12L13KM1
L21L22L23
M 3~
U1V1W1
U2
V2W2
KM2
KM3
FU1
FU2
FR SB1
SB2
KM1KM2
KM3
KM2KM2
KT
KM1
KT
KT
FR
KM3
时间继电器Y-△启动控制电路故障位置记录表
排除时间继电器Y-△启动控制电路故障评分记录表工位号: 竞赛时间:年月日时
裁判员:
答案:
项目一时间继电器控制Y-降压启动电路接线试卷准考证号:抽签号:工位号:
1、竞赛技术和操作要求
1)正确绘制控制原理图,识别设备,材料,安装线路,检查接线,试验。
2)正确穿戴劳动保护用品及绝缘鞋。
3)正确使用工具,用具及仪表。
4) Y-△切换时间整定为5s. 3、竞赛方式与时间 1、竞赛方式为实际操作;
2、竞赛时间为40分钟,超时不延时;
3、在规定时间内完成操作,每提前1分钟在总分中加0.1分。
L1
L2
L3
QF
L11L12L13KM1
L21L22L23
M 3~
U1V1W1
U2
V2W2
KM2
KM3
FU1
FU2
FR SB1
SB2
KM1KM2
KM3
KM2KM2
KT
KM1
KT
KT
FR
KM3
项目二 用可编程序控制器完成电动机Y-△控制的编程及电路接线试卷
准考证号: 抽签号: 工位号: 1、竞赛技术和操作要求
1)正确识读控制电路与I/O 连接图,识别设备,材料,正确检测元器件;
2)在操作板上按图完成电路的编程、接线、调试程序、电路试运行。
要求Y 运行时间
为5秒和Y-△转换保护延时0.5秒,共计5.5秒。
3)按照先控制回路后主回路的顺序试车。
4)正确穿戴劳动保护用品及绝缘鞋。
5)正确使用工具,用具及仪表。
3、竞赛方式与时间 1、竞赛方式为实际操作; 2、竞赛时间为25分钟;
3、在规定时间内完成操作,若出现分数相等的情况,以用时最短者优先。
L1
L2
L3
QF
L11L12L13KM1
L21L22L23
M 3~
U1V1W1
U2
V2W2
KM2
KM3
FU1
FU2
FR SB1
SB2
KM1KM2
KM3
KM2KM2
KT
KM1
KT
KT
FR
KM3
主电路图 PLC 接线图
I/O 分配数据记录表
输入
输出 名称
代号
输入点
名称
代号
输出点
停止按钮 SB1 X000 主接触器 KM1 Y000 启动按钮
SB2 X001 △接触器 KM2 Y001
Y 接触器
KM3
Y002。