广州地铁二号线列车空调系统分析
- 格式:pdf
- 大小:107.59 KB
- 文档页数:3
广州地铁车辆空气压缩机控制原理总结及比较广州地铁四条线车辆都是采用了克诺尔VV120空气压缩机,每列车上都配备了两台空压机,且都是由三相AC380V供电。
但是由于使用控制系统不同,各条线车辆空压机控制与监测有所不一样,以下具体结合电路图及控制逻辑图分析空气压缩机控制及检测原理。
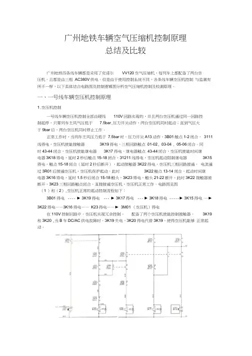
一、一号线车辆空压机控制原理1.空压机控制一号线车辆空压机控制全部由硬线110V回路实现的,并且两台空压机通过同一回路控制起停,只要列车主风气压低于7.5bar,压力开关动作,两台空压机同时起动;直到气压大于9bar后,两台空压机同时停止工作。
正常工作时,当列车主风压力低于7.5bar时,压力开关A13动作,3B01触点1-2闭合,3111线得电,空压机使能接触器3K19得电,三相回路触点01-02, 03-04 , 05-06闭合。
同时43-44闭合,空压机使能继电器3K17得电,继电器触点43-44闭合,空压机使能时间继电器3K18得电,延时2秒后触点15-18闭合,31211线得电,空压机起动限制继电器3K15得电,触点15-18闭合(延时2秒后断开),起动接触器3K22得电,空压机三相回路接通,电流通过3R01后接通空压机,空压机保护起动。
此时3K22触点13-14闭合,起动时间继电器3K16得电,延时1.5秒后闭合15-18触头,3K23得电,触头21-22断开,此时3K22 接触器被断开,3K23三相回路触点闭合,直接接通空压机,空压机正常工作。
电路图见图(1 )和(2),空压机正常的起动控制流程如下:3B01得电---- ► 3K19得电 --- ► 3K17得电 --- ► 3K18得电-----► 3K15得电一►3K22得电——3K16得电——K23得电——►3M01 (空压机)得电在110V控制回路中,空压机实现冗余控制,配备了两个空压机使能控制接触器,3K19和3K20 ,当B车DC/AC供电故障时,3K19失电,3K20得电代替3K19,使得空压机能够正常起动。
地铁列车空调用制冷剂节能分析龙 静Ξ 摘 要 随着城市轨道交通的发展,对列车空调的设计要求也在提高。
设计中不但要遵从《蒙特利尔协议》的规定,考虑温室效应和臭氧层破坏问题,还要考虑长期运营的能耗、节能要求。
分析了作为替代R22的两种制冷剂(R134a 和R407C )在能耗方面的差异。
R407C 具有节能优势。
关键词 地铁,列车空调,制冷剂,节能随着国内城市轨道交通事业的迅猛发展,地铁列车的设计水平和要求也更高了。
为了提供舒适的乘车环境,车辆就必须配备大功率的空调设备。
车辆空调系统不仅关系到乘客的舒适、安全性,而且直接影响投资和运营成本。
同时,随着人们对生存环境的不断认识和发现,也必须及时利用新技术来调和发展与环境的矛盾,采用新技术来控制和减少空调装置对“环境的负荷”,达到能源的有效利用和环境保护相统一。
所以,分析研究和解决车辆空调环保、节能问题是发展地铁交通的重要课题之一。
1 可能的替代物及特点地铁车辆通常采用单元式空调机组。
对其设备研究和开发的目标是:实现环保、高效节能、减少体积,达到低能耗、低噪声和提高可靠性。
由于机组制冷是通过制冷剂在系统中的循环流动而借助制冷剂自身热力状态变化与外界发生能量交换来实现,因此制冷剂的性质直接影响循环的技术经济指标,而且与制冷装置的特性及运行管理也有密切的关系。
R22由于热力性质优越,被广泛应用在铁路车辆空调上。
这种中压中温制冷剂的蒸发压力和冷凝压力适中,而且单位容积制冷量较大(相比R12大了50%左右)。
然而R22的热力性质虽优越,但按照《蒙特利尔协议》,HCFC 类制冷剂只能作为过渡性制冷剂,并要求发展中国家在2040年前停止使用。
可应用于常规制冷空调蒸发温度范围的有3种流体的天然制冷剂,即氨、二氧化碳、碳氢化合物。
这三者中,氨有着良好的热力性质,但目前用于压缩机和电机的材料不能和氨兼容,且其微小泄漏的气味难以被接受;二氧化碳则需找到一种可以在接近或超过临界点完成功耗运行的适当方法,是否能用在轨道车辆上还有待于试验研究;碳氢化合物却因易燃易爆的特性,暂不予以考虑。
论述地铁车辆空调系统的结构及典型故障案例解析地铁车辆空调系统是保障乘客出行舒适的重要系统之一,它由压缩机、蒸发器、冷凝器、温度感应器、控制系统等多个部分组成。
本文将从空调系统的结构和典型故障案例两个方面进行论述。
1. 压缩机:地铁空调系统中使用的压缩机一般为旋转式、涡旋式、螺杆式等多种类型,用于将低温饱和蒸汽压缩成高温高压的蒸汽。
2. 蒸发器:蒸发器是空调系统的核心部件,通过夺取车厢内的热量,使得车厢内形成低温、低湿度的舒适环境,它是热平衡的最终调节器。
在蒸发器中的低温、低压工质通常为R134a、R22等低温制冷剂。
3. 冷凝器:冷凝器是压缩机的接口,主要用于将高温高压工质冷却成温度较低的高压液态制冷剂。
冷凝器和蒸发器是直接相互作用的,通过它们之间的工质循环来实现热交换。
4. 温度感应器:在地铁空调系统中,温度感应器起到监测车内外温度的作用,它可以通过调节控制系统控制空调系统的运行情况,保障车内温度稳定在舒适范围。
5. 控制系统:目前地铁车辆空调系统一般采用微电脑控制系统,这种控制系统通过传感器检测到车内温度和湿度等信息,将它们转换成数字信号,然后交给控制器进行处理和判断,控制空调系统的工作状态,实现全新一代车载空调的自动控温调湿。
1. 系统漏氟或制冷剂不足在空调系统中,如果发现制冷效果不佳或者空气不凉,可能是系统漏氟或制冷剂不足引起的。
这时应该通过检查相关零部件,进行修理或更换部件,重新补充制冷剂。
2. 系统电气故障空调系统中的电气故障会导致控制系统工作异常或者空调系统无法启动。
因此,检查终端线路及电气连接器是否正常,重新检查电控系统的各个元件的工作状态,及时排除故障。
3. 系统管路堵塞空调系统中如果发现流量不足以及热量无法顺利传递的问题,可能是管路堵塞造成的。
通过检查管道的状态和相关零部件,清扫和维护管线,确保管道畅通。
综上所述,地铁车辆空调系统结构比较复杂,一旦出现故障,需要对系统进行细致的检查和修复,维护人员必须具备专业知识和技能,以确保车辆空调系统始终保持在最佳工作状态,并提供高品质的乘车服务。
摘要:针对广州地铁二号线车辆空调机组的低压故障进行分析,提出相应的解决措施,提高地铁列车舒适性,保证了广州地铁二号线的服务质量。
关键词:空调机组;低压故障;高压开关;改造中图分类号:U269文献标识码:A文章编号:1009-9492(2017)06-0148-03Cause Analysis and Treatment of Low Pressure Fault of AirConditioning Unit in Guangzhou Metro Line TwoZHANG Xiang(Guangzhou Metro Group ,Guangzhou 510000,China )Abstract:This article mainly aims at the Guangzhou metro line two vehicle air conditioning unit low pressure breakdown ,proposes thecorresponding solution measure ,enhances the subway train comfortableness ,guaranteed the Guangzhou subway line two service quality.Key words:air-conditioning unit ;low-voltage fault ;high-voltage switch ;reform广州地铁二号线车辆空调机组低压故障原因分析及处理张翔(广州地铁集团有限公司,广东广州51000)DOI:10.3969/j.issn.1009-9492.2017.06.044收稿日期:2017-02-190引言2003年6月28日广州地铁2号线首期工程三元里至晓港段正式开通,这是广州交通史上又一个重要的里程碑[1]。
二号线采用南车株洲电力机车有限公司的6节编组A 型铝合金车辆。
论述地铁车辆空调系统的结构及典型故障案例解析地铁车辆是城市轨道交通系统中的重要组成部分,其空调系统是保障乘客行车舒适性的重要设备之一。
空调系统的结构和工作原理对地铁车辆的运行安全和乘客的乘车体验都有着重要的影响。
本文将针对地铁车辆空调系统的结构和典型故障案例进行论述和分析,以期为相关技术人员和爱好者提供参考。
一、地铁车辆空调系统的结构地铁车辆空调系统的结构包括空调压缩机、冷凝器、蒸发器、膨胀阀、控制系统等几个主要部件。
下面将对这些部件进行详细的介绍。
1. 空调压缩机空调压缩机是地铁车辆空调系统的心脏,其作用是将低温低压的蒸汽吸入,压缩成高温高压的蒸汽,然后排出。
通常使用的是往复式压缩机或者涡旋式压缩机。
2. 冷凝器冷凝器是将高温高压的蒸汽冷凝成高压液体,使其温度和压力下降。
冷凝器通常由管道和散热器组成,通过冷却水或者风冷方式来实现散热。
3. 蒸发器蒸发器在地铁车辆空调系统中的位置是比较重要的,它起着将制冷剂液体转化为低温低压蒸发气体的作用。
这样乘客乘坐的地铁车辆内部空气通过蒸发器就会被制冷。
4. 膨胀阀膨胀阀是空调系统中负责控制制冷剂流速和压力的关键部件。
通过膨胀阀的控制,使得制冷剂在冷凝器和蒸发器之间形成压力差,实现制冷效果。
5. 控制系统控制系统是地铁车辆空调系统的大脑,它通过传感器对车厢内外温度、湿度等参数进行监测,实现对空调系统的自动控制。
控制系统还包括故障诊断和报警功能,能够对系统故障进行及时处理。
1. 制冷效果差常见的导致地铁车辆空调制冷效果差的原因有:制冷剂不足、蒸发器堵塞、冷凝器散热不良等。
解决方法包括及时添加制冷剂、清洗蒸发器、加强冷凝器散热等。
2. 制冷剂泄漏制冷剂泄漏可能导致地铁车辆空调系统制冷效果变差、压缩机过热等问题。
解决方法需要找到泄漏点并加以修复,然后重新添加制冷剂并进行系统排气。
3. 压缩机故障地铁车辆空调系统中常见的压缩机故障包括启动困难、运转异常噪音大等。
这时需要对压缩机进行检查维修或更换配件。
论述地铁车辆空调系统的结构及典型故障案例解析地铁车辆是现代城市交通系统的重要组成部分,其空调系统对乘客乘坐舒适度和行车安全起着至关重要的作用。
空调系统的结构及典型故障案例解析对于地铁运营和乘客乘坐体验具有重要意义。
一、地铁车辆空调系统的结构地铁车辆空调系统主要由空调压缩机、冷凝器、蒸发器、膨胀阀、控制面板、风口、风扇等部件组成。
空调压缩机是整个系统的核心,负责压缩制冷剂并将其输送到冷凝器;冷凝器通过散热将高温高压的制冷剂气化成高温高压气体;蒸发器则通过制冷剂的蒸发来吸收车厢内热量,起到降温的作用;膨胀阀是控制制冷剂流速及减压的装置,有效控制蒸发器内的压力及流速;风口和风扇则是将制冷剂经过蒸发器降温后的空气送入车厢。
地铁车辆空调系统的结构简单明了,但要保证其正常运行却并不容易。
下面我们将以典型的故障案例为例,来具体分析地铁车辆空调系统的典型故障及解决方案。
二、典型故障案例解析1. 压缩机故障压缩机作为空调系统的核心零部件,一旦出现故障,整个系统将无法正常运行。
压缩机的故障原因可能是机械部件磨损、漏气、过载等。
当乘客反映车厢内空调不制冷或者异响时,可能是因为空调压缩机出现故障。
解决方案:首先需要关闭空调系统,及时对压缩机进行检修,并根据具体情况更换磨损部件或调整机械结构。
在更换部件或进行机械维修后,需进行系统压力测试,确保压缩机恢复正常运行。
2. 制冷剂泄漏制冷剂是地铁车辆空调系统中的重要介质,一旦发生泄漏将导致系统无法正常运行,严重时还会对环境造成污染。
解决方案:首先需要及时停止系统运行,并对车厢内和空调系统进行排查,找出泄漏点后进行处理,通常是更换密封件或修复制冷剂管路。
处理完泄漏点并加注新制冷剂后,需要对系统进行真空抽取和制冷剂压力测试,确保系统运行正常。
3. 膨胀阀故障膨胀阀是控制制冷剂流速及减压的关键零部件,一旦出现故障将导致系统制冷效果不佳或者出现制冷剂液态过多的情况。
4. 风口堵塞在实际运行过程中,由于乘客带入或车内灰尘、纸屑的堵塞,风口可能会受到阻塞,导致空气流通不畅,影响车厢内的通风降温效果。
广州地铁2 号线风机控制的改进方案Part 1. 提纲I. 风机控制的重要性与现状II. 现存问题与技术难点III. 改进方案的技术路线IV. 实际应用效果与成本分析V. 未来的发展展望Part 2. 各提纲分析I. 风机控制的重要性与现状地铁2号线是广州市的一条重要的交通线路,其正常运营对整个城市的交通系统和经济发展具有重要的影响。
然而,在地铁建设过程中,地下环境的特殊性质使得很多传统的设备和技术无法完全适用。
特别是作为排气和空气循环的风机系统,需要在极端条件下稳定运行,同时要求控制精度高,噪声小,耗能低,故相关专家必须对其进行深入研究。
II. 现存问题与技术难点目前,地铁2号线的风机系统存在以下问题:1. 噪声大。
地铁环境密闭且噪音敏感,风机的噪音已经严重降低了交通系统的舒适性和运营效率。
2. 能耗高。
高功率的风机系统需要大量稳定的能源支持,而这些能源对环境的影响已经成为社会关注的问题之一。
3. 控制精度不高。
传统的控制方式易受谐振、线路波动等因素的影响,而导致风机系统的稳定性和效率下降。
4. 维护成本高。
地下环境使得风机系统的维护工作大大困难化,维护成本也就因此变得更加高昂。
我们需要在这些问题上寻找技术突破点,使得风机系统能够更好地适应环境要求。
III. 改进方案的技术路线针对上述问题,我们的改进方案可以从以下几个方面进行:1. 基于新型材料的噪音控制。
新型材料的发展可以有效地降低传统风机系统的噪音问题,并重新制定符合地铁2号线环境要求的噪音标准。
2. 重点考虑能效性。
利用智能控制系统,将风机的功率自适应地调控到最优,从而实现能源的节约与环保。
3. 高精度的控制策略。
采用最新的PID算法等自适应控制技术,可以提高风机系统的控制精度和抗干扰能力,增加系统的稳定性和效率。
4. 室内外协同运维。
引入远程监控与管理技术,实现地铁2号线风机的实时监测和无人值守运维,降低了机械故障的发生和修理所需的时间与人力成本。
地铁通风空调系统技术分析地铁作为大城市中公共交通的重要组成部分,其舒适性和安全性一直是广大乘客所关注的问题。
其中,通风空调系统技术是地铁车厢内的主要设备之一,它直接关系到车厢的通风换气和温度控制,是保障乘客舒适度和健康安全的重要手段。
本文将从技术角度对地铁通风空调系统进行分析和探讨,以期帮助读者更深入了解地铁通风空调系统的运作原理和优化方案。
一、地铁通风空调系统概述地铁通风空调系统主要由空调设备、通风设备、控制系统和输送管道组成,其基本工作原理是在车厢内外隔离的前提下,将外界新鲜空气通过换气设备引入车厢,利用空调设备对车厢内空气进行循环大气条件下达到一定的温度和湿度。
通风系统是地铁车厢内的主要设备之一,它的作用是通过排风和引风系统,使车厢内外的气体进行交换和对流,保证车厢内空气的新鲜度和舒适度。
其中,排风设备主要是通过车厢顶部的排风口将车厢内的废气排出,而引风设备则是通过车厢底部的进风口将外界新鲜空气引入车厢。
通风系统的设计和运行,需要根据地铁车厢的不同特点和所处环境进行灵活调整,以达到最佳的通风效果。
空调系统是地铁车厢内的另一个重要设备,它的作用是通过冷热源和送风系统对车厢内的空气进行温度控制和循环处理。
其中,冷热源负责提供制冷或制热的能源,送风系统则是将处理好的空气通过送风口喷入车厢内,形成一定的气流环境。
与通风系统相比,空调系统的控制和调节更为复杂,需要运用先进的控制算法和智能化技术手段,以确保车厢内温度和湿度稳定。
控制系统是地铁通风空调系统的核心,它的作用是对通风和空调设备进行智能化和自动化控制。
控制系统由中央控制器、传感器和执行器等组成,通过各种传感器对车厢内外环境进行实时监测和测量,将数据传送至中央控制器进行处理和分析,最后通过执行器对各个设备进行控制。
控制系统的优化和运行稳定性对地铁通风空调系统的正常运作至关重要。
输送管道是地铁通风空调系统的传输通道,它的作用是将新鲜空气和处理好的空气分别输送至通风和空调设备。
广州地铁大型空调系统中组合式空调机组设计调试分析张志明(广州市南华西中央空调设备有限公司)摘 要 本文在对广州地铁组合式空调机组现场调试中,总结出地铁组合式空调机组的特点和要求;对如何实现这些要求,提出了一些意见和办法。
关键词 地铁 组合式空调机组DESIGN AN D ANALYZE AIR HAN DL ING UNIT FORAIR CON DITIONING SYSTEM OF UN DERGR OUN D RAI LWAYZHAN G ZhimingABSTRACT This article summary to characteristics and request of air handling unit of under2 ground railway in Guangzhou underground railway testing on the spot.And puts forward solv2 ing methods for how to realize this requestKE Y WOR DS underground railway air handling unit 随着现代建筑业的飞速发展,因节能降耗、管理运行的需要,新兴大型建筑群中多采用大型集中送风空调系统,尤其是高标准建筑采用楼宇控制系统时,大型组合式空调机组的应用越来越普及,甚至采用机组群集中送风。
由于采用机组群集中送风,且需根据季节切换多种运行模式,整个送风系统变得十分复杂,如广州地铁站空调系统采用集中控制,区域空调面积大,冷、风负荷大,单一区域风量达到二十多万,因采用多种运行模式以适合全年性空调、通风,且受建筑场地高度所限,风系统设计中采用了多台式机组并联运行的方案。
并联机组前后设静压室和混合室,实现集中送风、回风和空调新风的补充。
机组必须全部满足并联运行时全新风通风、空调以及单开一台组合机组时的全新风通风、空调的多工况要求。
广州地铁通风空调系统设计
前言
随着广州地铁一号线于1997年的开通,地铁的客运量大、速度快、安全准点以及舒适的特点日益显现出来,并迅速得到了广大市民的欢迎,取得了巨大的经济和社会
202,位
,为
口设于中部南北两侧,本车站南北两侧各有六个风亭。
整个车站呈一个古字"车"形。
车站总布置详见附图1。
根据隧道通风系统的要求,在车站两端布置相应的隧道通风设备。
根据地铁运营环境要求,在车站站厅站台的公共区部分设置通风空调和防排烟系统,正常运行时为乘客提供过渡性舒适环境,事故状态时迅速组织排除烟气(简称大系统)。
根据
地铁设备管理用房的工艺要求和运营管理要求设置通风空调和防排烟系统,正常运行时为运营管理人员提供舒适的工作环境和为设备正常工作提供必需的运行环境,事故状态时迅速组织排除烟气(简称小系统)。
地铁二号线采用集中供冷站负责向各车站提供冷冻水,全线设四个集中供冷站,新港东站由赤沙供冷站负责。
各车站设计单位只负责本站内空调设计,集中供冷站由
1.
26.9℃,
2.
29
需空调的管理,设备用房:t=27℃ф=45~65%
只需通风的管理,设备用房:t≤35℃ф=45~65%。
论述地铁车辆空调系统的结构及典型故障案例解析地铁车辆空调系统是地铁列车运行中不可或缺的组成部分,它不仅能够为乘客提供舒适的乘车环境,还能保障列车设备的正常运行。
本文将围绕地铁车辆空调系统的结构及典型故障案例展开论述,以便对该系统有一个更加深入的了解。
一、地铁车辆空调系统的结构地铁车辆空调系统通常由空调主机、送风系统、回风系统、控制系统、电源系统等几大部分组成。
下面将对其进行逐一介绍。
1. 空调主机空调主机是地铁车辆空调系统的核心部件,一般装在车体的顶部或底部。
它通过循环制冷剂的方式,将车厢内部的热空气吸入,经过冷却后再送出冷风,以维持车厢内部的舒适温度。
2. 送风系统送风系统是将冷风从空调主机送入车厢的部件,它包括风道、风口和送风机等。
通常送风系统会将冷风通过多个风口均匀地送入车厢内,确保整个车厢内的温度一致。
3. 回风系统回风系统则是将车厢内部的热空气吸回空调主机进行冷却循环的部件,它包括回风口、回风道和回风风机。
通过回收车厢内部的热空气,可以提高空调系统的能效比,降低制冷能耗。
4. 控制系统控制系统是地铁车辆空调系统的大脑,它包括传感器、控制器、执行机构等部件。
控制系统能够感知车厢内部的温湿度变化,实现对空调系统的自动控制,保障车厢内的舒适度。
5. 电源系统电源系统是为地铁车辆空调系统提供电能的部件,它包括主电源线路、电源开关、UPS等。
稳定可靠的电源系统对于地铁车辆空调系统的运行至关重要,一旦出现故障可能会影响整个车辆的正常运行。
二、典型故障案例解析虽然地铁车辆空调系统经过精心设计和维护,但在使用过程中难免会出现一些故障。
下面将对地铁车辆空调系统的典型故障案例进行分析和解析,以便更好地了解系统的运行特点。
1. 制冷剂泄漏制冷剂泄漏是地铁车辆空调系统常见的故障之一,一旦发生制冷剂泄漏,不仅会导致空调效果减弱,还可能对环境造成污染。
通常制冷剂泄漏的原因有制冷管道老化、焊接点开裂等。
应对这一故障,需要及时对制冷管道进行检修和更换。
广州地铁二号线空调系统改造可行性研究与节能效果预测摘要:地铁的客运量大、速度快、安全准点以及舒适的特点日益显现出来,并迅速得到了广大市民的欢迎,取得了巨大的经济和社会效益。
加强对地铁的研究有助于我们更好的服务于城市建设,本文介绍了广州地铁二号线车辆空调系统的改进的背景条件、空调系统的通风、空调机组、自动控制系统等结构,并且针对存在的不足,提出改进意见。
关键词:地铁;空调系统改造;可行性;节能效果中图分类号:u231+.3文献标识码:a 文章编号:一:背景条件概述随着国内外能源短缺的困境日益突显,在国际上,节能减排已经从”倡导理念”层而深化进入到“身体力行”层面,中国是全球最大发展中国家,其gdp在全球所占的比例与其能源消耗不成正比,用能效率与发达国家相比仍有很大差距,我国节能成排降耗工作任重道远,在政府部门的业绩考核指标中,碳排放指标已经成为一个重要的指标。
据不完全统计,我国每年比发达国家多消耗1768.3亿千瓦时的电能,这其中空调和制冷设备的电力消耗根据区域不同,约占总电力消耗的20%~40%,而中央空调又是其中的重中之重。
近10年来空调的用电负荷以30%的速度增长。
分析建筑能耗成,一般中央空调能耗约占整个建筑总能耗的50%以上,对于商场和综合大楼则高达60%以上。
在欧美等一些发达国家中央空调耗电量甚至占了其城市用电总量的1/3以上,所以中央空调系统的节能非常重要。
广州地铁二号线采用集中冷站水冷式冷水机组制冷给空调末端供应冷水的方式进行以人体舒适性为目的的空气调节,投入运行以来现有的系统主要存在以下的运行问题:1. 末端站台或站厅的空调不能达到设计的湿度要求;2. 无论冷冻水、冷却水,水量普遍偏大。
显然,系统的输送能耗高于设计值。
因此,对广州地铁二号线的空调系统进行的节能改造,即要解决空调质量的问题,还要求系统在最节能的条件下运行。
二:系统节能改造的关键问题针对中央空调的节能研究,国内外的研究及施重点为三个方面:1、主机的节能,主机的节能研究方向分为两个方面a、节能冷媒的研究b、主机的变频2、水系统的变频节能3、送风系统的变频节能在上述几个节能研究方向中,每一个方向都有比较深入细致的结论,做为节能应用的指导理论。
地铁空调工作原理
地铁空调工作原理主要是通过循环冷却系统来实现的。
首先,空调系统里有一个压缩机,它将低温低压的制冷剂吸入,然后通过压缩使其温度和压力升高。
接下来,制冷剂进入冷凝器,这是一个由金属板组成的散热器。
当热空气经过冷凝器时,制冷剂中的热量会被散发到周围空气中,从而将制冷剂的温度降低到室外环境的温度。
此时,制冷剂处于高压液态状态。
接下来,制冷剂流入膨胀阀,这是一个细小的管道,通过它使制冷剂的压力和温度迅速降低。
这样一来,制冷剂进入蒸发器时将变为低压蒸发态。
在蒸发器内,制冷剂会吸热,从而吸收车厢内的热量。
当空气接触到蒸发器表面时,浸泡其中的制冷剂会将热量带走,从而降低车厢内的温度。
随后,制冷剂再次流入压缩机,整个循环过程重新开始。
通过这样的循环过程,地铁空调能够持续调节车厢内的温度,使乘客感受到舒适的环境。
尽管电力驱动的压缩机消耗了一定的能量,但地铁空调系统通常会采用一些节能措施,如定时开关和自动控温,以减少能源的浪费。
这样,地铁乘客就能够在通勤过程中获得较为舒适的乘坐体验。