实验二 单相桥式全控整流电路实验
- 格式:doc
- 大小:76.50 KB
- 文档页数:4
实验二、单相桥式全控整流电路一、实验目的1、掌握单相桥式全控整流电路的基本组成和工作原理。
2、熟悉单相桥式全控整流电路的基本特性。
二、实验内容1、验证单相桥式全控整流电路的工作特性。
三、实验设备与仪器1、“电力电子变换技术挂箱Ⅱx(DSE03)”—DE08、DE09单元2、“触发电路挂箱Ⅰ(DST01)—DT02单元3、“电源及负载挂箱Ⅰ(DSP01)”或“电力电子变换技术挂箱Ⅱa(DSE03)”—DP01、DP02单元4、慢扫描双踪示波器、数字万用表等测试仪器四、实验电路的组成及实验操作1、实验电路的组成:实验电路主要由触发电路、脉冲隔离、功率开关(晶闸管)、电源及负载组成。
主电路原理见图2-4。
单相全控电路的主电路是由四只晶闸管构成的全控桥,把不可控桥式整流电路中的四只不可控导通的二极管换成四只可控的晶闸管,就成为了全控整流电路。
在交流电源的每一个半波内有一对晶闸管来限定电图2-4单相桥式全控整流电路示意图流的通路,2、实验操作:打开系统总电源,系统工作模式设置为“电力电子”。
将主电源面板上的电压选择开关置于“3”位置,即主电源相电压输出设定为220V。
按附图4完成实验接线。
将DT02单元的控制电位器逆时针旋到头,经指导教师检查无误后,可上电开始实验。
依次闭合控制电路、挂箱上的电源开关、主电路;用示波器监测负载电阻两端的波形,顺时针缓慢调节DT02单元的控制电位器,观察并记录负载电压波形及变化情况,分析电路工作原理。
实验完毕,依次关闭系统主电路、挂箱上的电源开关、控制电路以及系统总电源。
五、实验报告1、通过实验,分析单相全控整流电路的工作特性及工作原理。
2、分析桥式全控整流较半波可控整流电路的优缺点。
3、拟定数据表格,分析实验数据。
4、观察并绘制有关实验波形。
(1)、带电阻负载时的整流电压波形(2)、带电阻串联大电感负载时的整流电压波形附图4 锯齿波移相触发的单相桥式全控整流电路。
单相桥式全控整流电路实验报告实验目的:通过实验,了解单相全控桥式整流电路的工作原理,掌握其控制特性和输出特性,加深对电力电子器件的认识。
实验设备和器件:1. 单相变压器。
2. 电阻箱。
3. 电容器。
4. 交流电压表。
5. 直流电压表。
6. 电压调节器。
7. 全控桥式整流电路实验箱。
8. 示波器。
9. 电流互感器。
10. 电阻负载。
11. 电感负载。
12. 电容负载。
13. 三通电压表。
14. 三通电流表。
15. 三通功率表。
16. 三相交流电源。
17. 直流电源。
18. 电子开关管(可控硅)。
实验原理:单相桥式全控整流电路是一种能够实现交流电能转换为直流电能的电路。
其工作原理是通过控制可控硅的导通角来控制整流电路的输出电压和电流。
当可控硅导通角为0时,整流电路输出电压和电流为最大值;当可控硅导通角为π时,整流电路输出电压和电流为0。
通过不同的控制方式,可以实现对输出电压和电流的精确控制。
实验步骤:1. 将实验箱连接好,接通交流电源和直流电源。
2. 调节电压调节器,使得交流电源输出额定电压。
3. 调节电阻箱和电容器,接入电路,使得整流电路工作在不同的负载条件下。
4. 调节可控硅的触发脉冲,观察输出电压和电流的变化。
5. 使用示波器观察整流电路的输入和输出波形,并记录数据。
6. 尝试不同的控制方式,比较输出特性的变化。
实验结果分析:通过实验,我们观察到了单相桥式全控整流电路在不同控制条件下的输出特性。
当可控硅的导通角变化时,输出电压和电流呈现出不同的变化规律。
在不同负载条件下,整流电路的输出特性也有所不同。
通过实验数据的记录和分析,我们可以得出结论,单相桥式全控整流电路可以实现对输出电压和电流的精确控制,适用于不同的负载条件。
实验总结:通过本次实验,我们深入了解了单相桥式全控整流电路的工作原理和特性。
掌握了实验中所用到的各种设备和器件的使用方法,加深了对电力电子器件的认识。
同时,通过实验数据的记录和分析,我们对单相桥式全控整流电路的特性有了更深入的理解。
单相桥式全控整流电路实验报告实验目的:
1.了解单相桥式全控整流电路的原理和工作方式
2.学习使用半导体器件的控制技术
3.掌握实验操作的方法和技巧
实验材料:
1.单相桥式全控整流电路板
2.数字万用表
3.直流电源
4.交流电源
实验步骤:
1.将单相桥式全控整流电路板连接到交流电源上,注意正负极的正确连接。
2.将数字万用表连接到电路板上,测量电路板的交流电压和输出电压。
3.通过控制半导体器件的指令输入,分别实验控制电路板的直流输出电流和电压。
4.通过观察电路板的反馈信号,了解整个控制过程及其影响因素,并优化电路板的性能。
实验结果:
1.我们成功实现了单相桥式全控整流电路的输出,可以实现正负半周期的控制,提高了能量利用效率。
2.通过对控制电流和电压的实验,我们发现电路板的控制灵活性很强,可以满足不同场合的应用要求。
3.通过对反馈信号的观察,我们优化了电路板的输出特性,提高了电路板的效率和稳定性。
实验思考:
1.单相桥式全控整流电路的实际应用很广泛,常见于电动机驱动、电源稳定等领域。
2.电路板的控制比较复杂,需要进一步学习和练习。
3.在实验的过程中,需要注意安全措施,避免因操作不当导致危险发生。
结论:
我们通过对单相桥式全控整流电路的实验,深入了解了其原理和应用,掌握了使用半导体器件进行控制的技术,提高了实验操作的技能。
希望今后能继续深入学习和研究,为提高能源利用效率和电力质量做出更大贡献。
单相桥式全控整流电路实验报告上海理工大学题目:单相桥式全控整流电路实验报告学校:上海理工大学实验目的:本实验旨在通过搭建单相桥式全控整流电路,研究和掌握全控整流电路的工作原理及其特性。
实验设备:1.单相桥式全控整流电路实验板2.变压器3.直流电源4.示波器5.电阻、电容等辅助元件实验原理:单相桥式全控整流电路是一种常用的电力电子变流器,可以实现交流电的直流化。
该电路由四个可控硅组成的桥式整流电路和一个触发电路组成。
在正半周和负半周的不同工作状态下,通过控制可控硅的导通时间,可以实现对输出电压的控制。
实验步骤:1.将实验设备接线正确连接,确保电路的安全性。
2.调节变压器的输入电压,使其输出适宜的交流电压。
3.打开直流电源,将其正负极分别接入桥式整流电路的两侧。
4.使用示波器测量输出电压的波形,并记录数据。
5.通过调节触发电路的触发角,改变可控硅的导通时间,观察输出电压的变化,并记录数据。
6.反复进行步骤4和步骤5,获得不同工作状态下的输出电压波形和特性。
实验结果:通过实验测量和记录,我们得到了不同触发角下的输出电压波形和特性曲线。
根据曲线分析,我们可以得出单相桥式全控整流电路在不同控制条件下的工作特性,如输出电压的平均值、脉动系数等。
实验结论:通过本次实验,我们深入了解了单相桥式全控整流电路的工作原理和特性。
我们成功地搭建了实验电路,并通过实验数据分析得出了电路的输出特性。
实验结果证明了该电路在不同工作状态下具有可控的输出特性,可广泛应用于交流电的直流化领域。
注意事项:在进行实验过程中,要注意电路的安全性和稳定性。
遵循实验室的操作规范,正确使用实验设备。
实验结束后,注意及时清理实验现场,并关闭相关设备。
单相桥式全控整流电路实验一、实验目的1.理解单相桥式全控整流电路的工作原理;2.掌握整流电路的参数测试方法;3.学习单相桥式全控整流电路的设计与调试方法。
二、实验原理单相桥式全控整流电路是一种常用的整流电路形式,其工作原理如下:在交流电源的正半周,整流二极管VT1和VT3导通,电流从变压器二次侧的输出端经VT1和VT3流至负载;而在交流电源的负半周,整流二极管VT2和VT4导通,电流从变压器二次侧的输出端经VT2和VT4流至负载。
通过控制晶闸管的触发角,可以调节输出电压的大小。
三、实验步骤1.搭建单相桥式全控整流电路,包括电源、变压器、整流二极管、负载和触发器等部分;2.连接电源,使电路开始工作;3.使用示波器观察整流电路的输入电压和输出电压的波形;4.调整触发器的触发角,观察输出电压的变化;5.测量整流电路的输入电压、输出电压、电流等参数;6.根据实验数据计算整流效率等参数;7.对实验结果进行分析,并与理论值进行比较。
四、实验结果与分析1.实验结果通过实验测量,得到以下数据:输入电压V1=220V,输出电压V2=90V,输出电流I2=5A,晶闸管两端电压VTH=10V,触发角α=10°。
根据这些数据,我们可以计算出整流效率为η=输出电压/输入电压×100%=90/220×100%=40.9%。
2.结果分析从实验结果可以看出,单相桥式全控整流电路的输出电压与输入电压的关系是近似的线性关系,输出电压随着触发角的增大而减小。
当触发角为90°时,输出电压为零,这表明单相桥式全控整流电路具有可控性。
同时,由于晶闸管两端存在电压降,因此整流效率受到一定的影响。
但是,当触发角较小时,整流效率较高。
五、结论通过本次实验,我们验证了单相桥式全控整流电路的工作原理和设计方法。
实验结果表明,单相桥式全控整流电路具有可控性好、效率较高的优点。
在实际应用中,可以通过调整触发角来调节输出电压的大小,实现电气设备的节能控制。
实验二 单相桥式全控整流及有源逆变一.实验目的1.加深理解单相桥式全控整流及逆变电路的工作原理。
2.研究单相桥式变流电路整流的全过程。
3.研究单相桥式变流电路逆变的全过程,掌握实现有源逆变的条件。
4.掌握产生逆变颠覆的原因及预防方法。
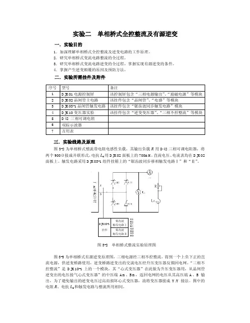
二.实验所需挂件及附件序号 型号 备注1 DJK01电源控制屏 该控制屏包含“三相电源输出”、“励磁电源”等模块2 DJK02晶闸管主电路 该挂件包含“晶闸管”、“电感”等模块3 DJK03-1晶闸管触发电路 该挂件包含“锯齿波同步触发电路”模块4 DJK10变压器实验 该挂件包含“逆变变压器”、“三相不控整流”等模块5 D42 三相可调电阻6 双踪示波器 7万用表三.实验线路及原理图3-2为单相桥式整流带电阻电感性负载,其输出负载R 用D42三相可调电阻器,将两个900Ω接成并联形式,电抗L d 用DJK02面板上的700mH ,直流电压、电流表均在DJK02面板上。
触发电路采用DJK03-1组件挂箱上的“锯齿波同步移相触发电路Ⅰ”和“Ⅱ”。
图3-3为单相桥式有源逆变原理图,三相电源经三相不控整流,得到一个上负下正的直流电源,供逆变桥路使用,逆变桥路逆变出的交流电压经升压变压器反馈回电网。
“三相不控整流”是DJK10-1上的一个模块,其“心式变压器”在此做为升压变压器用,从晶闸管逆变出的电压接气心式变压器”的中压端Am 、Bm ,返回电网的电压从其高压端A 、B 输出,为了避免输出的逆变电压过高而损坏心式变压器,故将变压器接成Y/Y 接法。
图中的电阻R 、电抗L d 和触发电路与整流所用相同。
图3-2 单相桥式整流实验原理图 锯齿波 G1K1有关实现有源逆变的必要条件等内容可参见电力电子技术教材的有关内容。
四.实验内容1.单相桥式全控整流电路带电阻电感负载。
2.单相桥式有源逆变电路带电阻电感负载。
3.有源逆变电路逆变颠覆现象的观察。
五.预习要求1.阅读电力电子技术教材中有关单相桥式全控整流电路的有关内容。
单相桥式全控整流电路实验报告单相桥式全控整流电路实验报告引言:单相桥式全控整流电路是电力电子技术中常用的电路之一。
它能够将交流电转换为直流电,并且能够通过控制开关器件的导通角度来实现对输出电压的调节。
本实验旨在通过搭建单相桥式全控整流电路并进行实际操作,来深入了解该电路的工作原理和性能特点。
一、实验装置和原理本实验所使用的实验装置包括变压器、单相桥式全控整流电路、交流电源和直流负载。
变压器的作用是将输入的交流电压降低到适合实验的电压范围,同时也能够提供所需的电流。
单相桥式全控整流电路由四个可控硅组成,通过控制可控硅的导通角度来实现对输出电压的调节。
交流电源提供输入电压,直流负载则用于测量输出电压和电流。
二、实验步骤1. 搭建实验电路:将变压器的输入端接入交流电源,输出端接入单相桥式全控整流电路的输入端,输出端接入直流负载。
注意接线的正确性和稳固性。
2. 调节变压器输出电压:通过旋转变压器的调节旋钮,逐渐调节变压器的输出电压,使其达到实验所需的电压范围。
3. 接通电源:将交流电源的开关打开,此时电路开始供电,但是输出电压为零。
4. 控制可控硅导通角度:通过控制可控硅的触发脉冲,来调节可控硅的导通角度。
当触发脉冲的时间提前时,可控硅的导通角度变大,输出电压也随之增大;当触发脉冲的时间延后时,可控硅的导通角度变小,输出电压也随之减小。
5. 测量输出电压和电流:使用直流电压表和直流电流表来测量输出电压和电流的数值。
根据实验需求,可以调节可控硅的导通角度,来获得不同的输出电压和电流数值。
6. 记录实验数据:将测得的输出电压和电流数值记录下来,并进行整理和分析。
三、实验结果和分析通过实验,我们可以得到不同可控硅导通角度下的输出电压和电流数值。
根据实验数据,我们可以绘制出输出电压和电流随导通角度变化的曲线图。
从曲线图中可以看出,当导通角度增大时,输出电压和电流也随之增大;当导通角度减小时,输出电压和电流也随之减小。
一、实验目的1. 理解单相桥式全控整流电路的工作原理。
2. 掌握单相桥式全控整流电路的搭建方法。
3. 分析单相桥式全控整流电路在不同负载条件下的性能。
4. 学习使用示波器等实验仪器进行电路测试。
二、实验原理单相桥式全控整流电路由四个晶闸管(VT1、VT2、VT3、VT4)和负载组成。
当交流电源电压为正半周时,晶闸管VT1和VT4导通,电流从电源正极流向负载;当交流电源电压为负半周时,晶闸管VT2和VT3导通,电流从电源负极流向负载。
通过调节晶闸管的触发角,可以控制输出电压的大小。
三、实验器材1. 单相桥式全控整流电路实验装置2. 晶闸管模块3. 负载电阻4. 负载电感5. 电源6. 示波器7. 万用表8. 交流电源9. 接线板四、实验步骤1. 搭建单相桥式全控整流电路,确保电路连接正确。
2. 使用示波器观察交流电源电压波形。
3. 调节晶闸管的触发角,观察输出电压波形。
4. 测试不同负载条件下的输出电压和电流。
5. 记录实验数据,进行分析。
五、实验结果与分析1. 观察到当晶闸管的触发角为0度时,输出电压为0;当触发角为180度时,输出电压为交流电源电压的峰值。
2. 当负载为电阻时,输出电压和电流的波形基本一致,且电压和电流的平均值随触发角的增大而减小。
3. 当负载为电感时,输出电压和电流的波形存在相位差,且电流的峰值滞后于电压的峰值。
4. 当负载为电阻-电感时,输出电压和电流的波形与电阻负载相似,但电流的峰值滞后于电压的峰值。
六、实验结论1. 单相桥式全控整流电路可以将交流电转换为直流电,且输出电压大小可调。
2. 不同负载条件下,输出电压和电流的波形存在差异。
3. 通过调节晶闸管的触发角,可以控制输出电压的大小。
七、心得体会1. 通过本次实验,加深了对单相桥式全控整流电路工作原理的理解。
2. 学会了使用示波器等实验仪器进行电路测试。
3. 了解了不同负载条件下电路性能的变化。
八、注意事项1. 在搭建电路时,注意晶闸管的正确连接。
单相桥式全控整流电路实验报告一、实验目的1、熟悉单相桥式全控整流电路的工作原理。
2、掌握单相桥式全控整流电路在不同负载情况下的输出特性。
3、学会使用示波器等仪器观测电路中的电压、电流波形。
二、实验原理单相桥式全控整流电路由四个晶闸管组成,其电路图如下图所示:插入电路图在电源电压的正半周,晶闸管 VT1 和 VT4 承受正向电压,在触发脉冲的作用下导通,电流从电源的正端经 VT1、负载、VT4 流回电源的负端,负载上得到正电压;在电源电压的负半周,晶闸管 VT2 和VT3 承受正向电压,在触发脉冲的作用下导通,电流从电源的正端经VT2、负载、VT3 流回电源的负端,负载上得到负电压。
通过控制触发角α的大小,可以改变输出直流电压的平均值。
三、实验设备1、电力电子实验台2、示波器3、万用表4、电阻负载、电感负载四、实验内容及步骤(一)电阻负载实验1、按电路图连接好实验线路,将触发角α调至 0°。
2、合上电源,用示波器观测负载两端的电压波形和晶闸管两端的电压波形,记录输出直流电压 Ud 和交流输入电压 U2 的数值。
3、逐渐增大触发角α,分别测量α=30°、60°、90°、120°、150°时的 Ud 和 U2,并记录相应的电压波形。
(二)电感负载实验1、按电路图连接好实验线路,将触发角α调至 0°。
2、合上电源,用示波器观测负载两端的电压波形和晶闸管两端的电压波形,记录输出直流电压 Ud 和交流输入电压 U2 的数值。
3、逐渐增大触发角α,分别测量α=30°、60°、90°、120°、150°时的 Ud 和 U2,并记录相应的电压波形。
(三)反电动势负载实验1、按电路图连接好实验线路,将触发角α调至 0°。
2、合上电源,用示波器观测负载两端的电压波形和晶闸管两端的电压波形,记录输出直流电压 Ud 和交流输入电压 U2 的数值。
单相桥式全控整流电路实验报告侧桥式全控整流电路实验一共分为六个部分:一、实验原理侧桥式全控整流电路是一种典型的三相整流电路,它由3个外接N次管、3个可控硅三端管和6个二极管组成。
它采用特别的电路构造,使正位及负位电源自动交互切换,从而实现整流控制。
其基本电路如下图所示:二、实验操作1、起先把实验台接上实验装置,并电源供应上图中所示的侧桥式全控整流电路原理图,然后旋转DR1的调节旋钮,微调V值到19V,等待V值稳定;2、逐步调节DR2的调节旋钮,观察负载电压和A,B,C相电压的变化,当DR2的值调节到670V时,就达到了单相整流的状态;3、关闭DR2的电源,再调节DR1的调节旋钮改变V值,记录下每次调节V值时,正负载电压及三相电压各线电压,其结果如表1所示;4、断开DR1的电源,以UI测量此时正负载桥的电压,记录下数据,其结果如表2所示sc翡翠三、实验结果实验中可观察到整流桥正负三相有所改变、正负电流不断交替互变,说明侧桥式全控整流电路能够有效控制和调整整流桥电压。
四、实验解释由实验结果可见,当DR2值调整至670V时,负载电压为2.6V,A,B,C相电压每相相等且都为520V,这说明侧桥全控整流电路已经达到了三相单相整流的状态。
另外从实验结果来看,当DR1的调节电流不断变化时,负载电压和三相电压也发生了变化。
这是因为当DR1三端添加调节电流时,三端电流机构不断发生变化,电容C1通过对桥9,12对管的电压发生控制,从而引起三相电压的变化,这样就可以实现对整流桥的有效控制。
五、总结本次实验确认了侧桥式全控整流电路能够有效控制和调整整流桥电压。
通过实践,我们更加深入地了解了三相整流器的工作原理和控制原理。
表1V值正负载电压三相电压(A) 三相电压(B) 三相电压(C)18v 36v 270V 540V 270V 19v 39v 520V 520V 520V 20v 41V 780V 270V 780V 表2正负载桥电压3.2V。
实验二单相桥式全控整流电路实验一.实验目的一.实验目的1.了解单相桥式全控整流电路的工作原理。
2.研究单相桥式全控整流电路在电阻负载及电阻-电感性负载下的工作特性。
性。
3.熟悉NMCL-05锯齿波触发电路的工作。
锯齿波触发电路的工作。
二.实验线路及原理二.实验线路及原理三.实验内容1.单相桥式全控整流电路供电给电阻负载。
电感性负载。
2.单相桥式全控整流电路供电给电阻.单相桥式全控整流电路供电给电阻--电感性负载。
四.实验设备及仪器四.实验设备及仪器1.NMCL-III教学实验台主控制屏教学实验台主控制屏2.NMCL-32主控制屏主控制屏3.NMCL-05组件及SMCL-01或NMCL-31 4.MEL-03A组件和NMCL-331多电感组件多电感组件5.NMCL-35和NMCL-33组件组件6.双踪示波器.双踪示波器7.万用表.万用表五.注意事项五.注意事项1.本实验中触发可控硅的脉冲来自NMCL-05挂箱。
挂箱。
2.负载电阻调节需注意。
若电阻过小,会出现电流过大造成过流保护动作(熔断丝烧断,或仪表告警);若电阻过大,则可能流过可控硅的电流小于其维持电流,造成可控硅时断时续。
其维持电流,造成可控硅时断时续。
3.电感的值可根据需要选择并且必须与电阻串联,需防止过大的电感造成可控硅不能导通。
成可控硅不能导通。
4.NMCL-05面板的锯齿波触发脉冲需导线连到NMCL-33面板,应注意连线不可接错,否则易造成损坏可控硅。
同时,需要注意同步电压的相位,若出现可控硅移相范围太小(正常范围约30°~180°),可尝试改变同步电压极性。
5.示波器的两根地线由于同外壳相连,必须注意需接等电位,否则易造成短路事故。
成短路事故。
六.实验方法六.实验方法1.将NMCL-05面板左上角的同步电压输入接NMCL-32的U、V输出端,“触发电路选择”拨向“锯齿波”。
2.单相桥式全控整流电路供电给电阻负载接上电阻负载(可采用两只900Ω电阻并联),并调节电阻负载至最大,短接平波电抗器。
单相桥式全控整流电路仿真实验步骤嘿,今天咱们聊一聊单相桥式全控整流电路的仿真实验。
听着是不是有点拗口?别着急,咱们一点点地捋清楚。
说实话,这个实验的过程其实挺简单的,但要把它理解清楚,得一步步地往下走。
就像你做饭一样,拿到食材时可能不知道怎么做,但有了步骤之后,菜肴自然就成了。
好,话不多说,咱们就开始吧!咱们要做的就是搭建一个简单的单相桥式全控整流电路。
可能很多人第一次听到这名字会觉得像是外星语,啥叫单相、桥式、全控呀?其实你不用太紧张,简单说来,单相就是咱们生活中常见的220伏交流电,这个电压是单相的;桥式,就是用四个二极管按照桥形连接起来的形式;全控,则是指在电路中加入了可控硅(或者叫SCR),你可以控制它的导通与断开。
是不是听着就有点意思了?好了,第一步咱们得把这些零件准备齐全,二极管、可控硅、电阻、电源线、示波器什么的,别小看这些东西,每个小小的部件都有它的用处。
拿到这些零件后,开始搭建电路吧!这一步就像盖房子一样,得一步步把每一块砖都垒好。
把桥式整流的四个二极管连接成一个桥形,每个二极管的方向要按照规定的方式放好,否则电流走错了地方,整套电路就玩完了,得不偿失。
然后呢,把可控硅放到适当的位置,记得它是你“掌控”的关键啊,控制好它的导通时机,才能确保电路工作正常。
电路搭好了,接下来就得接入交流电源了。
哎,这一步你千万别马虎,交流电源接错了,不仅电路不能正常工作,还可能会出事。
接好后,咱们就可以通过调节可控硅的控制信号,观察电路输出的直流电压变化了。
别忘了,电压波形可得用示波器来观察,搞不好你一不小心就成了“电波专家”。
这时你会发现,经过整流后的输出电压不像输入的交流电那么“波动大”,它变得更平稳了,简直是电流世界的小清新。
不过,这个过程可没那么简单,想要完美的输出,你得认真调试。
比如说,你可以通过调整可控硅的触发角度,看看输出电压是如何随之变化的。
触发角越大,输出电压越低;触发角越小,输出电压就越高。
晶闸管单相桥式全控整流电路仿真实验原理下载温馨提示:该文档是我店铺精心编制而成,希望大家下载以后,能够帮助大家解决实际的问题。
文档下载后可定制随意修改,请根据实际需要进行相应的调整和使用,谢谢!并且,本店铺为大家提供各种各样类型的实用资料,如教育随笔、日记赏析、句子摘抄、古诗大全、经典美文、话题作文、工作总结、词语解析、文案摘录、其他资料等等,如想了解不同资料格式和写法,敬请关注!Download tips: This document is carefully compiled by theeditor.I hope that after you download them,they can help yousolve practical problems. The document can be customized andmodified after downloading,please adjust and use it according toactual needs, thank you!In addition, our shop provides you with various types ofpractical materials,such as educational essays, diaryappreciation,sentence excerpts,ancient poems,classic articles,topic composition,work summary,word parsing,copy excerpts,other materials and so on,want to know different data formats andwriting methods,please pay attention!晶闸管单相桥式全控整流电路的仿真实验原理解析晶闸管单相桥式全控整流电路是电力电子技术中常见的一种电路结构,广泛应用于工业电源、电机调速等领域。
实验二单相桥式全控整流电路实验
一.实验目的
1.了解单相桥式全控整流电路的工作原理。
2.研究单相桥式全控整流电路在电阻负载、电阻—电感性负载及反电势负载时的工作。
3.熟悉MCL—05锯齿波触发电路的工作。
二.实验线路及原理
参见图4-7。
三.实验内容
1.单相桥式全控整流电路供电给电阻负载。
2.单相桥式全控整流电路供电给电阻—电感性负载。
3.单相桥式全控整流电路供电给反电势负载。
四.实验设备及仪器
1.MCL系列教学实验台主控制屏。
2.MCL—18组件(适合MCL—Ⅱ)或MCL—31组件(适合MCL—Ⅲ)。
3.MCL—33组件或MCL—53组件(适合MCL—Ⅱ、Ⅲ、Ⅴ)
4.MCL—05组件或MCL—05A组件
5.MEL—03三相可调电阻器或自配滑线变阻器。
6.MEL—02三相芯式变压器。
7.双踪示波器
8.万用表
五.注意事项
1.本实验中触发可控硅的脉冲来自MCL-05挂箱,故MCL-33(或MCL-53,以下同)
的内部脉冲需断X1插座相连的扁平带需拆除,以免造成误触发。
2.电阻RP的调节需注意。
若电阻过小,会出现电流过大造成过流保护动作(熔断丝
烧断,或仪表告警);若电阻过大,则可能流过可控硅的电流小于其维持电流,造成可控
硅时断时续。
3.电感的值可根据需要选择,需防止过大的电感造成可控硅不能导通。
4.MCL-05面板的锯齿波触发脉冲需导线连到MCL-33面板,应注意连线不可接错,否则易造成损坏可控硅。
同时,需要注意同步电压的相位,若出现可控硅移相范围太小(正
常范围约30°~180°),可尝试改变同步电压极性。
5.逆变变压器采用MEL-02三相芯式变压器,原边为220V,中压绕组为110V,低
压绕组不用。
6.示波器的两根地线由于同外壳相连,必须注意需接等电位,否则易造成短路事故。
7.带反电势负载时,需要注意直流电动机必须先加励磁。
六.实验方法
1.将MCL—05(或MCL—05A,以下均同)面板左上角的同步电压输入接MCL—18的U、V输出端(如您选购的产品为MCL—Ⅲ、Ⅴ,则同步电压输入直接与主控制屏的U、V输出端相连),“触发电路选择”拨向“锯齿波”。
2.断开MEL-02和MCL-33的连接线,合上主电路电源,调节主控制屏输出电压U uv
至220V,此时锯齿波触发电路应处于工作状态。
MCL-18的给定电位器RP1逆时针调到底,使U ct=0。
调节偏移电压电位器RP2,使
α=90°。
断开主电源,连接MEL-02和MCL-33。
注:如您选购的产品为MCL—Ⅲ、Ⅴ,无三相调压器,直接合上主电源。
以下均同
3.单相桥式全控整流电路供电给电阻负载。
接上电阻负载(可采用两只900Ω电阻并联),并调节电阻负载至最大,短接平波电
抗器。
合上主电路电源,调节U ct,求取在不同α角(30°、60°、90°)时整流电路的
输出电压U d=f(t),晶闸管的端电压U VT=f(t)的波形,并记录相应α时的U ct、U d和交
流输入电压U2值。
若输出电压的波形不对称,可分别调整锯齿波触发电路中RP1,RP3电位器。
4.单相桥式全控整流电路供电给电阻—电感性负载。
断开平波电抗器短接线,求取在不同控制电压U ct时的输出电压U d=f(t),负载电
流i d=f(t)以及晶闸管端电压U VT=f(t)波形并记录相应U ct时的U d、U2值。
注意,负载电流不能过小,否则造成可控硅时断时续,可调节负载电阻RP,但负载
电流不能超过0.8A,U ct从零起调。
改变电感值(L=100mH),观察α=90°,U d=f(t)、i d=f(t)的波形,并加以分析。
注意,增加U ct使α前移时,若电流太大,可增加与L相串联的电阻加以限流。
5.单相桥式全控整流电路供电给反电势负载。
把开关S合向左侧,接入直流电动机,短接平波电抗器,短接负载电阻Rd。
(a)调节U ct,在α=90°时,观察U d=f(t),i d=f(t)以及U VT=f(t)。
注意,交流电压U UV须从0V起调,同时直流电动机必须先加励磁。
(b)直流电动机回路中串入平波电抗器(L=700mH),重复(a)的观察。
七.实验报告
1.绘出单相桥式晶闸管全控整流电路供电给电阻负载情况下,当α=60°,90°时的U d、U VT波形,并加以分析。
2.绘出单相桥式晶闸管全控整流电路供电给电阻—电感性负载情况下,当α=90°时的U d、i d、U VT波形,并加以分析。
3.作出实验整流电路的输入—输出特性U d=f(U ct),触发电路特性U ct=f(α)及U d/U2=f(α)。
4.实验心得体会。