(参考资料)楼盖课程设计
- 格式:pdf
- 大小:358.75 KB
- 文档页数:16
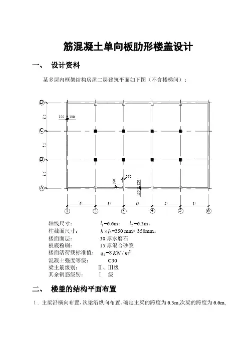
楼面面层:30厚水磨石板底粉刷:15厚混合砂浆楼面活荷载标准值:qk =8KN m/2混凝土强度等级:C30梁主筋级别:Ⅱ、Ⅲ级其余钢筋级别:Ⅰ级二、楼盖的结构平面布置1.主梁沿横向布置,次梁沿纵向布置。
确定主梁的跨度为6.3m,次梁的跨度为6.6m,1主梁每跨内布置两根次梁,板的跨度为2.1m 。
楼盖结构布置图如下:2. 按高跨比条件,当板厚h ≥140 L =52.5mm 时,满足刚度要求,可不验算扰度。
对于工业建筑的楼盖板,要求h ≥80mm ,故取板厚h=80mm 。
3. 次梁的截面高度应满足h=(118 ~112)L=(367~550)mm ,取h=500mm ,则b=(13 ~12)h=(167~250)mm,取b=200mm 。
4. 主梁的截面高度应该满足h=(115 ~110)L=(420~630)mm,取h=600mm ,则b=(13 ~12)h=(200~300)mm ,取b=250mm 。
三、 板的设计1. 荷载计算:板的恒荷载标准值:15厚混合砂浆 0.015×17=0.255kN/m 230厚水磨石 0.03×20=0.6kN/m280mm厚钢筋混凝土板 0.08×25=2kN/m2小计 2.855kN/m2板的活荷载标准值 8kN/m2恒荷载分项系数取1.2;因为工业建筑楼盖且楼面活荷载标准大于4.0kN/m2,所以活荷载分项系数取1.3。
于是板的恒荷载设计值 g=2.855×1.2=3.426kN/m2活荷载设计值 q=8×1.3=10.4kN/m2荷载总设计值 g+q=13.826kN/m2近似取为 g+q=14.0kN/m22.计算简图:次梁截面为200mm×500mm,现浇板在墙上的支承长度不小于100mm,取板在墙上的支承长度为120mm。
按塑性内力重分布设计,板的计算跨度:边跨:L0=Ln+h2=2100-200/2-120+80/2=1920mm<1.025Ln=1927mm,取L=1920mm中跨: L0= Ln=2100-200=1900mm板为多跨连续板,对于跨数超过五跨的等截面连续板,其各跨受荷相同,且跨差不超过10%时,均可按五跨等跨度连续板计算。
楼盖课程设计cad一、教学目标本课程的教学目标是使学生掌握楼盖结构的基本知识,学会使用CAD软件进行楼盖结构的绘制和设计。
具体目标如下:1.掌握楼盖结构的类型及特点。
2.了解楼盖结构的受力分析和设计原理。
3.熟悉CAD软件的基本操作和功能。
4.能够运用CAD软件绘制楼盖结构的平面图和立面图。
5.学会使用CAD软件进行楼盖结构的尺寸标注和文字说明。
6.能够根据设计要求,进行楼盖结构的深化设计和修改。
情感态度价值观目标:1.培养学生的创新意识和团队合作精神。
2.增强学生对工程实践的兴趣和责任感。
3.培养学生对楼盖结构设计和施工的安全意识和质量意识。
二、教学内容本课程的教学内容主要包括以下几个部分:1.楼盖结构的类型及特点:包括梁板结构、桁架结构、网架结构等。
2.楼盖结构的受力分析和设计原理:包括荷载分析、内力分析、稳定性分析等。
3.CAD软件的基本操作和功能:包括绘图、编辑、标注、打印等。
4.CAD软件在楼盖结构设计中的应用:包括绘制平面图、立面图、剖面图等,进行尺寸标注和文字说明,进行深化设计和修改等。
三、教学方法为了达到本课程的教学目标,我们将采用以下几种教学方法:1.讲授法:通过教师的讲解,使学生掌握楼盖结构的基本知识和设计原理。
2.案例分析法:通过分析实际案例,使学生了解楼盖结构的设计过程和施工要求。
3.实验法:通过实际操作CAD软件,使学生掌握CAD软件的基本操作和功能。
4.讨论法:通过小组讨论,激发学生的创新思维和团队合作精神。
四、教学资源为了支持本课程的教学内容和教学方法的实施,我们将准备以下教学资源:1.教材:选用《楼盖结构设计》等相关教材,作为学生学习的基本参考书。
2.多媒体资料:制作PPT、视频等多媒体资料,帮助学生更好地理解和掌握知识。
3.实验设备:准备计算机、CAD软件等实验设备,供学生进行实际操作。
4.案例资料:收集一些实际的楼盖结构设计案例,供学生分析和讨论。
五、教学评估本课程的评估方式将包括平时表现、作业和考试等方面,以全面客观地评估学生的学习成果。
钢结构楼盖课程设计一、课程目标知识目标:1. 让学生理解钢结构楼盖的基本概念、分类及结构特点;2. 掌握钢结构楼盖的构造、连接方式及其在建筑中的应用;3. 了解钢结构楼盖的施工工艺、施工要点及质量标准。
技能目标:1. 培养学生运用基本原理分析、解决钢结构楼盖施工中遇到的问题;2. 提高学生识图、绘图能力,能独立完成钢结构楼盖施工图的识读和绘制;3. 培养学生团队协作能力,能参与钢结构楼盖施工项目的组织与管理。
情感态度价值观目标:1. 激发学生对钢结构建筑及工程技术领域的兴趣,培养其探究精神;2. 培养学生严谨、务实的学习态度,注重施工质量,遵循职业道德;3. 增强学生的环保意识,了解绿色建筑及可持续发展的重要性。
课程性质分析:本课程为专业技术类课程,以工程实践为导向,结合理论知识,培养学生的实际操作能力。
学生特点分析:高年级学生具备一定的专业基础知识,具有较强的自学能力、分析问题和解决问题的能力。
教学要求:1. 结合实际工程案例,注重理论与实践相结合,提高学生的实际操作能力;2. 采用项目驱动、任务驱动等教学方法,激发学生的学习兴趣和积极性;3. 强化团队合作,培养学生的沟通协调能力和组织管理能力。
二、教学内容1. 钢结构楼盖基本概念与分类:介绍钢结构楼盖的定义、功能及分类,包括桁架式、网格式、框架式等结构形式。
教材章节:第二章 钢结构楼盖概述2. 钢结构楼盖构造与连接:讲解钢结构楼盖的构造要素、连接方式,如焊缝、螺栓连接等。
教材章节:第三章 钢结构楼盖构造与连接3. 钢结构楼盖施工工艺:分析钢结构楼盖施工流程、施工方法,包括钢材加工、构件组装、现场安装等。
教材章节:第四章 钢结构楼盖施工工艺4. 钢结构楼盖施工图识读与绘制:培养学生识图、绘图能力,掌握施工图的表示方法、符号及标注。
教材章节:第五章 钢结构楼盖施工图识读与绘制5. 钢结构楼盖施工质量控制:介绍施工过程中的质量标准、验收要求,分析常见质量问题及预防措施。
某高层混凝土楼盖课程设计一、课程目标知识目标:1. 让学生掌握高层混凝土楼盖的结构设计原理,了解楼盖的受力特点及影响因素。
2. 使学生了解高层混凝土楼盖的施工工艺及质量控制要点,掌握相关工程技术规范。
3. 帮助学生了解高层混凝土楼盖的养护、维修及加固技术。
技能目标:1. 培养学生运用所学知识进行高层混凝土楼盖结构设计计算的能力。
2. 提高学生针对高层混凝土楼盖施工过程中问题的分析和解决能力。
3. 培养学生运用现代技术手段进行楼盖结构施工组织与管理的能力。
情感态度价值观目标:1. 培养学生对高层建筑结构工程的兴趣,激发学生主动探究的热情。
2. 培养学生严谨的科学态度和良好的工程职业道德,增强社会责任感。
3. 培养学生的团队协作意识和沟通能力,提高解决实际工程问题的信心。
本课程针对高中年级学生,结合学科特点,以实用性为导向,注重理论与实践相结合。
课程目标旨在让学生掌握高层混凝土楼盖的结构设计、施工及养护维修技术,培养其解决实际工程问题的能力,同时提升学生的科学素养和工程伦理观念,为我国建筑行业培养合格的技术人才。
二、教学内容1. 高层混凝土楼盖结构设计原理- 结构类型与受力特点- 设计荷载及组合- 混凝土及钢筋材料性能- 楼盖截面设计计算2. 高层混凝土楼盖施工技术- 施工工艺流程- 钢筋工程及模板工程- 混凝土浇筑与养护- 施工质量控制要点3. 高层混凝土楼盖养护、维修及加固技术- 混凝土楼盖养护方法- 常见质量问题及处理措施- 楼盖加固技术及案例分析4. 高层混凝土楼盖施工组织与管理- 施工组织设计- 进度计划与资源调配- 质量控制与安全管理- 现场协调与沟通教学内容依据课程目标,以教材为基础,结合工程实际,注重科学性和系统性。
教学大纲明确教学内容的安排和进度,涵盖高层混凝土楼盖的设计、施工、养护、维修及加固等方面,旨在帮助学生全面掌握楼盖工程的技术要点,提高解决实际工程问题的能力。
三、教学方法本课程采用多样化的教学方法,结合讲授法、讨论法、案例分析法、实验法等,旨在激发学生的学习兴趣,提高学生的主动性和实践能力。
楼盖课程设计摘要一、教学目标本课程的教学目标是使学生掌握楼盖的基本概念、设计和施工方法。
通过本课程的学习,学生将能够:1.描述楼盖的种类、功能和构造原理。
2.分析楼盖的设计要求和施工技术。
3.应用楼盖的设计原理,进行简单的楼盖设计。
4.评价楼盖设计和施工的质量标准。
二、教学内容本课程的教学内容主要包括楼盖的基本概念、设计原理、施工技术和质量评价。
具体内容包括:1.楼盖的种类和功能。
2.楼盖的构造原理和设计要求。
3.楼盖的施工技术和工艺。
4.楼盖质量评价标准和方法。
三、教学方法为了达到上述教学目标,本课程将采用以下教学方法:1.讲授法:通过教师的讲解,使学生掌握楼盖的基本概念和设计原理。
2.案例分析法:通过分析实际案例,使学生了解楼盖的设计和施工过程。
3.实验法:通过实验操作,使学生掌握楼盖的施工技术和质量评价方法。
四、教学资源为了支持本课程的教学内容和教学方法,我们将使用以下教学资源:1.教材:选用权威、实用的楼盖设计教材作为主要教学资源。
2.参考书:提供相关领域的参考书籍,丰富学生的知识体系。
3.多媒体资料:制作课件、演示图等多媒体资料,提高学生的学习兴趣。
4.实验设备:准备楼盖设计的实验设备,为学生提供实践操作的机会。
五、教学评估本课程的评估方式包括平时表现、作业、考试等。
评估方式应客观、公正,能够全面反映学生的学习成果。
具体评估方式如下:1.平时表现:通过观察学生在课堂上的参与程度、提问回答等情况,评估学生的学习态度和理解能力。
2.作业:布置适量的作业,评估学生的知识掌握和应用能力。
3.考试:进行期中考试和期末考试,全面评估学生的知识水平和应用能力。
六、教学安排本课程的教学安排如下:1.教学进度:按照教材的章节顺序进行教学,确保学生在每个章节都有充分的学习时间。
2.教学时间:合理安排课堂时间,保证教学内容的连贯性和完整性。
3.教学地点:选择适合教学的教室,提供良好的学习环境。
七、差异化教学根据学生的不同学习风格、兴趣和能力水平,本课程将设计差异化的教学活动和评估方式。
《混凝土结构》(楼盖)课程设计任务书《混凝土结构》(楼盖)课程设计指导书2013年11月《混凝土结构》(楼盖)课程设计任务书一.设计题目现浇钢筋混凝土整体式肋梁楼盖结构二.设计目的1.了解现浇混凝土结构单向板肋梁楼盖、双向板肋梁楼盖的一般设计过程;2.通过单向板肋梁板、次梁的设计计算,掌握考虑塑性内力重分布的计算方法;通过主梁的设计计算,掌握按弹性理论分析内力的方法;3.通过双向板、次梁、主梁的设计计算,掌握按弹性理论分析内力的方法;4.熟悉现浇梁、板的构造要求;5.掌握钢筋混凝土结构施工图的表达方式、制图规范、提高绘图能力;6.学习绘制钢筋材料表。
三.设计内容及要求(一)设计计算说明书的编制依据有关规范、文献,进行结构选型、结构布置、结构设计计算。
主要包括如下内容:1.进行结构选型、柱网布置,主、次梁布置;2.楼板、主梁及次梁截面尺寸的确定;3.混凝土、钢筋强度等级的选择;4.确定连续板、连续次梁及连续主梁的计算单元及计算简图;5.计算永久荷载(恒荷载)及可变荷载(活荷载);6.不同荷载下的连续板、连续次梁及连续主梁的内力计算:单向板:按考虑塑性内重分布的方法计算。
次梁:按考虑塑性内重分布的方法计算。
主梁:按弹性理论方法计算。
双向板及其主、次梁:按弹性理论方法计算。
7.选取板、次梁及主梁控制截面内力,分别进行配筋设计及构造设计,并进行裂缝及变形验算。
(二)绘制结构施工图及钢筋材料表:(1)楼盖结构布置图(楼板、次梁、主梁布置);(2)楼板配筋图及钢筋表;(3)次梁的配筋图及钢筋表;(4)主梁的抵抗弯矩图,配筋图及钢筋表。
(三)完成成果要求:(1)设计计算书一份。
(2)绘制结构施工图一张A1号图纸,包括楼盖结构布置图,楼板配筋图,次梁的配筋图,主梁的抵抗弯矩图,配筋图。
四.设计原始资料1.学生分组及设计参数见表1。
每组3-5人,其他参数由指导教师确定。
2.楼面做法:工业仓库:20-25mm 厚水泥砂浆地面;钢筋混凝土现浇楼板;15-20mm 厚石灰砂浆抹底。
现浇混泥土楼盖课程设计一、课程目标知识目标:1. 让学生理解现浇混凝土楼盖的基本结构原理,掌握其设计方法和施工技术。
2. 使学生掌握楼盖体系中各类构件的作用,了解其相互关系及对整体结构性能的影响。
3. 帮助学生了解现浇混凝土楼盖的材料性能、施工工艺及质量控制标准。
技能目标:1. 培养学生运用理论知识,进行现浇混凝土楼盖设计计算的能力。
2. 提高学生分析楼盖结构问题,提出合理解决方案的能力。
3. 培养学生运用专业软件进行楼盖结构建模、分析和优化设计的能力。
情感态度价值观目标:1. 培养学生对建筑结构工程的兴趣,激发他们热爱专业、追求卓越的精神。
2. 引导学生关注工程质量、安全及环保等方面的问题,提高他们的社会责任意识。
3. 培养学生团队协作精神,提高沟通协调能力,为未来从事相关工作打下基础。
课程性质:本课程为专业实践课程,旨在帮助学生将理论知识与实际工程相结合,提高解决实际问题的能力。
学生特点:学生已具备一定的建筑结构基础知识,具有较强的学习兴趣和动手能力。
教学要求:结合学生特点,注重理论与实践相结合,充分调动学生的主观能动性,提高他们的创新能力和实践操作能力。
通过本课程的学习,使学生能够达到以上所述课程目标,并为后续课程的学习和未来工作打下坚实基础。
二、教学内容1. 现浇混凝土楼盖结构原理:讲解楼盖体系的基本构成,包括梁、板、柱等构件的作用,分析各构件间的相互关系及对整体结构性能的影响。
2. 现浇混凝土楼盖设计方法:介绍楼盖设计的基本流程,包括荷载计算、内力分析、截面设计和配筋计算等内容,结合教材相关章节进行详细讲解。
3. 现浇混凝土楼盖施工技术:讲解楼盖施工的工艺流程,包括模板制作、钢筋绑扎、混凝土浇筑、养护等环节,强调施工质量控制要点。
4. 材料性能与选择:介绍现浇混凝土楼盖所用材料的性能指标,包括混凝土、钢筋等,分析不同材料对楼盖结构性能的影响。
5. 结构分析与优化设计:运用专业软件进行楼盖结构建模、分析和优化设计,提高学生解决实际工程问题的能力。
单层板肋梁楼盖课程设计一、课程目标知识目标:1. 学生能理解单层板肋梁楼盖的结构特点,掌握其设计原理和计算方法。
2. 学生能掌握楼盖受力分析的基本步骤,了解楼盖在不同荷载作用下的内力分布。
3. 学生能了解楼盖施工图的基本表示方法,具备识别和绘制简单楼盖施工图的能力。
技能目标:1. 学生能够运用所学知识,独立完成单层板肋梁楼盖的设计计算。
2. 学生能够运用结构分析软件对单层板肋梁楼盖进行内力分析和验算。
3. 学生能够根据设计要求,绘制出符合规范的单层板肋梁楼盖施工图。
情感态度价值观目标:1. 培养学生热爱建筑结构设计专业,增强对工程建设的责任感。
2. 培养学生严谨、细致的学习态度,提高团队合作意识和沟通能力。
3. 增强学生对我国建筑事业的认同感,激发学生为我国建筑事业做出贡献的意愿。
课程性质分析:本课程为土木工程专业核心课程,旨在培养学生具备楼盖结构设计的基本能力。
学生特点分析:学生处于大学本科阶段,已具备一定的结构力学基础和设计原理知识。
教学要求:结合课程性质和学生特点,将课程目标分解为具体的学习成果,以便于教学设计和评估。
在教学过程中,注重理论与实践相结合,提高学生的实际操作能力。
二、教学内容1. 单层板肋梁楼盖结构概述:介绍楼盖结构类型、受力特点及适用范围,对应教材第一章内容。
- 结构类型及特点- 受力分析基本原理2. 单层板肋梁楼盖设计原理:讲解楼盖设计的基本原则、计算方法及构造要求,对应教材第二章内容。
- 设计原则与规范要求- 荷载作用与内力分析- 构件尺寸计算与选择3. 单层板肋梁楼盖施工图绘制:学习楼盖施工图的表示方法、绘制技巧及注意事项,对应教材第三章内容。
- 施工图表示方法- 构件绘制技巧- 施工图审查与修改4. 单层板肋梁楼盖案例分析:分析典型工程案例,巩固楼盖设计及施工图绘制技能,对应教材第四章内容。
- 案例背景及要求- 设计计算及内力分析- 施工图绘制与审查5. 结构分析软件应用:介绍结构分析软件在单层板肋梁楼盖设计中的应用,提高学生实际操作能力,对应教材第五章内容。
楼盖结构设计课程设计一、教学目标本课程的教学目标是使学生掌握楼盖结构设计的基本原理和方法,能够运用所学知识进行简单的楼盖结构设计。
具体目标如下:1.掌握楼盖结构的类型及其适用范围。
2.理解楼盖结构的受力分析及设计原则。
3.熟悉常见楼盖结构的设计计算方法。
4.能够运用所学知识进行楼盖结构的设计计算。
5.能够根据设计要求选择合适的楼盖结构类型。
6.能够分析楼盖结构的受力性能并判断其稳定性。
情感态度价值观目标:1.培养学生的创新意识和团队合作精神。
2.培养学生的工程实践能力和责任感。
3.培养学生的环保意识和可持续发展观念。
二、教学内容根据课程目标,教学内容主要包括以下几个部分:1.楼盖结构的类型及其适用范围:包括梁式楼盖、板式楼盖、框架式楼盖等。
2.楼盖结构的受力分析及设计原则:包括受力性能、设计原则、荷载计算等。
3.常见楼盖结构的设计计算方法:包括梁的设计计算、板的设计计算、框架的设计计算等。
教学大纲将按照以下顺序进行:1.楼盖结构的类型及其适用范围(2课时)2.楼盖结构的受力分析及设计原则(4课时)3.常见楼盖结构的设计计算方法(6课时)三、教学方法为了激发学生的学习兴趣和主动性,将采用多种教学方法进行教学:1.讲授法:用于讲解基本概念、设计原则和计算方法。
2.案例分析法:通过分析实际工程案例,使学生更好地理解楼盖结构的设计过程。
3.实验法:进行楼盖结构受力性能的实验,让学生亲身体验并加深理解。
四、教学资源为了支持教学内容和教学方法的实施,将准备以下教学资源:1.教材:《楼盖结构设计》教材。
2.参考书:提供相关的设计规范和学术论文供学生参考。
3.多媒体资料:制作课件和教学视频,以图文并茂的方式呈现教学内容。
4.实验设备:准备楼盖结构受力性能实验所需的设备,如加载装置、传感器等。
五、教学评估为了全面、客观、公正地评估学生的学习成果,本课程将采用以下评估方式:1.平时表现:包括课堂参与度、提问回答、小组讨论等,占总成绩的20%。
公寓楼楼盖课程设计一、教学目标本课程旨在让学生了解和掌握公寓楼楼盖的基本结构、设计原理和施工技术,培养学生对建筑楼盖系统的认识和实际操作能力。
具体目标如下:1.知识目标:•描述公寓楼楼盖的基本结构及其各部分功能。
•解释楼盖设计的原理和方法。
•阐述楼盖施工的技术要求和流程。
2.技能目标:•能够运用所学知识分析和解决楼盖系统在设计和施工中遇到的问题。
•熟练使用相关软件进行楼盖设计的模拟和计算。
•具备楼盖施工的基本技能,如模板制作、钢筋绑扎、混凝土浇筑等。
3.情感态度价值观目标:•培养学生的创新意识和团队合作精神,使其能够在楼盖设计和施工中提出改进方案,提高建筑质量和效益。
•增强学生对建筑行业的兴趣和责任感,使其能够积极投身于建筑事业的发展。
二、教学内容本课程的教学内容主要包括以下几个部分:1.公寓楼楼盖的基本结构:介绍楼盖的组成部分,如梁、板、柱等,以及它们的功能和相互关系。
2.楼盖设计原理:讲解楼盖设计的依据和方法,包括荷载分析、内力计算、构件尺寸确定等。
3.楼盖施工技术:介绍楼盖施工的准备、施工过程和质量控制,包括模板制作、钢筋绑扎、混凝土浇筑等。
4.楼盖施工案例分析:分析典型的楼盖施工案例,从中学习施工经验和解决问题的方法。
5.楼盖施工安全管理:讲解楼盖施工中的安全注意事项,包括个人防护、现场管理等。
为了提高教学效果,本课程将采用多种教学方法相结合的方式进行教学,包括:1.讲授法:通过教师的讲解,使学生掌握楼盖的基本知识和设计施工方法。
2.案例分析法:通过分析典型楼盖施工案例,使学生学会分析问题、解决问题的方法。
3.实验法:学生进行楼盖结构实验,使学生掌握实验技能,加深对楼盖结构的认识。
4.讨论法:学生进行小组讨论,培养学生的团队合作精神和创新意识。
四、教学资源为了支持教学,我们将准备以下教学资源:1.教材:选用权威、实用的教材,为学生提供系统的楼盖知识。
2.参考书:提供相关的参考书籍,丰富学生的知识视野。
钢筋混凝土楼盖课程设计1.设计资料(1)本设计为一教学楼楼盖(X ×Y = 30m×24m), 采用整体式钢筋混凝土现浇板肋梁楼盖。
(2)楼面做法: 地砖地面(详细做法见<西南J-3183>), 120mm钢筋混凝土现浇板构造层, 20mm混合沙浆顶棚抹灰。
(3)楼面荷载: 均布荷载原则值为2.0 KN/m2。
(4)材料选用:混凝土强度等级采用C25, 梁中架立钢筋、箍筋、板中所有钢筋采用HPB235, 其他采用HRB335。
(5) 初步主梁高度取800mm, 宽度取300mm, 次梁高度取450mm, 次梁宽度取200mm, 柱子取400mm×400mm。
(6) 板旳弯矩折减系数为0.8,跨中钢筋在距支座边lx/4处截断二分之一。
2.构造布置柱网布置和楼盖梁格布置下图:3.荷载计算恒载原则值: 地面构造做法 1.04 KN/m2120mm钢筋混凝土现浇板0.12×25=3.0 KN/m220mm混合沙浆顶棚抹灰0.02×17=0.34 KN/m2小计: gk=4.38 KN/m2活载原则值: qk = 2.0 KN/m2恒载分项系数γg = 1.2 (可变荷载效应起控制作用) 活载分项系数γq = 1.4恒载设计值: g = 4.38×1.2 = 5.256 KN/m2活载设计值: q = 2.0×1.4 = 2.8 KN/m24.荷载总设计值: p = g + q =5.256 + 2.8 = 8.056 KN/m25.内力计算及截面设计如下式中γs取0.95 , hox = 120 - 20 = 100mm , hoy = 120 - 30 = 90mm, ft =1.27 N/m2fy = 210N/m2 , ρmin = 0.45ft/fy = 0.45×1.27/210 = 0.272%>0.2%Amin = ρmin×bh = 0.272%×1000×120 = 326.4mm2计算区格lx = 4000 - 200 = 3800 ly = 6000 - 300 = 5700n = ly/lx = 3800/5700 = 1.5 , 取α= 0.45 , β= 2.2①内力计算短跨跨中弯矩设计值mx = (0.8p lx2/12)×(3n - 1)/[2(n - 1/4) + 2nβ+ 3α/2 + 2αβ]= (0.8×8.056 ×3.82/12)×(3×1.5 - 1)/[2×(1.5 - 1/4) + 2×1.5×2.2 + 3×0.45/2 + 2×0.45×2.2]= 2.52kN·m/m长跨跨中弯矩设计值my = αmx = 0.45×2.52 = 1.134 kN·m/m短跨支座弯矩设计值m'x = m''x = βmx = 2.2×2.52 = 5.544 kN·m/m长跨支座弯矩设计值m' y= m"y = βmy = 2.2×1.134 = 2.495 kN·m/m②截面设计短跨跨中As = mx/(fyγshox) = 2.52×106/(210×0.95×100) = 126mm2 < Amin实配φ8-150 , 335mm2长跨跨中As = my/(fyγshoy) = 1.134×106/(210×0.95×90) = 63mm2 < Amin实配φ8-150 , 335mm2短跨支座As = m'x/(fyγshox) = 5.544×106/(210×0.95×100) =278mm2 < Amin实配φ8-150 , 335mm2长跨支座As = m' y/(fyγshoy) = 2.495×106/(210×0.95×90) = 139mm2 < Amin 实配φ8-150 , 335mm25.次梁计算(b=200mm,h=450mm)按塑性内力重分布措施计算, 截面尺寸及计算简图见下图:1.荷载板传来旳恒载: 4.38×4.0 = 17.52 kN/m次梁自重: 25×0.×(0.45-0.12) = 1.65 kN/m次梁抹灰: 17×0.02×(0.45-0.12) = 0.22 kN/m恒载原则值: gk=17.52+1.65+0.22 = 19.39 kN/m活载原则值: qk = 2.0×4.0 = 8.0 kN/m2.内力计算:计算跨度(主梁: 300mm×800mm)边跨l01=l n1=6000-300 = 5700mm中间跨l02=l n2=6000-300 = 5700mm①.弯矩计算Ⅰ.边跨跨中α= 0.078 M = 0.078×34.47×5.72 = 87.35kN/mB支座α= -0.105 M = -0.105×34.47×5.72 = -117.59kN/mⅡ.中间跨BC跨跨中α= 0.033 M = 0.033×34.47×5.72 = 36.96kN/mC支座α= -0.079 M = -0.079×34.47×5.72 = -88.47kN/m CD跨跨中α= 0.046 M = 0.046×34.47×5.72 = 51.52kN/mD支座α= -0.078 M = -0.078×34.47×5.72 = -87.35kN/m ②.剪力计算:边支座A β= 0.349 V A = 0.394×34.47×5.7 = 77.41kN/m支座B左β= -0.606 V B左= 0.394×34.47×5.7 = 77.41kN/m 支座B右β= 0.526 V B右= 0.526×34.47×5.7 = 103.35kN/m支座C左β= -0.474 V C左= -0.474×34.47×5.7 = -93.13kN/m支座C右β= -0.500 V C右= 0.500×34.47×5.7 = 98.24kN/m3.配筋①.正截面受弯承载力计算次梁跨中截面按T型截面计算, 其翼缘宽度为:边跨b f' = 1/3×5700 = 1900 < b+s n = 4000mm中间跨b f' = 1900 < 4000mmh = 450mm , h0 = 450-35 = 415mm , h'f = 120mmf c b f'h'f (h0 -h'f /2) = 11.9×1900×120×(415-120/2)= 963.19kN·m > 117.59kN·m故次梁跨中截面均按第一类T型截面计算:b = 200mm , fc = 11.9N/mm2 , f y = 300N/mm2ρmin = 0.45ft/fy = 0.45×1.27/300 = 0.0019 〈0.002 , 取ρmin = 0.2%A min = ρmin×bh = 180mm2Ⅰ.边跨跨中αs= M/(f c b f'h02) = 87.35×106/(11.9×1900×4152) = 0.022 , ξb = 0.022A s= ξb f c b f'h0/f y = 0.022×11.9×1900×415/300 = 688mm2实配5φ14 , 769mm2B支座αs= M/(f c b f'h02) = 117.59×106/(11.9×200×4152) = 0.287 , ξb = 0.347A s= ξb f c b f'h0/f y = 0.347×11.9×1900×415/300 = 1142.4mm2实配2φ12+3φ14+2φ18, 1196mm2Ⅱ.中间跨BC跨中αs= M/(f c b f'h02) = 26.96×106/(11.9×1900×4152) = 0.009 , ξb = 0.009A s= ξb f c b f'h0/f y = 0.009×11.9×1900×415/300 = 281.5mm2实配2φ14 , 308mm2C支座αs= M/(f c b f'h02) = 88.57×106/(11.9×200×4152) = 0.216 , ξb = 0.246A s= ξb f c b f'h0/f y = 0.246×11.9×200×415/300 = 810mm2实配φ14+2φ12+3φ14 , 841mm2CD跨中αs= M/(f c b f'h02) = 51.52×106/(11.9×1900×4152) = 0.013 , ξb = 0.013A s= ξb f c b f'h0/f y = 0.013×11.9×1900×415/300 = 406.6mm2实配3φ14 , 461mm2②.斜截面受剪承载力计算(ρsv,min)0.24×1.27/210 = 0.145%b = 200mm , h0 = 450-35 = 415mm , fc = 11.9N/mm2 , f t = 1.27 N/mm2f yv= 210N/mm2 , h w/b = (415-120)/200 = 1.475 < 40.25βc f c bh0 = .025×1.0×11.9×200×415 = 246.93 kN > 90.05 kN , 截面合格0.7f t bh0 = 0.7×1.27×200×415 = 73.79 kN支座A V = 77.41 kN ,实配φ6-130V cs = 73.79+47.43 = 121.27 kN支座B V B左= 119.07 kN ,实配φ6-130V cs = 73.79+47.43 = 121.27 kNV B右= 103.35 kN ,实配φ6-190V cs = 73.79+32.5 = 106.29 kN支座C V C左= 93.13 kN ,实配φ6-190V cs = 73.79+32.5 = 106.29 kNV C右= 98.24kN ,实配φ6-190V cs = 73.79+32.5 = 106.29 kNρsv = (nA sv1)/(bs) = 2×28.3/(200×190) = 0149% > ρsv,minS < S max = 200mm , d ≥d min = 6mm6.主梁计算(b= 300mm , h = 800mm , 初步确定层高为3900mm)主梁按弹性理论计算:主梁线刚度i b = (30/12)×803/600 = 2133.33 cm3柱线刚度i0 = (40/12)×403/390 = 547 cm3考虑现浇板旳作用, 主梁旳实际刚度为独立梁旳2倍∴i b/i0 = 2×2133.33/547 = 7.8 > 5故主梁视为铰支在柱子顶上旳持续梁, 截面尺寸及计算简图如下:1.荷载由次梁传来旳恒载19.39×6 = 116.34 kN主梁自重25×0.3×(0.8-0.12)×4 = 20.4 kN主梁抹灰17×0.02×(0.8-0.12)= 0.92 kN恒载原则值G k = 137.66kN活载原则值Q k = 6×8 = 48kN恒载设计值G = 1.2×137.66 = 165.19kN活载原则值Q = 1.4×48 = 67.2 kN2.计算跨度3.内力包络图4.配筋①正截面承载力计算主梁跨中截面按T型截面计算, 其翼缘宽度为b f' = 1/2×8000= 4000 < b+s n =6000mmh f' = 120mm , h = 800mm , h0 =760mmF c b'h'f (h0 -h'f /2) = 11.9×4000×120×(760-120/2)= 3998.4kN·m > 345.78kN·m∴主梁跨中截面按第一类T型截面计算。
楼盖课程设计教学一、教学目标本课程的学习目标包括知识目标、技能目标和情感态度价值观目标。
知识目标要求学生掌握楼盖的基本结构、设计原理和施工技术。
技能目标要求学生能够运用所学知识进行楼盖的设计和计算,并具备一定的实践操作能力。
情感态度价值观目标要求学生树立正确的建筑观念,关注建筑安全、环保和可持续发展。
通过分析课程性质、学生特点和教学要求,我们将目标分解为具体的学习成果。
学生能够:1.描述楼盖的基本结构和设计原理。
2.分析楼盖的受力特点和施工技术。
3.运用所学知识进行楼盖的设计和计算。
4.关注建筑安全、环保和可持续发展。
二、教学内容根据课程目标,我们选择和了以下教学内容:1.楼盖的基本结构:介绍楼盖的组成部分,如梁、板、柱等,并分析其受力特点。
2.楼盖的设计原理:讲解楼盖设计的依据和方法,如荷载、内力、变形等。
3.楼盖的施工技术:介绍楼盖施工的工艺和要求,如模板、钢筋、混凝土等。
4.建筑安全、环保和可持续发展:探讨建筑行业的发展趋势和责任。
教学大纲将按照以下顺序进行:1.楼盖的基本结构:第1-2课时2.楼盖的设计原理:第3-4课时3.楼盖的施工技术:第5-6课时4.建筑安全、环保和可持续发展:第7课时三、教学方法为了激发学生的学习兴趣和主动性,我们将采用多种教学方法:1.讲授法:讲解楼盖的基本结构、设计原理和施工技术。
2.讨论法:学生探讨建筑安全、环保和可持续发展的问题。
3.案例分析法:分析实际工程案例,让学生更好地理解楼盖的设计和施工。
4.实验法:安排楼盖结构实验,提高学生的实践操作能力。
四、教学资源我们将选择和准备以下教学资源:1.教材:《楼盖设计与施工》2.参考书:相关楼盖设计的专业书籍3.多媒体资料:楼盖结构图片、视频和动画4.实验设备:楼盖结构实验器材五、教学评估为了全面反映学生的学习成果,我们设计以下评估方式:1.平时表现:评估学生在课堂上的参与度、提问和讨论表现,占总成绩的30%。
2.作业:布置相关的楼盖设计练习题,评估学生的理解和应用能力,占总成绩的30%。
混凝土楼盖设计课程设计一、教学目标本课程的教学目标是使学生掌握混凝土楼盖设计的理论基础和实际应用能力。
通过本课程的学习,学生应能理解楼盖的设计原理,掌握楼盖设计的计算方法和步骤,并能够运用所学知识进行简单的楼盖设计。
具体来说,知识目标包括:1.掌握楼盖的受力特点和设计原则。
2.理解混凝土楼盖的常见结构和设计要求。
3.熟悉楼盖设计的计算方法和步骤。
技能目标包括:1.能够运用所学知识进行楼盖的设计计算。
2.能够根据设计要求选择合适的楼盖结构和材料。
3.能够进行楼盖设计的图表绘制和文字说明。
情感态度价值观目标包括:1.培养学生的工程责任感和安全意识,使其在设计过程中能够充分考虑结构和安全性。
2.培养学生的创新意识和团队合作精神,使其能够在设计过程中提出合理的方案并与他人合作完成设计。
二、教学内容本课程的教学内容主要包括混凝土楼盖的设计原理、设计方法和实际应用。
具体包括以下几个部分:1.楼盖的受力特点和设计原则:介绍楼盖在荷载作用下的受力特点,以及设计楼盖时应遵循的原则。
2.混凝土楼盖的常见结构和设计要求:介绍混凝土楼盖的常见结构形式,以及各种结构的设计要求和计算方法。
3.楼盖设计的计算方法和步骤:讲解楼盖设计的计算方法和步骤,包括荷载计算、内力计算、截面设计等。
4.楼盖设计的实际应用:通过实际案例分析,使学生能够将所学知识应用于实际楼盖设计中。
为了提高学生的学习兴趣和主动性,本课程将采用多种教学方法相结合的方式进行教学。
具体包括以下几种方法:1.讲授法:通过教师的讲解,使学生掌握楼盖设计的基本原理和计算方法。
2.案例分析法:通过分析实际案例,使学生能够将所学知识应用于实际楼盖设计中。
3.实验法:通过实验,使学生能够直观地了解楼盖的受力特点和设计要求。
4.讨论法:通过小组讨论,培养学生的团队合作精神和创新意识。
四、教学资源为了支持教学内容和教学方法的实施,丰富学生的学习体验,我们将选择和准备以下教学资源:1.教材:选用权威、实用的楼盖设计教材,作为学生学习的主要参考资料。
混凝土结构设计课程设计–整体式单向板肋梁楼盖1. 课程设计概述本次课程设计的任务是设计一个混凝土结构的整体式单向板肋梁楼盖。
该楼盖包括两个部分:一层地面的停车场和上方的公寓。
整个楼盖跨度较大,需要考虑选用何种材料和结构形式。
设计任务涉及到多方面的知识,包括荷载计算、结构形式的选择、截面设计等内容。
2. 设计荷载设计荷载是指在设计结构时需要承载的外部荷载,也是本次课程设计的重点之一。
荷载的计算需要考虑多种因素,包括自重、雪荷载、风荷载、人员活载和车辆荷载等。
在本次设计中,我们假设设计地区为中国南方地区,按照国家标准《建筑结构荷载标准》(GB50009-2012)中的规定进行荷载计算。
设计荷载的详细计算过程在此不作过多赘述。
3. 结构形式的选择在本次课程设计中我们选用整体式单向板肋梁结构。
这种结构形式具有结构高度低、选用方便等特点,适用于跨度较大的建筑物。
在选定结构形式之后,我们需要进行截面设计,以确保结构的强度、刚度和稳定性。
4. 截面设计整体式单向板肋梁结构的截面设计涉及到板、肋、梁的尺寸和配筋参数等内容。
在本设计中,为了实现截面的合理设计,我们采用了软件进行结构分析和计算,最终输出设计结果。
具体的设计细节和流程如下。
4.1. 整体式单向板设计板是整体式单向板肋梁结构中的主要构件之一,其设计需要考虑荷载、结构高度等因素。
在本设计中,板厚度选用10cm,混凝土等级为C30,钢筋混凝土板配筋率为0.5%。
4.2. 肋设计肋的设计主要考虑肋高度和肋跨度两个因素。
在本设计中,肋高度选用25cm,肋跨度选用4m。
钢筋混凝土肋配筋率为1.5%。
4.3. 梁设计梁是整体式单向板肋梁结构中的次要构件,其设计主要考虑梁高度和梁跨度。
在本设计中,梁高度选用40cm,梁跨度选用7m。
梁采用双筋矩形截面设计,钢筋混凝土梁配筋率为2%。
5. 梁柱节点设计梁柱节点是指梁与柱之间连接的部分,其设计需要考虑梁、柱的受力情况。
本设计中采用钢筋混凝土柱,柱径选用45cm,钢筋混凝土柱配筋率为2%。
单向板楼盖设计课程设计一、课程目标知识目标:1. 让学生掌握单向板楼盖的基本结构原理,理解其力学特性及在设计中的应用。
2. 使学生了解单向板楼盖施工图的基本表示方法,能够识别并解读相关工程图纸。
3. 帮助学生掌握单向板楼盖设计中涉及的材料选择、荷载分析、内力计算等基本知识。
技能目标:1. 培养学生运用相关设计规范和工程手册进行单向板楼盖设计的实际操作能力。
2. 提高学生运用计算机辅助设计软件(如CAD)绘制单向板楼盖施工图的能力。
3. 培养学生分析工程案例,解决实际工程问题的能力。
情感态度价值观目标:1. 培养学生严谨、负责的工作态度,注重工程设计中的细节和规范。
2. 激发学生对土木工程专业的兴趣,提高其对工程设计的热情。
3. 培养学生的团队协作意识,使其在工程设计过程中学会沟通、分享和合作。
本课程针对高年级土木工程专业学生,结合课程性质、学生特点和教学要求,明确以上课程目标。
通过本课程的学习,学生将能够具备单向板楼盖设计的基本知识和技能,为今后的工程实践打下坚实基础。
同时,课程注重培养学生的职业素养和团队协作能力,使其成为具有较高综合素质的土木工程人才。
二、教学内容1. 单向板楼盖结构原理:讲解单向板楼盖的基本构成、力学模型及受力特点,结合教材第3章相关内容,让学生深入理解单向板楼盖的工作原理。
2. 材料与荷载:介绍单向板楼盖设计中常用的建筑材料及选择原则,分析各类荷载的特点及计算方法,参考教材第4章内容,为学生提供实际设计中的参考依据。
3. 内力计算与配筋设计:详细讲解单向板楼盖的内力计算方法,包括弯矩、剪力、挠度等,并教授配筋设计的原则及步骤,依据教材第5章内容,使学生掌握设计过程。
4. 施工图绘制:教授单向板楼盖施工图的绘制方法,结合教材第6章内容,培养学生运用CAD等软件绘制施工图的能力。
5. 设计案例分析与讨论:选取典型单向板楼盖设计案例,组织学生进行讨论分析,结合教材第7章内容,提高学生解决实际工程问题的能力。
整体式钢筋混凝土楼盖设计课程设计课程设计任务书一、建筑名称金星金笔厂二、课程设计资料1、结构类型:(1)混合结构,中间为钢筋混凝土柱承重,外墙为承重墙。
(2)框架结构,钢筋混凝土柱承重,外墙为自承重墙。
抗震设防烈度为6度,设计使用年限为50年。
2、层数及立面尺寸层数为4层,中间层为标准层。
首层层高4.2m,其它层层高均为3.9m,女儿墙高0.5m。
室内外高差为0.45m,基础位于室外地坪下1.5m处。
楼梯位于相连建筑中,也可自行布置。
混合结构板伸入墙体120mm,次梁伸入墙体240mm,主梁伸入墙体360mm框架结构柱截面尺寸为500X500mm。
3、结构轴线平面尺寸柱网平面尺寸:3a×b=7.5×5.1,a为板的跨度,板的跨度为2.5m,3a为主梁跨度即主梁的跨度为7.5m,b为次梁跨度即次梁的跨度为5.1m,平面类型一。
4、荷载:楼面可变荷载: 5.0kN/m2楼面水泥砂浆面层20mm,容重19kN/m2;板及梁底石灰砂浆粉刷15mm厚,容重17kN/m2;5、建筑材料:混凝土强度等级为:C30钢筋:直径小于12mm的为HPB300级;直径大于等于12mm的为HRB335级;设计内容连续单向板或双向板的设计计算,可采用塑性设计方法或弹性设计方法计算内力,并绘出配筋草图。
②按弹性或塑性设计方法设计连续次梁,并绘出配筋草图。
③按弹性设计方法设计连续主梁,绘出配筋草图。
④绘制楼盖结构平面布置图(1:100),主要内容包括:现浇板的配筋,梁、柱的布置及编号。
⑤绘制次梁配筋详图,纵剖面比例1:50,横剖面比例1:15;⑥绘制主梁配筋详图,纵剖面比例1:50,横剖面比例1:20;绘制弯矩包络图和材料抵抗图。
,3、平面结构布置3.1 结构平面布置及构件尺寸选择确定主梁的跨度为7.5m,次梁的跨度为 5.1m,主梁每跨内布置两根次梁,板的跨度为2.5m。
根据构造要求,初定截面如下:按跨高比条件要求:板厚h≥L/40,L=2500mm,h≥L/40=2500/40=62.5mm,对工业建筑的楼板,要求h≥70mm,取板厚h=80mm。
仓库楼盖的课程设计一、课程目标知识目标:1. 学生能理解仓库楼盖的基本结构原理,掌握其承重、稳定性和耐久性的相关知识。
2. 学生能描述不同类型的仓库楼盖特点,并分析其适用场景。
3. 学生掌握仓库楼盖设计的基本参数和计算方法。
技能目标:1. 学生能够运用所学知识,进行简单的仓库楼盖设计和计算。
2. 学生能够运用图纸和模型,展示仓库楼盖的设计方案,并进行简单的陈述和解释。
情感态度价值观目标:1. 培养学生对工程设计和建筑学科的兴趣,激发学生的创新意识和实践欲望。
2. 增强学生的团队合作意识,培养学生沟通、协调和解决问题的能力。
3. 强化学生对安全、环保和节能等社会价值观的认识,使其在设计中注重楼盖的可持续性。
分析课程性质、学生特点和教学要求:本课程为建筑学科相关课程,旨在让学生了解并掌握仓库楼盖的设计原理和方法。
考虑到学生所在年级,课程内容将结合实际案例,以基础知识为主,逐步引导学生运用所学知识进行设计实践。
课程目标旨在让学生在掌握相关知识的基础上,培养其设计能力和创新思维,同时注重培养良好的情感态度价值观。
通过具体的学习成果分解,为后续教学设计和评估提供明确的方向。
二、教学内容1. 仓库楼盖的基本原理- 结构类型与特点- 承重、稳定性和耐久性分析- 安全与环保要求2. 仓库楼盖设计方法- 设计参数的选取与计算- 不同类型楼盖的适用场景- 节能、减排措施的应用3. 设计实践与案例分析- 简单楼盖设计练习- 案例分析:国内外典型仓库楼盖设计- 团队合作完成设计方案4. 教学大纲安排- 第一周:仓库楼盖基本原理学习- 第二周:设计参数与计算方法学习- 第三周:案例分析与实践操作- 第四周:设计方案展示与评价教学内容参考教材章节:1. 仓库楼盖基本原理与结构类型:第三章第一节2. 承重、稳定性与耐久性分析:第三章第二节3. 设计方法与案例分析:第四章第一节、第二节4. 设计实践:第四章第三节教学内容注重科学性和系统性,结合课程目标,有序安排教学进度,使学生在掌握理论知识的基础上,提高实践操作能力。