楼盖课程设计(附施工图)
- 格式:docx
- 大小:654.52 KB
- 文档页数:14
楼面面层:30厚水磨石板底粉刷:15厚混合砂浆楼面活荷载标准值:qk =8KN m/2混凝土强度等级:C30梁主筋级别:Ⅱ、Ⅲ级其余钢筋级别:Ⅰ级二、楼盖的结构平面布置1.主梁沿横向布置,次梁沿纵向布置。
确定主梁的跨度为6.3m,次梁的跨度为6.6m,1主梁每跨内布置两根次梁,板的跨度为2.1m 。
楼盖结构布置图如下:2. 按高跨比条件,当板厚h ≥140 L =52.5mm 时,满足刚度要求,可不验算扰度。
对于工业建筑的楼盖板,要求h ≥80mm ,故取板厚h=80mm 。
3. 次梁的截面高度应满足h=(118 ~112)L=(367~550)mm ,取h=500mm ,则b=(13 ~12)h=(167~250)mm,取b=200mm 。
4. 主梁的截面高度应该满足h=(115 ~110)L=(420~630)mm,取h=600mm ,则b=(13 ~12)h=(200~300)mm ,取b=250mm 。
三、 板的设计1. 荷载计算:板的恒荷载标准值:15厚混合砂浆 0.015×17=0.255kN/m 230厚水磨石 0.03×20=0.6kN/m280mm厚钢筋混凝土板 0.08×25=2kN/m2小计 2.855kN/m2板的活荷载标准值 8kN/m2恒荷载分项系数取1.2;因为工业建筑楼盖且楼面活荷载标准大于4.0kN/m2,所以活荷载分项系数取1.3。
于是板的恒荷载设计值 g=2.855×1.2=3.426kN/m2活荷载设计值 q=8×1.3=10.4kN/m2荷载总设计值 g+q=13.826kN/m2近似取为 g+q=14.0kN/m22.计算简图:次梁截面为200mm×500mm,现浇板在墙上的支承长度不小于100mm,取板在墙上的支承长度为120mm。
按塑性内力重分布设计,板的计算跨度:边跨:L0=Ln+h2=2100-200/2-120+80/2=1920mm<1.025Ln=1927mm,取L=1920mm中跨: L0= Ln=2100-200=1900mm板为多跨连续板,对于跨数超过五跨的等截面连续板,其各跨受荷相同,且跨差不超过10%时,均可按五跨等跨度连续板计算。
钢结构楼盖课程设计一、课程目标知识目标:1. 让学生理解钢结构楼盖的基本概念、分类及结构特点;2. 掌握钢结构楼盖的构造、连接方式及其在建筑中的应用;3. 了解钢结构楼盖的施工工艺、施工要点及质量标准。
技能目标:1. 培养学生运用基本原理分析、解决钢结构楼盖施工中遇到的问题;2. 提高学生识图、绘图能力,能独立完成钢结构楼盖施工图的识读和绘制;3. 培养学生团队协作能力,能参与钢结构楼盖施工项目的组织与管理。
情感态度价值观目标:1. 激发学生对钢结构建筑及工程技术领域的兴趣,培养其探究精神;2. 培养学生严谨、务实的学习态度,注重施工质量,遵循职业道德;3. 增强学生的环保意识,了解绿色建筑及可持续发展的重要性。
课程性质分析:本课程为专业技术类课程,以工程实践为导向,结合理论知识,培养学生的实际操作能力。
学生特点分析:高年级学生具备一定的专业基础知识,具有较强的自学能力、分析问题和解决问题的能力。
教学要求:1. 结合实际工程案例,注重理论与实践相结合,提高学生的实际操作能力;2. 采用项目驱动、任务驱动等教学方法,激发学生的学习兴趣和积极性;3. 强化团队合作,培养学生的沟通协调能力和组织管理能力。
二、教学内容1. 钢结构楼盖基本概念与分类:介绍钢结构楼盖的定义、功能及分类,包括桁架式、网格式、框架式等结构形式。
教材章节:第二章 钢结构楼盖概述2. 钢结构楼盖构造与连接:讲解钢结构楼盖的构造要素、连接方式,如焊缝、螺栓连接等。
教材章节:第三章 钢结构楼盖构造与连接3. 钢结构楼盖施工工艺:分析钢结构楼盖施工流程、施工方法,包括钢材加工、构件组装、现场安装等。
教材章节:第四章 钢结构楼盖施工工艺4. 钢结构楼盖施工图识读与绘制:培养学生识图、绘图能力,掌握施工图的表示方法、符号及标注。
教材章节:第五章 钢结构楼盖施工图识读与绘制5. 钢结构楼盖施工质量控制:介绍施工过程中的质量标准、验收要求,分析常见质量问题及预防措施。
半导体器件生产车间楼盖设计楼盖平面图1、设计资料:(1)楼面做法:20mm厚水泥砂浆面层,钢筋混凝土现浇板,15mm石灰砂浆抹底;(2)楼面荷载;均布活荷载标准值6KN/m2;(3)材料:混凝土强度等级C25,梁内受力纵筋HRB335,HRB235钢筋。
2、楼盖的结构平面布置确定主梁的跨度为6.3m,次梁的跨度为5.1m,主梁每跨内布置两根次梁,板的跨度为2.1m。
楼盖平面布置见下图:按高跨比条件,要求板厚h≥2100/40=52mm,对工业建筑的楼盖板,要求h≥80mm,取板厚h=80mm。
次梁截面高度应满足h=L/18—L/12=5100/18—5100/12=(283—425)mm.考虑到楼面活荷载比较大,取h=400mm,截面宽度取为200mm。
楼盖结构平面布置图主梁的截面高度应满足h=L/15—L/10=6300/15—6300/10=(420—630)mm,取h=600mm,截面宽度取为300mm。
3、板的设计(1)荷载板的恒荷载标准值20mm水泥砂浆面层 0.02³19=0.38KN/m280mm钢筋混凝土板 0.08³25=2.00KN/m220mm板底石灰砂浆 0.015³17=0.255KN/m2小计:2.64KN/m2板的活荷载标准值 6 KN/m2恒荷载分项系数取1.2,因为是工业建筑楼盖,且楼面活荷载标准值大于4.0KN/m2,所以活荷载分项系数取1.3,于是板的:恒荷载设计值:g=2.64³1.2=3.17KN/m2活荷载设计值:q=6³1.3=7.8KN/m2荷载总设计值:g+q=10.97KN/m2,近似取为g+q=11.0KN/m2(2)计算简图次梁截面为200³400,现浇板在墙上支承长度不小于120mm,现浇板在墙上的支承长度为120mm。
按内力重分布设计,板的计算跨度:边跨:l01=ln+h/2=2100-100-120+80/2=1920mm<1.025ln=1827mm,取l01=1920mm中间跨:l02=ln=2100-200=1900mm因跨度相差小于10%,可按等跨连续板计算,取1m宽板带作为计算单元,计算简图如下:(3)弯矩设计值由表12-1可查得,板的弯矩系数am分别为:边跨跨中,1/11;离端第二支座,-1/11;中间跨跨中,1/16;中间支座-1/14。
现浇混泥土楼盖课程设计一、课程目标知识目标:1. 让学生理解现浇混凝土楼盖的基本结构原理,掌握其设计方法和施工技术。
2. 使学生掌握楼盖体系中各类构件的作用,了解其相互关系及对整体结构性能的影响。
3. 帮助学生了解现浇混凝土楼盖的材料性能、施工工艺及质量控制标准。
技能目标:1. 培养学生运用理论知识,进行现浇混凝土楼盖设计计算的能力。
2. 提高学生分析楼盖结构问题,提出合理解决方案的能力。
3. 培养学生运用专业软件进行楼盖结构建模、分析和优化设计的能力。
情感态度价值观目标:1. 培养学生对建筑结构工程的兴趣,激发他们热爱专业、追求卓越的精神。
2. 引导学生关注工程质量、安全及环保等方面的问题,提高他们的社会责任意识。
3. 培养学生团队协作精神,提高沟通协调能力,为未来从事相关工作打下基础。
课程性质:本课程为专业实践课程,旨在帮助学生将理论知识与实际工程相结合,提高解决实际问题的能力。
学生特点:学生已具备一定的建筑结构基础知识,具有较强的学习兴趣和动手能力。
教学要求:结合学生特点,注重理论与实践相结合,充分调动学生的主观能动性,提高他们的创新能力和实践操作能力。
通过本课程的学习,使学生能够达到以上所述课程目标,并为后续课程的学习和未来工作打下坚实基础。
二、教学内容1. 现浇混凝土楼盖结构原理:讲解楼盖体系的基本构成,包括梁、板、柱等构件的作用,分析各构件间的相互关系及对整体结构性能的影响。
2. 现浇混凝土楼盖设计方法:介绍楼盖设计的基本流程,包括荷载计算、内力分析、截面设计和配筋计算等内容,结合教材相关章节进行详细讲解。
3. 现浇混凝土楼盖施工技术:讲解楼盖施工的工艺流程,包括模板制作、钢筋绑扎、混凝土浇筑、养护等环节,强调施工质量控制要点。
4. 材料性能与选择:介绍现浇混凝土楼盖所用材料的性能指标,包括混凝土、钢筋等,分析不同材料对楼盖结构性能的影响。
5. 结构分析与优化设计:运用专业软件进行楼盖结构建模、分析和优化设计,提高学生解决实际工程问题的能力。
单向板肋梁楼盖课程设计某多层民用建筑,平面尺寸为36m ×22.5m ,楼层高4.5m ,楼盖要求采用单向板肋梁楼盖,墙厚240mm ,壁柱截面尺寸为370mm ×370mm ,中柱为钢筋混凝土柱,截面尺寸为400mm ×400mm 。
楼盖层面做法:20mm 原水泥砂浆抹平后做100mm 厚水磨石面层,板底采用20mm 厚混合砂浆,天棚抹灰。
可变荷载标准值Q k =7.5kN/m 2,Qγ=1.3。
材料选用:C30混凝土;主、次梁内纵向受力钢筋采用HRB400级热轧钢筋,其余钢筋采用HPB235级热轧钢筋。
一.结构平面布置由查表得:ƒc =14.3N/mm---2, ƒt =1.43N/mm 2ƒtk =2.01N/mm---2, E c =3×104N/mm 2由查表得: HRB400级钢筋:ƒy =360N/mm---2, E s =2.1×105N/mm 2HRB235级钢筋:ƒy =ƒ’y =360N/mm---2, E s =2.1×105N/mm21、结构平面布置:结构平面布置如下图所示,主梁横向布置,跨度为7500mm ,间距为7200mm ,次梁为纵向布置,跨度为7200mm ,间距为2500mm 。
区格长短边之比为2.88,按单向肋梁板楼盖设计。
2、截面尺寸:(1)板: 按刚度要求,连续板的厚度取:mm l5.6240h =>,所以取h=100mm (2)次梁:截面高 mm l 600~4007200)121~181()121~181(h =⨯==,取h=600mm 截面宽 b=250mm (3)主梁:截面高 mm l 5.937~5367500)81~141()81~141(h =⨯==,取h=900mm 截面宽 b=300mm二.板的设计1. 荷载计算板自重: 0.1×25=2.5kN/m 2楼面面层: 0.02×20+0.01×25=0.65kN/m 2天棚抹灰: 0.02×17=0.34kN/m 2恒载标准值: g k =2.5+0.65+0.34=3.49 kN/m 2恒载设计值: g =1.2g k =4.188 kN/m 2活载标准值: q k =7.5 kN/m 2活载设计值: q =1.3 q k =9.75 kN/m 2设计总荷载: g+q =13.938 kN/m 22. 计算简图计算跨度:次梁截面尺寸 mm mm 600250⨯ 边跨 mm h l l n 23052100)22501202500(201=+--=+= 中跨 mm l l n 2250250250002=-==因相差极小与0201l l ,故可按等跨计算,且近似取计算跨度mm l 18000=。
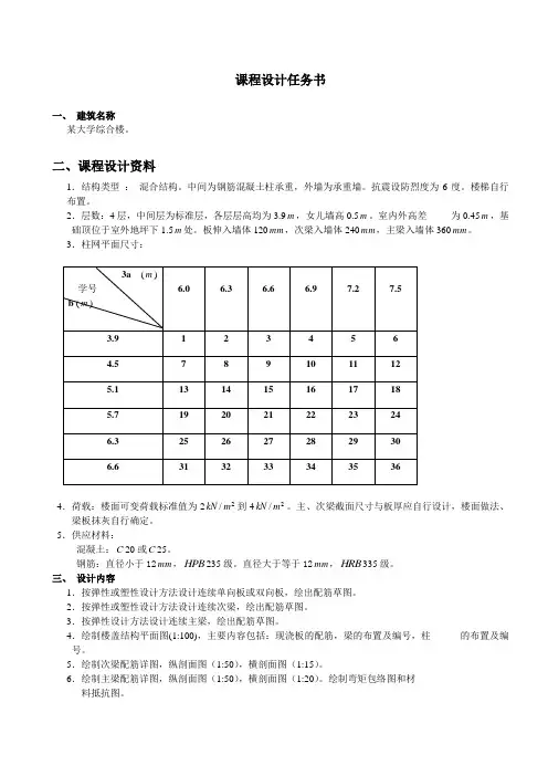
课程设计任务书一、建筑名称某大学综合楼。
二、课程设计资料1.结构类型:混合结构。
中间为钢筋混凝土柱承重,外墙为承重墙。
抗震设防烈度为6度。
楼梯自行布置。
2.层数:4层,中间层为标准层,各层层高均为3.9m,女儿墙高0.5m。
室内外高差为0.45m,基础顶位于室外地坪下1.5m处。
板伸入墙体120mm,次梁入墙体240mm,主梁入墙体360mm。
3.柱网平面尺寸:4.荷载:楼面可变荷载标准值为22kN。
主、次梁截面尺寸与板厚应自行设计,楼面做法、/mkN到42/m梁板抹灰自行确定。
5.供应材料:混凝土:C20或C25。
钢筋:直径小于12mm,HPB235级。
直径大于等于12mm,HRB335级。
三、设计内容1.按弹性或塑性设计方法设计连续单向板或双向板,绘出配筋草图。
2.按弹性或塑性设计方法设计连续次梁,绘出配筋草图。
3.按弹性设计方法设计连续主梁,绘出配筋草图。
4.绘制楼盖结构平面图(1:100),主要内容包括:现浇板的配筋,梁的布置及编号,柱的布置及编号。
5.绘制次梁配筋详图,纵剖面图(1:50),横剖面图(1:15)。
6.绘制主梁配筋详图,纵剖面图(1:50),横剖面图(1:20)。
绘制弯矩包络图和材料抵抗图。
四、参考资料1.混凝土结构设计规范(GB50010-2002),中国建筑工业出版社,2002 2.建筑结构荷载规范(GB50009-2001),中国建筑工业出版社,2001 3.混凝土结构(上、中册)一、设计资料:1、楼面做法:20mm厚水泥砂浆面层、钢筋混凝土现浇板、20mm厚石灰砂浆抹底。
2、楼面荷载:均布活荷载标准值2KN/㎡。
3、材料:混凝土强度等级C20,直径大于等于12mm,为HRB335级,直径小于12mm,为HPB235级。
4、细部做法:板伸入墙体120mm,次梁入墙体240mm,主梁入墙体360mm。
二、楼盖的结构平面布置:主梁跨度为7.2m,次梁跨度为5.7m,主梁每跨内布置两根次梁,板的跨度为2.4m,楼盖平面布置图见图1。
课程设计设计题目:双向板肋梁楼盖设计学院:专业:班级:姓名:学号:指导教师:职称:完成日期:年月日目录一、设计任务 (1)1、题目 (1)2、目的要求 (1)3、设计条件 (1)二、本梁板结构系统布置的优缺点评述 (2)1)承重墙、柱网和梁格布置 (2)2)结构布置 (2)3)单向板和双向板肋形结构的区别 (2)三、板厚及梁系截面尺寸的确定 (2)1)板的厚度 (2)2)次梁的截面尺寸 (2)3)主梁的截面尺寸 (2)四、双向板设计 (3)(1)板的荷载计算 (3)(2)板的计算跨度l0 的计算 (4)(3)弯矩计算 (4)(4)板的配筋 (6)(5)板的配筋图 (8)五、次梁设计 (8)(1)计算跨度 (8)(2)荷载计算 (8)(3)内力计算 (9)1)弯矩计算 (9)2)剪力计算 (11)(4)正截面承载力计算 (13)(5)斜截面承载力计算 (14)(6)次梁构造 (15)六、裂缝验算 (15)七、挠度验算 (15)八、楼梯设计 (16)(1)梯段板设计 (16)(2)平台板设计 (17)(3)平台梁设计 (17)九、设计心得 (16)附页:图纸---------------------------------------------------------------------------------------------------- 20双向板肋梁楼盖设计计算书一、设计任务1、题目双向板肋梁楼盖2、目的要求钢筋混凝土与砌体结构课程设计是教学计划中的一个重要的实践性教学环节,对培养和提高学生房屋结构设计基本技能,学会运用技术规范和标准图册,掌握施工图的绘制方法,培养学生利用计算机软件绘图;启发学生对实际结构工作情况的认识和巩固所学的理论知识,培养学生综合运用所学知识分析与解决问题的能力、了解钢筋混凝土结构设计一般程序和内容,为毕业设计及今后从事实际工作奠定初步基础具有重要作用。
2.1 目的1)了解双向板肋梁楼盖的荷载传递关系及其计算简图的确定;2)掌握板厚及梁系截面尺寸的确定方法;3)通过板的计算,掌握弹性内力计算方法,熟悉按棋盘式布置活荷载考虑不利组合;4)通过主、次梁的计算,掌握按弹性理论分析内力的计算方法,并熟悉内力包络图和材料图的绘制方法;5)掌握板、主次梁的配筋计算、冲切验算,了解并熟悉现浇梁板结构的有关构造要求;6)掌握钢筋混凝土结构施工图的表达方法、制图规定,进一步提高制图的基本技能。
单向板楼盖设计课程设计一、课程目标知识目标:1. 让学生掌握单向板楼盖的基本结构原理,理解其力学特性及在设计中的应用。
2. 使学生了解单向板楼盖施工图的基本表示方法,能够识别并解读相关工程图纸。
3. 帮助学生掌握单向板楼盖设计中涉及的材料选择、荷载分析、内力计算等基本知识。
技能目标:1. 培养学生运用相关设计规范和工程手册进行单向板楼盖设计的实际操作能力。
2. 提高学生运用计算机辅助设计软件(如CAD)绘制单向板楼盖施工图的能力。
3. 培养学生分析工程案例,解决实际工程问题的能力。
情感态度价值观目标:1. 培养学生严谨、负责的工作态度,注重工程设计中的细节和规范。
2. 激发学生对土木工程专业的兴趣,提高其对工程设计的热情。
3. 培养学生的团队协作意识,使其在工程设计过程中学会沟通、分享和合作。
本课程针对高年级土木工程专业学生,结合课程性质、学生特点和教学要求,明确以上课程目标。
通过本课程的学习,学生将能够具备单向板楼盖设计的基本知识和技能,为今后的工程实践打下坚实基础。
同时,课程注重培养学生的职业素养和团队协作能力,使其成为具有较高综合素质的土木工程人才。
二、教学内容1. 单向板楼盖结构原理:讲解单向板楼盖的基本构成、力学模型及受力特点,结合教材第3章相关内容,让学生深入理解单向板楼盖的工作原理。
2. 材料与荷载:介绍单向板楼盖设计中常用的建筑材料及选择原则,分析各类荷载的特点及计算方法,参考教材第4章内容,为学生提供实际设计中的参考依据。
3. 内力计算与配筋设计:详细讲解单向板楼盖的内力计算方法,包括弯矩、剪力、挠度等,并教授配筋设计的原则及步骤,依据教材第5章内容,使学生掌握设计过程。
4. 施工图绘制:教授单向板楼盖施工图的绘制方法,结合教材第6章内容,培养学生运用CAD等软件绘制施工图的能力。
5. 设计案例分析与讨论:选取典型单向板楼盖设计案例,组织学生进行讨论分析,结合教材第7章内容,提高学生解决实际工程问题的能力。
混凝土楼盖课程设计施工图一、课程目标知识目标:1. 让学生掌握混凝土楼盖的基本构造、材料性能及设计原理,能够准确识别并描述混凝土楼盖施工图中的各个部分。
2. 使学生了解混凝土楼盖施工过程中的关键技术要求,包括模板制作、钢筋布置、混凝土浇筑及养护等。
3. 帮助学生掌握混凝土楼盖施工图的绘制方法,能够独立完成简单混凝土楼盖施工图的绘制。
技能目标:1. 培养学生运用专业软件绘制混凝土楼盖施工图的能力,提高其计算机辅助设计技能。
2. 培养学生分析混凝土楼盖施工图问题、解决问题的能力,提高其施工现场实际操作能力。
3. 培养学生团队协作能力,通过分组讨论、协作完成混凝土楼盖施工图的绘制。
情感态度价值观目标:1. 培养学生对建筑行业的热爱,增强其对工程质量的意识,树立良好的职业道德观念。
2. 培养学生严谨、细致、负责任的工作态度,提高其面对复杂工程问题的自信和勇气。
3. 引导学生关注绿色建筑、节能环保等社会热点问题,培养其社会责任感和使命感。
课程性质:本课程为专业实践课程,以混凝土楼盖施工图的绘制与识读为主线,结合实际工程案例,培养学生具备实际操作能力和工程素养。
学生特点:学生具备一定的建筑基础知识,具有较强的学习能力和动手能力,但对混凝土楼盖施工图的绘制与识读尚处于起步阶段。
教学要求:教师应注重理论与实践相结合,采用案例教学、分组讨论等多种教学方法,激发学生学习兴趣,提高课程教学效果。
同时,注重过程评价与终结评价相结合,全面评估学生的学习成果。
二、教学内容1. 混凝土楼盖的基本构造与材料性能:介绍混凝土楼盖的组成、分类及其材料性能,重点讲解混凝土、钢筋等主要材料的技术要求。
教材章节:第二章“建筑结构材料”第二节“混凝土与钢筋”2. 混凝土楼盖设计原理:讲解混凝土楼盖的设计方法、受力分析及计算原则,使学生掌握楼盖设计的基本原理。
教材章节:第三章“混凝土结构设计”第一节“楼盖设计原理”3. 混凝土楼盖施工图绘制:教授混凝土楼盖施工图的绘制方法、符号及标注规范,训练学生独立完成施工图的绘制。
钢筋混凝土现浇楼盖课程设计计算书陈卿世东建工(3)092班2011年6月1. 设计背景(1)某多层工业建筑的楼盖平面,如图所示。
楼梯设置在旁边的附属房屋内。
外墙厚为240mm ,钢筋混凝土柱截面尺寸为370mm ×370mm ,楼盖采用现浇钢筋混凝土单向板肋梁楼盖。
(2)楼面均布活荷载标准值为8KN/㎡。
(3)楼面做法:20mm 厚水泥砂浆面层,钢筋混凝土现浇板,天棚抹灰为20mm 厚混凝砂浆。
(4)材料选用混凝土:采用C20级(c f =9.6N/mm 2,t f =1.1N/mm 2,1α=1.0);钢筋:梁中受力纵筋采用HRB335级(y y f f '==300N/ mm 2),其余钢筋均采用HPB235级(y y f f '== 210N/mm2)。
图1 楼盖平面图2、楼盖结构平面布置及截面尺寸的确定根据楼盖平面图可以确定:主梁的跨度为6m次梁的跨度为4.5m板的跨度为2m(主梁每跨内布置两根次梁,以使弯矩图较为平缓)(1)确定板厚:考虑刚度要求,板厚h≥1/40Lo=1/40×2000mm=50mm,考虑工业建筑楼板最小厚度为70mm,并且考虑到本工程的可变荷载较大,取h=80mm. (2)确定次梁截面尺寸:h=(1/18 ~1/12)Lo=250mm~375mm,取h=400mm,b=(1/3~1/2)h=134mm~200mm,取b=200mm,所以次梁的截面尺寸为:b×h=200mm×400mm(3)确定主梁截面尺寸:h=(1/14~1/8)Lo=429mm~750mm,取h=600mm,b=(1/3~1/2)h=200~300mm,取b=250mm,所以主梁的截面尺寸为:b×h=250mm×600mm.3、板的设计板的设计考虑塑性内力重分布方法计算,板在墙上的支承长度为120mm,板的实际支承情况如图2所示:图2.板的实际支承情况(1)荷载计算:20mm厚水泥砂浆面层:0.02×20=0.4KN/㎡80mm厚钢筋混凝土现浇板:0.08×25=2.0KN/㎡20mm厚天棚抹灰砂浆:0.02×17=0.34KN/㎡恒荷载标准值:gk=2.74KN/㎡活荷载标准值:qk=8.0KN/㎡总荷载设计值:1.2×gk+1.3qk=13.69KN/㎡(2)内力计算:计算跨度:边跨: Lo1=Ln+h/2=2000-100-120+80/2=1820mm中间跨: Lo2=Lo3=Ln=2000-200=1800mm跨度差[(1820-1800)/1800]×100%=1.1%<10%,故可按等跨连续板计算,计算简图如图所示:图3.板计算简图(3)板的配筋计算:取1m宽版带作为计算单元,b=1000mm,h=80mm,ho=80-20=60mm,钢筋采用HPB235级(fy= 210N/mm2),混凝土采用C20(fc= 9.6N/mm2)。
楼盖课程设计一、设计条件1.生产车间的四周外墙均为承重砖墙,内设钢筋混泥土柱,其截面尺寸为350mm×350mm。
2.荷载(1)楼面活荷载,5.5K N/㎡(2)楼面面层:水磨石地面 0.65 K N/㎡(3)楼盖自重:钢筋混泥土容重γ=25 KN/m3(4)平顶粉刷:20mm水泥砂浆(20 KN/m3)3.材料(1)混泥土:C25(2)钢筋:主梁及次梁受力筋用HRB335,板内及梁内的其它钢筋可以采用HPB235。
二、设计内容1.结构平面布置图:主梁沿横向布置,次梁沿纵向布置。
①主梁跨度为6600mm,次梁的跨度为5400mm,主梁每跨内布置两根次梁,板的跨度为2200mm,l02/l01 =5.4/2.2=2.45,因此按单向板设计②按跨高比条件,要求板厚h≥2200/40=55mm,对工业建筑的楼盖板,要求h≥80mm,取板厚h=80mm。
③次梁截面高度应满足h=l∕18~l∕12=5400∕18~5400∕12=300~450。
考虑到楼面可变荷载比较大,取h=400mm,截面宽度取为b=200mm。
④主梁截面高度应满足h=l∕15~l∕10=6600∕15~6600∕10=440~660,取h=650mm。
截面宽取b=300mm。
楼盖结构平面布置图如图已如前述,轴线①~②,⑥~⑦的板属于端区格单向板;轴线②~⑥的板属于中间区格单向板。
(1)荷载水磨石层面:0.65 K N/㎡;80mm钢筋混泥土板:0.08×25=2 K N/㎡20mm水泥砂浆:0.02×20=0.4K N/㎡板的永久荷载标准值:0.65+2+0.4=3.05 K N/㎡板的可变荷载标准值:5.5 K N/㎡永久荷载分项系数取1.2;因楼面可变荷载标准值大于4.0K N/㎡,所以可变荷载分项系数应取1.3,则板的:板的永久荷载设计值:g=3.05×1.2=3.66 K N/㎡;板的可变荷载设计值:q=5.5×1.3=7.15K N/㎡荷载总设计值:g+q=10.81 K N/㎡,近似取为11 K N/㎡。
1.设计材料某多层工业厂房,采用多层混合结构承重体系。
钢筋混凝土柱截面尺寸中柱600×600。
楼盖为整体式钢筋混凝土肋梁楼盖(次梁宽度取250mm,主梁宽度取250mm)其平面图如图所示(1)楼面构造做法20mm厚的水泥砂浆面层,80mm钢筋混凝土现浇板,板底15mm 厚石灰砂浆粉刷层。
(2)活荷载:标准值为6kN/m2,永久荷载:包括梁、板及构造层自重。
钢筋混凝土容重25 kN/m3,水泥砂浆容重20 kN/m3,石灰砂浆容重17 kN/m3,(3)恒荷载分项系数为1.2;活荷载分项系数1.3。
(4)材料选用混凝土采用C25(f c=11.9N/mm2,f t=1.27N/mm2)钢筋梁中受力纵筋采用HRB335级( f y=300N/mm2);其余采用HPB300级(f y=270N/mm2)。
2.板的计算主梁跨度6m,次梁跨度7.2m 主梁每跨放2个次梁跨度2m板的6000mm/2000mm=3,则可按单向板计算。
2000/40=50因为h>=70所以板的厚度取h=80mm7200/18=400mm,7200/12=600mm 次梁的截面高度取h=450mm 200~300所以截面宽度取b=250mm。
(1)荷载20mm厚的水泥砂浆面层0.02×20kN/m3=0.4kN/m280mm厚钢筋混凝土板0.08×25kN/m3=2.0kN/m215mm厚石灰砂浆粉刷层0.015×17kN/m3=0.255kN/m2合计g k=2.655kN/m2线恒载设计值g=1.2×2.655kN/m=3.186kN/m线活载设计值q=1.3×6kN/m=7.8kN/m即每米板宽g+q=10.986kN/m(2)内力计算ln+h/2=2-0.12-0.25/2+0.08/2=1.795mln+a/2=2-0.12-0.25/2+0.12/2=1.815ml0=1.795m中间跨2-0.25=1.75m计算跨度差(1.795-1.75)m/2m=2.25%<10%,取1m板宽作为单元计算表一连续板各截面弯矩计算表二连续板各截面的配筋计算b=1000mm,h=80mm,h0=80mm-20mm=60mm,α1=1.0 f c=11.9N/mm2 f y=270N/mm23.次梁计算主梁梁高h=650mm>6000/12=500mm,梁宽b=250mm(1)荷载恒载设计值由板传来 3.186kN/m2×2m=6.372kN/m 次梁自重 1.2×25kN/m3×0.25m×(0.45-0.08)m=2.775kN/m 梁侧抹灰 1.2×17kN/m3×0.015m×(0.45-0.08)m×2=0.226kN/mg=9.373kN/m活载设计值由板传来q=7.8kN/m2×2m=15.6kN/m 合计g+q=24.973kN/m(2)内力计算计算跨度边跨l n=7.2m-0.12m-0.25m/2=6.955ml n+a/2=6.955m+0.24m/2=7.075m1.025l n=1.025×6.955m=7.129m>7.075m取l0=7.075m中间跨l0=l n=7.2m-0.25m=6.95m跨度差(7.075m-6.95m)/6.95m=1.8%<10%表三连续次梁各截面弯矩计算连续次梁各截面剪力计算表四(3)截面承载力计算次梁跨内截面按T形截面计算,翼缘计算宽度为边跨b’f=l0/3=7075mm/3=2360mm<b+s0=250mm+2400mm=2650mm第二跨和中间跨b’f=6950mm/3=2320mm梁高h=450mm,h0=450mm-35mm=415mm翼缘厚h’f=80mm判别T形截面类型:按第一类T形截面试算。
一、设计资料某工业厂房房屋, 层高3.6m, 总长25.24m, 总宽18.24m, 楼盖采用现浇整体式钢筋混凝土肋梁楼盖, 楼面活荷载标准值6.0 kN/m2, 楼面面层为20㎜厚水泥砂浆面层, 15㎜厚混合砂浆天棚抹灰。
梁、板混凝土均采用C20级;主、次梁受力钢筋采用HRB335级钢, 其他采用HPB300级钢。
二、结构布置楼盖采用单向板肋梁楼盖方案, 其构件尺寸: 板厚80㎜, 次梁截面为b×h=200㎜×400㎜,主梁截面为b×h=250㎜×600㎜, 柱截面为b×h=400㎜×400㎜梁板布置如下图:三、板的计算(板按塑性内力重分布方法计算, 取每米宽板带为计算单元)1.荷载20㎜厚水泥砂浆面层: 20×0.02=0.4 kN/m280㎜厚钢筋混凝土板: 25×0.08=2.0 kN/m215㎜厚混合砂浆抹灰: 17×0.015=0.26 kN/m2恒载标准值: gk=0.4+2.0+0.26=2.66 kN/m2a.活载标准值: pk=6.0 kN/m2b.由可变荷载效应控制的组合: q=1.2×2.66+1.3×6.0=10.99 kN/m2由永久荷载效应控制的组合: q=1.35×2.66+0.7×1.3×6.0=9.05 kN/m2每米板宽: q=10.99 kN/m2.计算简图计算跨度中间跨l0=l n=2000-200=1800㎜边跨l0=l n+(h/2)=2000-120-100+(80/2)=1820㎜l0=l n+(a/2)=1780+(120/2)=1840㎜取l0=1820㎜跨度差(1820-1800)/2=1.1%﹤10%故板可按等跨连续板计算内力。
3.内力计算板的弯矩计算如下表:4.配筋计算b=1000㎜ h=80㎜ h0=80-20=60㎜ f c=9.6 N/㎜2 f y=270 N/㎜2正截面强度计算如下表:截面位置 边跨中第一内支座 中间跨跨中中间跨支座M(kN ·m)3.31﹣3.312.232.23×0.8﹣2.54﹣2.54×0.80.096 0.096 0.065 0.052 0.073 0.0590.1010.101 0.067 0.053 0.076 0.061 0bh A f f ξ=215215 143113162130选用钢筋实配面积(㎜2)251251189189189189注: 对于轴线 间板带, 其中间支座和中间跨中截面弯矩设计值可折减20%实际配筋:min 196 1.10.24%0.2%45450.18%100080270s t y A f bh f ρρ===>=⨯=⨯=⨯及 符合要求根据计算结果及板的构造要求, 画出配筋图, 如图所示。
土木工程专业混凝土结构课程设计(双向板)学校名称: XX大学学生姓名:XXX学生学号:XXXXXXXXXX班级:土木工程目录1.设计背景 (1)1.1设计资料 (1)1.2 设计要求 (2)2.设计方案 (3)2.1板布置图 (3)2.2选用材料,地面的做法: (4)3.方案实施 (4)3.1板的计算 (4)3.1.1板的荷载 (6)3.1.2板的内力及配筋 (6)3.2 梁的计算 (10)3.2.1梁的荷载 (10)3.2.2梁内力计算 (12)3.2.3梁配筋计算 (13)3.2.3.1正截面受配弯筋计算 (13)3.2.3.2斜截面受配弯筋计算 (15)目录1 设计资料 (1)2 板的设计 (1)2.1 荷载 (2)2.2 内力计算 (2)2.3 截面承载力计算 (3)3 次梁设计 (3)3.1 荷载 (4)3.2 内力计算 (4)3.3 截面承载力计算 (5)4 主梁计算 (6)4.1 荷载 (7)4.2 内力计算 (7)4.3 截面承载力计算 (11)4.4 主梁吊筋计算 (13)多层工业厂房单向板肋梁楼盖1 设计资料某多层工业厂房设计使用年限为50年,安全等级为二级,环境类别为一类。
结构形式采用框架结构,其中梁柱线刚度比均大于3。
楼盖采用钢筋混凝土现浇单向板肋梁楼盖,厂房底层结构布置图见图1。
楼面做法、边梁、墙、及柱的位置关系见图2。
图1 底层结构布置图楼面活荷载标准值8kN/m 2,楼面面层为20mm 水泥砂浆,梁板的天棚抹灰为20mm 厚混合砂浆。
材料选用混凝土:采用C30(f c =14.3 N/mm 2)钢筋:梁的受力纵筋采用HRB335级钢筋(f y =300 N/mm 2),其余采用HRB300级钢筋(f y =270 N/mm 2)。
2 板的设计板按塑性内力重分布方法设计。
按刚度条件板厚要求取h=L/30=2000/30≈67mm ,工业厂房楼面最小厚度为70mm ,取板厚h=80mm 。
混凝土楼盖课程设计一、设计任务书二、设计指导书三、设计计算书专业____班级____姓名___设计号____设计时间年月日一、设计任务书1、设计资料⑴、某工业仓库楼盖,平面轴线尺寸如图1示。
其中纵向尺寸为5×A,横向尺寸为3×B(见图1示意)。
楼盖尺寸A、B由指导教师给定;外围墙体为砖墙,采用MU10烧结普通砖、M5混合砂浆砌筑,其中纵墙厚度为370mm,横墙厚度为240mm;轴线通过各墙体截面中心线。
楼梯间设在该平面之外(本课程设计时不考虑) 。
A1=6000;A2=6600;A3=6900;A4=7200;A5=7500;A6=7800;A7=8100;B1=6600 ;B2=6900;B3=7200;B4=7500;B5=7800;B6=8100;B7=8400;⑵、本设计中内柱为钢筋混凝土柱,截面尺寸为350mm×350mm;⑶、楼面采用水磨石面层,自重标准值0.65kN/m2;顶棚为混合砂浆抹灰20mm厚,自重标准值17kN/m3;钢筋混凝土自重标准值按25kN/m3计算。
⑷、混凝土强度等级:C30;梁纵向受力钢筋HRB400,其余钢筋HPB30022、设计内容⑴、按指导教师给定的设计号进行设计,编制设计计算书(设计号的给定方式为:A×B×q×,如:A3B2q5,即为A=6900mm,B=6900mm,q k=6.5kN/m2);⑵、用2号图纸2张绘制楼盖结构施工图,包括结构平面布置图、板配筋图、次梁及主梁配筋图(铅笔图完成) 。
3、设计要求⑴、计算书应书写清楚,字体端正,主要计算步骤、计算公式、计算简图均应列入,图表按顺序编号并尽量利用表格编制计算过程;⑵、图面应整洁,布置应匀称,字体和线条应符合建筑结构制图标准。
图1 楼盖平面轴线尺寸(3)本设计时间为1周,按规定时间和指定教室进行设计。
具体安排为:第1天,任务布置,设计讲课、设计计算;第2天,完成设计计算;第3天, 制图讲课、设计制图;第4、5天,完成设计,进行制图指导、答疑、提问、答辩;二、设计指导书1、结构平面布置按给定的设计号进行单向板肋形楼盖布置,各构件应按类型编号,主梁一般沿横向设置;梁系应贯通,布置应规整,同类构件截面尺寸应尽可能统一;2、设计计算⑴、按构造规定选择板、次梁和主梁截面尺寸;⑵、单向板和次梁采用塑性内力重分布方法计算,利用相应弯矩系数和剪力系数求内力,列表计算截面配筋;主梁采用弹性理论方法计算、按连续梁考虑,分别计算恒荷载和各最不利布置活荷载作用下的内力,绘制弯矩包络图和剪力包络图,列表计算截面配筋;进行主粱附加横向钢筋的计算。
楼面面层:30厚水磨石板底粉刷:15厚混合砂浆楼面活荷载标准值:qk =8KN m/2混凝土强度等级:C30梁主筋级别:Ⅱ、Ⅲ级其余钢筋级别:Ⅰ级二、楼盖的结构平面布置1.主梁沿横向布置,次梁沿纵向布置。
确定主梁的跨度为6.3m,次梁的跨度为6.6m,1主梁每跨内布置两根次梁,板的跨度为2.1m 。
楼盖结构布置图如下:2. 按高跨比条件,当板厚h ≥140 L =52.5mm 时,满足刚度要求,可不验算扰度。
对于工业建筑的楼盖板,要求h ≥80mm ,故取板厚h=80mm 。
3. 次梁的截面高度应满足h=(118 ~112)L=(367~550)mm ,取h=500mm ,则b=(13 ~12)h=(167~250)mm,取b=200mm 。
4. 主梁的截面高度应该满足h=(115 ~110)L=(420~630)mm,取h=600mm ,则b=(13 ~12)h=(200~300)mm ,取b=250mm 。
三、 板的设计1. 荷载计算:板的恒荷载标准值:15厚混合砂浆 0.015×17=0.255kN/m 230厚水磨石 0.03×20=0.6kN/m280mm厚钢筋混凝土板 0.08×25=2kN/m2小计 2.855kN/m2板的活荷载标准值 8kN/m2恒荷载分项系数取1.2;因为工业建筑楼盖且楼面活荷载标准大于4.0kN/m2,所以活荷载分项系数取1.3。
于是板的恒荷载设计值 g=2.855×1.2=3.426kN/m2活荷载设计值 q=8×1.3=10.4kN/m2荷载总设计值 g+q=13.826kN/m2近似取为 g+q=14.0kN/m22.计算简图:次梁截面为200mm×500mm,现浇板在墙上的支承长度不小于100mm,取板在墙上的支承长度为120mm。
按塑性内力重分布设计,板的计算跨度:边跨:L0=Ln+h2=2100-200/2-120+80/2=1920mm<1.025Ln=1927mm,取L=1920mm中跨: L0= Ln=2100-200=1900mm板为多跨连续板,对于跨数超过五跨的等截面连续板,其各跨受荷相同,且跨差不超过10%时,均可按五跨等跨度连续板计算。
取1m宽板带作为计算单元,计算简图如下图:3.弯矩设计值23则由0)(l q g M +=可计算出1、B 、2、c M ,计算结果如下表:4. 正截面受弯承载力计算:由题可知:板厚h=80mm,设a s =20mm,则h 0=h-a s =80-20=60mm;板宽b=1000mm.C30混凝土,α1=1.0, f c =14.3N/mm 2, f t =1.10N/ mm 2,HRB400钢筋,f y =360N/mm 2。
板配筋计算的过程列于下表:8@200A s =251.98@200As=251.96/8@200As=196.96/8@200As=196.9150.2×174.0×8@200A s =251.08@200As=251.06/8@200As=196.06/8@200As=196.0对轴线②~④间的板带,其跨内截面2、3和支座截面的弯矩设计值都可折减20%。
为了方便,近似对钢筋面积乘0.8.计算结果表明,ξ均小于0.35,符合塑性内力重分布的原则;A s/bh=196.0/(1000x80)=0.25%,此值大于0.45f t/f y=0.45x1.43/360=0.18%,同时此值大于0.2%,符合最小配筋率要求。
5.确定各种构造钢筋:⑴分布筋选用Φ6@250。
⑵嵌入墙内的板面附加钢筋选用Φ8@200。
⑶垂直于主梁的板面附加钢筋选用Φ8@200。
⑷板角构造钢筋:选用Φ8@200,双向配置板四角的上部。
6.绘制板的配筋示意图:采用分离式,详见板的配筋图.四、次梁设计:按考虑内力重分布设计。
根据本车间楼盖的实际使用情况,楼盖的次梁和主梁的活荷载不考虑梁从属面积的荷载折减。
1.荷载设计值恒荷载设计值板传来恒荷载 3.426×2.1=7.20kN/m次梁自重 0.20×(0.5-0.08)×25×1.2=2.52kN/m次梁粉刷 0.015×(0.5-0.08)×2×17×1.2=0.255 kN/m小计 g=9.97kN/m活载设计值q=10.4×2.1=21.84kN/m荷载总设计值45g+q=31.81kN/m2. 计算简图:次梁在砖墙上的支承长度为240mm 。
主梁截面为250mm ×600mm 。
计算跨度:边跨:L 0=L n +b2 =6600-120-250/2+240/2=6475mm<1.025L n =7513.取L 0=4336mm 。
中跨:L 0=L n =6600-250=6350mm因跨度相差小于10%,可按等跨连续梁计算,计算简图如下:3. 内力计算:(1)弯矩设计值:由2)(l q g M +=α可计算出M 、M 、M 、M ,计算结果如下表:由l q g V )(+=β可计算出V 、V 、V 、V ,计算结果如下表:4.承载力计算:(1)正截面受弯承载力正截面受弯承载力计算式,跨内按T形截面计算,翼缘宽度取b,f=L/3=6300/3=2100mm,又b+s n=200+1900=2100mm,故取b,f=2100mm。
除支座B 截面纵向钢筋按两排布置外,其余截面均布置一排。
由题意,对于一排纵向钢筋取h0=500-35=475mm,对于两排纵向钢筋h0=500-60=440mm。
翼缘厚:h,f=80mmC30混凝土,α1=1.0,βc=1,f c=14.3N/mm2,f t=1.43N/mm2,纵向钢筋采用HRB400,f y=360N/mm,箍筋采用HPB300,钢f yv=270N/ mm2。
易判断值跨内截面均属于第一类T形截面。
正截面承载力计算过程列于下表:次梁正截面受弯承载力计算67计算结果表明,支座截面的 均小于0.35,符合塑性内力重分布则;A s /(bh)=540.2/(200x500)=0.54%,可知此值大于0.45f t /f y =0.45x1.43/360 =0.18%,同时大于0.2%,满足最小配筋率的要求。
(2)斜截面受剪承载力计算包括:截面尺寸的复核、腹筋计算和最小配箍率验算。
验算截面尺寸:h w =h 0-h ’f =440-80=360,因h w /b=360/200=1.8<4,截面尺寸按下式验算: 0.25βc f c bh 0=0.25×1×14.3×200×440=314.6kN>V max =128.04KN 故截面尺寸满足要求。
计算所需腹筋:采用6双肢箍筋,计算支座B 左侧截面。
由 可得到箍筋间距 s =1.25f yv A sv h 0V Bl −0.7f t bh 0=1.25×270×56.6×440128.04×103−0.7×1.43×200×440=210.38调幅后受剪承载力应加强,梁局部范围内将计算的箍筋面积增加20%或箍筋间距减小20%。
现调整箍筋间距,s=0.8×210.38=168.30m ,最后取箍筋间距s=170mm 。
为方便施工,沿梁长不变。
验算配箍率下限值:弯矩调幅时要求的配箍率下限值为:0.3f t f yv=0.3×1.43270=0.16%,实际配箍率ρsv =A sv bs=56.6200×1700.17%>0.16%,满足要求。
五、 主梁设计1. 荷载设计值为简化计算,将主梁自重等效为集中荷载。
次梁传来的恒荷载 9.97×6.6=75.80kN 主梁自重 (0.6-0.08)×0.25×2.2×25×1.2=8.58kN 主梁粉刷 2×(0.6-0.08)×0.015×2.2×17×1.2=0.70kN 恒荷载 G=75.80+8.58+0.70=75.08kN ,取G=75kN 活荷载 Q=21.84×6.6=144.144,取Q=144kN选配钢筋 (mm 2)216+120(弯) A s =716 316+120(弯) A s =917.2 214+120(弯) A s =540.2 214+120(弯) A s =622.282. 计算简图:主梁按连续梁计算,端部支承在砖墙上,支承长度为240mm ;中间支承在350mm ×350mm 的混凝土柱上。
其计算跨度: 边跨:L n =6300-120-200=5980mm ,因0.025L n =149.5>a/2=120mm ,取L 0=L n + a/2+b/2=5980+120+350/2=6275mm,近似取L 0=6280mm 中跨:L 0=6300mm因跨度相差不超过10%,可按等跨梁计算,计算简图如下:3. 内力计算1) 弯矩设计值:QL k GL k M 21+=其中, 2 1k k 、可由书中表查取,L 为计算跨度。
M 1,max =0.224×75×6.28+0.289×144×6.28 =114.924+261.348 =376.27kN*mM B ,max =-0.267×75×6.28-0.311×144×6.28=-125.757-281.244=-407.00kNM 2,max =0.067×75×6.3+0.200×144×6.3=31.658+181.44 =213.10kN2) 剪力设计值:Q k G k V 43+=其中, 43k k 、可由书中表查取。
V A,max =0.733×75+0.866×144=179.68kNV Bl,max =-1.267×75-1.311×144=-283.81kNV Br,max=1.0×75+1.222×144=250.97kN4.弯矩、剪力包络图1) 弯矩包络图①第1、3跨有可变荷载,第2跨没有可变荷载由书上附表6-2知,支座B或C的弯矩值为:M B=M C=−0.627×75×6.28−0.133×144×6.28=−246.03KN∙m在第1跨内以支座弯矩M A=0, M B=−246.03KN∙m的连线为基线,作G=75KN,Q=144KN的简支梁弯矩图,得第1个集中荷载和第2个集中荷载作用点处弯矩值分别为:1 3(G+Q)l0+M B3=13(75+144)×6.28−246.033=376.43KN∙m(与前面计算的M1,max=376.27 KN∙m接近)1 3(G+Q)l0+2M B3=13(75+144)×6.28−2×246.033=376.43KN∙m在第2跨内以支座弯矩M B=−246.03KN∙m,M C=−246.03KN∙m的连线为基线,作G=75KN,Q=0的简支梁弯矩图,得集中荷载作用点处弯矩值为:1 3Gl0+M B=13×75×6.3−246.03=−88.53KN∙m②第1、2跨有可变荷载,第跨没有可变荷载第1跨内:在第1跨内以支座弯矩M A=0, M B=−407.00KN∙m的连线为基线,作G=75KN,Q=144KN的简支梁弯矩图,得第1个集中荷载和第2个集中荷载作用点处弯矩值分别为:1 3(75+144)×6.28−407.003=322.77KN∙m1 3(75+144)×6.28−2×407.003=187.11KN∙m第2跨内:M C=−0.627×75×6.28−0.089×144×6.28=−206.24KN∙m。