果酒、果醋、腐乳和泡菜的制作比较
- 格式:docx
- 大小:17.70 KB
- 文档页数:2
果酒,果醋和腐乳的制作1. 引言在中国传统的饮食文化中,果酒、果醋和腐乳都是非常受欢迎的调味品。
它们不仅具有独特的风味,还可以提供多种营养物质。
本文将介绍果酒、果醋和腐乳的制作方法,并提供一些制作过程中的注意事项。
2. 果酒的制作2.1 材料准备制作果酒所需的材料包括新鲜水果、白糖、酵母和清水。
2.2 制作步骤1.将新鲜水果洗净并剥皮,去除果核。
可以选择任何喜欢的水果,如苹果、梨、草莓等。
2.将水果切成小块,放入一个干净的容器中。
3.在容器中加入适量的白糖,根据水果的甜度和个人口味进行调整。
4.加入少量的酵母,酵母可以帮助果汁发酵。
注意不要加入过多的酵母,否则可能会产生难闻的气味。
5.倒入足够的清水,使水果完全被浸泡。
6.盖上盖子,放置在阴凉通风的地方静置数天至数周,等待果汁发酵。
7.每隔一段时间,搅拌一下果汁,有助于均匀发酵。
8.当果汁呈现出浑浊的外观,并产生气泡时,即可过滤并装瓶。
9.瓶盖要封严,然后将果酒放置在阴凉干燥的地方存放数个月至数年,以便果酒进一步酿造出独特的口味。
3. 果醋的制作3.1 材料准备制作果醋所需的材料包括果蔬、糖和水。
3.2 制作步骤1.选择新鲜的果蔬,如苹果、梨、蓝莓等。
2.将果蔬洗净,并削皮去核,切成小块。
3.将果蔬放入一个干净的容器中。
4.在容器中加入适量的糖,根据个人口味进行调整。
糖可以帮助果蔬发酵。
5.加入足够的水,使果蔬完全被浸泡。
6.盖上盖子,放置在阴凉通风的地方静置数周至数月,等待果蔬发酵。
7.当液体变为酸味并产生浑浊外观时,即可过滤并装瓶。
8.瓶盖要封严,然后将果醋放置在阴凉干燥的地方存放数月至数年,以便果醋进一步酿造出独特的口味。
4. 腐乳的制作4.1 材料准备制作腐乳所需的材料包括豆腐、凉开水和盐。
4.2 制作步骤1.将豆腐切成小块,并在凉开水中浸泡数小时,用以去除豆腐的苦味。
2.将浸泡过的豆腐块沥干水分。
3.在一个干净的容器中,依次放入豆腐块和盐,每层豆腐块之间撒一些盐。
新人教一轮复习教案第1讲传统发酵技术的应用和发酵工程及应用[课标要求] 1.举例说明日常生活中的某些食品是运用传统发酵技术生产的2.阐明发酵工程利用现代工程技术及微生物的特定功能,工业化生产人类所需产品3.举例说明发酵工程在医药、食品及其他农业生产上有重要的应用价值[核心素养] (教师用书独具) 1.发酵菌种的结构与功能的关系。
(生命观念)2.比较制作果酒、果醋、腐乳、泡菜的原理、流程、发酵条件等的异同。
(科学思维)3.设计实验探究理想的发酵条件。
(科学探究)4.关注食品安全,倡导健康的生活方式。
(社会责任)考点1发酵与传统发酵技术的概念及泡菜的制作1.发酵是指人们利用微生物,在适宜的条件下,将原料通过微生物的代谢转化为人类所需要的产物的过程。
2.传统发酵技术3.泡菜的制作(1)菌种来源:植物体表面天然的乳酸菌。
(2)原理:在无氧条件下,乳酸菌将葡萄糖分解成乳酸。
(3)反应式:C 6H 12O 6――→酶2C 3H 6O 3(乳酸)+能量。
(4)制作流程1.腐乳的制作仅是毛霉参与了豆腐的发酵。
(×)提示:多种微生物参与了豆腐的发酵,如酵母、曲霉和毛霉。
2.传统发酵以混合菌种的固体发酵及半固体发酵为主。
(√)3.制作传统泡菜是利用植物体表面天然的乳酸菌来进行发酵的。
(√)4.制作泡菜时泡菜坛一般只装九成满。
(×)提示:泡菜发酵时易膨胀,制作泡菜时泡菜坛一般只装八成满。
5.泡菜制作过程中,有机物的干重和种类将减少。
(×)提示:泡菜制作过程中,有机物的干重将减少,而有机物的种类将增加。
6.泡菜坛发酵过程中泡菜坛沿要注满水,有利于泡菜的无氧发酵。
(√)1.制作传统泡菜的盐水需煮沸并冷却后才可使用,原因是什么?(选择性必修3 P 6“探究·实践”)提示:加热煮沸是为了杀灭杂菌,冷却之后使用是为了保证乳酸菌等微生物的生命活动不受影响。
2.制作传统泡菜时无须严格灭菌,但随着发酵的进行,乳酸菌逐渐成为优势菌种,试分析其原因。
请拍摄制作过程照片或剪辑制作视频上传至班级群相册,同学们还可以尝试制作其他发酵食品,例如醪糟、酸奶、面包、馒头、腐乳、果醋等。
制作的发酵食品返校时带回。
实验1:果酒的制作我国是世界上最早用酒曲酿酒的国家,源远流长。
如今,很多家庭时常会自酿一些果酒来饮用,如葡萄酒、猕猴桃酒、杨梅酒等。
因为这些水果表皮会有一些天然存在的野生酵母,这些酵母可利用水果自身的糖分,发酵产生酒精。
但传统酿酒的方法往往费时费力,还容易出现污染,因此在制酒时,也可外加一些活性酵母来加速果酒的酿造。
一、实验原理果酒的制作离不开酵母菌,它是兼性厌氧微生物,在有氧条件下,进行有氧呼吸,在无氧条件下能进行酒精发酵。
温度是酵母菌生长和发酵的重要条件。
酒精发酵时一般将温度控制在18-25℃,在葡萄酒的自然发酵过程中,起主要作用的是葡萄皮上的野生型酵母菌。
在发酵过程中,随着酒精度数的提高,葡萄皮中的色素进入发酵液,使葡萄酒呈现深红色。
在缺氧、呈酸性的发酵液中,酵母菌可以生长繁殖,而绝大多数其他微生物都因无法适应这一环境而受到抑制。
二、葡萄酒的功效分析葡萄酒具有保护心血管、养颜护肤、抗瘤、抗抑制肿瘤细胞的生长、抗衰老、抗辐射、增进食欲、消除疲劳等作用。
葡萄酒当中富含白藜芦醇能够降血脂,富含的花青素也是一种比较强的抗氧化剂。
同时,葡萄酒当中还含有单宁,葡萄酒当中富含的单宁是一种强的抗菌剂,也是一种非常强的抗氧化剂。
过去,人们一致认为适度饮酒不会有害健康。
但《柳叶刀》上的一篇文章显示,通过对195个国家1990~2016年的饮酒数据及饮酒产生的医疗卫生负担进行研究发现,“酒没有安全剂量,即使喝一点也有害”世界卫生组织早就把酒精列为一级致癌物,全球5.5%的癌症由酒精引起,每18个癌症里就有一个是喝出来的,其中口腔癌、喉癌、食管癌与之关系最密切,而戒酒20年后,患这些恶性肿瘤的风险和从不喝酒的人相差无几。
青少年禁止饮酒!三、材料与用具本课题需要用到的实验材料和用具有:发酵装置(密封性好的带盖玻璃罐或塑料瓶)、红葡萄500g(也可以其他水果制作果酒)、冰糖、75%酒精、一次性手套、榨汁机、酿酒酵母(学校实验室提供)等其他材。
高三生物一轮复习导学提纲(42)选修一:果酒、果醋、腐乳制作班级______ 学号_____ 姓名____________ 学习目标:自主预习:1.下列有关传统果酒、果醋发酵和腐乳制作的比较,不正确的是 ( )A.果酒、腐乳发酵的主要微生物属于真核生物,果醋发酵菌种属于原核生物B.三种发酵过程中都可以通过控制发酵温度实现对微生物类型的控制C.果酒发酵在无氧环境下进行,果醋和腐乳发酵在有氧条件下进行D.果酒、果醋和腐乳制作过程利用的都是微生物胞内酶2.关于果酒制作过程的叙述正确的是 ( )A.应先除去葡萄枝梗,然后反复冲洗,直至彻底干净B.应控制发酵温度维持在20 ℃左右,变化不能太大C.发酵过程中应该不断从充气孔进行通气,以维持发酵的需氧环境D.酵母菌存在广泛、生命力强,因此果酒制作时不需对所用器具消毒灭菌3.下列关于果醋制作的叙述中,错误的是 ( )A.制作果醋需用醋酸菌,醋酸菌是一种好氧菌,所以在制作过程中需通入氧气B.醋酸菌是一种嗜温菌,对温度要求较高,一般在50 ℃左右C.醋酸菌能将果酒变成果醋D.当氧气、糖充足时,醋酸菌可将葡萄汁中的糖分解成醋酸4.下列是有关腐乳制作的几个问题,其中正确的是 ( )①腐乳的制作主要是利用了微生物发酵的原理,起主要作用的微生物是青霉、曲霉和毛霉②含水量为70%左右的豆腐适于做腐乳,用含水量过高的豆腐制腐乳,不易成形,且不利于毛霉的生长③豆腐上生长的白毛是毛霉的白色菌丝,严格地说是直立菌丝,豆腐中还有匍匐菌丝④决定腐乳特殊风味的是卤汤⑤腐乳的营养丰富,是因为大分子物质经过发酵作用分解成小而且易于消化的物质⑥卤汤中含酒量应该控制在21%左右,酒精含量过高,腐乳成熟的时间会延长;含量过低,不足以抑制微生物的生长A.①②③④ B.②③④⑤ C.③④⑤⑥ D.①④⑤⑥典型例题:5.(11·江苏)下列果酒、果醋和腐乳制作相关的叙述,正确的是 ( )A.腐乳制作所需要的适宜温度最高B.果醋发酵包括无氧发酵和有氧发酵C.使用的菌种分别是酵母菌、醋酸菌、乳酸菌D.使用的菌种都具有细胞壁、核糖体、DNA和RNA6.(10·江苏)下图表示果酒和果醋制作过程中的物质变化过程,下列叙述正确的是 ( )A.过程①和②都只能发生在缺氧条件下B.过程①和③都发生在酵母细胞的线粒体中C.过程③和④都需要氧气的参与D.过程①~④所需的最适温度基本相同7.下列实验装置可用于生物技术实践的相关实验,有关叙述错误的是 ( )A.装置甲和装置乙都可用于果酒制作B.装置乙可先用于果酒的制作,后用于果醋的制作C.利用装置甲制作腐乳时,为了保证腐乳的风味应均匀向装置中加入盐分D.乙装置的排气口通过一个长而弯曲的胶管,可防止空气中微生物的污染8.某同学在制作腐乳的过程中,发现豆腐腐败变质,下列不属于其原因的是 ( )A.用盐腌制时,加盐量太少 B.用来腌制腐乳的玻璃瓶,没有用沸水消毒C.制作卤汤时,料酒加的量较多D.装瓶后,没有用胶条将瓶口密封9.下面是果酒和果醋制作的实验流程和某同学设计的果酒和果醋的发酵装置。
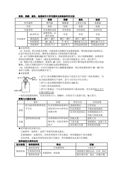
果酒、果醋、腐乳、泡菜制作中所用菌种及控制条件的比较果酒果醋腐乳泡菜所用菌种酵母菌醋酸菌主要是毛霉乳酸菌分类真核原核真核原核代谢类型异养兼性厌氧异养需氧异养需氧异养厌氧控制条件O2的有无前期需氧,后期不需氧有氧有氧无氧最适温度18℃~25℃30℃~35℃15℃~18℃常温时间控制10~12天7~8天腌制8天左右腌制10天左右其他条件封闭充气口适时充气控制盐酒用量控制盐水比例★注意事项:(1)先冲洗,然后再除去枝梗,以避免除去枝梗时引起葡萄破损,增加被杂菌污染的机会。
注意不要反复多次冲洗,菌种来自葡萄皮上附着的野生酵母菌。
(2)由于发酵旺盛期CO2的产量非常大,因此需要及时排气,防止发酵瓶爆裂。
如果使用简易的发酵装置,如瓶子(最好选用塑料瓶),每天要拧松瓶盖2~4次,进行排气。
(3)葡萄汁装入发酵瓶时,要留约1/3空间,目的是①有利于酵母菌有氧呼吸并进行快速繁殖;②防止发酵过程中产生的CO2造成发酵液溢出。
(4)当果酒制成以后,可以在发酵液中加入醋酸菌或醋曲,然后将装置转移至30~35℃的条件下发酵,适时向发酵液中充气。
★实验装置·充气口是在醋酸发酵时连接充气泵进行充气用的(制作果酒时,为适当提高果酒的生产速率,进气口应先打开后关闭);·排气口是在酒精发酵时用来排出CO2的;·出料口是用来取样的。
·排气口要通过一个长而弯曲的胶管与瓶身连接,其目的是防止空气中微生物的污染。
·使用该装置制酒时,应该关闭充气口;制醋时,应将充气口连接气泵,输入氧气。
消毒与灭菌的比较条件结果常用方法应用范围消毒较为温和的物理或化学方法仅杀死物体表面或内部的部分对人体有害的微生物煮沸消毒法日常用品巴氏消毒法不耐高温的液体化学药剂消毒法用酒精擦拭双手;用氯气消毒水源灭菌强烈的理化因素杀死物体内外所有的微生物,包括芽孢和孢子灼烧灭菌接种工具干热灭菌玻璃器皿、金属工具高压蒸汽灭菌培养基及容器★常用器具的灭菌方法:①接种环、接种针、试管口等使用灼烧灭菌法;②玻璃器皿、金属用具、培养皿等使用干热灭菌法,所用器械是干热灭菌箱;③培养基、无菌水等使用高压蒸汽灭菌法,所用器械是高压蒸汽灭菌锅。
选修1专题一一、知识归纳1.几种常用发酵菌种的比较菌种/项目酵母菌醋酸菌毛霉乳酸菌生物学分类真核生物原核生物真核生物原核生物代谢类型异养兼性厌氧异养需氧异养需氧异养厌氧繁殖方式适宜条件下出芽生殖二分裂生殖孢子生殖二分裂生殖生产应用酿酒酿醋制作腐乳制作泡菜发酵条件前期需氧, 后期不需氧一直需氧一直需氧不需氧2.果酒、果醋、腐乳、泡菜制作中所用菌种及控制条件的比较制作内容/比较项目果酒果醋腐乳泡菜所用菌种酵母菌醋酸菌主要是为霉乳酸菌控制条件O2的有无无氧有氧有氧无氧最适温度18℃~25℃30℃~35℃15℃~18℃常温时间控制10~12天7~8天腌制8天左右腌制10天左右其他条件封闭充气口适时充气控制盐酒用量控制盐水比例相关反应式3.果酒、果醋、腐乳和泡菜制作过程的比较及亚硝酸盐含量的检测比较项目果酒和果醋制作腐乳的制作制作泡菜并检测亚硝酸盐含量制作原理果酒: 无氧呼吸果醋: 有氧呼吸果醋:有氧呼吸多种微生物发酵泡菜制作: 乳酸菌无氧呼吸亚硝酸盐检测:在盐酸酸化条件下, 亚硝酸盐与对氨基苯磺酸重氮化反应后, 与N-1-萘基乙二胺盐酸盐结合形成玫瑰红色亚硝酸盐检测: 在盐酸酸化条件下,亚硝酸盐与对氨基苯磺酸重氮化反应后,与N-1-萘基乙二胺盐酸盐结合形成玫瑰红色亚硝酸盐检测:在盐酸酸化条件下,亚硝酸盐与对氨基苯磺酸重氮化反应后,与N-1-萘基乙二胺盐酸盐结合形成玫瑰红色实验流程图挑选葡萄→冲洗→榨汁→酒精发酵→醋酸发酵↓↓果酒果醋让豆腐上长也毛霉→加盐腌制→加卤汤装瓶→密封腌制操作提示材料选择与处理;防止发酵液被污染;控制好发酵条件。
控制好材料的用量;防止杂菌污染。
泡菜坛的选择;腌制的条件;测定亚硝酸盐含量的操作。
专题2 课题1 微生物的培养与应用一、知识归纳4.微生物的纯化培养包括培养基的制备和纯化微生物两个阶段, 纯化(分离)微生物时常用的接种方法是平板划线法和稀释涂布平板法。
微生物培养: 水、无机盐、碳源、氮源等平板划线法:通过接种环在琼脂固体培养基表面连续划线的操作, 将聚集的菌种逐步稀释分散到培养基的表面。
查补易混易错点13 泡菜、果酒、果醋、腐乳制作【★01教材方位直击】本章节选自人教版选择性必修一第一章的内容,这章节要考察果酒和果醋制作流程及实验装置图,要求考生识记果酒和果醋制作的原理、参与果酒和果醋制作的微生物的特点、发酵装置及作用,能结合所学的知识答题,属于考纲识记层次的考查。
对于腐乳的制作、泡菜的制作,腐乳和泡菜制作的微生物及其代谢类型,掌握腐乳和泡菜的制作原理及条件,也是学生要重点掌握的内容。
这部分,高考考察的比例会少一些,因此考察的内容会相对简单和细节化,学生要注意理解不同制作的原理和注意事项【★02易混易错归纳】易错点01.果酒的制作原理(1)菌种是酵母菌,其代谢类型为兼性厌氧型。
(2)反应式:①有氧条件下:C 6H 12O 6+6O 2―→6CO 2+6H 2O 。
②无氧条件下:C 6H 12O 6―→2C 2H 5OH +2CO 2。
(3)条件⎩⎪⎨⎪⎧ 菌种繁殖温度为20 ℃左右,且为有氧环境发酵温度为18 ~25 ℃,且为无氧酸性环境(4)菌种来源:自然发酵过程中,来源于附着在葡萄皮上的野生型酵母菌。
(5)制作流程可用重铬酸钾检验果汁发酵是否产生酒精,现象是呈现灰绿色。
易错点02.果醋的制作原理(1)菌种是醋酸菌,其代谢类型为需氧型。
(2)有关反应:①当氧气、糖源充足时,醋酸菌将葡萄汁中的糖分解成醋酸。
②当缺少糖源时,醋酸菌将乙醇变为乙醛,再将乙醛变为醋酸,其反应式为:C2H5OH+O2―→CH3COOH+H2O。
(3)发酵所需条件:①最适温度为30~35_℃。
②适时通气,保证充足的氧气。
(4)果酒和果醋的发酵装置(1)各部位的作用:①充气口:在醋酸发酵时连接充气泵进行充气。
②排气口:排出酒精发酵时产生的CO2。
③出料口:是用来取样的。
④与瓶身相连的长而弯曲的胶管:加水后防止空气中微生物的污染。
(5)该装置的使用方法:使用该装置制酒时,应该关闭充气口;制醋时,应将充气口连接气泵,输入氧气。
第2课传统发酵技术的应用与发酵工程【课标要求】1.举例说明日常生活中的某些食品是运用传统发酵技术生产的。
2.阐明发酵工程利用现代工程技术及微生物的特定功能,工业化生产人类所需产品。
3.举例说明发酵工程在医药、食品及其他工农业生产上有重要的应用价值。
【素养目标】1.运用结构与功能观分析和解释发酵工程相关技术的基本原理。
(生命观念)2.运用归纳法比较果酒、果醋和泡菜的制作原理和过程。
(科学思维)3.针对人类生产和生活的需求,尝试设计实验解决现实生活问题。
(科学探究)4.关注食品安全,倡导健康的生活方式。
(社会责任)一、发酵与传统发酵技术1.发酵的概念和种类:(1)发酵的概念:是指人们利用微生物,在适宜的条件下,将原料通过微生物的代谢转化为人类所需要的产物的过程。
(2)种类:有氧发酵和无氧发酵。
例如:醋酸发酵、谷氨酸发酵为有氧发酵;酒精发酵为无氧发酵。
2.传统发酵技术:概念直接利用原材料中天然存在的微生物,或利用前一次发酵保存下来的面团、卤汁等发酵物中的微生物进行发酵、制作食品的技术类型固体发酵和半固体发酵实质有氧或无氧条件下的物质氧化分解结果生产人们需要的各种发酵食品应用制作果酒、果醋、泡菜、酱油等1.发酵是利用微生物生产所需代谢产物的一种生产方式,通常说的乳酸菌发酵是厌氧发酵。
(√)2.传统发酵食品的制作过程中,制作的发酵食品往往品质专一。
(×)提示:传统发酵食品的制作过程中,没有接种菌种,利用的天然菌种,菌种差异、杂菌情况不明和发酵过程的控制缺乏标准等,往往会造成发酵食品的品质不一。
3.家庭自酿米酒、米醋,属于传统发酵技术的应用。
(√) 4.传统发酵通常是家庭式或作坊式的。
(√) 二、尝试制作传统发酵食品 1.腐乳制作: (1)原理:蛋白质――→蛋白酶小分子的肽和氨基酸。
脂肪――→脂肪酶 甘油和脂肪酸。
(2)腐乳制作过程中参与的微生物:多种微生物参与了豆腐的发酵,如酵母、曲霉和毛霉等,其中起主要作用的是毛霉。
2020年高中生物复习备考-传统发酵技术:果酒、果醋、腐乳、泡菜的制作知识点训练一、、知识点1.比较果酒果醋腐乳泡菜的制作2.问答(1)你认为应该先冲洗葡萄还是先除去枝梗?为什么?应该先冲洗,然后再除去枝梗,以避免除去枝梗时引起葡萄破损,增加被杂菌污染的机会。
(2)你认为应该从哪些方面防止发酵液被污染?如:要先冲洗葡萄,再除去枝梗;榨汁机、发酵装置要清洗干净,并进行酒精消毒;每次排气时只需拧松瓶盖,不要完全揭开瓶盖等。
(3)装瓶时留有1/3的空间是为什么?装瓶时留有1/3的空间是为了防止发酵液溢出污染瓶口,并且酵母菌可以有氧呼吸大量繁殖。
(4)葡萄酒一般呈红色的原因?红葡萄皮的色素进入发酵液。
(5)制葡萄酒时,为什么要将温度控制在18~25℃?制葡萄醋时,为什么要将温度控制在30~35℃?温度是酵母菌生长和发酵的重要条件。
20℃左右最适合酵母菌的繁殖。
因此需要将温度控制在其最适温度范围内。
而醋酸菌是适温菌,最适生长温度为30~35℃,因此要将温度控制在30~35℃。
(6)制葡萄醋时,为什么要适时充气?答:醋酸菌是好氧菌,在将酒精变为醋酸时需要氧的参与,因此要适时向发酵液中充气。
(7)为什么含有抗生素的牛奶不能发酵成酸奶?酸奶的制作依靠的是乳酸菌的发酵作用。
抗生素能够杀死或抑制乳酸菌的生长,因此含有抗生素的牛奶不能发酵成酸奶。
(8)为什么日常生活中要多吃新鲜蔬菜,不宜多吃腌制蔬菜?有些蔬菜,如小白菜和萝卜等,含有丰富的硝酸盐。
当这些蔬菜放置过久发生变质(发黄、腐烂)或者煮熟后存放太久时,蔬菜中的硝酸盐会被微生物还原成亚硝酸盐,危害人体健康。
(9)为什么泡菜坛内有时会长一层白膜?你认为这层白膜是怎么形成的?形成白膜是由于产膜酵母的繁殖。
酵母菌是兼性厌氧微生物,泡菜发酵液营养丰富,其表面氧气含量也很丰富,适合酵母菌繁殖。
(10)腌制蔬菜的亚硝酸盐是哪里来的?蔬菜在生长的过程中吸收了土壤中的氮和人为施放的氮肥,变成了蔬菜中数量很大的硝酸盐。
2023年教师资格之中学生物学科知识与教学能力练习题(一)及答案单选题(共30题)1、下列关于果酒、果醋、腐乳、泡菜制作过程的叙述,正确的是()。
A.均需有氧条件B.均需高温高压灭菌C.均可以使用自然菌种D.发酵菌群均为原核生物【答案】 C2、高中生物课分为选修和必修课,属于选修的是()。
A.分子与细胞B.稳态与环境C.遗传与进化D.生物科学与社会【答案】 D3、遗传育种中,将基因型未知的显性个体与隐性纯合体进行交配,以鉴定显性个体基因型的方法称为()。
A.回交B.反交C.互交D.测交【答案】 D4、爬行动物适应陆生生活的典型特征包括()。
A.有颈部,异型齿B.有羊膜卵,用肺呼吸C.体温恒定。
有角质鳞片D.两心房。
心室有完全隔膜【答案】 B5、运用不同原理可培育出符合人类不同需求的生物品种。
下列叙述正确的是()。
A.培育青霉素高产菌株利用了基因突变的原理B.培育无子番茄利用了染色体变异的原理C.培育无子西瓜利用了生长素促进果实发育的原理D.普通小麦的卵细胞中有三个染色体组,用这种小麦的胚芽细胞、花粉分别进行离体培养,发育成的植株分别是六倍体、三倍体【答案】 A6、某双链DNA分子中含有200个碱基,一条链上A:T:G:C=1:2:3:4,则该DNA分子()。
A.碱基排列方式共有4100种B.连续复制两次.需要游离的腺嘌呤脱氧核苷酸120个C.四种含氮碱基A:T:G:C=3:3:7:7D.含有4个游离的磷酸基团【答案】 C7、一些实验必须先制作玻片标本,然后在显微镜下观察。
下面的实验过程错误的是()。
A.脂肪鉴定:切取花生子叶薄片—染色—去浮色—制片—观察B.有丝分裂观察:解离根尖—染色—漂洗—制片—观察C.质壁分离观察:撕取鳞片叶表皮—制片—观察—滴加蔗糖溶液—观察D.细胞质流动观察:取黑藻小叶—制片—观察【答案】 B8、下列对高温环境中作业的工人生命活动调节的叙述,正确的是()。
A.细胞外液渗透压下降,肾小管加强对水分的重吸收B.体内失水过多,抗利尿激素分泌增加C.皮肤毛细血管舒张.人体散失的热量大于产热量D.大量流汗后,应及时大量饮用矿泉水,以维持身体的水盐平衡【答案】 B9、以下各种酶与其作用部位相匹配的是()。
高考生物选修一专题1:果酒、果醋、腐乳、泡菜考点汇总!
●专题一:传统发酵技术●
1. 果酒制作:
①微生物:酵母菌,属兼性厌氧微生物,在有氧条件下,酵母菌进行有氧呼吸,大量繁殖;在无氧条件下,酵母菌进行酒精发酵。
②原理:酵母菌的无氧呼吸反应式(略)。
③菌种来源:附着在葡萄皮上的野生酵母菌或人工培养的酵母菌。
④条件:①温度是酵母菌生长和发酵的重要条件,20℃左右最适合酵母菌繁殖,18-25℃适合酵母菌酒精发酵;②在缺氧、呈酸性的发酵液中,酵母菌可以生长繁殖,而绝大多数其它微生物的生长被抑制;③密封,每隔一段时间放气(CO2)。
⑤检测:在酸性条件下,重铬酸钾与酒精反应呈灰绿色。
2、果醋制作:
①微生物:醋酸菌,属好氧型细菌,对氧气的含量特别敏感。
②原理:醋酸菌的有氧呼吸。
● 当氧气,糖源充足时,醋酸菌将糖分解
成醋酸(糖变醋);
● 当缺少糖源时,醋酸菌将乙醇变为乙醛,
再变为醋酸(酒变醋)。
反应式(略)。
③条件:醋酸菌的最适生长温度30-35℃,因此需适时通入无菌空气。
3、腐乳制作:
①菌种:青霉、酵母、曲霉、毛霉等,主要是毛霉(都是真菌)。
②原理:毛霉产生的蛋白酶将豆腐中的蛋白质分解成小分子的肽和氨基酸;脂肪酶将脂肪水解为甘油和脂肪酸。
③条件:15-18℃,保持一定的湿度。
④菌种来源:空气中的毛霉孢子或优良毛霉菌种直接接种。
专题一1.几种常用发酵菌种的比较菌种项目酵母菌醋酸菌毛霉乳酸菌生物学分类真核生物原核生物真核生物原核生物代谢类型异养异养异养异养繁殖方式适宜条件下出芽生殖二分裂生殖孢子生殖二分裂生殖生产应用酿酿制作制作泡菜发酵条件前期需氧,一直需氧不需氧2、果酒、果醋、腐乳、泡菜制作中所用菌种及控制条件的比较制作内容比较项目果酒果醋腐乳泡菜所用菌种酵母菌醋酸菌主要是为霉乳酸菌控制条件O2的有无无氧有氧有氧无氧最适温度18℃~25℃ 15℃~18℃常温时间控制10~12天7~8天腌制8天左右腌制10天左右其他条件封闭充气口适时充气控制盐酒用量控制盐水比例相关反应式3、果酒、果醋、腐乳和泡菜制作过程的比较及亚硝酸盐含量的检测比较项目果酒和果醋制作腐乳的制作制作泡菜并检测亚硝酸盐含量制作原理果酒:果醋:有氧呼吸多种微生物发酵泡菜制作:乳酸菌无氧呼吸亚硝酸盐检测:在盐酸酸化条件下,亚硝酸盐与对氨基苯磺酸发生重氮化反应后,与N-1-萘基乙二胺盐酸盐结合形成染料实验流程图挑选葡萄→冲洗→榨汁→酒精发酵→醋酸发酵↓↓果醋让豆腐上长也毛霉→→加卤汤装瓶→密封腌制操作提示材料的选择与处理;防止发酵液被污染;控制好发酵条件。
控制好材料的用量;防止杂菌污染。
泡菜坛的选择;腌制的条件;测定亚硝酸盐含量的操作。
专题二1、微生物的实验室培养(1)培养基的分类和应用(2)、消毒与灭菌的区别消毒灭菌概念使用较为的物理或化学方法杀死物体或对人体有害的微生物(不包括 )使用的理化因素杀死物体内外_____的微生物(包括_____和 )常用方法消毒法、消毒法、消毒法、紫外线消毒法、、适用对象操作空间、液体、双手等接种环、接种针、玻璃器皿、培养基等①接种环、接种针、试管口等使用;②玻璃器皿、金属用具等使用,所用器械是干热灭菌箱;③培养基、无菌水等使用,所用器械是高压蒸汽灭菌锅。
④表面灭菌和空气灭菌等使用,所用器械是紫外灯三、大肠杆菌的纯化培养微生物接种的方法最常用的是和平板法两种接种方法都是为了将聚集在一起的微生物,得到由繁殖而来的肉眼可见的单个__________。