测绘成果检查记录
- 格式:doc
- 大小:31.00 KB
- 文档页数:2
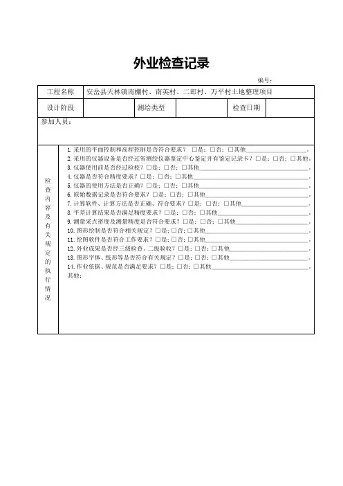
测绘成果检查表及外业检查记录表模版精选文档外业检查记录编号:工程名称安岳县天林镇南棚村、南英村、二郎村、万平村土地整理项目设计阶段测绘种类检查日期参加人员:1. 采纳的平面控制和高程控制能否切合要求?□是;□否;□其余__________。
2.采纳的仪器设施能否经过省测绘仪器判定中心判定并有判定记录卡?□是;□否;□其余。
3.仪器使用前能否经过检校?□是;□否;□其余__________________。
检4. 仪器能否切合精度要求?□是;□否;□其余___________________。
查5. 仪器的使用方法能否正确?□是;□否;□其余__________________。
内6. 原始数据记录能否切合要求?□是;□否;□其余_________________。
容7. 计算软件、计算方法能否正确、切合要求?□是;□否;□其余___________。
及8. 平差计算结果能否知足精度要求?□是;□否;□其余_______________。
有9. 丈量采点密度及丈量精度能否切合要求?□是;□否;□其余____________。
关□否;□其余_________________。
10. 图形绘制能否切合有关规定?□是;规□否;□其余_________________。
11. 画图软件能否切合工作要求?□是;定12. 外业成就能否经三级检查、二级查收?□是;□否;□其余_____________。
的13. 图形字体、线形等能否切合有关规定?□是;□否;□其余_____________。
执14. 作业依照、规范能否知足要求?□是;□否;□其余________________。
行其余:情况问题解决方法及解决情况检验建议主持人:年月日.测绘成就检查表(外业)项目名称安岳县天林镇南棚村、南英村、二郎村、万平村土地整理项目设计阶段检查内容自检状况部门检查状况总工办检查状况记录清楚:□差;□一般;□优秀自检状况能否真实:□是;□否;□其部门检查状况能否真实:□是;□否;□其余记录规范:□差;□一般;□优秀他____________。
外业检查记录编号:工程名称专业名称设计阶段测总或勘总检查日期参加人员:检查内容及有关规定的执行情况1.采用的平面控制和高程控制是否符合要求?□是;□否;□其他__________。
2.采用的仪器设备是否经过省测绘仪器鉴定中心鉴定并有鉴定记录卡?□是;□否;□其他。
3.仪器使用前是否经过检校?□是;□否;□其他__________________。
4.仪器是否符合精度要求?□是;□否;□其他___________________。
5.仪器的使用方法是否正确?□是;□否;□其他__________________。
6.原始数据记录是否符合要求?□是;□否;□其他_________________。
7.计算软件、计算方法是否正确、符合要求?□是;□否;□其他___________。
8.平差计算结果是否满足精度要求?□是;□否;□其他_______________。
9.测量采点密度及测量精度是否符合要求?□是;□否;□其他____________。
10.图形绘制是否符合相关规定?□是;□否;□其他_________________。
11.绘图软件是否符合工作要求?□是;□否;□其他_________________。
12.外业成果是否经三级检查、二级验收?□是;□否;□其他_____________。
13.图形字体、线形等是否符合有关规定?□是;□否;□其他_____________。
14.作业依据、规范是否满足要求?□是;□否;□其他________________。
其他:问题解决方法及解决情况检验意见主持人:年月日测绘成果检查表(外业)项目名称设计阶段检查内容小组检查情况队检查情况部检查情况外业原始记录及计算平面控制手簿记录清晰:□差;□一般;□良好记录规范:□差;□一般;□良好记录准确性:□完全正确;□一般错误;□严重错误;计算结果:□正确;□错误;其他:解决办法:解决情况:小组检查情况是否属实:□是;□否;□其他____________。
测绘成果质量检查报告记录————————————————————————————————作者:————————————————————————————————日期:测绘成果质量检查报告余规测质检(2015)第(001)号成果名称:余姚市消防设施普查生产部门:测绘室检查类别:数字测绘成果余姚市规划测绘设计院2015年2月5日注意事项1、本报告无“单位公章”及“骑缝章”无效。
2、本报告复印件未加盖“单位公章”无效。
3、报告无编制人、审核人、批准人签字无效。
4、报告涂改无效。
5、若对质检报告内容有异议,应于收到报告起七日内向质检部门提出,逾期不予受理。
成果名称余姚市消防设施普查生产日期2015年1月10日—2015年2月5日项目编号(2014)LX95-1 抽样者叶华斌、沈壮批量消防站19个消火栓1372个样本量消防站3个消火栓109个样本状态完好抽样日期2015年2月3日检查依据《宁波市第一次地理国情普查-消防设施普查技术规程》(NBGP J03-2014)《宁波市地理国情普查成果检查验收与质量评价规定》(NBGP J07-2014)《宁波市地理国情普查质量管理规定》《余姚市消防设施普查项目技术设计》检查参数空间参考系、时间精度、逻辑一致性、属性精度、完整性、表征质量、位置精度检查结论余姚市规划测绘设计院测绘室完成了余姚市消防设施普查工作。
按检查结果质量情况评定该产品质量等级为优。
备注编制审核批准批准人职务1、检查工作概况a)检查时间:2015年2月4日b)检查方式:总体概查、详查、抽样检查c)检查人员:检查者:沈壮审核:叶华斌批准:贾凤海d)检查设备:硬件设备:GPS接收机1台,全站仪1台,计算机1台;软件系统:余姚前端数据采集系统2012,ArcGIS10.1,NBCORS在线坐标转换系统。
2、受检成果概况a)任务来源:余姚市规划局下发指令性项目b)测区位置:余姚市c)生产部门:余姚市规划测绘设计院测绘室d)资质等级:乙级e)生产日期:2015年1月10日—2015年2月5日f)生产方式:数据采集、属性录入g)成果形式:消防站、消火栓分布图;成果统计表;元数据库等h)批量:消防站19个;消火栓1372个3、检查依据序号标准及技术文件名称标准代号标准级别1 《数字测绘成果质量检查与验收》GB/T 18316-2008 国家标准2 《全球定位系统实时动态测量(RTK)技术规范》CH/T 2009-2010 行业标准3《城市市政综合监管信息系统管理部件和事件分类、编码及数据要求》CJ/T 214-2007 行业标准4 《城市基础地理信息系统技术规范》CJJ 100-2004 行业标准5 《城市测量规范》CJJ/T 8-2011 行业标准6《宁波市1:500 1:1000 1:2000基础地理信息数字产品测量技术规程》DB3302/T 1004-2010 地方标准7《宁波市1:500 1:1000 1:2000基础地理信息数据规程》DB3302/T 1005-2010 地方标准8《宁波市第一次地理国情普查-消防设施普查技术规程》NBGP J03-2014 地方标准9《宁波市第一次地理国情普查总体设计方案》10 《宁波市第一次地理国情普查实施方案》11 《宁波市地理国情普查项目实施管理办法》12 《宁波市地理国情普查质量管理规定》13《宁波市地理国情普查成果审查与发布规定》14《宁波市地理国情普查数据汇交与归档基本要求》15《宁波市地理国情普查成果检查验收和质量评价规定》16 《余姚市消防设施普查项目技术设计》4、抽样情况a)抽样依据:按《宁波市地理国情普查成果检查验收与质量评价规定》要求进行抽样b)抽样方法:随机抽样c)样本数量:消防站3个;消火栓109个5、检查内容及方法对余姚市消防设施普查项目空间参考系、时间精度、逻辑一致性进行了总体概查;对属性精度、完整性、表征质量进行了详查;对位置精度进行了抽样检查6、主要质量问题及处理a)主要质量问题:2个消火栓的位置精度超出最大限差,XF20点位误差1.871m,XF42点位误差1.669m,超出限差(限差为1.0m);技术设计、技术总结内容存在较轻的错漏情况。