裸母线、封闭母线、插接式母线安装工程检验批质量验收记录表
- 格式:doc
- 大小:52.00 KB
- 文档页数:1
裸母线封闭母线插接式母线安装分项工程检验批质量验收记录一、工程概况二、检验批准备工作1.组织人员:由工程施工单位选派质检员和技术人员组成验收小组;2.准备工具:准备好测量仪器、检测设备和相应的标准样品;3.验收资料:准备本次工程的相关图纸、设计文件、材料合格证明等。
三、检验内容1.母线槽的铺设:(1)检查母线槽的基础施工是否符合要求,是否满足设计要求;(2)检查母线槽的尺寸是否准确,交叉接头是否紧密,地面平整度是否合格;2.母线接插件的安装:(1)检查母线接插件的制造厂家是否合格,是否符合规定的技术标准;(2)检查母线接插件的安装是否牢固,接触面是否平整,接触电阻是否符合要求;3.母线连接件的安装:(1)检查连接件的制造厂家是否合格,是否符合规定的技术标准;(2)检查连接件的安装是否牢固,连接是否紧密,连接电阻是否符合要求;4.母线的绝缘检查:(1)检查母线的绝缘状况是否符合要求,是否存在放电现象;(2)检查绝缘材料的质量是否合格,是否存在外观缺陷;5.防护措施的安装:(1)检查防护设施的安装是否完善,是否符合相关要求;(2)检查防护设施的可靠性,是否达到设计要求;四、检验过程1.检查母线槽的铺设情况:通过实地检查母线槽的铺设情况,确认母线槽的基础施工符合要求,母线槽的尺寸和交叉接头是否满足设计要求,地面平整度是否合格;2.检查母线接插件的安装情况:检查母线接插件的制造厂家是否合格,是否符合规定的技术标准。
通过实地检查,确认母线接插件的安装是否牢固,接触面是否平整,接触电阻是否符合要求;3.检查母线连接件的安装情况:检查连接件的制造厂家是否合格,是否符合规定的技术标准。
通过实地检查,确认连接件的安装是否牢固,连接是否紧密,连接电阻是否符合要求;4.检查母线的绝缘情况:通过绝缘电阻检测和放电现象检测,检查母线的绝缘状况是否符合要求。
同时检查绝缘材料的质量,是否存在外观缺陷;5.检查防护措施的安装情况:通过实地检查,确认防护设施的安装是否完善,是否符合相关要求。
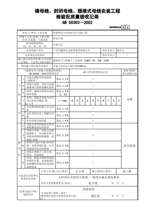
裸母线封闭母线插接式母线安装工程检验批质量验收记录表Revised by BLUE on the afternoon of December 12,2020.裸母线、封闭母线、插接式母线安装工程检验批质量验收记录表GB50303—200260203□□60301□□60604□□说明060203060301060604主控项目1、绝缘子的底座、套管的法兰、保互网(罩)及母线支架等可接近裸露导体应接地(PE)或接零(PEN)可靠。
不应作为接地(PE)或接零(PEN)的接续导体。
2、母线与母线或母线与电器接线端子,当采用螺栓搭接连接时,应符合下列规定:1)母线的各类搭接连接的钻孔直径和搭接长度符合本规范附录C的规定,用力矩扳手拧紧钢制连接螺栓的力矩值符合本规范附录D的规定;2)母线接触面保持清洁,涂电力复合脂,螺栓孔周边无毛刺;3)连接螺栓两侧有平垫圈,相邻垫圈间有大于3mm的间隙,螺母侧装有弹簧垫圈或锁紧螺母;4)螺栓受力均匀,不使电器的接线端子受额外应力。
3、封闭、插接式母线安装应符合下列规定:1)母线与外壳同心,允许偏差为±5mm;2)当段与段连接时,两相邻段母线及外壳对准,连接后不使母线及外壳受额外应力;3)母线的连接方法符合产品技术文件要求。
4、室内裸母线的最小安全净距应符合本规范附录E的规定。
5、高压母线交流工频耐压试验必须按本规范第条的规定交接试验合格。
6、低压母线交接试验应符合本规范第条的规定。
一般项目1、母线的支架与预埋铁件采用焊接固定时,焊缝应饱满;采用膨胀螺栓固定时,选用的螺栓应适配,连接应牢固。
2、母线与母线、母线与电器接线端子搭接,搭接面的处理应符合下列规定:1)铜与铜:室外、高温且潮湿的室内,搭接面搪锡;干燥的室内,不搪锡;2)铝与铝:搭接面不作涂层处理;3)钢与钢:搭接面搪锡或镀锌;4)铜与铝:在干燥的室内,铜导体搭接面搪锡;在潮湿场所,铜导体搭接面搪锡,且采用铜铝过渡板与铝导体连接;5)钢与铜或铝:钢搭接面搪锡。
四川裸母线、封闭母线、插接式母线安装工程检验批质量验
收记录SGA020
一、工程简介
本次检验批工程为四川某电厂110kV变电站的母线安装工程,主要包括裸母线、封闭母线、插接式母线的安装。
二、检验批范围
本次检验批范围为四川某电厂110kV变电站的母线安装工程中的裸母线、封闭母线、插接式母线共3处。
三、质量验收记录
1. 工程验收
本次母线安装工程已经全部完成,并经过验收合格。
2. 验收标准
本次验收按照国家标准《电力工程质量验收规范》及电厂的相关规定执行。
3. 检查内容及结果
本次检验批的内容包括裸母线、封闭母线、插接式母线3个方面。
A. 裸母线
3.1.1 检查内容
裸母线的铁素体和金相组织检查。
3.1.2 检查结果
裸母线的铁素体和金相组织满足要求。
B. 封闭母线
3.2.1 检查内容
封闭母线的金相组织检查以及封闭件的密封性能检查。
3.2.2 检查结果
封闭母线的金相组织和封闭件的密封性能均满足要求。
C. 插接式母线
3.3.1 检查内容
插接式母线的金相组织检查以及插接性能检查。
3.3.2 检查结果
插接式母线的金相组织和插接性能均满足要求。
4. 记录结果
经过检验和验收,本次母线安装工程全部合格,符合相关标准和规定要求。
四、结论
本次母线安装工程通过了检验和验收,各项指标均满足相关标准和规定要求。
此次验收合格,无返工项目。
五、附件
无。
六、参考文献
1.国家标准《电力工程质量验收规范》。