滚齿进给量的选择分析
- 格式:doc
- 大小:60.00 KB
- 文档页数:3
硬滚花键切削的参数包括切削深度、切削速度、进给量、切削宽度等。
这些参数的选择直接影响切削效果和加工质量。
一般来说,切削深度的选择要根据工件材料、刀具材料和刀具的几何角度来决定。
切削深度过小可能导致加工效率低下,而切削深度过大则可能导致刀具磨损加剧,影响加工质量。
切削速度的选择与工件材料、刀具材料、刀具的几何角度以及切削深度等因素有关。
在保证加工质量的前提下,应尽量提高切削速度,以提高加工效率。
进给量的选择要考虑工件表面质量、切削力、刀具寿命等因素。
较大的进给量可以提高加工效率,但过大的进给量可能导致加工表面质量下降、切削力增大等问题。
切削宽度的选择与刀具的几何角度和切削深度有关。
在硬滚花键切削中,一般采用较小的切削宽度,以减小切削阻力。
在实际加工中,需要根据具体的加工要求和设备条件,通过试验和调整来确定合适的切削参数。
同时,为了提高硬滚花键的加工质量和效率,还需要注意刀具的选用和刃磨、冷却液的使用、加工工艺的制定等方面。
滚齿加工是一种常用的齿轮加工方法。
在滚齿加工中,有许多参数需要进行计算,以确保加工过程的顺利进行。
以下是一个关于滚齿加工参数计算的示例,介绍了一些常见的参数及其计算方法。
首先,我们需要确定滚齿机床的几何参数,包括滚刀的直径和齿数。
滚刀的直径决定了所能加工的最大齿轮直径,而齿数则决定了齿轮的齿距。
这些参数的选择需要根据齿轮的设计要求进行。
接下来,我们需要计算滚齿加工过程中的一些重要参数,包括切削深度、走刀速度和进给速度等。
切削深度是每次加工时滚刀切入齿轮的深度,通常根据齿轮的直径和滚刀的直径进行选择。
在滚齿加工中,切削深度是一个重要的参数,需要考虑到齿轮的材料、硬度、精度要求以及机床的刚性等因素。
过大的切削深度可能导致机床振动、刀具磨损等问题,而过小的切削深度则可能导致加工效率低下。
因此,需要根据实际情况进行切削深度的选择和调整。
走刀速度是指滚刀在工件上移动的速度,通常根据加工要求和机床性能进行选择。
走刀速度会影响到加工效率、加工精度和刀具磨损等因素。
过快的走刀速度可能导致刀具磨损加快、加工质量下降,而过慢的走刀速度则可能导致加工效率低下。
因此,需要根据实际情况进行走刀速度的选择和调整。
进给速度是指工件在机床上的移动速度,通常根据切削深度和走刀速度进行选择。
进给速度会影响到加工效率和加工精度。
过高的进给速度可能导致加工质量下降,而过低的进给速度则可能导致加工效率低下。
因此,需要根据实际情况进行进给速度的选择和调整。
除了以上参数计算外,滚齿加工还需要考虑一些其他因素,如工件的安装、刀具的选择和调整、机床的维护和保养等。
这些因素同样会影响到加工质量和效率。
总之,滚齿加工中的参数计算是一个复杂的过程,需要考虑多个因素。
通过合理的选择和调整参数,可以获得高质量的齿轮加工效果。
同时,也需要根据实际情况进行参数的选择和调整,以适应不同的加工要求和机床性能。
需要注意的是,以上示例仅提供了一些常见的参数及其计算方法,实际应用中可能还需要考虑更多的因素和细节。
滚齿进给量的选择1997年参观德国汉诺威“欧洲机床工具展览会-EMO′97”时,了解到欧美几个齿轮滚刀厂为轿车齿轮加工发展的高效齿轮滚刀的滚削参数中,是从被加工齿轮的强度和齿轮滚刀材料的性能出发,计算滚刀切削时的顶刃最大许可负荷,然后给用户一个“滚刀顶刃最大许可切屑厚度”推荐值,以此确定滚刀轴向进给量的优化选择。
国外汽车齿轮材料一般多为硬度176~209HB的低合金结构钢。
齿轮滚刀的材料多为高速钢及硬质合金两种,近年各厂重点使用整体硬质合金滚刀。
在轿车齿轮加工的滚剃工序中,滚齿时,齿部质量要达到剃齿要求来选定滚削速度和最大进给量。
1 滚刀进给量1.欧洲工具厂的推荐值德国saacke,Fette和sazzor齿轮滚刀厂均推荐以齿轮滚刀顶刃的最大许可切屑厚度(h1max)来确定滚刀进给量。
a.硬质合金滚刀的h1max规定按国际标准(ISO)对硬质合金的分类:P类硬质合金滚刀h1max为0.18mm;K类硬质合金滚刀h1max为0.12~0.15mm。
P类硬质合金常用牌号为P25~P40。
这类整体硬质合金滚刀在新刀时要进行TiN表面涂层处理,但刃磨后一般不再进行涂层。
K类硬质合金滚刀常用于对淬硬钢齿轮的齿形精加工,牌号多为K10,对较小模数的滚刀要用细颗粒硬质合金。
在精滚齿时,新刀及每次刃磨后均进行TiN涂层处理。
轿车方向盘转向器上的小齿轮淬硬后采用硬质合金滚刀精滚工艺。
b.高速钢滚刀的h1max规定对中小模数的轿车齿轮(m=1.4~2.8mm),一般选用h1max为0.2~0.25mm。
对模数大的齿轮,可选用较大值为0.25~0.3mm。
上述欧洲工具厂的高速钢滚刀材料常用含钴5%的钴高速钢S6-5-2-5(S后的数字依次为钨-钼-钒-钴的百分数),淬火硬度为65~66HRC。
2.美国star工具厂的推荐值美国star工具厂是美国主要的齿轮滚刀生产厂之一。
该厂也是推荐滚刀顶刃的最大许可切屑厚度h1max来确定滚刀进给量。
滚齿进给量的选择作者:成都工具研究所吴元昌来源:《制造技术与机床》1999年第11期1997年参观德国汉诺威“欧洲机床工具展览会-EMO′97”时,了解到欧美几个齿轮滚刀厂为轿车齿轮加工发展的高效齿轮滚刀的滚削参数中,是从被加工齿轮的强度和齿轮滚刀材料的性能出发,计算滚刀切削时的顶刃最大许可负荷,然后给用户一个“滚刀顶刃最大许可切屑厚度”推荐值,以此确定滚刀轴向进给量的优化选择。
国外汽车齿轮材料一般多为硬度176~209HB的低合金结构钢。
齿轮滚刀的材料多为高速钢及硬质合金两种,近年各厂重点使用整体硬质合金滚刀。
在轿车齿轮加工的滚剃工序中,滚齿时,齿部质量要达到剃齿要求来选定滚削速度和最大进给量。
1 滚刀进给量1) 欧洲工具厂的推荐值德国saacke,Fette和sazzor齿轮滚刀厂均推荐以齿轮滚刀顶刃的最大许可切屑厚度(h1max)来确定滚刀进给量。
a. 硬质合金滚刀的h1max规定按国际标准(ISO)对硬质合金的分类:P类硬质合金滚刀h1max为0.18mm;K类硬质合金滚刀h1max为0.12~0.15mm。
P类硬质合金常用牌号为P25~P40。
这类整体硬质合金滚刀在新刀时要进行TiN表面涂层处理,但刃磨后一般不再进行涂层。
K类硬质合金滚刀常用于对淬硬钢齿轮的齿形精加工,牌号多为K10,对较小模数的滚刀要用细颗粒硬质合金。
在精滚齿时,新刀及每次刃磨后均进行TiN涂层处理。
轿车方向盘转向器上的小齿轮淬硬后采用硬质合金滚刀精滚工艺。
b. 高速钢滚刀的h1max规定对中小模数的轿车齿轮(m=1.4~2.8mm),一般选用h1max 为0.2~0.25mm。
对模数大的齿轮,可选用较大值为0.25~0.3mm。
上述欧洲工具厂的高速钢滚刀材料常用含钴5%的钴高速钢S6-5-2-5(S后的数字依次为钨-钼-钒-钴的百分数),淬火硬度为65~66HRC。
2) 美国star工具厂的推荐值美国star工具厂是美国主要的齿轮滚刀生产厂之一。
滚齿安全操作规程及滚齿常见问题分析滚齿安全操作规程操作者必须熟悉本设备结构性能,经考核合格后方可独立操作。
操作者要认真做到“三好”(管好.用好.修好)“四会”(会使用.会保养.会检查.会排除故障)。
操作者必须遵守使用设备的“五项纪律”和设备维护的“四项要求”规定。
操作者要随时安装“设备点检卡”的要去对设备进行检查。
严格按照设备润滑图表进行加油,做到“五定”(定时.定点.定量.定质.定人),注油后应将油杯(池)的盖子盖好。
停机八小时以上再开机时,应先低速运转五分钟,确认润滑系统畅通,各部位传动正常后再开始工作。
工作前必须确认刀具正确安装:(1)刀具的内空.端面与心轴及垫圈的接触面要清洁,配合要适当。
(2)刀具不合规格.锥度不对不得强行装刀。
(3)装的刀具必须稳固。
开动机床前应先启动润滑油泵,检查各部位润滑正常,指示信号正确后才能开机。
修改产品时应正确计算各挂轮架的齿轮,挂换的齿轮要锁紧.啮合间隙要适当(一般在0.06mm左右)。
选用的挂轮齿面要清洁.无毛刺.无油污。
工作前根据滚齿宽度调好行程挡块的位置。
加工前应按工件材质.齿轮模数.滚刀耐用度选择切削用量。
根据直齿轮.斜齿轮更换差动机构离合器,以防止发生事故。
操作者不得自行调整各部间隙。
多工件堆积切削时,其接触面要平直清洁,不得有铁销等杂物。
装夹工件要紧固牢靠,不得松动。
不得在机床运转时上刀和对刀。
禁止在运转中变速。
禁止用磨钝了的刀具进行切削。
禁止操作者离开机床太远.太久,防止设备以外发生故障,造成机床不可修复的损伤。
工作前应检查各液压表显示的压力是否正常。
加工齿数少的出来时,应按机床规定计算,不得超过工作台蜗杆允许的工作速度。
工作中必须经常检查各部运转情况和润滑系统的工作情况。
如运转不良时,应立即停机通知报修。
禁止在设备上堆放工具.附件和杂物,避免杂物掉落在运转的刀具上,造成刀具受损。
经常检查清除导轨及丝杆上的铁销和油污,并保持周围环境卫生。
严禁在机床工作台.导轨上敲打工件。
滚齿进刀量和公法线的算法滚齿进刀量和公法线是齿轮加工中两个重要的概念和参数。
滚齿进刀量是指在齿轮加工过程中,刀具与工件接触面的进给量,用于控制齿形的加工精度和表面质量。
而公法线则是指刀具在齿轮加工过程中,与工件接触面的法线方向,用于确定切削力和切削方向。
本文将介绍滚齿进刀量和公法线的算法原理及应用。
一、滚齿进刀量的算法滚齿进刀量的计算是齿轮加工中非常关键的一步,它直接影响齿轮齿形的加工精度和表面质量。
滚齿进刀量的算法有多种,常见的有等距法、等弧长法和等角度法。
等距法是指在齿轮加工过程中,将滚刀分为若干等距离的刀位,每个刀位进给相同的距离。
这种算法简单易行,适用于齿轮齿形较为简单的情况。
但是,在齿形复杂的齿轮加工中,等距法的精度较低,无法满足要求。
等弧长法是指在齿轮加工过程中,将滚刀分为若干等弧长的刀位,每个刀位进给相应的弧长。
这种算法相对于等距法来说,能够更好地满足齿轮齿形的加工精度要求。
但是,等弧长法在计算过程中较为复杂,需要考虑齿轮的齿数和齿形等因素,计算量较大。
等角度法是指在齿轮加工过程中,将滚刀分为若干等角度的刀位,每个刀位进给相应的角度。
这种算法在齿轮加工中应用较为广泛,能够满足齿轮齿形的加工要求。
等角度法的计算相对简单,只需要考虑齿轮的齿数和齿形等因素,计算量较小。
二、公法线的算法公法线是刀具在齿轮加工中与工件接触面的法线方向,它的确定将直接影响齿轮加工的切削力和切削方向。
公法线的算法有多种,常见的有法线方向法、高度差法和张量法。
法线方向法是指在齿轮加工过程中,通过计算刀具与工件接触面的法线方向,确定公法线的方向。
这种算法简单易行,适用于齿轮齿形较为简单的情况。
但是,在齿形复杂的齿轮加工中,法线方向法的精度较低,无法满足要求。
高度差法是指在齿轮加工过程中,通过计算刀具与工件接触面的高度差,确定公法线的方向。
这种算法相对于法线方向法来说,能够更好地满足齿轮齿形的加工精度要求。
但是,高度差法在计算过程中较为复杂,需要考虑齿轮的齿数和齿形等因素,计算量较大。
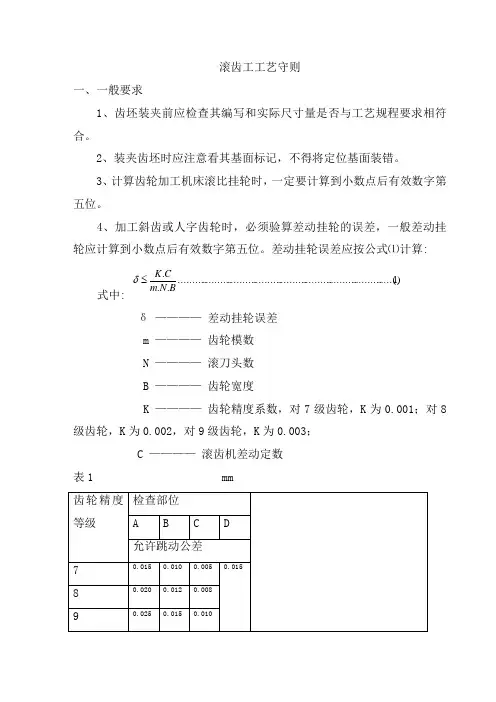
)1.....(...................................................................................BN m CK ≤δ滚齿工工艺守则一、一般要求1、齿坯装夹前应检查其编写和实际尺寸量是否与工艺规程要求相符合。
2、装夹齿坯时应注意看其基面标记,不得将定位基面装错。
3、计算齿轮加工机床滚比挂轮时,一定要计算到小数点后有效数字第五位。
4、加工斜齿或人字齿轮时,必须验算差动挂轮的误差,一般差动挂轮应计算到小数点后有效数字第五位。
差动挂轮误差应按公式⑴计算:式中:δ ———— 差动挂轮误差 m ———— 齿轮模数 N ———— 滚刀头数B ———— 齿轮宽度K ———— 齿轮精度系数,对7级齿轮,K 为0.001;对8级齿轮,K 为0.002,对9级齿轮,K 为0.003;C ———— 滚齿机差动定数表1 mm5、加工有偏重的齿轮时,应在相对应处安置适当的配重。
二、齿坯的装夹1、在滚齿机上安装滚齿夹具时,应按表1的要求调整。
2、在滚齿机上装夹齿坯时,应将有标记的基面向下,使其与支承面贴合,不得垫纸或铜皮等物。
压紧前用千分表检查齿坯外圆径向跳动和基准端面跳动,其跳动公差不得不于表2所规定数值。
压紧后需再次检查,以防压紧时产生变形。
表2 mm注:①当三个公差组的精度等级不同时,按最高的精度等级确定公差值。
②当以顶圆作基准时,表中的数值就指顶圆的径向跳动。
3、齿轮轴的装夹⑴在滚齿机上装夹齿轮轴时,应用千分表检查其两基准颈(或一个基准轴颈及顶圆)的径向跳动,其跳动公差应按公式⑵计算。
式中: t ————跳动公差,mm L ————两测量点间的距离,mm B ————齿轮轴的齿宽,mmK ————精度系数:对7级和8级精度齿轮轴,K 值取0.008~0.01,对9级精度齿轮轴,K 值取0.011~0.013。
)2.........(......................................................................K BLt⑵在滚齿机上装夹齿轮轴时,应用千分表在90°方向内检查齿顶圆母线与刀架垂直移动的平行度,在100mm长度内不得大于0.01mm。
车床滚齿操作方法车床滚齿操作是一种利用车床上的滚齿刀具对工件进行齿轮加工的方法。
车床滚齿操作方法主要分为以下几个步骤:准备工作,选择滚刀,夹持工件,校核刀位,开机调速,进给滚齿,检查工件。
一、准备工作在进行车床滚齿操作之前,首先需要了解工件的齿轮规格和要求。
根据齿轮的模数、齿数、齿轮硬度等参数选择合适的滚刀,并设定好滚刀的相对位置。
确保车床机床和切屑清扫装置等工具和设备正常运行。
二、选择滚刀根据工件的齿轮规格和要求选择合适的滚刀。
滚刀要能够与工件的齿轮相匹配,尺寸要与工件的齿数、模数等参数一致,并且要求刀具表面光洁、无损伤,刃口应尖锐。
三、夹持工件将工件放入车床的工作台上,并用三爪自动卡盘或手动卡盘进行夹持。
夹持工件时要保证工件与卡盘的接触面充分,夹紧力均匀,避免工件在加工过程中发生摇摆或滑动。
四、校核刀位在夹紧工件后,需要校核滚刀的刀位。
首先调整刀架的位置,使滚刀的刀位与工件的齿峰相切,并使切屑清除装置对准滚刀,保持刀具与工件的正常接触。
五、开机调速在进行车床滚齿操作之前,需要确保车床机床的开关处于关闭状态。
调整合适的主轴速度和进给速度,根据工件的材料和加工要求选择合适的切削参数。
开机前检查切削液系统是否正常工作。
六、进给滚齿开机后,将滚刀轻轻拨动,使其与工件接触。
调整进给装置,使滚刀沿着工件轴向移动,完成齿轮滚齿操作。
在进给滚齿的过程中,需要保证滚刀与工件的正常接触,避免滚刀与工件之间产生过大的摩擦或相对滑动。
七、检查工件在滚齿操作完成后,需要对工件进行检查。
首先检查齿轮的齿数、模数、齿宽、齿距等参数是否满足要求,然后检查齿面的质量,包括齿面光洁度和硬度等。
如发现问题,及时调整滚刀的位置或切削参数,进行修正。
总结:车床滚齿操作是一种常用的齿轮加工方法,适用于生产中大批量、高精度和高质量的齿轮。
在进行滚齿操作之前,需要准备工作、选择滚刀、夹持工件、校核刀位、开机调速等步骤。
进给滚齿时,要保证滚刀与工件的正常接触,避免滚刀与工件之间产生过大的摩擦或相对滑动。
每齿进给量如何选择在数控机床上加⼯零件时,切削⽤量都预先编⼊程序中,在正常加⼯情况下,⼈⼯不予改变。
只有在试加⼯或出现异常情况时.才通过速率调节旋钮或电⼿轮调整切削⽤量。
因此程序中选⽤的切削⽤量应是最佳的、合理的切削⽤量。
只有这样才能提⾼数控机床的加⼯精度、⼑具寿命和⽣产率,降低加⼯成本。
影响切削⽤量的因素有:机床切削⽤量的选择必须在机床主传动功率、进给传动功率以及主轴转速范围、进给速度范围之内。
机床—⼑具—⼯件系统的刚性是限制切削⽤量的重要因素。
切削⽤量的选择应使机床—⼑具—⼯件系统不发⽣较⼤的“振颤”。
如果机床的热稳定性好,热变形⼩,可适当加⼤切削⽤量。
⼑具⼑具材料是影响切削⽤量的重要因素。
表1是常⽤⼑具材料的性能⽐较。
数控机床所⽤的⼑具多采⽤可转位⼑⽚(机夹⼑⽚)并具有⼀定的寿命。
机夹⼑⽚的材料和形状尺⼨必须与程序中的切削速度和进给量相适应并存⼊⼑具参数中去。
标准⼑⽚的参数请参阅有关⼿册及产品样本。
表1 常⽤⼑具材料的性能⽐较⼯件不同的⼯件材料要采⽤与之适应的⼑具材料、⼑⽚类型,要注意到可切削性。
可切削性良好的标志是,在⾼速切削下有效地形成切屑,同时具有较⼩的⼑具磨损和较好的表⾯加⼯质量。
较⾼的切削速度、较⼩的背吃⼑量和进给量,可以获得较好的表⾯粗糙度。
合理的恒切削速度、较⼩的背吃⼑量和进给量可以得到较⾼的加⼯精度。
冷却液冷却液同时具有冷却和润滑作⽤。
带⾛切削过程产⽣的切削热,降低⼯件、⼑具、夹具和机床的温升,减少⼑具与⼯件的摩擦和磨损,提⾼⼑具寿命和⼯件表⾯加⼯质量。
使⽤冷却液后,通常可以提⾼切削⽤量。
冷却液必须定期更换,以防因其⽼化⽽腐蚀机床导轨或其他零件,特别是⽔溶性冷却液。
以上讲述了机床、⼑具、⼯件、冷却液对切削⽤量的影响。
切削⽤量的选择原则,下⾯主要论述铣削加⼯的切削⽤量选择原则。
铣削加⼯的切削⽤量包括:切削速度、进给速度、背吃⼑量和侧吃⼑量。
从⼑具耐⽤度出发,切削⽤量的选择⽅法是:先选择背吃⼑量或侧吃⼑量,其次选择进给速度,最后确定切削速度。
滚、插齿切削用量规定
一、目的
保证产品质量,减少浪费,维护和谐的工作环境。
二、切削用量标准
1、切削用量(单头滚刀):
V=D*∏*N/1000
V 滚刀线速度(m/min)
D 滚刀外圆直径(mm)
N 滚刀转速(r/min)
2、插齿刀线速度要求控制在24~30m/min以内。
计算如下:n=1000*V/2*L
V 切削速度(m/min)
L 插齿刀行程长度(mm)
n 每分钟的冲程数(str/min)
3、圆周进给量控制在0.1~0.3mm/str
f圆周=(40*is*n主)/(∏*D工)
is 每冲程圆周进给量mm/str
n主每分钟主运动冲程数str/min
D工工件分度圆直径 mm
f圆周圆周电机的输入频率(工作频率)HZ 4、常规产品数控插齿机切削用量规定
三、原则与规定
1、以产品质量、和蔼环境、公平公正、民主意见为原则;
2、由检验人员与管理人员不定期进行检察;
3、中班期间以次日产品加工数与产品加工情况进行检察;
4、根据切削用量标准,重新制定经济衡量杠杆,对于违反切削走刀次数的员工从200元每次的负激励的规定,调整为每次500元的负激励;两次滚工件对于第一次未滚削齿全长的给予每次50元的负激励;对于违反切削速度与进给量的给予每次200元的负激励。
.。
滚齿切削参数的计算方法我折腾了好久滚齿切削参数的计算方法,总算找到点门道。
说实话,刚接触滚齿切削参数计算的时候,我真的是一头雾水,完全就是瞎摸索。
我就看着那些公式和数据,感觉像看天书一样。
我一开始就只知道有个模数这个概念。
我当时想,这模数是不是就像鞋子的尺码似的,越大那齿轮就越大呢。
然后我就按照书上的公式开始试着算滚齿的转速。
我就按照最基本的那个公式,转速等于切削速度除以刀具的圆周周长嘛。
我就随便取了个切削速度的值,那结果算出来超级离谱。
后来我才知道,这切削速度是有个范围的,得根据材料、刀具啥的来定。
比如我加工那个普通碳钢的齿轮,我一开始用的切削速度就和加工铝合金齿轮的速度差不多,那肯定是不行的。
就像你跑步,不同的路况你速度肯定不能一样啊。
这切削碳钢的时候,速度太快,刀具磨损得超级快,而且加工出来的齿面也不平整。
这时候我就知道了,材料不同,切削速度取值有很大差别。
还有那个进给量,我也踩过坑。
我一开始就按照人家说的一个平均值来设置,根本没去想工件的精度要求还有齿厚这些因素。
后来做出来的齿轮,齿厚比要求的厚了不少。
这就好比你炒菜放盐,不能不管这道菜需要啥口味就乱放一样。
这进给量得根据你要达到的齿厚公差要求,还有滚刀的头数这些来调整。
我发现滚刀头数多的时候,这进给量要适当小一点,要不然就容易超差。
滚齿切削深度呢,我之前以为越深越好,能快点把齿形切出来。
结果发现,切得太深,刀具容易崩刃。
这很容易理解,就像你用刀削东西,太使劲一刀子下去就折了。
我试过一点一点地增加切削深度,从比较小的值开始试,发现既能保证刀具寿命,又能达到较好的切削效果的一个合适的范围。
我还不确定的一点就是,在计算这些参数的时候,怎么能根据不同的滚齿机床的性能来做更精准的调整。
我现在知道的就是,机床功率大一些的,切削参数在理论值的基础上可以适当取大一点,但是这个度我还没有精确掌握。
反正这滚齿切削参数计算啊,就是要多实践,多根据实际加工的情况来调整,不要一味地只看理论公式。
滚齿进给量的选择(补遗)
吴元昌
【期刊名称】《制造技术与机床》
【年(卷),期】2001(000)001
【摘要】@@本文为文献[1]一文的补遗,以另一种方式求解滚齿进给量的选择【总页数】2页(P51-52)
【作者】吴元昌
【作者单位】成都工具研究所
【正文语种】中文
【中图分类】TG61
【相关文献】
1.滚齿进给量的选择 [J], 吴元昌
2.挖坑机钻头转速及进给量的优化选择 [J], 刘少刚
3.滚花键轴向进给量的优化选择 [J], 朱建国
4.通过滚齿干涉校验合理选择刀具 [J], 郑佳文;任池
5.滚齿进给量的正确选择 [J], 吴元昌
因版权原因,仅展示原文概要,查看原文内容请购买。
齿轮加工进给量表
(最新版)
目录
1.齿轮加工进给量表的定义和作用
2.齿轮加工进给量表的类型和选择
3.齿轮加工进给量表的使用方法和注意事项
4.齿轮加工进给量表对齿轮加工的重要性
正文
一、齿轮加工进给量表的定义和作用
齿轮加工进给量表是一种用于指导齿轮加工过程中进给速度的工具,其主要作用是为齿轮加工提供准确的进给速度参考,以保证齿轮加工的精度和效率。
进给量表通常包含一系列的进给速度数据,这些数据是基于齿轮的模数、齿数、材料等因素计算得出的。
二、齿轮加工进给量表的类型和选择
根据齿轮加工的不同阶段和加工方式,齿轮加工进给量表可以分为多种类型,如普通齿轮进给量表、数控齿轮进给量表、齿轮磨削进给量表等。
选择合适的进给量表,需要根据齿轮加工的实际情况和设备类型进行。
三、齿轮加工进给量表的使用方法和注意事项
在使用齿轮加工进给量表时,需要根据齿轮加工设备的类型和具体参数设置进给速度。
同时,在使用过程中,还需要注意以下几点:
1.确保进给量表的准确性,定期进行校验和修正;
2.根据齿轮加工的实际情况,合理选择进给速度,避免过快或过慢的进给速度导致齿轮加工质量下降;
3.在齿轮加工过程中,密切关注进给速度和齿轮加工状态,如有异常
情况,及时调整进给速度。
四、齿轮加工进给量表对齿轮加工的重要性
齿轮加工进给量表对齿轮加工的质量和效率具有重要意义。
准确的进给速度可以保证齿轮加工的精度,提高齿轮的使用寿命和可靠性;合理的进给速度可以提高齿轮加工的效率,降低生产成本。
简述数控车削时进给量的选取原则在数控车削加工中,进给量的选取对加工效率和加工质量有着重要的影响。
正确选择进给量不仅可以提高加工效率,还可以延长刀具寿命,减少加工成本。
那么,在数控车削时,如何选择合适的进给量呢?下面我们来详细介绍一些选取原则。
1. 根据工件材料和刀具材料选择进给量不同的工件材料和刀具材料在加工时所能承受的切削力是不同的。
因此,在选择进给量时,需要根据具体的材料情况来确定。
一般来说,对于硬度较高的材料,应选择较小的进给量,以减少切削力,避免刀具损坏;而对于较软的材料,则可以选择较大的进给量,提高加工效率。
2. 考虑切削速度和切削深度进给量的选取还需要考虑切削速度和切削深度。
一般来说,当切削速度较高时,进给量可以适当增大,以提高加工效率;而当切削深度较大时,进给量则应该适当减小,以减少切削力,避免产生振动或刀具断裂的风险。
3. 考虑加工精度和表面质量在一些对加工精度和表面质量要求较高的工件加工中,进给量的选择就显得尤为重要。
过大的进给量会导致工件表面粗糙度增加,影响加工质量;而过小的进给量则会导致加工效率低下。
因此,在这种情况下,需要综合考虑加工精度和表面质量的要求,选择一个合适的进给量。
4. 根据加工形状和加工工艺选择进给量不同的加工形状和加工工艺对进给量的要求也是不同的。
例如,对于复杂曲线的加工,进给量应该适当减小,以保证加工精度;而对于直线加工,则可以适当增大进给量,提高加工效率。
此外,在不同的加工工艺中,进给量的选取也会有所不同,需要根据具体情况进行调整。
总的来说,正确选择进给量是数控车削加工中非常重要的一环。
通过合理的进给量选取,可以提高加工效率,保证加工质量,降低加工成本。
因此,在实际的加工过程中,操作人员需要根据工件材料、刀具材料、切削速度、切削深度、加工精度、加工形状和加工工艺等因素综合考虑,选择一个合适的进给量,以达到最佳的加工效果。
希望以上介绍的原则能够对大家在数控车削加工中的进给量选取有所帮助。
每齿进给量如何选择在机械加工中,每齿进给量是指刀具在每次切削过程中移动的距离。
选择适当的每齿进给量对于机械加工的成品质量、生产效率和工具寿命有着重要的影响。
下面将介绍一些选择每齿进给量的要点和方法。
1.预测切削力和切削热选择合适的每齿进给量需要预测切削力和切削热的大小。
通过切削力和切削热的预测,可以选择适当的切削参数,包括每齿进给量。
要预测切削力和切削热,可以使用工艺手册、数值模拟软件或试验方法。
2.考虑刀具特性刀具的特性对每齿进给量的选择也有影响。
例如,当刀具刃尖较尖锐时,每齿进给量可以选择较小一些,以避免过大的切削力集中在刃尖上,导致刃口磨损过快。
另外,还需要考虑切削液的使用,适当的切削液可以减少切削温度,延长刀具使用寿命。
3.确定切削速度切削速度也是选择每齿进给量的关键因素之一、切削速度过高会导致刀具磨损加剧,切削力增大;切削速度过低会导致切削时间延长,生产效率低下。
因此,选择适当的切削速度对于确定每齿进给量很重要。
4.考虑工件材料和形状每齿进给量还需要考虑工件材料和形状。
不同材料的加工性能不同,同样的每齿进给量在不同材料上可能会产生不同的效果。
同样,工件的形状也会影响每齿进给量的选择。
例如,在加工薄壁结构时,每齿进给量应该选择较小,以避免切削过渡,造成变形或断裂。
5.参考经验值和试验选择每齿进给量时,可以参考经验值和试验结果。
根据同类型工件的加工经验,可以得出一些推荐的每齿进给量范围。
另外,进行试验加工也是确定最佳每齿进给量的一种方法。
通过实际加工试验,可以评估不同每齿进给量下的切削质量、加工时间和工具寿命,从而选择最佳的每齿进给量。
总之,选择适当的每齿进给量是机械加工过程中至关重要的一步。
根据切削力、切削热、刀具特性、切削速度、工件材料和形状等因素进行综合考虑,参考经验值和进行试验,可以确定最佳的每齿进给量,以提高加工效率、保证加工质量和延长刀具寿命。
齿轮加工进给量表【最新版】目录一、齿轮加工进给量表的概念与意义二、齿轮加工进给量表的种类与特点三、齿轮加工进给量表的使用方法与技巧四、齿轮加工进给量表的注意事项五、齿轮加工进给量表的发展趋势与展望正文一、齿轮加工进给量表的概念与意义齿轮加工进给量表是一种在齿轮加工过程中,用于控制刀具进给速度和进给距离的工具。
它能够确保齿轮加工的精度和效率,提高产品的质量。
在齿轮加工过程中,进给量是一个非常重要的参数,直接影响到齿轮的加工精度和效率。
因此,齿轮加工进给量表在齿轮加工中起着至关重要的作用。
二、齿轮加工进给量表的种类与特点齿轮加工进给量表主要有以下几种类型:1.机械式进给量表:这种进给量表通过机械传动来控制刀具的进给速度和距离,具有结构简单、操作方便的特点,但精度较低,适用于一般的齿轮加工。
2.电子式进给量表:这种进给量表采用电子技术来控制刀具的进给速度和距离,具有高精度、操作简便的特点,适用于高精度齿轮的加工。
3.数控式进给量表:这种进给量表是数控机床上的一个组成部分,能够实现自动控制刀具的进给速度和距离,具有高精度、高效率的特点,适用于大批量齿轮的加工。
三、齿轮加工进给量表的使用方法与技巧在使用齿轮加工进给量表时,需要注意以下几点:1.根据齿轮的加工工艺和要求,选择合适的进给量表。
2.在使用进给量表时,要确保刀具的进给速度和距离符合齿轮加工的要求。
3.在操作进给量表时,要遵循操作规程,避免因操作不当导致的事故。
4.定期对进给量表进行维护和保养,确保其正常使用。
四、齿轮加工进给量表的注意事项在使用齿轮加工进给量表时,需要注意以下几点:1.选择合适的进给量表:根据齿轮的加工工艺和要求,选择合适的进给量表。
2.确保进给量表的精度:进给量表的精度直接影响到齿轮的加工精度,因此,要确保进给量表的精度。
3.正确操作进给量表:在操作进给量表时,要遵循操作规程,避免因操作不当导致的事故。
4.定期维护进给量表:定期对进给量表进行维护和保养,确保其正常使用。
齿轮加工进给量与齿厚的关系 按公法线 滚齿时:0
sin 2αL f ∆=∆ 式中:f ∆——进给量
L ∆——公法线的差值
0α——齿形角
插齿时,用啮合角α代替齿形角0α代入公式进行计算。
啮合角α
由公式:()002tan 2αααinv Z Z x x x inv ++∆±±⋅
=刀
工刀工 求得 式中:0sin 2αm L x ∆=∆
0α——齿形角
工x ——工件的变位系数
刀x ——插齿刀的变位系数 m ——模数
带有“±”处,插削外齿轮时用“+”号,插削内齿轮时用“-”号。
按固定弦齿厚和分度园弦齿厚
滚齿时:α
tan 2S f ∆=∆ 式中:Δf ——进给量
Δs ——弦齿厚的差值
按M 值
滚齿时:2M f ∆=∆
式中:Δf ——进给量
Δs ——M 值的差值
滚齿机上滚刀安装角的调整误差与齿厚关系: ()2003002sin tan cos 2γγγα∆⋅⎪⎪⎭⎫ ⎝
⎛+⋅⋅-=∆Z Z M S n 式中 0γ——滚刀螺纹导程角。
0γ∆——滚刀安装角调整误差。
Z ——被加工齿轮齿数,斜齿轮以β
3cos Z Z ='代入。
0Z ——滚刀头数。
用标准滚刀进行径向、切向变位滚切短齿齿轮的方法:
1. 径向切至全齿深,
2. 滚刀切向移动αsin 15.0⋅=∆m l 切去一侧余量,再切去另一侧余量。
滚齿进给量的选择分析
1997年参观德国汉诺威“欧洲机床工具展览会-EMO′97”时,了解到欧美几个齿轮滚刀厂为轿车齿轮加工发展的高效齿轮滚刀的滚削参数中,是从被加工齿轮的强度和齿轮滚刀材料的性能出发,计算滚刀切削时的顶刃最大许可负荷,然后给用户一个“滚刀顶刃最大许可切屑厚度”推荐值,以此确定滚刀轴向进给量的优化选择。
国外汽车齿轮材料一般多为硬度176~209HB的低合金结构钢。
齿轮滚刀的材料多为高速钢及硬质合金两种,近年各厂重点使用整体硬质合金滚刀。
在轿车齿轮加工的滚剃工序中,滚齿时,齿部质量要达到剃齿要求来选定滚削速度和最大进给量。
1滚刀进给量欧洲工具厂的推荐值
德国saacke,Fette和sazzor齿轮滚刀厂均推荐以齿轮滚刀顶刃的最大许可切屑厚度(h1max)来确定滚刀进给量。
硬质合金滚刀的h1max规定按国际标准(ISO)对硬质合金的分类:P类硬质合金滚刀h1max为0.18mm;K类硬质合金滚刀h1max为0.12~0.15mm。
P类硬质合金常用牌号为P25~P40。
这类整体硬质合金滚刀在新刀时要进行TiN表面涂层处理,但刃磨后一般不再进行涂层。
K类硬质合金滚刀常用于对淬硬钢齿轮的齿形精加工,牌号多为K10,对较小模数的滚刀要用细颗粒硬质合金。
在精滚齿时,新刀及每次刃磨后均进行TiN涂层处理。
轿车方向盘转向器上的小齿轮淬硬后采用硬质合金滚刀精滚工艺。
高速钢滚刀的h1max规定对中小模数的轿车齿轮(m=1.4~2.8mm),一般选用h1max为0.2~0.25mm。
对模数大的齿轮,可选用较大值为0.25~0.3mm。
上述欧洲工具厂的高速钢滚刀材料常用含钴5%的钴高速钢S6-5-2-5(S后的数字依次为钨-钼-钒-钴的百分数),淬火硬度为65~66HRC。
美国star工具厂的推荐值
美国star工具厂是美国主要的齿轮滚刀生产厂之一。
该厂也是推荐滚刀顶刃的最大许可切屑厚度
h1max来确定滚刀进给量。
对于P类硬质合金滚刀的h1max规定为0.15mm。
对高速钢滚刀的h1max规定为0.2~0.25mm。
该厂与德国Liebherr滚齿机厂交换过意见,两厂分别导出的滚齿切屑最大厚度公式,得到的h1max值很相近。
2滚刀顶刃的h1max与滚刀轴向进给量fa的关系
根据滚刀顶刃最大切屑厚度h1max值换算成滚刀轴向进给量fa值才能在滚削加工中应用。
德国人Dr.B.Hoffmeister博士于1979年在阿亨大学发表的论文中研究了滚齿中的顶刃最大切屑厚度,并建立了计算用数学公式,用它可以从顶刃切屑厚度计算工件每转的轴向进给量。
此公式在顶刃切屑厚度
h1max=0.35mm对m=1的滚刀和h1max=0.1mm对m=32的滚刀皆得到验证。
德国的滚刀厂皆用Hoffmeister
博士的公式从h1max值计算fa值。
计算式为fa=Fh1·Fm·Fz2·Fd·F(N/z0)·Fa (1)式中,Fh1、Fm、Fz2、Fd、F(N/z0)、Fa为6个影响因子,各有其计算式。
由于各因子的计算方程式较为复杂,考虑工业应用,近年有人将其简化列于表1。
表1 fa的各影响因子计算方程式(简化式)
3 h1max或fa的选取
滚削实例的原始数据及按公式(1)计算所得的fa或h1max。
这是德国saacke厂在1997年国际展览会上作为新产品宣传的TiALN涂层硬质合金整体滚刀加长结构。
Ø60(D)mm×150(刃长)mmר27(孔)mm,体现了小直径,加长,多刃齿,多头的现代滚刀,它代表了现代硬质合金滚刀滚齿的最高水平。
用来加工20MnCrS5含硫易切渗碳钢齿轮(含硫0.03%),滚齿速度Vc=395m/min(2095r/min),采用fa=1.8mm/r(188mm/min),用公式(1)计算,可得h1max=0.14mm,此值与该厂推荐的不超过0.18mm最大许可切屑厚度相符。
刀具寿命为32m/刃齿,全刀可加工12600个齿轮。
表2中的2号滚刀
这是成都工具研究所研制的镶齿硬质合金滚刀,1982年开始应用至今。
齿轮材料为40Cr与20CrMnTi,硬度为176~209HB,滚齿速度Vc=175m/min(497r/min)。
进给量fa=1.8mm/r(31~23mm/min)。
用公式(1)计算,可得加工29齿齿轮时h1max=0.14mm,在国外推荐的最大切屑厚度范围内。
此刀在80年代初与世界先进水平相当。
表2 齿轮、齿轮滚刀及切削参数数据
表2中的3、4号滚刀
这组数据为德国Fette工具厂1993年在德国Nord齿轮厂作的圆磨滚刀与整体多头、多刃齿轮滚刀加工轿车齿轮的经济分析的一部分。
齿轮材料的抗拉强度为650N/mm2。
Fette厂在数据中既给了fa值,也给了h1max值。
经将h1max值代入公式(1),求得的fa值和已知fa值相同。
这个试验是在给定相同的h1max 值前提下进行的,说明该厂是用公式(1)来决定相应的fa值(表1中的6个因子计算式即为该厂提供)。
3号与4号两把滚刀,主要是刃齿数相差大。
前者圆磨滚刀为12齿,后者整体滚刀为20齿,由于F(N/z0)因子与滚刀刃齿数N的关系为1.7162次方,所以两把刀在相同的h1max=0.25mm条件下,其相应的fa值各为1.2和3.0mm/r,相差2.5倍。
表2中5号滚刀
这是意大利SU齿轮刀具厂1995年报道的一把整体多槽不重磨滚刀加工轿车齿轮的试验数据,注意滚刀直径小(Ø50mm),刃齿数多(22齿),头数多(3头),每个刃齿的全高为5mm,但可承受h1max=0.23mm的切屑负荷,滚刀材料为含钴5%的钴高速钢S6-5-2-5。
不重磨滚刀只在美国有市场。
从上述5把不同类型的滚刀可以看到,它覆盖了现代滚刀的不同品种和结构,1、4和5号滚刀为整体结构,分别代表现代流行的先进滚刀类型,2和3号滚刀为镶齿结构,刃齿数较少,分别代表80年代在世界上流行,但目前在欧美已让位给在每次刃磨后能重新进行PVD-TiN涂层的、更先进的整体滚刀。
表2中的各滚刀所采用的h1max值说明,符合工具厂的推荐许可值。
计算fa值的公式(1)在实际生产中已获得应用。