烽火04-AN5006-15网管配置介绍
- 格式:ppt
- 大小:7.24 MB
- 文档页数:72
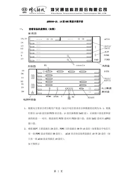
AN5006-15、16型ONU简易开通手册一、查看设备机盘情况(如图)1、根据局方要求合理分配用户机盘(如汉中电信要求语音和数据的比例为3:1,则我们要在11-13盘位插POTS语音盘;14盘位插数据XA32盘),后面接口盘也要和前面的机盘一一对应,既前面的POTS盘对应PSIO接口盘;前面XA32盘对应ASP32接口盘。
2、确保EUP7上联盘插在29盘位,FSWC主控盘插在09和10盘位(如果象汉中电信只有一块FSWC盘必须插在09盘位),AC16语音协议处理盘插在19和20盘位(如只有一块AC16盘必须插在19盘位)。
如下图所示3、记录各单盘硬件版本号,(1)、AC16 盘硬件使用WKE2.119.208R1E;(注:如象汉中电信没有16E1时,跳帽应跳接靠近背板的2、3针上)(2)、主控盘FSWB硬件使用WKE2.115.262R2A,(注:GSWB(汉中无此盘)硬件使用WKE2.115.288R1A)(3)、POTS盘硬件使用WKE2.168.045R2A;(注:此盘前期需要返厂维修,请确认是什么时期的盘)(4)、PSIO盘硬件使用WKE2.115.263R2A;(5)、XA32+ 硬件使用WKE2.170.679R1P;(6)、ASP32 硬件使用WKE2.166.216R3A;(7)、EUP2 硬件使用WKE2.170.793R2B;(注:此接口盘上还标有该ONU的MAC地址如54-4b-15-00-0c-28)二、接电源线1、接电源线此步骤很重要操作一定要谨慎,如果接错或正负极接反会损坏设备,所以在接电源前一定要把设备上所插机盘全部拔出来,等待设备供电正常后再逐个插入。
此过程要用万用表逐一进行测量。
如果使用的是烽火虹信电源模块(汉中电信基本上都是烽火虹信的电源模块)接线如图:相关注意事项:1.AN5006-15/16的电源线缆与虹信电源连接时,蓝色线(- 48 V)连接到虹信电源的-48V2上,黑色线(0 V)和棕色(GE)线一起连接到虹信电源的+48V2上;注(只有一个电源模块的时候用-48V2和+48V2这组,有两组模块的时候-48V1和+48V1也可以使用)2.AN5006-15/16的保护地PE直接连接到室外机柜的接地排;3.虹信电源的+48V2连接到室外机柜的接地排;4.虹信电源的保护地PE连接到室外机柜的接地排;5.将室外机柜的保护地连接到接地排;6.接地排连接到大地,接地电阻小于5欧。
烽火通信EPON AN5006-04设备介绍设备概述AN5006-04 EPON远端机是烽火通信自主研发的目前业界领先的三网合一、光纤到户型宽带接入设备。
它具有高可靠性、良好的服务质量(QoS)保证、可管理、扩容和组网灵活等特点。
设备的各项功能和性能指标都满足ITU-T、IEEE相关建议和有关国标和行标的技术规范。
AN5006-04设备是单用户型远端EPON用户设备,它与烽火通信自主研发的EPON 局端设备一起,可组成千兆EPON系统,为用户提供三网合一的宽带接入,可满足家庭或小型办公企业上网、电话及视频娱乐等多种需求。
设备硬件结构按照传输距离的不同和是否安装了CATV模块,AN5006-04 EPON远端机有六种类型,如表1所示。
用户可根据需要选择最合适的产品。
表 1 AN5006-04设备的型号及说明列表业务提供能力AN5006-04设备采用单纤波分复用方式,下行信号波长为1490nm,上行信号波长为1310nm,CATV信号波长为1550nm。
仅需一根光纤就可以同时传输IP数据业务、语音业务和CATV业务,最大传输距离可达20公里。
设备接口类型AN5006-04设备可提供以下接口:◆1个SC/PC型或SC/APC型光接口(Ⅰ型和A型产品的PON口使用SC/PC型光纤连接器,Ⅱ型和B型产品的PON口使用SC/APC型光纤连接器);◆4个10/100BASE-TX端口;◆2个FXS(话音)端口;◆1个CATV同轴电缆接口(限于II 1,II 2和B型设备);◆1个用于管理调试的CONSOLE接口。
设备功能AN5006-04设备支持的业务有,普通电话业务、IP数据业务、CATV业务。
它与ODN(或无源光分路器)、OLT(如AN5116-02 EPON局端机)共同组成EPON系统网络,实现所有业务的接入。
本设备提供标准的10/100BASE-TX端口与用户电脑连接,提供FXS端口与用户电话连接,还提供CATV同轴电缆接口与用户电视连接,从而实现“三网合一”的多业务接入。
烽火通信EPON AN5006-04设备介绍设备概述AN5006-04 EPON远端机是烽火通信自主研发的目前业界领先的三网合一、光纤到户型宽带接入设备。
它具有高可靠性、良好的服务质量(QoS)保证、可管理、扩容和组网灵活等特点。
设备的各项功能和性能指标都满足ITU-T、IEEE相关建议和有关国标和行标的技术规范。
AN5006-04设备是单用户型远端EPON用户设备,它与烽火通信自主研发的EPON 局端设备一起,可组成千兆EPON系统,为用户提供三网合一的宽带接入,可满足家庭或小型办公企业上网、电话及视频娱乐等多种需求。
设备硬件结构按照传输距离的不同和是否安装了CATV模块,AN5006-04 EPON远端机有六种类型,如表1所示。
用户可根据需要选择最合适的产品。
表 1 AN5006-04设备的型号及说明列表业务提供能力AN5006-04设备采用单纤波分复用方式,下行信号波长为1490nm,上行信号波长为1310nm,CATV信号波长为1550nm。
仅需一根光纤就可以同时传输IP数据业务、语音业务和CATV业务,最大传输距离可达20公里。
设备接口类型AN5006-04设备可提供以下接口:◆1个SC/PC型或SC/APC型光接口(Ⅰ型和A型产品的PON口使用SC/PC型光纤连接器,Ⅱ型和B型产品的PON口使用SC/APC型光纤连接器);◆4个10/100BASE-TX端口;◆2个FXS(话音)端口;◆1个CATV同轴电缆接口(限于II 1,II 2和B型设备);◆1个用于管理调试的CONSOLE接口。
设备功能AN5006-04设备支持的业务有,普通电话业务、IP数据业务、CATV业务。
它与ODN(或无源光分路器)、OLT(如AN5116-02 EPON局端机)共同组成EPON系统网络,实现所有业务的接入。
本设备提供标准的10/100BASE-TX端口与用户电脑连接,提供FXS端口与用户电话连接,还提供CATV同轴电缆接口与用户电视连接,从而实现“三网合一”的多业务接入。
FiBOOM系列FTTx产品AN5516-01 FTTx局端设备AN5516-01是烽火通信公司推出的一款新一代智能型电信级EPON/GPON一体化接入产品。
AN5516-01是一款电信级FTTx 局端设备,可搭建EPON/GPON/10G EPON/WDM? PON/P2P通用平台,支持三层汇聚功能,具备小体积、大容量、高密度、高性能的特点,为固网宽带接入、移动基站传输、商务楼宇电子商务等提供可发展性的优质解决方案。
AN5516-01 通常摆放在小区或局端机房内。
在网络侧,AN5516-01 可以提供千兆或者万兆上联接口与IP 网络连接,也可以提供STM-1 光接口或者E1 电口与SDH 或传统的PDH 设备连接。
在用户侧,AN5516-01 设备通过ODN 网络为用户在单根光纤上提供数据、VoIP、IPTV、CATV、TDM 等多种业务。
?????????????????????????????????????????????????????????????????功能特点:丰富的接口类型·AN5516-01 设备支持多种物理接口种类,上联接口包括:10GE 光接口、GE 光接口、GE 电接口、E1 电接口STM-1 光接口;用户接口包括:EPON 光接口、GPON 光接口;另外还提供各类管理接口、干接点接口及时钟告警接口等。
强大的 EPON/GPON 一体化接入能力·AN5516-01 是一款EPON/GPON 一体化接入设备,可实现EPON 和GPON 业务的混合接入。
支持IEEE 802.3ah-2005 标准规定的EPON 功能,严格符合ITU-T G.984 系列标准;具备良好的互操作性支持扩展的OAM 功能,具有良好的向下兼容性,支持多种类型ONU,例如:SFU、盒式MDU(包括LAN 型和xDSL 型)、插卡式MDU 以及HGU 型ONU 等,提供大容量PON 传输带宽。
烽火接入网全系列O N U设备简介(总14页)-CAL-FENGHAI.-(YICAI)-Company One1-CAL-本页仅作为文档封面,使用请直接删除FiBOOM系列FTTx产品AN5516-01 FTTx局端设备AN5516-01是烽火通信公司推出的一款新一代智能型电信级EPON/GPON一体化接入产品。
AN5516-01是一款电信级FTTx 局端设备,可搭建EPON/GPON/10G EPON/WDM PON/P2P通用平台,支持三层汇聚功能,具备小体积、大容量、高密度、高性能的特点,为固网宽带接入、移动基站传输、商务楼宇电子商务等提供可发展性的优质解决方案。
AN5516-01 通常摆放在小区或局端机房内。
在网络侧,AN5516-01 可以提供千兆或者万兆上联接口与IP 网络连接,也可以提供STM-1 光接口或者E1 电口与SDH 或传统的PDH 设备连接。
在用户侧,AN5516-01 设备通过ODN 网络为用户在单根光纤上提供数据、VoIP、IPTV、CATV、TDM 等多种业务。
功能特点:丰富的接口类型·AN5516-01 设备支持多种物理接口种类,上联接口包括:10GE 光接口、GE 光接口、GE 电接口、E1 电接口STM-1 光接口;用户接口包括:EPON 光接口、GPON 光接口;另外还提供各类管理接口、干接点接口及时钟告警接口等。
强大的 EPON/GPON 一体化接入能力·AN5516-01 是一款EPON/GPON 一体化接入设备,可实现EPON 和GPON 业务的混合接入。
支持IEEE 802.3ah-2005 标准规定的EPON 功能,严格符合ITU-T G.984 系列标准;具备良好的互操作性支持扩展的OAM 功能,具有良好的向下兼容性,支持多种类型ONU,例如:SFU、盒式MDU(包括LAN 型和xDSL 型)、插卡式MDU 以及HGU 型ONU 等,提供大容量PON 传输带宽。
烽火通信基于FTTN的64ADSL+64POTS端口ONU产品AN5006-15简介烽火通信科技股份有限公司2006年12月1产品概述AN5006-15 EPON远端机(ONU)是烽火通信自主研发的目前业界领先的光纤到楼、64路ADSL/2/2+端口和64路POTS端口宽带接入设备。
它具有可靠性高及提供服务质量(QoS)保证、可管理、可灵活扩容和组网的特点,相对于一步到位的FTTH产品,大幅度降低了每户平均成本。
设备的各项功能和性能指标均满足ITU-T、IEEE相关建议和有关国际标准和行业标准的技术规范。
AN5006-15 EPON远端机与烽火通信自主研发的EPON局端设备(AN5116系列)一起,可以组成GEPON系统,为用户提供宽带接入。
设备采用灵活的插板结构,可提供以下几种组合:64路ADSL+64路POTS;32路ADSL+96路POTS;96路ADSL+32路POTS;128路ADSL;128路POTS.AN5006-15整体效果图2系统特点2.1 提供高性价比的光纤接入通过采用烽火FTTN型ONU,可以让64个ADSL用户和64个POTS用户分担一路EPON的成本,能够有效降低每户接入成本。
这种方式相对于传统的各种接入技术,还具有非常好的带宽保障能力。
2.2 应用方式灵活根据不同的工程应用环境,每台AN5006-15最多可以直接带128个用户,为每户提供ADSL或ADSL2+业务和POTS业务,分别实现最高达到8M或25M的下行接入带宽,为运营商节省线路成本和建设成本,实现铜线接入向光纤接入的演进。
2.3 高可靠性设计由于FTTB的应用中每个ONU都服务于多个用户,光纤线路故障的影响面大大超过FTTH的应用场合。
为了增强网络可靠性并提升用户满意程度,AN5006-15型ONU的上联PON接口可以支持主备冗余保护。
2.4 多业务的支持能力烽火的AN5116/5006系列EPON系统是典型的多业务融合平台。
烽火通信EPON设备及组网方案介绍一、AN5116-02 大型电信级EPON接入设备AN5116-02是烽火通信科技股份有限公司推出的一款大型电信级GEPON局端设备,是为电信运营商提供的一种电信级GEPON宽带接入设备。
该产品采用串行高速总线体系结构和模块化设计理念,结合业界最先进的制造技术,产品具有高密度端口、高可靠性及提供服务质量(QoS)保证、易开通、易管理、结构紧凑、业务种类丰富、组网扩容灵活等优点。
AN5116-02宽窄带接入设备一般位于接入网的边缘,直接与终端用户相连,处于用户与汇聚层设备之间。
该产品适合于FTTH/FTTO等光纤接入场合的应用,通常摆放在小区或局端机房内,通过先进的单纤三波技术为用户在单根光纤上提供数据、语音、IPTV、CATV、TDM等多种网络业务。
功能特点:· 大容量AN5116-02作为千兆IP交换平台,它具有高达48G核心、96G背板交换容量,单框最大容量可达4096线。
· 长距离AN5116-02在1:32光分路比的情况下覆盖半径可达20公里,线路部分均为无源器件,可为运营商极大解决机房建设和后期维护的费用。
并可实现1:64光分路比的情况下10公里传输距离。
· 高可靠性AN5116-02内部采用高可靠性的双星型总线结构,线路卡与每个交换卡之间都采用高速总线互联即保证了用户带宽,又保证了失效时的快速倒换。
支持各种类型的接口卡的热拔插,并支持核心板卡的主备倒换,以实现1+1保护,有效防止单点故障。
-48V独立电源分散式供电,提高系统稳定性。
· 丰富的接口类型AN5116-02可提供10/100/1000M(光口/电口)、V5、STM-1等多种上联接口,可同时承载数据、电路交换语音、软交换语音、IPTV、CATV、TDM等多种业务;端口支持TRUNK功能,可灵活扩展上行端口的容量。
宽窄带一体化设计,除了支持EPON以外,还支持ADSL、VDSL以及LAN等多种业务接口混插,将各种技术有效结合,满足不同距离、不同线路环境、不同带宽需求的应用环境。
烽火AN5506—10说明书
说明:1.烽火AN5506-10的工作电源是220V,50Hz。
其电源插座的连接线是6类的,它能够在正常工作状态下持续运行数小时,但在有电的情况下则会自动断开;2.烽火AN5506-10可以安装在室内任何位置,但如果安装位置靠近火炉或有高温物体,则会导致其温度升高而不能正常使用。
3.烽火AN5504—5是一款能够进行拨号上网的产品,其最大速度为100 Mbps。
拨号上网时该产品所能支持的最大带宽为200 Mbps。
4.烽火AN5506-10可连接六个干兆网线;如果要连接八个干兆网路,则要采用额外増加一根光纤或増加一条网线来解决这个问题;5.烽火AN5506-10采用两节7号电池供电,在工作时可使用电源适配器来充电。
6.如果电源适配器有问题(比如损坏、短路、过热等)会导致产品不能正常使用;如有此类情况则可更换新的电源适配器即可。
7.若产品在工作时产生噪音应立即关机;若长时间不用的话则需要检查电源线。