悬索桥锚碇锚固系统制作检验批质量验收记录
- 格式:xls
- 大小:27.00 KB
- 文档页数:48
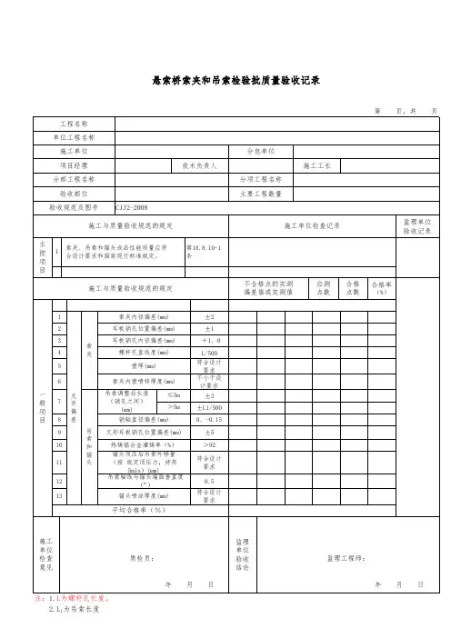
市政基础设施工程悬索桥索夹和吊索检验批质量验收记录市政质检·2·78第页,共页工程名称单位工程名称施工单位分包单位项目经理技术负责人施工工长分部工程名称桥跨承重结构分项工程名称悬索桥索夹和吊索验收部位78主要工程数量验收规范及图号CJJ2-2008施工与质量验收规范的规定施工单位检查记录监理单位验收记录主控项目1索夹、吊索和锚头成品性能质量应符合设计要求和国家现行标准规定。
第18.8.10-1条符合规范要求符合要求施工与质量验收规范的规定不合格点的实测偏差值或实测值应测点数合格点数合格率(%)符合要求一般项目1允许偏差索夹索夹内径偏差(mm)±2-3-332623882 耳板销孔位置偏差(mm)±1-1.4 1.2 1.22118853 耳板销孔内径偏差(mm) +1,0 1.3 1.5 1.11815834 螺杆孔直线度(mm)L=L/5003334845935 壁厚(mm)符合设计要求6 索夹内壁喷锌厚度(mm)不小于设计要求7吊索和锚头吊索调整后长度(销孔之间)(mm)≤5m±2-3-3-3171482>5m L1=±L1/500-333423992 8 销轴直径偏差(mm)0,-0.15-0.2-0.2-0.2464393 9叉形耳板销孔位置偏差(mm)±57-7-6171482 10 热铸锚合金灌铸率(%)>92217252251423992 11锚头顶压后吊索外移量(按规定顶压力,持荷5min)(mm)符合设计要求12吊索轴线与锚头端面垂直度(º)0.50.70.6141285 13 锚头喷涂厚度(mm)符合设计要求平均合格率(%)87施工单位检查意见主控项目全部符合要求,一般项目满足规范要求,本检验符合要求。
监理单位验收结论同意验收。
质检员:监理工程师:年 月 日 年 月 日注:1.L为螺杆孔长度。
2.L1为吊索长度。
工程项目
悬索桥预应力锚固系统制作现场质量检验报告单
承包单位合同号
监理单位编号
工程名称施工时间
桩号及部位检验时间
项次检验项目规定值或允许偏差检验结果检验方法和频率
1△拉杆孔至锚固
±0.5游标卡尺:逐件检查孔中心距 (mm)
2
主要孔径
+1.0 ,-0.0游标卡尺:逐件检查(mm)
连
孔轴线与顶、
3△底面的垂直度0.3量具:逐件检查接
( °)
器
4
底面平面度
0.08量具:逐件检查
(mm)
拉杆孔顶、底
5面的平行度0.15量具:逐件检查(mm)
6△拉杆同轴度( mm)0.04量具:逐件检查自检结论:
自检结果合格
质检负责检查复核
监理意见:权值2 2 3 2 2 2
第项经抽检,第项经共检,结果合格□/不合格□;同意□/不同意□ 进行下道工序。
监理工程师:年月日。