钢衬四氟三通-思氟阀门
- 格式:doc
- 大小:40.50 KB
- 文档页数:1
三通衬氟旋塞阀X43F结构特点及参数
X43F衬氟旋塞阀概述:
旋塞阀是用带通孔的塞体作启闭件,塞体随阀杆转动,以实现启闭动作的阀门。
旋塞阀启闭迅速、流体阻力小。
基本系列有衬里旋塞阀(全衬型)和衬套旋塞阀(半衬型)。
旋塞阀多用于截断介质流动,也可进行介质分配(三通旋塞阀)。
二、X43F衬氟旋塞阀结构特点:
1、X43S型、X44S型属全衬里型,所有过流部件、阀体、塞子表面均衬有高分子材料满足各种工况需要。
2、X43F/P型、XD63F/R型、XC63F/R型属衬套型,特殊设计的阀座衬套(聚四氟乙烯或对位聚苯)与钢制塞体组成的密封副、塞子为不锈钢(不衬)。
密封性能好、使用寿命长、自润滑、转动灵活。
三、X43F衬氟旋塞阀技术规范:
四、X43F衬氟旋塞阀连接尺寸:
备注:DN125以上D0尺寸为涡轮手轮尺寸,DN125以下D0尺寸为手柄尺寸。
高加危急疏水调节阀介绍:
高加危急疏水调节STO是一种专门用于高加危急疏水系统等大流量大口径并要求密闭性好的特种调节阀,该阀也是凝泵再循环阀STU的最好选择,此类阀门采用先进的先导阀结构。
高加危急疏水调节阀工作原理:
当阀门需要紧急打开的时候,执行机构带动阀杆先打开小阀芯(先导阀芯),使阀腔内急速泄压,小阀芯继续运行带动大阀芯开启。
高加危急疏水调节阀特点:
套筒节流,节流面与密封面分开,阀内主件采用特种不锈钢经表面硬化处理,硬度达到HRC70左右,关闭严密,寿命长。
调节特性好,调节范围大,开关灵活。
采用先导阀结构,使阀门开启力降低15倍左右,有效地减少了执行机构的体积。
高加危急疏水调节阀性能:
阀体形式铸造直通式
公称通径DN100,125,150,200
公称压力PN4.0,6.4,10Mpa
阀体材料WCB
介质温度小于260C
阀内组件440B
流量特性线性
泄漏量符合ANSI B16.104—1976 V级
高加危急疏水调节阀结构图:
高加危急疏水调节阀连接尺寸:
公称通径DN D H B T
50 480 610
80 500 690 460 685
100 540 660 430 670 150 590 765 490 765。
蜗轮固定式法兰球阀产品简介:蜗轮固定式法兰球阀两分式和三段式固定球阀又称侧装分体式球阀,将阀体沿与阀门通道轴线相垂直的截面分为不对称的左右两半,它在管道上主要用于切断、分配和改 变介质流动方面。
它的枢轴布局保证了准确的球体方位。
规范阀座采用弹簧布局,将阀座面向球体,保证了良好的低压密封性能。
该球阀阀前,阀后阀座都能密封, 即所谓双向密封特性,利用自带的排放阀,阀体中腔可向外排放。
枢轴采用防吹出保护布局,低冲突系数的轴承等。
具有性能优良,可靠性高,用途广泛,价格合理 等长处。
蜗轮固定式法兰球阀原理:蜗轮固定式法兰球阀是新一代高性能球阀,适用于长输管线和一般工业管线,其强度、安全性、耐恶劣环境性等在设计时进行了特殊考虑,适用于各种腐蚀性和非腐蚀性 介质。
它与浮动球阀相比,作业时,阀前流体压力在球体上产生的作用力全部传递给轴承,不会使球体向阀座移动,因而阀座不会承受过大的压力,所以固定式法兰球阀 的转矩小、阀座变形小,密封性能稳定、运用寿命长,适用于高压、大口径场合。
先进的弹簧预阀座组件,具有自紧特性,实现上游密封。
每阀有两个阀座,每个方向都能密封,因而安装没有流向限制,是双向。
本阀有二块式和三块式两种阀体布 局,中法兰用螺栓连接,密封采用增强聚四氟乙烯镶入不锈钢圈内,钢圈后部没有弹簧保证阀座紧贴球体,保持密封。
上下阀杆均没有PTFE 轴承,减少磨擦,操 作省力,小轴底部没有调整片,保证球与密封圈的接处方位。
全通径:阀门流量孔径与管线内径一致,以便管线清扫。
适用介质:水、气、油品、天然气和酸碱腐 蚀性介质。
蜗轮固定式法兰球阀特点:1.运用寿命长、密封环选用自润滑聚四氟乙烯材料。
球体与密封环微冲突,有效提高运用寿命。
2.体积小,重量轻,易于安装保养。
3.固定球阀布局可任意方向安装与管路的任何部位。
4.V 型接叠轴向填料,达到防腐A 级密封。
蜗轮固定式法兰球阀主要零件:阀 体 球体、阀杆 阀 座WCB 2Cr13 加玻纤增强聚四氟乙烯、对位聚苯 ZG1Cr18Ni9Ti1Cr18Ni9Ti CF8 0Cr19Ni9-(304) CF300Cr19Ni11-(304L) ZG1Cr18Ni-12Mo2Ti1Cr18Ni12-Mo2Ti CF8M 0Cr17Ni12-Mo2(316) CF3M00Cr17Ni14-Mo2(316l)蜗轮固定式法兰球阀结构图:蜗轮固定式法兰球阀连接尺寸:PN1.0(MPa)通径L d1D D1D2b Z-d H重量(DN)125356125245210185228-18--150394150280240210228-23305108200457200335295265248-233981752505332503903503202612-234952303006103004404003682612-235803803506863505004604282616-236254904007624005655154822616-257207304508644506155655322820-257709205009145006706205852820-258401150主要外型尺寸 Main outer SizePN1.6(MPa)通径L d1D D1D2b Z-d H重量(DN)125356125245210185228-18--150394150280240210248-233051132004572003352952652612-23398180 2505332504053553203012-25495240 3006103004604103753012-25580390 3506863505204704353416-25625510 4007624005805254853616-30720750 4508644506405855454020-30770950 5009145007056506084420-348401190主要外型尺寸 Main outer SizePN2.5(MPa)通径L d1D D1D2b Z-d H重量(DN)100305100230190160248-23--125381125270220188288-25--150403150300250218308-25305117 2005022003603102783412-25398185 2505682504253703323612-30495245 3006483004854303904016-30580395 3507623505504904484416-34625516 4008384006105505054816-34720756 4509144506606005555020-34770958 5009915007306606105220-418401200主要外型尺寸 Main outer SizePN6.4(MPa)通径L d1D D1D2D6b Z-d H重量(DN)502925017513510588264-23--6533065200160130110288-23--8035680210170140121308-23--100432100250200168150328-25--125508125295240202176368-30-130 150559150340280240204388-34365150 2006602004053453002604412-34398280 2507872504704003523134812-41445480 3008383005304604123645416-41515640 3508893505955254754226016-415508704009914006705855254746616-486151100主要外型尺寸 Main outer SizePN16.0(MPa)通径L d1D D1D2D6b Z-d H重量(DN)503685021516513288368-25--6541965245190152110448-30--8038180260205168121468-30--100457100300240200150488-34290160 125-125355285238176608-41340190 1506101503903182702046612-41385220 2007372004804003452607812-48430450 2508382505804854253138812-54475760 30096530066557051036410016-545301050。
针型节流阀介绍:针型节流阀又名针型阀,其外形和截止阀没有明显区别之处,只是在阀芯的形状上有所区别,节流阀的阀芯呈现为椎状或抛物线状,工作时即通过阀芯来改变通道的截面积,以达到改变流量和压力的目的。
针型节流阀有按照通道不同和启闭件形状不同的两种分类方法,前者可以分为直通式和角式两种,后者可以分为针形、沟形和窗形三种。
节流阀是较为常见的流量控制阀,和单向阀配合可组成单向节流阀,或和溢流阀配合组成截留调速系统。
针型节流阀用途:针型节流阀一般适用于负载变化不大的场合,或对速度稳定性要求不高的场合,如应用于化工仪表中,这是因为节流阀没有补偿负载变化造成流速不稳定的功能。
节流阀的使用环境应注意,流量调节范围大、流量压差变化小、内泄漏量小和调节力矩小。
针型节流阀特点:针型节流阀的特点包括结构简单、易于维修、制造成本低廉等,但节流阀的调节精度不高,难以作为调节阀门使用,同时由于阀门内阀瓣和阀座之间介质流速较高,容易出现汽蚀现象,因此零件需使用耐汽蚀材料,且不适于切断介质之用。
针型节流阀主要材料:零件名称阀杆、阀盖阀杆、阀瓣填料L21W-16P 铬镍不锈钢铬镍不锈钢聚四氟乙稀、柔性石墨L21W-40、L23W-160 优质碳钢铬不锈钢针型节流阀连接尺寸:公称直径(mm)尺寸重量(Kg)D0 D1 D2 L H1 H2 M6 70 14 6 135 96 106 20×1.5 0.8 10 80 18 10 156 115 125 24×1.5 1.1 15 100 22 15 180 122 132 30×2 2.0 20 110 28 18 185 156 166 36×2 3.0 25 140 33 22 185 169 180 42×2 3.2。
Q347F锻钢固定球阀介绍:三分体式连接锻钢固定球阀,系将阀体在两阀座部位沿与阀门通道轴线相垂直的截面分为三部分,整台阀门沿阀杆中心轴左右对称,它在管道上主要用于切断、分配和改变介质流动方向。
它的大枢轴结构保证在高压下准确的球体中心位置,保证了阀门良好的操作性能;标准阀座采用弹簧结构,将阀座推向球体,保证了良好的进出口双向密封性能;利用自带的排放阀,阀体中腔可向外排放;枢轴采用防吹出保护结构,有效地防止泄漏;低磨擦系数的轴承,使得扭矩减少到最小,便于阀门启闭;阀杆与阀体有效的接触,使防静电接地装置性能优越等。
具有性能优异,可靠性高,用途广泛,价格合理等优点。
Q347F锻钢固定球阀用途:适用于:化工、石油、天然气、冶金、等行业及含硫化氢介质、杂质多、腐蚀严重的天然气长输管线。
Q347F锻钢固定球阀特点:主要的设计特点有:全径/缩径;90度定位和带锁结构;特殊形式的“Y”头手柄;防火和防静电设计,一对相向的蝶形弹簧;防吹出阀杆;阀杆中部双重密封结构;螺栓、螺纹垫片密封阀盖阀门的安装与其他机械设备安装一样,有一个安装姿态问题,阀门安装正确姿态应是内部结构型式符合介质的流向,安装姿态符合阀门结构型式的特定要求和操作要求。
另外,正确姿态含有整齐划一,美观大方之感,它是现代艺术造型中,技术性与艺术性两者有机的结合。
Q347F锻钢固定球阀设计特点与执行标准:1、设计、制造按API 6 D;2、结构长度按ANSI BI6.10;3、连接法兰:ANSI BI6.5MSS-SP44;4、阀门检查和试验按API STD.598;5、承插端符合ASME B16.11;6、螺纹连接端(NPT)符合ANSI/ASME B1.20.1Q347F锻钢固定球阀主要性能规范公称压力(Mpa)压力级(Class)试验压力(Mpa)1.62.5 4.0 6.410.016.025.01503004006009001500强度试验 2.4 3.8 6.09.615.02437.5 3.17.810.215.323.138.4密封试验 1.8 2.8 4.47.011.017.627.5 2.2 5.67.511.216.828.1气密试验0.5-0.7工作温度PTEE≤150℃ PPL E≤300℃碳纤≤350℃适用介质C:水、油、蒸气 P:硝酸类(温度≤200℃) R:醋酸类(温度≤200℃)Q347F锻钢固定球阀主要零件材质零件名称材料材料代号CLPR阀体阀盖WCB ZGOOCr17Ni14Mo2(CF3M)ZG1Cr18Ni9Ti(CF8)ZG1Cr18Ni12Mo2Ti(CF8M)球体2Cr13ZGOOCr17Ni14Mo2(CF3M)ZG1Cr18Ni9Ti(CF8)ZG1Cr18Ni12Mo2Ti(CF8M)阀杆2Cr13316L1Cr18Ni9Ti(304)1Cr18Ni12Mo2Ti(316)阀座密封面PTFE、碳素纤维+PTFE、对位聚苯螺柱螺母35 35CrMoA(B7)45(2H)2Cr13(420) 1Cr18Ni9 1Cr17Ni2(431)填料V型PTFE、柔性石墨锻钢固定球阀PN1.6 MPa 主要连接尺寸及重量:公称通径DN5080100150200250300350400450500 LRF216283305394457533610686762864914 BW216283305457521559635762838914991 H1100110130175210274305340395440470 H16590200270300380420450530560605 W400700850600600600800800800800800 E---116116116171171257257257 F---350350350420420500500500 Wt(Kg)245075195280440570800148023502400锻钢固定球阀PN2.5 MPa主要连接尺寸及重量:公称通径DN5080100150200250300350400450500 LRF216283305403502568648762838914991 BW216283305457521559635762838914991H1100110130175210274305340395440470 H165190200270300380420450530560605 W400700850600600600800800800800800 E---116116116171171257257257 F---350350350420420500500500 Wt(Kg)305895210318440575800184027002890。
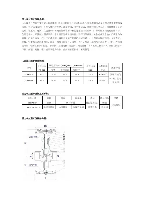
压力表三通针型阀介绍:压力仪表针型阀主要有截止阀和球阀,其功用是作开启或切断管道通路用,是仪表测量管路系统中重要组成部分。
卡套式仪表阀门具有安装拆卸方便、连接紧固、有利于防火、防爆和耐压能力高、密封性能良好等优点,是电站、炼油、化装置和仪表测量管路中的一种先进连接方式的阀门。
针形截止阀的密封性良好,使用寿命长,即使密封面损坏后,也只需要更换易损零件,即可继续使用。
安装时应注意使介质的流向与阀体上的箭头方向一致。
手动截止阀、球阀可安装在管路的任何位置上。
针型阀有螺纹连接、卡套连接、焊接。
针型阀门通常由阀体、阀盖、阀瓣(闸板)、阀座、阀杆、热片、填料及驱动装置(手轮、齿轮箱或气动、电动装置等)组成。
针型阀门里的阀体、阀盖的材料为壳体材料(也称主体材料),闸板(阀瓣)、球体、阀座、阀杆、密封座常常称为内件,此外还有紧固件、密封件等。
压力表三通针型阀性能:型号公称压力PN Mpa试验压力PS(Mpa)_Test pressure工作压力(Mpa)工作温度(℃)适用介质壳体密封(液)密封(气)J19H-32032.048.035.20.632.0P≤540℃液化石油气水,酸,蒸汽,油品等J19H-25P32.048.035.20.632.0C≤425℃压力表三通针型阀主要零件:零件名称阀杆阀体阀底座填料填料阀盖手轮J19H-25P碳钢铬不锈钢聚四氟乙稀,柔性石墨碳钢优质碳钢J19W-320P-DN15铬镍不锈钢铬不锈钢铬镍不锈钢不锈钢压力表三通针型阀结构图:压力表三通针型阀连接尺寸:型号公称直径DN(mm)尺寸 Dimension重量(kg)Weight L1Do D2D1H H1M1RcJ19H-320610065145100110M20×1.5左- 1.2 J19W-320P158565--100110M20×1.5G1/2” 1.0。
保温三通球阀概述:保温三通球阀具有良好的保温保冷特性,且阀门的通径与管径一致,同时又能有效降低管路中介质热量损失。
主要用于石油、化工、冶金、制药、食品等各类系统中,以输送常温下会凝固的高粘度介质。
保温三通球阀产品特点:1、两阀座密封三通球阀具有结构紧凑、外型美观、密封性能好。
它能实现对管道中介质流向的切换,也能使相互垂直的两个通道连通或关闭2、四阀座密封三通球阀具有造型美观,结构紧凑合理,它不仅可实现介质流向的切换,也可使三个通道相互连通,同时也可关闭任一通道,使另外两个通道连通,灵活控制管路中介质的合流分流.保温三通球阀结构图:保温三通球阀连接尺寸表:公称压力或压力级主要尺寸公称通径DN(mm/in)15/1/2''20/3/4''25/1''32/1/4''40/1/2''50/2''65/2/1/2''80/3''100/4''125/5''150/6''200/8'' PN1.06paL150150180200220240260280320380440500 PN2.5paL1757590100110120130140160190220275 PN4.0pa H9090102115135140155185210275305335 CLASS15W140140155250250350350420700100013001800保温三通球阀主要零件:公称压力或压力级法兰密封性产品型号PN1.6p a 凸面BQ445F-16CBQ445F-16PBQ445F-16CF8BQ445F-16CF3BQ445F-16R BQ445F-16CF8BQ445F-16R3PN2.5p a 光滑面BQ445F-25BQ445F-25PBQ445F-25CF8BQ445F-25CF3BQ445F-25R BQ445F-25CF8BQ445F-25R3PN4.0p a 凹凸面BQ445F-40BQ445F-40PBQ445F-40CF8BQ445F-40CF3BQ445F-40R BQ445F-40CFR8BQ445F-40R3CLASS1 50凸面BQ445F-150(Lb)CBQ445F-150(Lb)PBQ445F-150(Lb)P8BQ445F-150(Lb)P3BQ445F-150(Lb)RBQ445F-150(Lb)R8BQ445F-150(Lb)R3主要零件材料阀体WCBZG1Cr18Ni9TiCF8(304)CF3(304L)ZG18Ni12Mo2TCF8M(316)CF8M(316L)球体、阀杆2Cr131Cr18Ni9Ti0Cr18Ni9(304)00Cr19Nill(304L)1Cr18Ni12Mo2Ti0Cr17Ni12Mo2(316)0Cr17Ni12Mo2(316L)密封圈聚四氟乙烯对位聚笨填料、垫圈V型聚四氟乙烯柔性石墨环聚四氟乙烯片柔性石墨复合垫适用工况适用介质重油、胶类等硝酸腐蚀性介质强氧化性介质醋酸等腐蚀性介质尿素等腐蚀性介质适用温度-28~300℃。
三通调节阀结构特点三通调节阀是一种常用的工业阀门,它可以通过调节介质流量和压力来实现流体的控制。
它具有以下结构特点:1. 主体结构:三通调节阀一般由阀体、阀盖、阀芯、阀杆、阀座等部件组成。
其中阀体是阀门的主体部分,通常采用铸铁、铸钢等材料制成,具有较高的强度和耐腐蚀能力。
阀盖是与阀体连接并起到密封作用的部件,通常采用不锈钢等材料制成。
阀芯是控制介质流量和压力的关键部件,通常采用不锈钢、铜合金等材料制成。
阀杆是连接阀盖和阀芯的部件,通过旋转阀杆可以实现阀芯的升降运动。
阀座是阀芯靠近阀体时与阀体之间的密封部件,通常采用橡胶、聚四氟乙烯等材料制成。
2. 工作原理:三通调节阀通过调节阀芯的升降运动来控制介质的流量和压力。
当阀芯向上升起时,阀门的开度增大,介质流量增加;当阀芯向下降落时,阀门的开度减小,介质流量减小。
通过旋转阀杆可以调节阀芯的升降运动,从而实现对介质流量和压力的精确控制。
3. 应用范围:三通调节阀广泛应用于工业生产中的流体控制系统中,可用于调节液体、气体和蒸汽等介质的流量和压力。
它在化工、石油、冶金、电力、制药等行业中都有重要的应用,可以满足不同介质和工艺条件下的控制要求。
4. 优点:三通调节阀具有以下优点:- 精确控制:通过调节阀芯的升降运动和阀杆的旋转,可以实现对介质流量和压力的精确控制,满足不同工艺条件下的要求。
- 快速响应:阀芯的升降运动相对较快,可以快速响应控制信号,实现快速调节。
- 耐腐蚀性能好:阀体、阀芯等部件通常采用耐腐蚀材料制成,具有较好的耐腐蚀性能,适用于腐蚀性介质的控制。
- 可靠密封:阀座采用橡胶、聚四氟乙烯等材料制成,具有良好的密封性能,可靠防止介质泄漏。
- 结构简单:三通调节阀的结构相对简单,易于安装和维修。
5. 注意事项:在使用三通调节阀时,需要注意以下事项:- 选择合适的材料:根据介质的性质选择合适的阀体、阀芯等部件材料,以保证阀门的耐腐蚀性能和密封性能。
- 正确安装和维护:严格按照使用说明进行安装和维护,保证阀门的正常运行和使用寿命。
不锈钢衬四氟波纹膨胀节的介绍及安装注意事项1. 介绍不锈钢衬四氟波纹膨胀节不锈钢衬四氟波纹膨胀节是一种常用的管道连接件,主要用于补偿管道因温度变化而引起的热胀冷缩,从而保护管道系统不受损坏。
它由不锈钢外壳和四氟材质的波纹管组成,具有耐高温、耐腐蚀、耐磨损等优点,适用于化工、医药、食品等领域的管道系统。
2. 不锈钢衬四氟波纹膨胀节的安装注意事项- 安装前应仔细检查膨胀节的材质和规格是否符合要求,同时检查外观是否有损伤,确保安全可靠。
- 安装位置应符合设计要求,避免受力不均匀或受外力撞击,导致波纹膨胀节损坏。
- 安装时需保证膨胀节的伸缩方向与管道轴线一致,且不得受到扭曲或挤压。
- 在安装过程中,应注意保持膨胀节的密封性能,避免因安装不当导致泄漏。
3. 个人观点和理解对于不锈钢衬四氟波纹膨胀节的安装,我认为关键在于细心和严格遵守安装规程。
只有严格按照要求进行安装,才能确保膨胀节能够正常发挥作用,并保证管道系统的安全运行。
4. 总结和回顾性内容不锈钢衬四氟波纹膨胀节在管道系统中扮演着重要的角色,它能够有效补偿管道的热胀冷缩,保护管道系统不受损坏。
在安装时,必须严格按照要求进行操作,确保膨胀节的安全可靠。
通过本文的介绍和分析,相信读者对不锈钢衬四氟波纹膨胀节有了更深入的了解。
以上就是我对不锈钢衬四氟波纹膨胀节的介绍及安装注意事项的文章撰写,希望对你有所帮助。
不锈钢衬四氟波纹膨胀节是一种非常重要的管道连接件,它在工业领域和其他行业的管道系统中扮演着非常重要的作用。
不锈钢衬四氟波纹膨胀节能够有效地补偿因温度变化引起的管道热胀冷缩,避免管道系统因此而引起的损坏,保护整个管道系统的安全运行。
在工业生产中,管道系统连接部位的温度变化是不可避免的。
而这些温度变化会导致管道材料产生热胀冷缩的现象,当管道无法自由伸缩时,就会产生应力集中,最终导致管道的损坏。
而不锈钢衬四氟波纹膨胀节的出现,很好地解决了这一难题,它可以自由伸缩,补偿管道的热胀冷缩,从而保护整个管道系统的安全运行。
钢衬四氟异径三通标准钢衬四氟异径三通是一种采用钢管内衬四氟管制作的管件,用于连接不同直径的管道,广泛应用于化工、医药、食品等行业中。
其标准通常包括以下几个方面:1.口径尺寸:钢衬四氟异径三通的口径尺寸通常是管道端口的直径,分为等径和异径两种。
等径三通的两个端口直径相同,而异径三通的两个端口直径不同。
常用的尺寸有DN15、DN20、DN25、DN32、DN40、DN50、DN65、DN80、DN100等,其中DN 为公称直径,单位为毫米。
2.壁厚尺寸:钢衬四氟异径三通的壁厚尺寸是指管道壁厚的大小,也称为公称厚度。
常用的标准有Sch5、Sch10、Sch20、Sch30、Sch40、Sch60、Sch80、Sch100、Sch120、Sch140、Sch160等,单位为毫米或英寸。
3.压力等级:钢衬四氟异径三通的压力等级是指其所能承受的最大工作压力。
根据不同的使用场景和需要,可以选择不同的压力等级,以满足工程要求。
4.材料要求:钢衬四氟异径三通的内衬材料为聚四氟乙烯(PTFE),钢管材料通常为碳钢或不锈钢。
聚四氟乙烯具有优异的耐腐蚀性能,能够承受多种强腐蚀性介质的输送,同时具有良好的高温高压抗性能力。
5.制作工艺:钢衬四氟异径三通的制作工艺要求严格,需要采用先进的生产工艺和设备,确保管道内壁光滑、无杂质,同时保证管道的连接牢固、密封性好。
总之,钢衬四氟异径三通的标准包括口径尺寸、壁厚尺寸、压力等级、材料要求和制作工艺等方面。
在选择和使用时,需要根据实际需求和工程要求进行综合考虑,以确保管道的安全可靠和经济实用。
钢衬四氟异径三通的口径尺寸可以根据不同的需求进行定制,常见的口径尺寸有DN15到DN200不等。
DN是指公称直径,其单位是毫米。
具体选择哪种口径尺寸,需要根据实际工程需求和流体介质的特性来决定。
在选择时,还需要考虑管道系统的压力等级、材料要求以及制作工艺等因素,以确保钢衬四氟异径三通能够满足工程的安全性和经济性要求。
气动不锈钢衬氟三通球阀的特点及用途1. 简介气动不锈钢衬氟三通球阀是一种常用的管道阀门,通过更改阀门的开启程度来调整管道中介质的流量。
衬氟三通球阀是在球体内壁设置氟塑料衬里。
由于氟塑料具有优异的耐腐蚀性、耐高温性、不粘性和绝缘性等特点,因此衬氟三通球阀在耐腐蚀性、耐磨性上有很好的性能。
气动不锈钢三通球阀则是通过气动执行机构来实现开启和关闭。
2. 特点2.1 耐腐蚀性气动不锈钢衬氟三通球阀的内面接受氟塑料衬里,具有良好的耐酸、耐碱、耐腐蚀性能,可用于各种腐蚀性介质的流通和掌控,例如硝酸、硫酸、盐酸、氢氟酸等。
2.2 耐高温性气动不锈钢衬氟三通球阀具有较高的耐高温性能,其紧要是由于氟塑料的熔点高,可以符合高温工况的需求,防止因介质温度过高导致球阀结构失效的问题。
2.3 不粘性氟塑料的不粘性是其比较紧要的一个特性,气动不锈钢衬氟三通球阀的阀门球体表面上特别光滑,能有效防止介质中的污物、颗粒物或其他物质黏附在球体上,削减了运行阀门时显现卡顿或堵塞的可能性。
2.4 良好的密封性气动不锈钢衬氟三通球阀的内壁氟塑料衬里能够有效防止内部介质泄漏,同时球阀结构又保证了阀门密封严密而不会显现漏气现象,削减了厂家的维护成本。
2.5 操作简单气动不锈钢衬氟三通球阀接受气动执行机构来实现开启和关闭,操作简单,可通过掌控机构快速实现阀门的打开和关闭,并且可以通过加添相关的执行机构实现远程自动掌控操作。
2.6 维护便利气动不锈钢衬氟三通球阀的构造简单,拆卸易维护。
阀门内部的部件可以单独拆卸,清洗和检修便利。
3. 用途气动不锈钢衬氟三通球阀广泛应用于化工、制药、食品、医药、冶金、电力、造纸等行业的工艺管道中,作为流体掌控系统中的核心阀门之一、由于气动不锈钢衬氟三通球阀具有良好的腐蚀性、耐磨性、高温性、不粘性、好的密封性、操作便利和易维护等优点,因此被广泛用于以下场合:3.1 高腐蚀性气体和液体介质气动不锈钢衬氟三通球阀的氟塑料衬里使其能够高效稳定地处理高腐蚀性介质。
衬氟阀门标准5.4整合渐趋完成将推动行业重新起航随着行业整合的日趋推进,随着小煤矿治理的切实改善,随着资源和产能的陆续集中,国家重点扶持发展的大型国有企业将步入稳定、踏实而健康的发展进程。
从行业角度看,2007年将是煤炭行业触底整合的一年、“承下启上”的一年,行业景气落至最低点;从投资角度看,2007年是煤炭行业铸底的一年,虽然长期向好,但现阶段行业业绩仍将在低位徘一:产品概述:工洲牌蝶阀在管路中除了起切断和截流用外,近年来已经把密封性能作为评价的主要指标,受到市场的青睐.另外,蝶阀还有体积小、重量轻、结构简单的优点,与同参数闸阀比较,平均减轻重量达30-50%,蝶板旋转90°即可实现启、闭过程,又由于转轴两侧蝶板受介质作用力近似相等,转矩相反,因此启闭力矩较小.一、公司推出的氟塑料衬里蝶阀系列1.其基本类型有两种,即D71F4 和D71F46(中线)以及D71F4 和D71F46(偏心)全衬里型对夹式蝶阀,采用对分两片阀式组合,阀座与阀体内衬一体化,阀门工作时,只有全塑阀座与衬塑蝶板与介质接触,产品可承受"除熔融碱金属和元素氟"外的任何介质腐蚀,其中D71F4 阀杆也蝶板(锻)为一体,表面均匀包裹一层FEP.阀体通道内表面光滑,流体阻力小,CV值高,流通能力强,扭矩适中,采用四级密封结构并在密封面处配以耐温抗老化SI橡胶的弹性衬垫阀座,完全达到介质的零泄露.2.有上述型号扩展而成的D71F和D41F型法兰连接阀体全衬里,蝶板为不锈钢的衬里型蝶阀.3.D343F型法兰连接双偏心全衬里蝶阀.二、结构特点1.中线蝶阀为整个蝶板与阀座在360°圆周内同心(中线),具有双向密封功能,压力、流量可自由调节;2.偏心蝶阀为二维方向偏心产生的凸轮效应会使密封副产生足够的密封比压,并且随着工作压力的升高,密封副产生足够的密封比压,并且随着工作压力的升高,密封效果更理想.3.四级加载弹性密封,绝对保证了阀门内、外的零泄露;a.轴头、蝶板圆周连接处的特殊过渡曲线与阀座的合理过盈;b.轴头端面采用弹性O型圈和轴肩处刚性垫圈、弹性橡胶垫组合;c.轴的径向采用O型圈与金属垫的组合;d.阀座镶在有弹性条的阀体槽内;4.采用可调性弹子定位,定位准确,结构简单.(*采用O型圈是为了防止意外泄漏时的安全措施)5.法兰连接双偏心蝶阀试用于压力较高场合.三、设计规范遵循GB 12238,API 609,MSS SP-67, MSS SP-68标准.四、驱动方式手动、蜗轮转动、气动、电动.遵循规范STANDARD 设计与制造Design GB 12238结构长度Face to faceGB 12221 (短一长系列) 法兰尺寸End flangeJB78/JB79 (GB.HG.SH) 压力试验TestGB/T 13927标志SymbolGB 12220供货SupplyGB/T 12252法兰连接蝶阀(偏心)·设计与制造符合中国国家标准·基本结构形式(*蝶板轴相对阀体/阀座中心有二维偏心)a.DA 43F 半衬里型阀体全衬里/蝶板与蝶板轴为不锈钢(不衬)/蝶板与轴由销钉连接/阀体为整体式;b.DA 43F4 6 全衬里型阀体全衬里/蝶板与蝶板轴全衬层/蝶板与轴固定连接/阀体为整体式.·基本型号公称压力PN0.6-2.5(MPa) 公称通径DN40-1000(mm)手动DA 43F(半衬)蜗轮转动DA 343F(半衬)DA 43F3 (全衬里)DA 343F3 (全衬里)DA 43F46(全衬里)DA343F46(全衬里)气动DA 643F(半衬)电动DA 943F(半衬)DA 643F3 (全衬里)DA 943F3 (全衬里)DA643F46(全衬里)DA9 43F46(全衬里)主要零部件材料表Standard Material Specifications 表A5序号NO 零件名称Name灰铸铁铸钢不锈刚超低碳不锈钢Z C P R PL RL1 阀体HT250 WCB CF8 CF8M CF3 CF3M2 蝶板轴/销1Cr13 2Cr13 1Cr18Ni9Ti 1Cr18Ni12Mo2Ti00Cr18Ni1000Cr17Ni14Mo23 衬里层/阀座PCTFE(F3) FEP(F46) PFA (可溶性聚四氟乙烯)4 蝶板/填料压盖WCB WCB CF8 CF8M CF3 CF3M5 支架WCB(碳钢) CF8(不锈钢)6 填料PTFE (F4) PTFE (F4) PTFE (F4)7 蝶栓35 35 1Cr17Ni2 1Cr17Ni2 1Cr18Ni9 1Cr18Ni98 螺母45 45 0Cr18Ni9 0Cr18Ni9 0Cr18Ni9 0Cr18Ni9 主要连接尺寸及重量Dimensions and weights公称通径标准值参考值DN (mm )NPS(inch)L D D1 D2 f b Z-φdDH W(kg)PN0.6(MPa)40 11/2 106 130 100 80 3 16 4-φ1416140 1050 2 108 140 110 90 3 16 4-φ142160 1265 21/2 112 160 130 110 3 16 4-φ1425160 1380 3 114 185 150 125 3 18 4-φ1825170 14100 4 127 205 170 145 3 18 4-φ183180 16125 5 140 235 200 175 3 20 8-φ183275 18150 6 140 260 225 200 3 20 8-φ182295 38200 8 152 315 280 255 3 22 8-φ182320 74250 10 250 470 335 310 3 24 12-φ1824385 105300 12 270 435 375 362 4 24 12-φ2324390 142350 14 290 485 445 412 4 26 16-φ2524460 179400 16 310 535 495 462 4 28 16-φ2328510 220450 18 330 590 550 518 4 28 16-φ2328540 268500 20 350 640 600 568 4 30 16-φ2332570 378600 24 390 755 705 670 5 30 20-φ2532660 608700 28 430 860 810 775 5 32 24-φ2536710 1050800 32 470 975 920 880 5 34 24-φ3036780 1320900 36 510 1075 1020 980 5 36 24-φ3038885 17951000 40 550 1175 1120 1080 5 36 28-φ304990 1900公称通径标准值参考值DN (mm)NPS(inch)L D D1 D2 f b Z-φd D0 H W(kg)PN0.6(MPa)40 11/2 106 145 110 85 3 18 4-φ18160 140 10 50 2 108 160 125 100 3 20 4-φ18200 160 12 65 21/2 112 180 145 120 3 20 4-φ18250 160 13 80 3 114 195 160 135 3 22 4-φ18250 170 14 100 4 127 215 180 155 3 22 8-φ18300 180 16 125 5 140 245 210 185 3 24 8-φ18300 275 18 150 6 140 280 240 210 3 24 8-φ23200 295 38 200 8 152 335 295 265 3 26 8-φ23200 320 74 250 10 250 390 350 320 3 28 12-φ23240 385 105 300 12 270 440 400 368 4 28 12-φ23240 390 142 350 14 290 500 460 428 4 30 16-φ23280 460 179 400 16 310 565 515 482 4 32 16-φ25280 510 220 450 18 330 615 565 532 4 32 20-φ25320 540 268 500 20 350 670 620 585 4 34 20-φ30320 570 378 600 24 390 780 725 685 5 36 20-φ30360 660 608 700 28 430 895 840 800 5 40 24-φ30360 710 1050 800 32 470 1010 950 905 5 44 24-φ30360 780 1320 900 36 510 1110 1050 1005 5 46 28-φ34380 885 1795 1000 40 550 1220 1160 1115 5 50 28-φ34400 990 1900主要连接尺寸及重量Dimensions and weights公称通径标准值参考值DN (mm)NPS(inch)L D D1 D2 f b Z-φd D0 H W(kg)PN1.6(MPa)40 11/2 106 145 110 85 3 18 4-φ18160 140 10 50 2 108 160 125 100 3 20 4-φ18200 160 12 65 21/2 112 180 145 120 3 20 4-φ18250 160 13 80 3 114 195 160 135 3 22 8-φ18260 170 14 100 4 127 215 180 155 3 24 8-φ18300 180 16 125 5 140 245 210 185 3 26 8-φ18300 275 18 150 6 140 280 240 210 3 28 8-φ23200 295 42 200 8 152 335 295 265 3 30 12-φ23200 320 78 250 10 250 405 355 320 3 32 12-φ25240 385 120 300 12 270 460 410 375 4 34 12-φ25240 390 145 350 14 290 520 470 435 4 38 16-φ25240 460 202 400 16 310 580 525 485 4 40 16-φ30280 510 235 450 18 330 640 585 545 4 44 20-φ30280 540 368 500 20 350 705 650 608 4 46 20-φ34320 570 420 600 24 390 755 770 718 5 54 24-φ41320 660 750 700 28 430 840 840 788 5 54 24-φ41360 710 1028 800 32 470 910 950 898 5 54 24-φ41380 780 1690 900 36 510 1120 1050 998 5 54 28-φ41400 885 1815 1000 40 550 1255 1170 1110 5 60 28-φ48500 990 2050公称通径标准值参考值DN (mm)NPS(inch)L D D1 D2 f b Z-φd D0 H W(kg)PN2.5(MPa)40 11/2 106 145 110 85 3 18 4-φ18200 140 11 50 2 108 160 125 100 3 20 4-φ18200 160 13 65 21/2 112 180 145 120 3 22 8-φ18250 160 14 80 3 114 195 160 135 3 22 8-φ18250 170 16 ,1004 127 215 180 155 3 24 8-φ23300 180 18 125 5 140 245 210 185 3 28 8-φ25300 275 20 1506 140 280 240 210 3 30 8-φ25240 295 48 200 8 152 335 295 265 3 34 12-φ25240 320 88 250 10 250 405 355 320 3 36 12-φ30280 385 145 300 12 270 460 410 375 4 40 16-φ30280 390 157 350 14 290 520 470 435 4 44 16-φ34320 460 222 400 16 310 580 525 485 4 48 16-φ34320 510 353 450 18 330 640 585 545 4 50 20-φ34360 540 405 500 20 350 705 650 608 4 52 20-φ41360 570 448 600 24 390 840 770 718 5 56 24-φ41380 660 795一、产品[衬胶蝶阀]的详细资料:产品型号:法兰衬胶蝶阀产品名称:D341J产品特点:设计与制造:GB12238 结构长度:GB12221(13系列)法兰连接尺寸:GB4216 D41J半衬衬胶蝶阀,全衬法兰衬胶蝶阀,法兰衬胶蝶阀。
钢衬四氟三通管件的简介
聚四氟乙烯相对分子质量较大,低的为数十万,高的达一千万以上,一般为数百万(聚合度在104数量级,而聚乙烯仅在103)。
一般结晶度为90~95%,熔融温度为327~342℃。
聚四氟乙烯分子中CF2单元按锯齿形状排列,由于氟原子半径较氢稍大,所以相邻的CF2单元不能完全按反式交叉取向,而是形成一个螺旋状的扭曲链,氟原子几乎覆盖了整个高分子链的表面。
这种分子结构解释了聚四氟乙烯的各种性能。
温度低于19℃时,形成13/6螺旋;在19℃发生相变,分子稍微解开,形成15/7螺旋。
钢衬四氟三通(四通)管件是连接多个方向传输的钢衬四氟管道的首选方式。
钢衬四氟三通(四通)管件与普通的钢衬四氟管道材质相同,其工艺比普通钢衬四氟管道与钢衬四氟弯头等更为复杂。
钢衬四氟三通具有以下几种品质:
耐高温—长期使用温度200~260度,耐低温—在-100度时仍柔软;
耐腐蚀—能耐王水和一切有机溶剂;
耐气候—塑料中最佳的老化寿命;
高润滑—具有塑料中最小的摩擦系数(0.04);
不粘性—具有固体材料中最小的表面张力而不粘附任何物质;
无毒害—具有生理惰性;优异的电气性能,是理想的C级绝缘材料。
气动衬氟三通球阀规格尺寸
气动衬氟三通球阀是一种常用的管道连接阀门,具有防腐蚀、耐高温等优点,被广泛应用于化工、石化、制药等行业。
而了解气动衬氟三通球阀的规格尺寸对于正确选择和安装阀门至关重要。
首先,气动衬氟三通球阀的规格尺寸通常包括口径、连接方式、压力等参数。
口径是指阀门的入口和出口的直径大小,常见的口径有DN15、DN20、DN25等。
连接方式包括螺纹连接、对焊连接、法兰连接等,根据不同的管道需求选择合适的连接方式。
压力则是指阀门能够承受的最大压力,通常包括标准压力和试验压力两个参数。
其次,气动衬氟三通球阀的规格尺寸还包括阀体尺寸、阀盖尺寸、阀杆尺寸等。
阀体尺寸是指阀门的整体尺寸,包括长度、宽度、高度等,根据实际安装空间选择合适的阀体尺寸。
阀盖尺寸则是指阀门的盖子尺寸,通常需要与阀体尺寸相匹配。
阀杆尺寸是指阀门的操作杆尺寸,根据需要选择合适长度的阀杆。
最后,选择气动衬氟三通球阀的规格尺寸还需要考虑阀门的流量系数、密封面材质、阀座材质等因素。
流量系数是指阀门在一定压差下的流量大小,根据管道流体的流量需求选择合适的流量系数。
密封面材质通常采用聚四氟乙烯(PTFE)等耐腐蚀材质,而阀座材质通常采用不锈钢或合金材质,根据介质的特性选择合适的材质。
综上所述,了解气动衬氟三通球阀的规格尺寸对于正确选择和安装阀门至关重要,只有根据实际需要选择合适的规格尺寸,才能确保阀门的正常使用和管道系统的安全运行。
三通调节阀工作原理
三通调节阀是一种常用的流体控制装置,它可以根据需要调节流体的流量、压力、温度等参数,广泛应用于化工、石油、冶金、电力等领域。
三通调节阀的工作原理主要包括结构、工作过程和调节原理三个方面。
首先,三通调节阀的结构包括阀体、阀芯、执行机构等部件。
阀体是阀门的主
体部分,通常由铸铁、不锈钢等材料制成,具有良好的密封性能和耐腐蚀性能。
阀芯是控制流体通道的关键部件,通常由不锈钢、铜合金等材料制成,具有良好的耐磨损性能和导流性能。
执行机构是控制阀芯运动的部件,通常由电动执行器、气动执行器等组成,可以根据需要实现远程控制和自动控制。
其次,三通调节阀的工作过程主要包括开启、关闭和调节三个阶段。
当需要控
制流体通过阀门时,执行机构会根据控制信号使阀芯上下移动,从而改变流体通道的通畅程度,实现流量的调节。
在开启和关闭阀门时,阀芯会与阀座之间形成密封,防止流体泄漏。
在调节阀门时,阀芯会根据控制信号的变化实时调整通道的通畅程度,实现流量、压力、温度等参数的精确控制。
最后,三通调节阀的调节原理是根据流体力学和控制理论实现的。
通过对流体
的流动特性、阀门的结构特点、执行机构的工作方式等方面的分析和研究,可以确定合适的控制策略和参数,实现对流体的精确控制。
在实际应用中,需要根据具体的工艺要求和控制目标选择合适的三通调节阀,并进行系统的调试和优化,以确保其稳定可靠地工作。
总之,三通调节阀是一种重要的流体控制装置,它的工作原理涉及到结构、工
作过程和调节原理三个方面。
了解三通调节阀的工作原理有助于工程师和技术人员更好地应用和维护这一装置,提高流体控制系统的可靠性和稳定性。
衬氟管件的标准(一)衬氟管件的标准作为一种常见的工业管件,衬氟管件在各个领域都有广泛的应用。
那么,在购买衬氟管件时,我们需要遵循哪些标准呢?下面,我们分别从国家和行业两个层面,对衬氟管件的标准进行探讨。
国家标准1.GB/T 26143-2010《塑料衬里异径管件》该标准适用于塑料衬里异径管件。
其中,异径三通、异径四通、异径三通换向件、异径四通换向件、异径十字、异径环形管等外形尺寸均在标准范围内。
同时该标准明确了各种异径管件的型号、分类、规格、尺寸、质量等要求。
2.HG/T 21523-2006《氟塑料涂层钢制管件》该标准规定了不同工作压力、不同介质、不同工作温度下氟塑料涂层钢制管件的型式和参数。
其中包括异径管、弯头、三通、四通等不同类型。
此外,该标准还对外形尺寸、连接尺寸、材料、制造、检验等方面进行了详细的规定。
行业标准1.JB/T 7219-1994《钢制衬氟管件》该标准适用于正常温度范围内的酸、碱、盐等介质输送系统。
标准中规定了钢制衬氟管件的型号、规格、尺寸、工作压力、材料、制造、检验等方面的要求。
同时,该标准还规定了不同种类、不同口径衬氟管件的允许偏差值和安装注意事项。
2.SY/T 0510-1997《石化装备用衬氟玻璃钢管件》该标准适用于化工石油装备中采用衬氟玻璃钢管件的应用。
标准规定了衬氟玻璃钢管件的型号、规格、尺寸、工作压力等要求,并对材料、制造、检验等进行了详细的规定。
结语以上是关于衬氟管件的标准的介绍。
在实际购买中,我们需要根据具体应用场景选择合适的管件,并严格按照标准要求进行购买和使用。
同时,在制造和使用衬氟管件时,应严格按照标准要求进行操作,确保其安全可靠,避免发生事故。
补充此外,除了以上介绍的标准外,还有一些行业标准和企业标准也需要我们关注。
例如,石化行业的GB/T 28796-2012《石油化工衬氟软连接》和石油行业的SY/T 5469-2014《钢制衬氟法兰管件》等,都具有一定的参考价值。
钢衬四氟三通介绍:
适用在各种浓度的王水、硫酸、盐酸、氢氟酸和各种有机酸,强酸、强氧化剂,FEP还适用各种浓度的强碱有机溶剂已经其它腐蚀性气体、溶液介质的管道上使用。
规格:DN25X25X25~DN300X300X300
钢衬四氟三通用途:
化工行业:酸、碱、盐的制造业、化肥、农药、化学、橡胶塑料等行业输送腐蚀性气体、液体、固体粉末的工艺管及排放管。
电力工程:工艺用水回水输送、化水、废渣、粉煤灰输送。
冶炼行业:金属冶炼中腐蚀介质的输送。
矿山行业:矿粉、矿浆、矿渣、尾矿排放,回填、通风、抽放瓦斯和喷浆等。
制药行业:输送各种腐蚀性介质、污水、废水。
油田气田:含油污水,气田污水,油气混合物,采油及集输工艺管道。
农业喷灌:深井管,滤水管,暗渠输送管,排水管,灌溉给水用管。
市政行业:城市建筑给水,饮用水,消防水,热网回水,煤气,天然气输送,高速公路埋地排水及绿化带浇灌等通道。
钢衬四氟三通结构图:。