变频恒压供水控制原理图(一拖四)
- 格式:pdf
- 大小:745.80 KB
- 文档页数:1
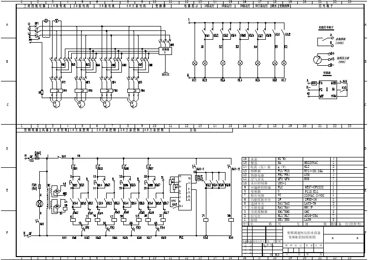
变频恒压供水系统主电路和控制线路图变频恒压供水系统主电路和控制线路图:控制原理简述如下:系统由变频器、plc和两台水泵构成。
利用了变频器控制电路的PID等相关功能,和PLC配合实施变频一拖二自动恒压力供水。
具有自动/手动切换功能。
变频故障时,可切换到手动控制水泵运行。
控制过程:水路管网压力低时,变频器启动1#泵,至全速运行一段时间后,由远传压力表来的压力信号仍未到达设定值时,PLC控制1#泵由变频切换到工运行,然后变频启动2#泵运行,据管网压力情况随机调整2#泵的转速,来达到恒压供水的目的。
当用水量变小,管网压力变高时,2#泵降为零速时,管网压力仍高,则PLC控制停掉1#工频泵,由2#泵实施恒压供水。
至管网压力又低时,将2#泵由变频切为工频运行,变频器启动1#泵,调整1#泵的转速,维修恒压供水。
如此循环不已。
需要明说一下的是:变频器必须设置好PID运行的相关参数,和配合PLC控制的相关工作状态触点输出。
详细调整,参见东元M7200的明说书。
在本例中,须大致调整以下几个参数。
1、设置变频器启/停控制为外部端子运行;2、设置为自由停车方式,以避免变频/工频切换时造成对变频器输出端的冲击;3、设置PID运行方式,压力设定值由AUX端子进入。
反馈信号由VIN端子进入;4、对变频器控制端子——输出端子的设置。
设定RA、RC为变频故障时,触点动作输出;设定R2A、R2C为变频零速时,触点动作输出;设定DO1、DOG为变频器全速(频率到达)时,触点动作输出。
上图为PLC控制接线图。
水泵和变频器的故障信号未经PLC处理,而是汇总给继电器KA2。
其手动/自动的切换控制继电器KA1来切换。
变频/工频的运行由接触器触点来互锁,以提高运行安全性。
可以看出,R2A和DO1是PLC的两个关键输入信号。
在PLC的控制动作输出中,对变频到工频的切换是通过DO1(变频器零速信号)来进行的;对工频到变频的切换是通过R2A(变频器频率到达信号)来进行的。
摘PLC+变频器的一拖四恒压供水控制系统应用要:本文介绍了变频器在某生活小区双恒压供水系统中的应用情况。
1.引言本文是针对某生活小区实际情况,结合用户生活/消防双恒压供水控制的要求,我们进行改造的一些心得。
现将其中的改造情况介绍如下。
作为变频器在供水控制应用中的案例系列篇。
2.用户现场情况如图1所示,市网自来水用高低水位控制器EQ来控制注水阀YV1,自动把水注满储水水池,只要水位低于高水位,则自动向水箱注水。
水池的高低水位信号也直接送给PLC,作为水位报警。
为了保持供水的连续性,水位上、下限传感器高低距离较少。
生活用水和消防用水共用四台泵,平时电磁阀YV2处于失电状态,关闭消防管网,四台泵根据生活用水的多少,按一定的控制逻辑运行,维持生活用水低恒压。
当有火灾发生时,电磁阀YV2得电,关闭生活用水管网,四台泵供消防用水使用,并维持消防用水的高恒压值。
火灾结束后,四台泵改为生活供水使用。
图1 生活/消防双恒压供水系统示意图1现场设备参数如下:型号65-315(I)A3流量50m/h扬程90m效率56%转速2900r/min电机功率22KW水泵台数4台3.系统控制要求用户对四泵生活/消防双恒压供水系统的基本要求是:⑴生活供水时,系统低恒压运行,消防供水时高恒压值运行。
⑵四台泵根据恒压的需要,采取先开先停的原则接入和退出。
⑶在用水量小的情况下,如果一台泵连续运行时间超过1天,则要切换下一台泵,系统具有倒泵功能,避免一台泵工作时间过长。
⑷四台泵在启动时都要有软启动功能。
⑸要有完善的报警功能。
⑹对泵的操作要有手动控制功能;手动只在应急或检修时使用。
4设备选型(1)JD-BP32-XF型供水变频器JD-BP32-XF型是山东新电子公司推出的专用于供水变频器,使用空间电压矢量控制技术适用于各类自控场合。
在恒压供水中可以采用这类变频器。
JD-BP32-XF型变频器除具有变频器的一般特性外,还具有以下特性:水压高、水压低输出接口,变频器运行上限、下限频率(可以任意设定),可以方便地进行双压力控制,内置智能PI控制,以上功能非常适用于供水控制要求。
一控四变频恒压供水原理近年来,随着科技的不断发展,人们对于生活品质的要求也越来越高。
在日常生活中,水是我们必不可少的资源之一,而恒压供水系统的出现,为我们提供了更加舒适和便利的生活体验。
其中,一控四变频恒压供水系统成为了市场上备受关注的产品之一。
那么,一控四变频恒压供水系统的工作原理是什么呢?一控四变频恒压供水系统是一种基于变频技术和自动控制技术的水泵系统。
它通过智能控制装置实时监测水压的变化,并根据用户的需求自动调节水泵的运行状态,从而实现恒压供水。
相较于传统的恒压供水系统,一控四变频恒压供水系统具有更高的智能化程度和更广泛的应用范围。
一控四变频恒压供水系统由水泵、变频器、传感器和控制器等组成。
首先,传感器负责实时监测水压的变化,并将监测到的信号传输给控制器。
控制器根据传感器的信号,通过与变频器的配合,调节水泵的运行频率和转速,从而保持稳定的水压输出。
具体来说,一控四变频恒压供水系统的工作原理可以分为以下几个步骤:1. 检测水压信号:传感器安装在水泵出口处,实时监测水压的变化,并将监测到的信号传输给控制器。
2. 控制信号处理:控制器接收到传感器传输的水压信号后,进行信号处理和分析,得出当前的水压值。
3. 控制策略制定:根据用户设定的水压需求和水泵的运行特性,控制器制定相应的控制策略,确定水泵的运行状态。
4. 变频调速控制:控制器通过与变频器的通讯,发送控制信号,调节变频器的输出频率和转速。
变频器根据接收到的信号,控制水泵的运行状态,使其输出稳定的水压。
5. 恒压供水:通过不断调节水泵的运行状态,一控四变频恒压供水系统能够在用户需求的范围内,保持恒定的水压输出。
无论是高峰时段还是低谷时段,系统都能够自动调节水泵的运行状态,保持稳定的供水压力。
一控四变频恒压供水系统凭借其智能化、高效节能的特点,被广泛应用于住宅小区、商业楼宇、酒店、医院等场所的水泵供水系统中。
相较于传统的恒压供水系统,一控四变频恒压供水系统具有更高的控制精度和更低的能耗,能够满足用户对于水压稳定性和节能环保的需求。
我不应把我的作品全归功于自己的智慧,还应归功于我以外向我提供素材的成千成万的事情和人物!——采于网,整于己,用于民2021年5月12日摘要日常的生活用水量随季节、昼夜、上下班的时间不同而有较大变化,因而经常出现供水用水的不平衡,主要表现在水压上,用水多而供水少则水压低,用水少而供水多则水压高。
住宅区由于自来水管网的水压较低,自来水通常不能到达住宅的较高楼层。
随着城市规模的不断扩大和城市人口的急剧膨胀以及城市工业的高速发展,城市用水量正急剧增长。
为了使每一位城市居民都能够轻松方便地用上洁净的自来水,泵房控制系统就成了整个水厂调度与监控系统中至关重要的环节。
为解决供水压力不稳定的问题,提高供水的质量。
本文设计了一种基PLC——200和森兰BT12S系列变频器的变频调速恒压供水系统。
介绍恒压变频供水的原理和意义,详细分析了系统设计方案,具体说明控制系统中硬件和软件的设计,最后总结该系统的优点。
实践证明,该系统可靠性高、经济性强。
关键词:变频器,PLC,PID,恒压供水,优点AbstractThe daily domestic water quantity along with the season, diurnal, the coming and going to work time different has comparatively sweeping change, thus frequently appears the water supply water used not to be balanced, mainly displays in the hydraulic pressure, with juicy supplies water few then the water pulls down, the water used few supplies juicy then height of water. The residential district because the running water pipe network hydraulic pressure is lower, the running water usually can not arrive the housing a higher floor.Along with the city scale unceasing expansion and the urban population suddenly inflation as well as the city industry high speed development, the city suddenly is growing with the water volume. In order to enable each city peoples all with ease conveniently to use the pure running water, the pump house control system has become in the entire water works dispatcher and the supervisory system the very important link.In order to solve the instability of the water supply pressure and improve the quality of water一supplying, a kind of constant pressure water supply system with changing frequency and speed abilities base on S7-200 and BT12S inverter is designed. Its structure and working principle are firstly introduced,the design of the control systerm's hardware and sofaware is then detailed and theadvantages of the system are lastly summed up. The system in practice proves to have batter reliability and economy.Keywords: Converter,PLC,PID ,Constant pressure water-supplying,Advandage0 引言自从通用变频器问世以来,变频调速技术在各个领域得到了广泛的应用。
PLC+变频器的一拖四恒压供水控制系统应用摘要:本文介绍了变频器在某生活小区双恒压供水系统中的应用情况。
1.引言本文是针对某生活小区实际情况,结合用户生活/消防双恒压供水控制的要求,我们进行改造的一些心得。
现将其中的改造情况介绍如下。
作为变频器在供水控制应用中的案例系列篇。
2.用户现场情况如图1所示,市网自来水用高低水位控制器EQ来控制注水阀YV1,自动把水注满储水水池,只要水位低于高水位,则自动向水箱注水。
水池的高低水位信号也直接送给PLC,作为水位报警。
为了保持供水的连续性,水位上、下限传感器高低距离较少。
生活用水和消防用水共用四台泵,平时电磁阀YV2处于失电状态,关闭消防管网,四台泵根据生活用水的多少,按一定的控制逻辑运行,维持生活用水低恒压。
当有火灾发生时,电磁阀YV2得电,关闭生活用水管网,四台泵供消防用水使用,并维持消防用水的高恒压值。
火灾结束后,四台泵改为生活供水使用。
图1 生活/消防双恒压供水系统示意图现场设备参数如下:型号 65-315(I)A流量 50m3/h扬程 90m效率 56%转速 2900r/min电机功率 22KW水泵台数 4台3.系统控制要求用户对四泵生活/消防双恒压供水系统的基本要求是:⑴生活供水时,系统低恒压运行,消防供水时高恒压值运行。
⑵四台泵根据恒压的需要,采取先开先停的原则接入和退出。
⑶在用水量小的情况下,如果一台泵连续运行时间超过1天,则要切换下一台泵,系统具有倒泵功能,避免一台泵工作时间过长。
⑷四台泵在启动时都要有软启动功能。
⑸要有完善的报警功能。
⑹对泵的操作要有手动控制功能;手动只在应急或检修时使用。
4设备选型(1)JD-BP32-XF型供水变频器JD-BP32-XF型是山东新电子公司推出的专用于供水变频器,使用空间电压矢量控制技术适用于各类自控场合。
在恒压供水中可以采用这类变频器。
JD-BP32-XF型变频器除具有变频器的一般特性外,还具有以下特性:水压高、水压低输出接口,变频器运行上限、下限频率(可以任意设定),可以方便地进行双压力控制,内置智能PI控制,以上功能非常适用于供水控制要求。
变频恒压供水系统主电路和控制线路图变频恒压供水系统主电路和控制线路图:控制原理简述如下:系统由变频器、plc和两台水泵构成。
利用了变频器控制电路的PID等相关功能,和PLC配合实施变频一拖二自动恒压力供水。
具有自动/手动切换功能。
变频故障时,可切换到手动控制水泵运行。
控制过程:水路管网压力低时,变频器启动1#泵,至全速运行一段时间后,由远传压力表来的压力信号仍未到达设定值时,PLC控制1#泵由变频切换到工运行,然后变频启动2#泵运行,据管网压力情况随机调整2#泵的转速,来达到恒压供水的目的。
当用水量变小,管网压力变高时,2#泵降为零速时,管网压力仍高,则PLC控制停掉1#工频泵,由2#泵实施恒压供水。
至管网压力又低时,将2#泵由变频切为工频运行,变频器启动1#泵,调整1#泵的转速,维修恒压供水。
如此循环不已。
需要明说一下的是:变频器必须设置好PID运行的相关参数,和配合PLC控制的相关工作状态触点输出。
详细调整,参见东元M7200的明说书。
在本例中,须大致调整以下几个参数。
1、设置变频器启/停控制为外部端子运行;2、设置为自由停车方式,以避免变频/工频切换时造成对变频器输出端的冲击;3、设置PID运行方式,压力设定值由AUX端子进入。
反馈信号由VIN端子进入;4、对变频器控制端子——输出端子的设置。
设定RA、RC为变频故障时,触点动作输出;设定R2A、R2C为变频零速时,触点动作输出;设定DO1、DOG为变频器全速(频率到达)时,触点动作输出。
上图为PLC控制接线图。
水泵和变频器的故障信号未经PLC处理,而是汇总给继电器KA2。
其手动/自动的切换控制继电器KA1来切换。
变频/工频的运行由接触器触点来互锁,以提高运行安全性。
可以看出,R2A和DO1是PLC的两个关键输入信号。
在PLC的控制动作输出中,对变频到工频的切换是通过DO1(变频器零速信号)来进行的;对工频到变频的切换是通过R2A(变频器频率到达信号)来进行的。
变频恒压供水系统主电路和控制线路图变频恒压供水系统主电路和控制线路图:控制原理简述如下:系统由变频器、plc和两台水泵构成。
利用了变频器控制电路的PID等相关功能,和PLC配合实施变频一拖二自动恒压力供水。
具有自动/手动切换功能。
变频故障时,可切换到手动控制水泵运行。
控制过程:水路管网压力低时,变频器启动1#泵,至全速运行一段时间后,由远传压力表来的压力信号仍未到达设定值时,PLC控制1#泵由变频切换到工运行,然后变频启动2#泵运行,据管网压力情况随机调整2#泵的转速,来达到恒压供水的目的。
当用水量变小,管网压力变高时,2#泵降为零速时,管网压力仍高,则PLC控制停掉1#工频泵,由2#泵实施恒压供水。
至管网压力又低时,将2#泵由变频切为工频运行,变频器启动1#泵,调整1#泵的转速,维修恒压供水。
如此循环不已。
需要明说一下的是:变频器必须设置好PID运行的相关参数,和配合PLC控制的相关工作状态触点输出。
详细调整,参见东元M7200的明说书。
在本例中,须大致调整以下几个参数。
1、设置变频器启/停控制为外部端子运行;2、设置为自由停车方式,以避免变频/工频切换时造成对变频器输出端的冲击;3、设置PID运行方式,压力设定值由AUX端子进入。
反馈信号由VIN端子进入;4、对变频器控制端子——输出端子的设置。
设定RA、RC为变频故障时,触点动作输出;设定R2A、R2C为变频零速时,触点动作输出;设定DO1、DOG为变频器全速(频率到达)时,触点动作输出。
上图为PLC控制接线图。
水泵和变频器的故障信号未经PLC处理,而是汇总给继电器KA2。
其手动/自动的切换控制继电器KA1来切换。
变频/工频的运行由接触器触点来互锁,以提高运行安全性。
可以看出,R2A和DO1是PLC的两个关键输入信号。
在PLC的控制动作输出中,对变频到工频的切换是通过DO1(变频器零速信号)来进行的;对工频到变频的切换是通过R2A(变频器频率到达信号)来进行的。
变频恒压供水系统主电路和控制线路图变频恒压供水系统主电路和控制线路图:控制原理简述如下:系统由变频器、plc和两台水泵构成。
利用了变频器控制电路的PID等相关功能,和PLC配合实施变频一拖二自动恒压力供水。
具有自动/手动切换功能。
变频故障时,可切换到手动控制水泵运行。
控制过程:水路管网压力低时,变频器启动1#泵,至全速运行一段时间后,由远传压力表来的压力信号仍未到达设定值时,PLC控制1#泵由变频切换到工运行,然后变频启动2#泵运行,据管网压力情况随机调整2#泵的转速,来达到恒压供水的目的。
当用水量变小,管网压力变高时,2#泵降为零速时,管网压力仍高,则PLC控制停掉1#工频泵,由2#泵实施恒压供水。
至管网压力又低时,将2#泵由变频切为工频运行,变频器启动1#泵,调整1#泵的转速,维修恒压供水。
如此循环不已。
需要明说一下的是:变频器必须设置好PID运行的相关参数,和配合PLC控制的相关工作状态触点输出。
详细调整,参见东元M7200的明说书。
在本例中,须大致调整以下几个参数。
1、设置变频器启/停控制为外部端子运行;2、设置为自由停车方式,以避免变频/工频切换时造成对变频器输出端的冲击;3、设置PID运行方式,压力设定值由AUX端子进入。
反馈信号由VIN端子进入;4、对变频器控制端子——输出端子的设置。
设定RA、RC为变频故障时,触点动作输出;设定R2A、R2C为变频零速时,触点动作输出;设定DO1、DOG为变频器全速(频率到达)时,触点动作输出。
上图为PLC控制接线图。
水泵和变频器的故障信号未经PLC处理,而是汇总给继电器KA2。
其手动/自动的切换控制继电器KA1来切换。
变频/工频的运行由接触器触点来互锁,以提高运行安全性。
可以看出,R2A和DO1是PLC的两个关键输入信号。
在PLC的控制动作输出中,对变频到工频的切换是通过DO1(变频器零速信号)来进行的;对工频到变频的切换是通过R2A(变频器频率到达信号)来进行的。