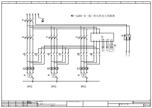
SY6000一拖三变频恒压供水(PLC)控制图-主回路
- 格式:pdf
- 大小:117.49 KB
- 文档页数:1
变频器恒压供水泵安装调试指导(2009.04.08)一、概述任意选择一台变频器首先启动,由压力传感器检测当前水压,根据水压的需求,自动投切3台水泵工作,现实1-3台同等功率的水泵恒压供水。
二、变频器和恒压供水控制器连线图N A B C图1 变频器接线结构图按以上接线图连接变频器控制线:变频器的RST接电源输入,UVW接变频输出。
拆开变频器面板,AI1接控制器的11号端子、GND接控制器的12号端子,COM接控制器的23号端子、X1接控制器的24号端子、RA接控制器的5号端子、RC接控制器的6号端子。
三、功能参数设置变频器功能设置:步骤:1、变频器上电后,按电机铭牌参数设置对应的P9组功能码:P9.00 电机负载类型P9.01 电机极数P9 .02 电机额定转速P9.03 电机额定功率P9.04 电机额定电流P9.15=1静止自学习对应上述参数设置完成后,按键盘的RUN键进行电机参数自整定。
2、变频器的功能码设置:P0.04=1、模拟量给定频率P0.06= 1 端子控制P0.08=***、加速时间P0.09= *** 减速时间P3.05=1、自由停机P3.09=1、禁止反转P5.00=02、端子正转运行P5.01=50、命令切到上位机P7.02=14、变频器故障输出3、给恒压控制器上电运行:控制器上电后显示“G.0 09”,此时显示数字开始倒计时,从09每隔1秒减1,减到0,进入工作状态,显示实测压力和设定压力,相应的泵启动。
恒压控制器功能设置,见控制器操作手册。
四、注意事项1、电源A、B、C输入到输出相序要一致,要保证三台水泵在工变频控制和变频控制时,转向不能反。
2、变频器上电后,静止自学习时,一定要按下接触器,确定电机接通。
3、合理设置恒压控制器的,各项延迟时间功能。
恒压供水一拖三控制系统操作说明书一、自动运行模式自动运行为循环启动模式。
系统开始工作时,进入自动运行,先由变频器启动设定的泵号n 运行,当压力处于压力下限时,延时T1(增泵延时)则停止n 号泵变频,延时T2(固定时间)将n 号泵切换成工频运行,接着延时T3(切换延时)变频器启动n+1 号泵,供水系统处于“1工 1 变”的运行状态。
当压力仍处于压力下限时,延时T1(增泵延时)则停止n+1 号泵变频,延时T2(变转工延时)将n+1 号泵切换成工频运行,接着延时T3(切换延时)变频器启动n+2号泵,使供水系统处于“2 工1 变”的运行状态。
当压力仍处于压力下限时,延时T1(增泵延时)则停止n+2 号泵变频,延时T2(变转工延时)将n+2 号泵切换成工频运行,使供水系统处于“3 工”的运行状态。
如变频器的工作频率已经降到频率下限(端子输入和通讯同时有效)时,则延时T4(减泵延时)切除n 号泵工频,使供水系统处于“2 工1变”的运行状态。
如变频器的工作频率已经降到频率下限(端子输入和通讯同时有效)时,则延时T4(减泵延时)切除n+1号泵工频,使供水系统处于“1 工1 变”的运行状态。
如变频器的工作频率已经降到频率下限(端子输入和通讯同时有效)时,则延时T4(减泵延时)切除n+2号泵工频,使供水系统处于“1 变”的运行状态。
此时只有变频器直接带动一台泵变频运行,使供水管网的压力保持恒定。
以上过程周期循环。
触摸屏具体操作步骤如下:1、开机,系统运行初始界面如图1所示。
鼠标左键单击“启动按钮”,进入如图2所示界面。
启动按钮图1 开机界面2、鼠标左键单击“自动启动”按钮系统进入自动运行状态,运行界面如图3所示。
自动启动图2 全自动恒压供水流程图3、鼠标左键单击“设置”按钮弹出如图4所示的参数设置密码输入提示窗口,只有知道密码的专业人员才可进入参数设置窗口。
设置按钮图3全自动恒压供水自动运行界面4、知道密码的专业人员可鼠标左键在“****”上方单击,弹出如图5所示的密码输入窗口。
采用plc控制的变频器一拖三恒压供水技术方案采用PLC控制的变频器一拖三恒压供水技术方案1. 系统控制要求;1.1 实现变频器一拖三控制并可手动/自动切换;1.2自动状态运行时系统启动一台泵后,当压力无法达到设定压力时,系统自动启动第二台泵,当压力还是无法达到设定压力时,系统自动启动第三台泵;当出口压力高于设定压力时应尽快切除掉一台泵………或两台泵,直到满足设定压力为止。
1.3手动状态时,要求手动启/停每一台泵,用于检修及应急;1.4 低液位时,停所有泵并声音及指示灯报警;1.5 管网压力如果大于设定值上限,所有泵停,直至压力下降然后按设定重新逐一启动水泵。
1.6 三台泵均具备软启动功能。
电气原理图:2. 设备选型:2.1 PLC系统选型:选用台湾亚瑞电子(南京)有限公司生产的SR-22MRD 可编程控制器。
该控制器具备14点DC输入,8点模拟量输入端口,模拟量输入端口为DC0—10V(精度为0.1V);8点继电器输出(负载能力为:感性负载2A,非感性负载10A)。
2.2 压力变送器的选择:可选择三线制电压型压力变送器,带LCD数显表头。
压力范围在10Kpa-60Mpa。
2.3 液位开关选用供液电极型液位开关。
2.4 变频器:风机水泵型变频器。
3.电气控制原理及PLC程序说明:3.1 电气控制原理图如图。
3台水泵电机为 M1,M2,M3。
KM1,KM3,KM5分别控制三台泵工频运行;KM2,KM4,KM6分别控制三台泵变频运行。
电路设计为互锁功能。
每台泵均有热继电器作电机过载保护。
QF1-4分别为变频器、泵主回路隔离开关。
QF5为PLC及控制回路提供电源。
SA为手动/自动切换旋纽,打到1位置启动PLC 按设计程序自动运行;打到2位置为手动启动单台泵运行,用于检修、紧急状态下使用。
HL3-HL8为运行状态指示。
HL2为水箱位置报警指示。
3.2 PLC I/0地址及功能如图3.3 程序文字简介:SA旋钮置于自动位置,PLC运行准备。
四泵恒压供水系统的基本功能:
⑴供水时系统恒压运行。
⑵四台泵根据恒压的需要,采取先开先停的原则接入和退出。
⑶在用水量小的情况下,如果一台泵连续运行时间超过一天,则要切换下一台泵,系统具有倒泵功能,避免一台泵工作时间过长。
⑷完善的报警功能。
⑸对泵的操作手动只在应急或检修时使用。
输入输出点/代码及地址编号表1
2.1小泵工作逻辑
水压低于下限,起泵,水压高于上限延时2秒停泵。
2.2变频大泵工作逻辑
2.2.1小泵起泵运行状态下,水压低持续60秒后:停小泵,起动1台变频大泵,变频大泵恒压工作,直到水压高于上限延时2秒停泵。
2.2.2 1台大泵变频起泵运行状态下,水压低持续60秒后:停当前变频泵,当前变频泵转工频运行,下1台大泵变频起动运行。
2.2.31台大泵工频,1台大泵变频起泵运行状态下水压低持续60秒后,停当前变频泵,当前变频泵转工频运行,下一台大泵变频起动运行,30秒后水压仍低,全体停泵。
2.2.4水压高于上限延时1秒后:停工频大泵。
2.2.5水压高于上限延时2秒后:停变频大泵。
2.3大泵倒泵逻辑
如单台变频运行每运行1小时,自动倒到下1台。
2.4低水位逻辑
停机,报警,待水位恢复后5分钟后,自动恢复运行。
2.5变频故障逻辑
停机,报警,变频器复位后,自动恢复运行。
2.6自动无法正常使用
手动方式起动运行。
3应急使用
3.1如有泵损坏,关闭相应回路开关。
3.2 小泵损坏,直接使用大泵变频恒压,如大泵不能正常恒压,修改变频器参数E10上限频率,适当降低,小泵正常后将参数改回。
系统简介为改善生产环境,某公司投资清洁水技改工程并建成一座日产水2.5万顿的供水系统,分别建设了抽水泵系统、加压泵系统和高位水池。
根据公司用水需求特点,从抽水泵系统过来的水一部分直接供给生产用水部门,一部分则需通过加压泵输送到高位水池,而供给生产用水部门的水压与供给高位水池的水压相差较大。
同时高位水池距抽水泵房较远达十多公里,高位水池的液位高低和加压泵系统的设计以及如何与抽水泵系统“联动”也是较难解决的。
鉴于以上特点,从技术可靠和经济实用角度综合考虑,我们设计了用PLC控制与变频器控制相结合的自动恒压控制供水系统,同时通过主水管线压力传递较经济地实现了加压泵系统与抽水泵系统“远程联动”的控制目的。
系统方案系统主要由三菱公司的PLC控制器、ABB公司的变频器、施耐德公司的软启动器、电机保护器、数据采集及其辅助设备组成(见图1)。
抽水泵系统整个抽水泵系统有150KW深井泵电机四台,90KW深井泵电机两台,采用变频器循环工作方式,六台电机均可设置在变频方式下工作。
采用一台150KW和一台90KW的软起动150KW和90KW的电机。
当变频器工作在50HZ,管网压力仍然低于系统设定的下限时,软起动器便自动起动一台电机投入到工频运行,当压力达到高限时,自动停掉工频运行电机。
一次主电路接线图如下:系统为每台电机配备电机保护器,是因为电机功率较大,在变频器的控制下稳定运行;当用水量大到变频器全速运行也在变频器的控制下稳定运行;当用水量大到变频器全速运行也不能保证管网的压和稳定时,控制器的压力下限信号与变频器的高速信号同时被PLC检测到,PLC自动将原工作在变频状态下泵投入到工频运行,以保持压力的连续性,同时将一台备用的泵用变频器起动后投入运行,以加大管网的供水量保证压力稳定。
若两台泵运转仍,则依次将变频工作状态下的泵投入到工频运行,而将另一台备用泵投入变频运行。
当用水量减少时,首先表现为变频器已工作在最低速信号有效,这时压力上限信号如仍出现,PLC首先将工频运行的泵停掉,以减少供水量。
一拖三恒压供水系统浅析作者:张全德来源:《硅谷》2015年第02期摘要在实际工作中,电气工程人员为了充分发挥一拖三自动恒压供水系统的工作性能,必须了解和掌握恒压供水系统中主部件可编程控制器PLC和变频器的工作原理、整个系统的设计思路和优点以及实际应用技巧。
本文对一拖三恒压供水系统进行了分析和梳理,结合具体工作实践,提出了自己的见解。
关键词变频器;可编程控制器;一拖三恒压供水系统中图分类号:TM921 文献标识码:A 文章编号:1671-7597(2015)02-0234-02变频调速技术作为平稳调速、节能运行的一种软启动方式,时时刻刻地伴随着我们的日常生活。
不论是在变频电梯、变频轧钢、变频风机泵等工业类需要电机启动的高性能领域中,还是在变频空调、变频冰箱、变频洗衣机等家用普通型电器的驱动场合中,都得到了广泛的应用。
特别是变频器和可编程控制器结合后,使二者的各自的优势得到了充分地发挥,扩大了自动控制系统的配置功能,提高了恒压供水系统运行的可靠性、平稳性,同时也对电气工程人员提出了更高的要求。
因此,学习一拖三自动恒压供水系统的工作原理和实际应用技巧,在实践工作中有着很重要的现实意义。
1 一拖三恒压供水系统中主部件变频器和PLC的工作原理正弦交流电的频率f与电机的转速n成正比,即通过改变正弦交流电频率的大小,就可改变电机的转速n的大小。
变频器就是基于上述原理,通过交-直-交或交-交变换技术,在电力电子、微电脑控制的共同作用下,来完成一系列功能的电器产品。
它与中间继电器、接触器、开关、可编程控制器PLC相配合,使变频器的功能得到了扩展,应用范围也更宽、更广。
2)一拖三恒压供水系统中PLC的工作原理。
可编程控制器PLC,实质上也就是工业计算机,它是由中央处理器(CPU)、存储器、输入输出(I/O)接口、电源等器件构成的。
因此,它具备了计算机的功能,具有运算数据、管理程序的执行能力。
可编程控制器PLC的结构框图如下:可编程控制器PLC通过输入设备,把从工业现场采集来的被控制对象的信息转换成信号后,输入中央处理器CPU,在系统的控制下进行计算处理,然后把处理后得到的数据作为控制信号,由输出设备输出后去控制用户设备。
变频恒压供水系统主电路和控制线路图变频恒压供水系统主电路和控制线路图:控制原理简述如下:系统由变频器、plc和两台水泵构成。
利用了变频器控制电路的PID等相关功能,和PLC配合实施变频一拖二自动恒压力供水。
具有自动/手动切换功能。
变频故障时,可切换到手动控制水泵运行。
控制过程:水路管网压力低时,变频器启动1#泵,至全速运行一段时间后,由远传压力表来的压力信号仍未到达设定值时,PLC控制1#泵由变频切换到工运行,然后变频启动2#泵运行,据管网压力情况随机调整2#泵的转速,来达到恒压供水的目的。
当用水量变小,管网压力变高时,2#泵降为零速时,管网压力仍高,则PLC控制停掉1#工频泵,由2#泵实施恒压供水。
至管网压力又低时,将2#泵由变频切为工频运行,变频器启动1#泵,调整1#泵的转速,维修恒压供水。
如此循环不已。
需要明说一下的是:变频器必须设置好PID运行的相关参数,和配合PLC控制的相关工作状态触点输出。
详细调整,参见东元M7200的明说书。
在本例中,须大致调整以下几个参数。
1、设置变频器启/停控制为外部端子运行;2、设置为自由停车方式,以避免变频/工频切换时造成对变频器输出端的冲击;3、设置PID运行方式,压力设定值由AUX端子进入。
反馈信号由VIN端子进入;4、对变频器控制端子——输出端子的设置。
设定RA、RC为变频故障时,触点动作输出;设定R2A、R2C为变频零速时,触点动作输出;设定DO1、DOG为变频器全速(频率到达)时,触点动作输出。
上图为PLC控制接线图。
水泵和变频器的故障信号未经PLC处理,而是汇总给继电器KA2。
其手动/自动的切换控制继电器KA1来切换。
变频/工频的运行由接触器触点来互锁,以提高运行安全性。
可以看出,R2A和DO1是PLC的两个关键输入信号。
在PLC的控制动作输出中,对变频到工频的切换是通过DO1(变频器零速信号)来进行的;对工频到变频的切换是通过R2A(变频器频率到达信号)来进行的。
目录第一部分设计任务与调研 (2)1.1 毕业设计的主要任务 (2)1.2 设计的思路、方法 (2)1.3 调研的目的和总结 (2)第二部分设计说明 (4)2.1恒压供水的理论分析 (4)2.2系统方案设计与论证 (5)2.3变频器的选择 (8)2.4 PLC 的选择 (10)2.5 恒压供水系统 (13)2.6作品的特点 (16)第三部分设计成果 (17)3.1 PLCI/O分配表 (17)3.2外部接线图 (17)3.3变频恒压供水系统主程序流程图: (18)3.4变频恒压供水系统主程序梯形图如图所示: (19)第四部分结束语 (29)第五部分致谢 (30)第六部分参考文献 (31)第一部分设计任务与调研1.1 毕业设计的主要任务设计一城市自来水管网的小区恒压供水系统,系统总共有3台水泵,采用西门子系列变频器,西门子S-200PLC进行控制。
利用PLC,配以不同功能的传感器,根据网管的压力,通过变频器控制水泵的转速,使水管中的压力始终保持在合适的范围。
这种变频恒压供水系统直接取代水塔、高位水箱及传统的气压罐供水装置,电路设计要注意整个系统的电路布局与布线。
安装和调试方法,绘制电气控制原理图,编写PLC控制程序。
撰写毕业设计说明书,列出系统的详细设备材料清单。
基本部分控制要求采用变频器与可编程控制器(PLC)构成控制系统,具体要体现恒压供水实质,就是利用变频器的PID或PI功能实现的工业过程的闭环控制。
发挥部分控制要求供水管网压力按时间自动变化。
1.2 设计的思路、方法本系统将PLC、变频器(含PID)、相应的传感器和执行机构有机地结合起来,并发挥各自优势,这个操作方便的自动控制系统,以变频调速为核心,以智能供水控制系统取代了以往高位水箱和压力罐等供水设备,起动平稳,起动电流可限制在额定电流以内,从而避免了起动时对电网的冲击;由于泵的平均转速降低了,从而可延长泵和阀门等东西的使用寿命;可以消除起动和停机时的水锤效应。
变频恒压供水系统原理图解恒压供水的实质是为了满足用水流量的要求。
因为供水管道中水压的大小与供水能力和用水需求,最终反映在水压的变化上,所以通常都是用水压来间接控制用水流量的大小;即只要保持供水管道上的压力,也就保证了该管道中的供水流量与用水流量的平衡。
也就达到了恒压供水的目的。
在实施变频恒压供水前,请先随电工学习网小编一起了解下恒压供水的控制过程。
1、系统稳定时水泵供水流量与用水流量处于平衡状态时,供水压力稳定在设定值,且无变化。
此时供水压力测量信号(反馈信号)与给定信号(目标信号)基本相等,水泵在变频器输出的某一频率下运行。
2、用水流量减小时用水流量的减小将导致水泵供水流量大于用水流量,则供水压力上升,供水压力测量信号(反馈信号)增大,则设定值与供水压力测量信号之差减小,变频器内置PID产生负的控制量,结果使变频器的输出频率下降,电动机的转速也下降,水泵的供水流量也下降,水压也开始下降使之回复到给定匾(目标值),系统又处于平衡状态。
3、用水流量增加时当用水流量增加时,供水压力会下降,则供水压力测量信号(反馈信号)减小,则设定值与供水压力测量信号之差增大,变频器内置P1D 产生正的控制量,结果使变频器的输出频率上升,电动机的转速也上升,水泵的供水流量增加,供水压力也开始上升使之回复到给定值(目标值),系统又处于平衡状态。
恒压供水控制示意图怎样配置简单变频恒压供水系统?简单的变频恒压供水系统需要压力传感器、变频器和配置相应变频传动的电气元件。
1、压力传感器压力传感器通常选用压力变送器或远传压力表。
如果压力传感器选用压力变送器,则选用两线制4-20mA输出压力变送器为最佳(三线制和四线制也可以,两线制接线更方便),另需要配置一个开关电源(将交流电转换为DC24V给压力变送器供电);如果压力传感器选用远传压力表,其输出为30-350Ω电阻信号,需要另配置一个信号隔离器(其作用为将30-350Ω信号转换为4-20mA输出至变频器反馈输入端子)和一个开关电源(将交流电转换为DC24V给供电电源为DC24V的信号隔离器供电,如果信号隔离器供电电源为AC220V则开关电源取消)。
“一拖三”变频改造方案实现厂区恒压供水摘要针对原供水系统存在的问题,对生产区循环加压泵供水系统进行了变频技术改造,以降低成本,提高供水质量及工作效率。
关键字变频器;水泵;恒压供水;改造1 概述中铝青海分公司供水加压泵站由一、二期泵站构成,共计有加压泵10 台套,一、二期各5 台套,每年供水600多万t。
正常情况下,两个独立控制的泵站的水泵均为三用两备运行状态。
1.1 设备现状一期泵站1986年投产,已连续运行20年。
5台水泵型号为150S78A,流量为144 m3/h,扬程为62 m,配用电机型号为JO2-82-2,功率为40 kW;二期泵站1990年8 月投产,已连续运行16 年。
5 台水泵型号为6SH-6A,流为量180 m3/h,扬程为55 m,配用电机型号为JO2-82-2,功率为45 kW。
1.2 存在问题1)水泵运行年限较长,设备严重老化,故障率高。
由于没有相应的备品备件供应,所以维修困难。
已影响平稳供水,对分公司安全生产构成威胁。
2)JO2 系列电机是非节能产品,是属国家明令淘汰的电机产品。
3)由于用水量不稳定,水压忽高忽低,水压高时易使供水管网破裂,水压低时不能满足生产生活需要。
所以必须及时调整水泵水压,但由于水泵控制分散在两个控制室,造成水泵水压调整不便。
4)由于是两个泵站,所以必须有两组人员看守、操作泵站,存在人力浪费现象。
2 改造方案在基本保持原有加压泵站的功能和出力大小的情况下,将原有的10台套水泵对应更换为ISO系列,流量为150耀180 m3/h,扬程为62 m的新水泵,安装位置与旧水泵对应。
配用电机型号为Y系列2 极,功率为45 kW。
废弃原有水泵的控制系统,对10 台新水泵实施集中控制。
对其中7 台水泵实施工频控制;对剩余的3 台水泵实施“一拖三”的变频控制,实现水压的自动控制调节。
正常情况下,要求以工频控制的水泵运行4 台,备用3台;如果厂区用水量有大幅度的变化,可多开或少开工频控制的水泵,但不管那种情况,都同时投运已实施“一拖三”的变频控制水泵系统,并尽可能使3台变频控制的水泵保持在一工频运行、一变频运行、一备用的状态,以达到自动调节管网的水压,实现恒压供水的目的。