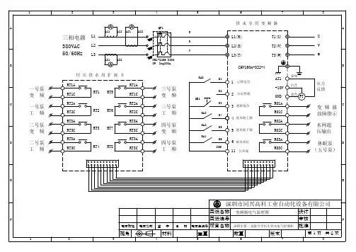
变频恒压供水电气原理图(一拖一)
- 格式:pdf
- 大小:677.22 KB
- 文档页数:1
plc恒压供水一拖一工变频控制要求PLC恒压供水一拖一工变频控制是一种先进的水泵控制系统,它能够实现对水泵的自动控制和恒压供水功能。
在城市供水系统中,PLC 恒压供水一拖一工变频控制系统被广泛应用,它可以提高供水系统的运行效率,减少能源消耗,延长设备的使用寿命。
在传统的水泵控制系统中,通常需要人工调节水泵的启停和运行频率,这样既消耗人力,也容易出现误操作。
而采用PLC恒压供水一拖一工变频控制系统后,可以实现对水泵的自动控制,根据系统压力的变化来调节水泵的运行频率,从而实现恒压供水。
这不仅提高了供水系统的稳定性和可靠性,还减少了人工维护成本。
PLC恒压供水一拖一工变频控制系统由PLC控制器、变频器、传感器等组成。
PLC控制器是系统的大脑,负责监测系统压力和流量,根据设定的参数来控制水泵的启停和运行频率。
变频器则是负责调节水泵的转速,以实现恒压供水的功能。
传感器用于监测系统的压力和流量,将数据传输给PLC控制器,从而实现对水泵的精确控制。
在实际应用中,PLC恒压供水一拖一工变频控制系统具有许多优点。
首先,它能够根据用户的需求来调节供水压力,保证用户在任何时候都能够获得稳定的水压。
其次,它能够根据系统的实际情况来调节水泵的运行频率,节约能源,减少运行成本。
此外,PLC恒压供水一拖一工变频控制系统还具有自动报警和故障诊断功能,能够及时发现和排除故障,保证系统的稳定运行。
总的来说,PLC恒压供水一拖一工变频控制系统是一种先进的水泵控制系统,它能够实现自动控制和恒压供水功能,提高供水系统的运行效率,减少能源消耗,延长设备的使用寿命。
在未来的发展中,随着科技的不断进步,PLC恒压供水一拖一工变频控制系统将会得到更广泛的应用,为城市供水系统的发展做出更大的贡献。
plc恒压供水一拖一工变频控制要求PLC恒压供水一拖一工变频控制要求随着城市的不断发展和人民生活水平的提高,对供水系统的要求也越来越高。
为了满足人们对水压稳定的需求,PLC恒压供水一拖一工变频控制成为了一个必要的解决方案。
本文将详细介绍PLC恒压供水一拖一工变频控制的要求和特点。
一、PLC恒压供水一拖一工变频控制的基本原理PLC恒压供水一拖一工变频控制是一种通过PLC控制器和变频器实现的恒压供水系统。
其基本原理是通过传感器实时监测供水管道的压力,并将监测到的压力信号传输给PLC控制器。
PLC控制器根据预设的压力值和压力信号,通过调节变频器的输出频率来实现水泵的恒压供水。
二、PLC恒压供水一拖一工变频控制的要求1.稳定可靠性:PLC恒压供水一拖一工变频控制系统需要具备高稳定性和可靠性,确保供水系统可以持续稳定地运行。
2.高精度控制:PLC控制器需要能够准确地监测供水管道的压力,并实时调节变频器的输出频率,以保持恒定的水压。
3.灵活性与可调节性:PLC恒压供水一拖一工变频控制系统应具备灵活的调节性能,可以根据实际需求对供水压力进行调整。
4.节能环保:PLC恒压供水一拖一工变频控制系统应具备节能环保的特点,能够根据实际需求智能调节水泵的运行状态,减少能耗。
5.安全性:PLC恒压供水一拖一工变频控制系统应具备良好的安全保护机制,避免水泵过载、短路等故障发生,保障供水系统的安全运行。
三、PLC恒压供水一拖一工变频控制的特点1.智能化:PLC控制器可以通过预设的参数来智能调节供水系统的运行状态,实现自动化控制。
2.可靠性高:PLC恒压供水一拖一工变频控制系统采用先进的控制技术和可靠的硬件设备,确保供水系统的稳定运行。
3.节能环保:PLC恒压供水一拖一工变频控制系统可以根据实际需求智能调节水泵的运行频率,减少不必要的能耗,达到节能环保的目的。
4.操作简便:PLC恒压供水一拖一工变频控制系统的操作界面简单直观,易于操作和维护。
供水系统方案图变频恒压供水系统构成及工作原理1系统的构成图3-1 系统原理图如图3-1所示,整个系统由三台水泵,一台变频调速器,一台PLC和一个压力传感器及若干辅助部件构成。
三台水泵中每台泵的出水管均装有手动阀,以供维修和调节水量之用,三台泵协调工作以满足供水需要;变频供水系统中检测管路压力的压力传感器,一般采用电阻式传感器(反馈0~5V电压信号)或压力变送器(反馈4~20mA电流);变频器是供水系统的核心,通过改变电机的频率实现电机的无极调速、无波动稳压的效果和各项功能。
从原理框图,我们可以看出变频调速恒压供水系统由执行机构、信号检测、控制系统、人机界面、以及报警装置等部分组成。
(1)执行机构执行机构是由一组水泵组成,它们用于将水供入用户管网,图2.3中的3个水泵分为二种类型:调速泵:是由变频调速器控制、可以进行变频调整的水泵,用以根据用水量的变化改变电机的转速,以维持管网的水压恒定。
恒速泵:水泵运行只在工频状态,速度恒定。
它们用于在用水量增大而调速泵的最大供水能力不足时,对供水量进行定量的补充。
(2)信号检测在系统控制过程中,需要检测的信号包括自来水出水水压信号和报警信号:①水压信号:它反映的是用户管网的水压值,它是恒压供水控制的主要反馈信号。
②报警信号:它反映系统是否正常运行,水泵电机是否过载、变频器是否有异常。
该信号为开关量信号。
(3)控制系统供水控制系统一般安装在供水控制柜中,包括供水控制器(PLC系统)、变频器和电控设备三个部分。
①供水控制器:它是整个变频恒压供水控制系统的核心。
供水控制器直接对系统中的工况、压力、报警信号进行采集,对来自人机接口和通讯接口的数据信息进行分析、实施控制算法,得出对执行机构的控制方案,通过变频调速器和接触器对执行机构(即水泵)进行控制。
②变频器:它是对水泵进行转速控制的单元。
变频器跟踪供水控制器送来的控制信号改变调速泵的运行频率,完成对调速泵的转速控制。
变频器在供水领域的应用一、前言随着人们生活的提高,在生活用水方面的要求日益提高,变频恒压供水以起环保,节能和供水质量高等优点在供水行业应用越来越广的到应用,以往的变频恒压供水往往采用可编程控制器(PLC)与变频器组合起来实现控制,但可编程技术含量较高,编程难度大而让人感觉通用性不强。
而采用变频器内置PID (比例微分积分)控制模式可以抛弃可编程调试带来得麻烦,简单易学,调试简单,性能可靠,抗干扰能力强。
二、系统构成与工作原理变频供水系统中我们一般采用以下2种传感器:远传压力表(电阻式传感器可反馈0-5VDC 电压信号)和压力变送器(可反馈4-20ma直流电流信号)来检测管路的压力。
压力设定单元是为用户设定工作所须的系统压力,而变频器是整个供水系统的核心,通过改变电机的工作频率实现电机的无及调速,无波动恒压供水和各项功能。
在一般供水系统中通常有主泵、副泵和备用泵。
下面我们以烟台惠丰电子有限公司F1500-P系列产品来介绍供水系统的工作原理和常遇到的问题和解决方法。
产品采用F1500-P 系列,该系列内置PID控制器,有2个模拟口输入(AN1-GND、AN2-GND)、2路模拟量输出(FM-GND、IM-GND)、2个继电器输出口。
用户可以在线设定工作所需的参数、最高最低频率和继电器的输出口,控制非常方便。
下面我们针对一拖一单泵自动恒压供水、一拖二固定模式自动恒压供水和一拖二轮换式自动恒压供水分别进行介绍。
1.一拖一单泵恒压供水电气控制原理图(见图1):从中我们可以看到这是较为简单的闭环系统,操作简单。
参数的设置:F400=1 开放PI调节;F401=0 选择压力表类型;F402=0 选择为单泵工作模式;F403=0 选择模式为负反馈。
调试说明:根据现场情况,选择合适的PI调节器,设置好比例(p),积分(I )常数值 F424,F425 的值和采样周期F426。
根据选择的压力表类型(远传压力表或压力变送器),我们可以选定PI 调节反馈通道(0:AN1通道0-5(10)DCv ;AN2通道0(4)-20ma)。
ABB ACS510系列变频器恒压供水接线图及参数设置一、1拖1 PID配置:1.1、ABB变频器一拖一接线:2.3.注:1)图压力传感器反馈的信号为电流型,设置J1为电流,向右拨码;4.2)11和12短接;5.3)10和13接通是启动信号。
6.2、变频器参数调节:7.参数设定值8.99.02-- 6=PID控制宏9.10.02 --1=DI1控制启停10.11.02 --7=外部2控制11.13.04 ---20%(实际信号为4-20ma或2-10V时)12.16.01-- 0-不需要启动允许信号13.40.10 --19(内部设定给定值压力设定)14.40.11 设定压力值(压力表量程的百分数,比如目标8公斤,量程16公斤,设置成50%)9901,语言选择1中文。
9902应用宏设置为6PID控制宏15.确定控制源是电压还是电流,选择好AI拨码开关16.设置电机参数,电机转向0101(+表示正转)-电机转速9908- 电机频率9907-电机电流9906-电机功率9909-电机电压9905-电机功率因数991517.控制线接在AI1和GND上,外部给定1信号源参数1103设置为1(给定来自AI1),18.恒速选择参数1201设置为0(恒速功能无效)19.给定1最小值1104,给定1最大值110520.给你1低限1301,给定1高限130221.输入信号低于下限时的动作3001设置1(发出故障信号并停车)22.故障极限3021设置5%23.故障停车后自动复位,变频器恢复正常运行3107设置1(允许自动复位)24.故障发生后自动复位时间3103设置为0。
plc恒压供水一拖一工变频控制要求PLC恒压供水一拖一工变频控制要求是指使用可编程控制器(PLC)实现恒压供水系统中的一拖一工况控制,并通过变频控制达到恒压供水的要求。
下面将详细介绍PLC恒压供水一拖一工变频控制的要求。
一、恒压供水系统概述恒压供水系统是指在供水过程中,根据用户需求自动调节泵运行状态和水流量,保持出水压力恒定。
这样可以有效地解决水压不稳定、压力波动大等问题,提高供水效果和用户体验。
二、一拖一工况控制1. PLC控制方式:使用PLC作为主控制设备,完成控制逻辑的编排和运行,具有高可靠性和灵活性。
2. 运行模式:恒压供水系统采用一拖一工况控制,即根据不同的用水情况,在需求发生变化时能够自动切换到恰当的工况,并调整泵的运行状态。
3. 控制策略:通过监测出水压力信号,采用反馈控制算法,对泵的转速、负载等进行调节,以保持出水压力恒定。
4. 排水处理:当水池水位过高或过低时,PLC会自动控制排水泵进行排水处理,保证水池水位处于正常范围内。
三、变频控制1. 变频器选型:根据泵的负荷情况和供水要求,选择适合的变频器。
变频器具有调整电机转速和输出频率的功能,可以有效控制泵的输出流量,并减少能耗。
2. 变频器参数设置:设置变频器的工作参数,如最大输出频率、起动频率、运行频率等,以满足实际工况要求。
3. 变频器运行模式:设置变频器的运行模式,如V/F控制模式、矢量控制模式等,根据实际情况选择最合适的模式。
4. 变频器保护功能:设置变频器的过流保护、过载保护、过压保护等功能,以保证系统的安全运行。
总结:使用PLC恒压供水一拖一工变频控制,能够提高供水系统的可靠性和稳定性,满足用户对恒压供水的需求。
同时,通过变频器的控制,可实现对泵的输出流量的调节和能耗的降低,进一步提高系统的运行效率。
该系统具有应用广泛、控制精度高等优点,在实际工程中有着很重要的应用价值。
恒压供水节能方案(一拖一)一、公司介绍深圳市德瑞斯电气技术有限公司是由一群多年从事电力电子技术研究、开发与产业化的专业人士创立的高新技术企业。
拥有一支经验丰富、勇于实践、不断创新的高素质的开发、科研团队。
主要从事电气传动、工业自动化领域内的变频调速以及电子节能等高科技产品的开发、生产与销售。
公司已独立自主开发DRS1000面向客户设计的特制变频器、DRS2000高性能交流通用变频调速器、DRS2800高集成高性能通用变频调速器、DRS3000交流矢量变频调速器四大系列100多个规格产品,完全拥有自主知识产权,可满足不同行业不同客户的需求。
其良好的性能、可靠的品质深得用户的信赖与赞赏,表现出了德瑞斯变频器独有的技术特点。
公司秉承客户第一、信誉第一、质量第一的原则。
时刻跟随世界技术的发展。
不断推出更先进、性价比更好的产品,为客户的发展提供更有力的产品和技术保障。
二、供水系统节能分析在供水系统中,最基本的控制对象是流量,供水系统的基本任务就是要满足用户对流量的需求。
目前,常见的流量控制方式有阀门控制和转速控制两种。
1. 阀门控制即通过调节阀门开度来控制流量。
此时,供水系统的管道阻力将随阀门开度的改变而改变,而扬程特性保持不变。
在供水系统设计时,其水泵扬程及供水流量都是以满足用户的最大可能需求而选定的,且留有一定余量。
而实际应用当中,系统在大部分时间里都是非满负荷运行的,这就必须要减小阀门开度,调整供水流量。
这样,管道阻力随之增大,从而产生大量的截流损失。
这种控制方式不仅会浪费许多电机输出功率,而且因为管阻特性的改变,整个系统的供水效率也会大为降低。
2. 转速控制即通过改变水泵的转速来调节流量,而阀门的开度保持不变(一般保持最大开度)。
当水泵转速改变时,供水系统的扬程特性随之改变,而管阻特性不变。
在这种控制方式下,通过变频调速技术改变水泵电机的转速,水泵的供水流量可随着用水流量的改变而改变,达到真正的供需平衡,在节能的同时,也可使整个系统达到最佳工作效率。
增压泵变频一拖一,五台联动恒压供水控制系统1.1 变频恒压供水系统的理论分析1.1.1 电动机的调速原理水泵电机多采用三相异步电动机,而其转速公式为:(1−s)n=60fp式中:f表示电源频率,p表示电动机极对数,s表示转差率。
根据公式可知,当转差率变化不大时,异步电动机的转速n基本上与电源频率f成正比。
连续调节电源频率,就可以平滑地改变电动机的转速。
但是,单一地调节电源频率,将导致电机运行性能恶化。
随着电力电子技术的发展,已出现了各种性能良好、工作可靠的变频调速电源装置,它们促进了变频调速的广泛应用。
1.1.2 变频恒压供水系统的节能原理变频恒压供水系统的供水部分主要由水泵、电动机、管道和阀门等构成。
通常由异步电动机驱动水泵旋转来供水,并且把电机和水泵做成一体,通过变频器调节异步电机的转速,从而改变水泵的出水流量而实现恒压供水的。
因此,供水系统变频的实质是异步电动机的变频调速。
异步电动机的变频调速是通过改变定子供电频率来改变同步转速而实现调速的。
在供水系统中,通常以压力或者流量为控制目的,常用的控制方法为阀门控制法和转速控制法。
阀门控制法是通过调节阀门开度来调节流量,水泵电机转速保持不变。
其实质是通过改变水路中的阻力大小来改变流量,因此,管阻将随阀门开度的改变而改变,但扬程特性不变。
由于实际用水中,需水量是变化的,若阀门开度在一段时间内保持不变,必然要造成超压或欠压现象的出现。
转速控制法是通过改变水泵电机的转速来调节流量,而阀门开度保持不变,是通过改变水的动能改变流量。
因此,扬程特性将随水泵转速的改变而改变,但管阻特性不变。
变频调速供水方式属于转速控制。
其工作原理是根据用户用水量的变化自动地调整水泵电机的转速,使管网压力始终保持恒定,当用水量增大时电机加速,用水量减小时电机减速。
2.2 变频恒压供水系统控制方案的确定2.2.1控制方案的比较和确定恒压变频供水系统主要有压力变送器、变频器、恒压控制单元、水泵机组以及低压电器组成。
变频器恒压供水接线图及供水设置和设置方法[图解]本文所介绍的变频器恒压供水接线图及供水设置和设置方法采用的是型号为HDI系列的变频器,此变频器用途广泛,许多客户都有拿它来做自动调速、水泵自动控制、恒压供水等。
有关恒压供水的接线图及供水设置和设置方法请细看以下内容。
变频器恒压供水设置有关的参数如下:Pr033起动指令来源(Pr033=0面板,1 端子)Pr034=0运行频率来源 0:操作器(注:PID恒压控制此参数要求是0)Pr052=32 PID开启端子X3与COM短接,PID开启Pr117-Pr119睡眠频率设定(详情查看说明书21页)Pr150-Pr152(先使用出厂设定值,供水压力恒定的情况下不需要更改)Pr153目标值(此参数设置为目标压力,数值根据远传压力表量程的百分比算)Pr154-Pr156(详情查看说明书22页)J1插针跳线应该在1-AI这个位置远传压力表信号接线端子为:+10V、AI、GND,中心线为AI最后还可以参照说明书75页恒压供水应用举例说明。
变频器恒压供水接线图:众所周知,使用恒压供水的好处有很多,一般来说主要体现在以下几点:⒈ 技术先进:采用了变频器和PLC(PC/智能控制器)的自动化控制,使设备根据各种供水要求实现智能化恒压变量供量供水;⒉ 高效节能:系统能按需设定压力,系统根据设定的压力自动调节水泵转速和水泵运行台数,使设备运行在高效节能的最佳状态;⒊ 供水压力稳定:系统实现闭环控制,能自动调节设定压力和系统压力的差值,是压力保持恒定;⒋ 操作稳定:系统由变频器或变频器加智能控制器自动控制,操作极为简单;⒌ 延长电机、水泵寿命:各泵皆为软启动,消除了启动时的冲击电流。
各泵循环启动,使备用水泵不会因长久不用而生锈或使用频繁而磨损。
对消防实现定期巡检;⒍ 完善的保护功能:具有过流、缺相、过压、过热、过载等多种保护,水泵运行如有故障,自动停止工作并报警输出;系统具有自检、故障判断、故障记忆、故障显示、自动启动备用泵等功能;⒎ 小流量睡眠功能:可配接附属小泵,使系统运行在夜间或其它小流量情况下,自动关闭主泵,开启附属小泵,从而避免因开大功率水泵而造成的浪费;⒏ 运行动作功能:变频器和控制器的编程与设定方便简单,容易掌握和操作。