新风空调的控制逻辑简介
- 格式:pptx
- 大小:1.70 MB
- 文档页数:9
空调新风系统工作原理在如今的生活中,空调新风系统越来越受到人们的关注和青睐。
尤其是在追求舒适与健康的居住和工作环境时,它扮演着至关重要的角色。
那么,空调新风系统到底是如何工作的呢?空调新风系统,简单来说,就是一种能够在调节室内温度的同时,为室内引入新鲜空气,并排出污浊空气的系统。
它主要由风机、进风口、排风口、滤网、管道以及控制系统等部分组成。
风机是整个系统的动力源泉。
它就像一个大力士,推动着空气在系统中流动。
通过风机的运转,室内的空气被抽出,室外的新鲜空气被吸入。
进风口通常位于室外,其位置的选择十分讲究。
要避开污染源,比如垃圾站、工厂排放口等,以确保吸入的空气是相对干净的。
进风口处一般会安装初效滤网,用于过滤掉较大的灰尘、树叶、蚊虫等杂物。
排风口则负责将室内的污浊空气排出。
这些污浊空气可能包含人体呼出的二氧化碳、家具散发的有害气体、做饭产生的油烟等等。
排风口通常设置在厨房、卫生间等容易产生异味和湿气的地方。
滤网在空调新风系统中起着关键的过滤作用。
除了进风口的初效滤网,系统中还可能配备中效滤网和高效滤网。
中效滤网可以过滤掉较小的灰尘颗粒和花粉;高效滤网则能够拦截细微的颗粒物,如 PM25等,甚至可以过滤掉一些细菌和病毒,从而大大提高进入室内空气的质量。
管道就像是空气流动的通道,将新鲜空气输送到各个房间,同时把污浊空气收集起来排出室外。
管道的材质和安装质量都会影响系统的运行效果和噪音水平。
控制系统则可以让用户根据自己的需求来调节新风系统的运行模式和参数,比如风速、风量、定时开关等。
在工作时,空调新风系统分为两种主要的模式:单向流模式和双向流模式。
单向流模式相对简单,它主要依靠风机将室外新鲜空气引入室内,在室内形成正压,从而将污浊空气通过门窗缝隙等排出室外。
这种模式结构较为简单,成本较低,但换气效果相对较弱。
双向流模式则更加复杂和高效。
它在引入新鲜空气的同时,也会将室内的污浊空气抽出。
通过风机的作用,室外新鲜空气经过滤网过滤后进入室内,室内污浊空气经过滤网过滤后排出室外。
新风空调机组的组成及工作原理新风空调机组的组成及工作原理一、简介新风空调机组是一种能够提供新鲜空气并调节室内温度的设备。
它由多个部件组成,每个部件都有特定的功能,共同协作实现空气处理和循环功能。
二、机组组成1. 风机新风机组中的风机主要负责吸入和排出空气。
它具有较大的风量和一定的静压能力,可以通过管道输送空气到指定位置。
风机通常由电机驱动,其转速可通过调节器进行控制。
2. 空气过滤器空气过滤器用于过滤空气中的颗粒物和有害物质,确保进入室内的空气清洁。
不同类型的过滤器可根据需求选择,如初效过滤器、高效过滤器等。
3. 换热器换热器是新风空调机组中的重要部件,用于实现室内外空气的热量交换。
新风机组中常见的换热器有热交换式和单向风机两种,通过换热器的工作,可以有效地回收热量,节约能源。
4. 温度和湿度控制器温度和湿度控制器用于监测室内的温度和湿度,并根据预设的参数进行调节。
它可以实现自动控制,确保室内的舒适度。
5. 风管和风口风管和风口是连接机组与室内各个区域的通道,用于输送空气。
风管负责将处理好的空气输送到指定区域,而风口则是将空气释放到室内,并能根据需要进行调节。
三、工作原理1.当新风机组启动时,风机开始运转,吸入室外新鲜空气。
2.新鲜空气通过空气过滤器进行过滤,去除颗粒物和有害物质。
3.经过过滤的空气进入换热器,与室内空气进行热量交换。
在夏季,室外的热空气将热量传递给室内空气;在冬季,室外空气的热量则被回收供暖室内。
4.温度和湿度控制器监测室内的温湿度,并根据设定的参数调节换热器的工作模式,以达到舒适的室内环境。
5.处理好的空气通过风管输送到各个区域,并通过风口释放到室内。
同时,室内空气也被循环抽走,形成空气循环。
总结:新风空调机组通过风机、空气过滤器、换热器、温湿度控制器、风管和风口等组件的协作,实现了室内外空气的交换和调节,提供了舒适的室内环境。
同时,它的能效较高,可以节约能源并改善室内空气质量。
新风机组工作的原理
新风机组是一种用于室内空气流通与新风补充的设备,工作原理如下:
1. 室内空气流通:新风机组通过风机将室内空气抽走,并通过风管排出室外。
这样可以实现空气的流通,排除室内污浊空气。
2. 新风补充:同时,新风机组通过另一个风机将新鲜空气从室外引入室内,补充室内空气的含氧量,并为室内提供新鲜空气。
3. 空气过滤:新风机组通常还配备空气过滤器,可以过滤室外引入的空气中的灰尘、细菌、病毒等杂质,提供更为洁净的空气质量。
4. 温度控制:新风机组通常还有温度控制功能,在室内温度过高或过低时,可以通过控制温度传感器与加热或制冷设备配合,将新鲜空气的温度调节到适宜的范围内。
5. 湿度控制:一些高级的新风机组还可以配备湿度传感器与湿度调节设备,通过调节湿度,提供舒适的室内环境。
总结起来,新风机组通过室内空气流通和新风补充,实现了室内空气的更新和提供了新鲜的室内空气。
通过空气过滤、温度控制和湿度控制等功能,可以提供更加舒适和健康的室内环境。
新风机组工作原理1 新风机组温度控制系统是由比例积分温度控制器、安装在送风管内的温度传感器和电动调节阀组成。
控制器的作用是把置于送风风道的温度传感器所检测到的送风温度传送至温控器与控制器设定的温度进行比较,并根据PI运算的结果,温控器给电动调节阀一个开/关阀的信号,从而使送风温度保持在所需要的范围。
2 电动调节阀与风机连锁,以保证切断风机电源时风阀亦同时关闭。
电动调节阀亦可实现与风机的联动(如图虚线框所示),当风机切断电源时关闭电动调节阀。
上图中两种连锁线路连接方式,分别用于断电复位设备和电关设备,用户可据具体情况自行取舍。
(有防冻要求的场合可通过行程限位器将热水阀位保持在要求的开度)。
3 在需要制冷时,温控器置于制冷模式,当传感器测量的温度达到或低于设定温度时,温控器给电动阀一个关阀信号,电动阀的关阀接点接通阀门关闭。
如果测量温度没达到设定温度,温控器给电动阀一个开阀信号,电动阀开阀接点接通阀门打开。
在需要制热时,温控器置于制热模式,当传感器测量的温度达到或高于设定温度时,温控器给电动阀一个关阀信号,电动阀的关阀接点接通阀门关闭。
如果测量温度没达到设定温度,温控器给电动阀一个开阀信号,电动阀开阀接点接通阀门打开。
4 当过滤网堵塞时或当其超过规定值时,压差开关给出的开关信号。
5 当盘管温度过低时,低温防冻开关给出开关信号,风机停止运行,防止盘管冻裂。
新风机组工作原理新风机组原理图现代建筑密闭性、装修污染、城市空气不流通以及个人使用习惯都会造成室内空气质量下降,人无时无刻都在吸入空气,如果连空气质量都保证不了,那我们的健康就要时刻受到威胁。
那我们该如何改善室内环境呢,其实我们可以装一套新风机组,为什么新风机组能够改善室内空气呢,我们可以从新风机组原理分析新风机是如何改善室内空气的。
新风机组工作原理电动调节阀与风机连锁,以保证切断风机电源时风阀亦同时关闭。
电动调节阀亦可实现与风机的联动,当风机切断电源时关闭电动调节阀。
新风机组的控制原理及说明一、新风机组的控制原理新风机组是指一种通过新风机将新鲜空气引入室内,同时排出污浊空气的设备。
新风机组的控制原理主要涉及以下几个方面:1.温湿度控制:新风机组可以通过控制新风的温湿度来满足室内的舒适需求。
通常情况下,新风机组会配备温湿度传感器,通过传感器测量到的室内温湿度信息反馈给主控系统,主控系统根据设定的温湿度范围来控制新风机组的运行。
当室内温湿度超过设定值时,新风机组会启动并吹出适宜温湿度的新风,直至室内温湿度达到设定值。
2.风量控制:新风机组的风量控制是指根据建筑物的需求,控制新风机组的送风量。
通常情况下,新风机组会配备风量传感器,通过传感器测量到的送风量信息反馈给主控系统,主控系统根据设定的送风量范围来控制新风机组的运行。
当室内需要更多的新风时,主控系统会提高新风机组的送风量;当室内需要较少的新风时,主控系统会降低新风机组的送风量。
3.运行模式控制:新风机组通常有多种运行模式可供选择,比如手动模式、定时模式、传感器模式等。
在手动模式下,用户可以手动调节新风机组的运行状态;在定时模式下,用户可以设置新风机组的具体开启和关闭时间;在传感器模式下,新风机组会根据传感器测量到的室内环境信息来自动调整运行状态。
4.故障检测与保护:新风机组的控制系统还需要具备故障检测和保护功能,以确保设备的安全运行。
当新风机组发生故障时,比如风机损坏、传感器失效等,主控系统会及时检测到并采取相应的保护措施,比如停机报警、自动切换备用设备等。
二、新风机组的控制说明1.温湿度控制是新风机组的核心功能之一,通过控制新风的温湿度,可以提供舒适的室内环境。
温湿度传感器通常安装在室内空气流动的地方,它会不断监测室内的温湿度,并将测量值反馈给主控系统。
主控系统根据设定的温湿度范围来判断是否需要启动新风机组,并控制新风机组的运行状态,以达到室内温湿度的要求。
2.风量控制是新风机组的另一个重要功能,通过控制新风机组的送风量,可以满足不同建筑物的需求。
空调新风系统原理空调新风系统是一种能够为室内空气提供新鲜空气并保持舒适室内温度的系统。
它主要由新风机、空气处理设备、送风管道和回风管道等组成。
其工作原理是通过循环利用室内空气和引入新鲜空气,实现室内空气的循环更新和净化。
下面我们将详细介绍空调新风系统的原理。
首先,空调新风系统的工作原理是基于空气的对流和循环。
当室内空气经过循环使用后,其中的二氧化碳、异味等有害气体会逐渐增加,影响人们的健康。
而空调新风系统通过引入新鲜空气,将室内污浊空气排出,从而保持室内空气的清新和舒适。
其次,空调新风系统的原理还包括空气处理设备的作用。
在引入新鲜空气之前,空气处理设备会对外界空气进行过滤和处理,去除其中的粉尘、细菌等有害物质,确保引入室内的空气质量达标。
同时,空气处理设备还会对室内空气进行循环过滤,保持室内空气的清洁和湿度适宜。
另外,空调新风系统的原理还涉及到送风管道和回风管道的设计。
送风管道负责将经过处理的新鲜空气送入室内,而回风管道则负责将室内污浊空气排出。
通过合理设计和布局,送风和回风可以实现良好的对流和循环,保证室内空气的均匀分布和更新。
最后,空调新风系统的原理还包括新风机的作用。
新风机是整个系统的核心部件,它负责循环引入新鲜空气和排出室内污浊空气。
新风机的运行效率和稳定性对系统的整体性能有着重要影响,因此在选择和使用新风机时需要注意其功率、风量和噪音等指标。
综上所述,空调新风系统的原理是通过循环利用室内空气和引入新鲜空气,保持室内空气的清新和舒适。
它通过空气处理设备的过滤和处理、送风管道和回风管道的设计、以及新风机的运行,实现了室内空气的循环更新和净化。
空调新风系统的原理不仅可以提高室内空气质量,还可以节约能源,是一种环保、健康、舒适的室内空气处理系统。
新风机组控制原理
新风机组的控制原理是基于空气质量的监测与调节。
其工作原理如下:
1. 空气质量监测:新风机组会安装传感器,监测室内空气的温度、湿度、PM
2.5等指标。
传感器会实时将采集到的数据传输给控制系统。
2. 参数设定:用户可以根据需要设定新风机组的工作参数,如温度设定值、湿度设定值等。
控制系统会根据设定值进行调节。
3. 控制策略:控制系统会根据传感器采集到的数据与设定值进行比较,并根据预设的控制策略,判断是否需要打开或关闭新风机组。
常见的控制策略有基于温度的控制、基于湿度的控制以及基于空气质量的控制。
4. 调节控制:当控制系统判断需要打开新风机组时,会通过信号与新风机组通信,控制其启动。
调节控制会根据当前的室内空气质量情况,适时调整新风机组的风速和风量,以达到预设的空气质量标准。
5. 反馈与调试:新风机组会周期性地重新检测室内空气质量,如果发现空气质量不符合要求,控制系统会进行相应的调整,如增大风速或风量。
同时,控制系统会记录下历史数据,以便于用户进行参考和分析。
综上所述,新风机组的控制原理是通过空气质量监测与调节,
根据设定值和控制策略对新风机组进行控制,从而达到提高室内空气质量的目的。
新风空调机组工作原理
新风空调机组是一种通过循环处理室内外空气来实现室内空气质量改善的设备。
其工作原理如下:
1. 室内外空气循环:新风空调机组首先通过室外风机将新鲜空气引入系统,然后经过滤网等设备进行过滤和初级处理,以去除空气中的杂质和颗粒物。
接着,室内风机将处理后的新鲜空气送往室内。
2. 温度控制:新风空调机组在引入室内的新鲜空气中,通过加热和制冷装置来控制空气温度。
根据室内的需求和设定的温度要求,机组可以提供适宜的冷风或热风。
3. 湿度控制:新风空调机组还可以通过加湿和除湿装置实现湿度的控制。
当室内湿度过高时,机组可以通过加湿来增加空气湿度;而当室内湿度过低时,机组则可以通过除湿来减少空气湿度。
4. 除味和净化:新风空调机组还可以配备空气净化设备,用于去除室内空气中的异味和有害气体。
这些设备通常包括活性炭过滤器、光催化装置等,能够有效净化空气并提供更健康的室内环境。
总的来说,新风空调机组通过引入、处理和循环利用室外空气,能够改善室内空气质量,提供适宜的温湿度条件,并去除空气中的异味和有害物质,从而为用户创造一个健康、舒适的室内环境。
空调控制系统的新风量控制方法对于新风的控制原则是在能够保证室内空气质量的前提下,尽量采用最小新风量的控制方法。
1、设定最小新风阀位设定最小新风阀位可近似认为是固定新风比的控制方法,是沿用定风量空调系统的新风控制方法。
根据不同季节和室内外焓值变化情况,对新风阀设定一个最小阀位,以此来提供合理的新风量。
然而,V A V空调系统在保持最小新风阀位恒定的情况下,随着变风量系统送风量的下降,新风入口到混合段的压差减小,新风量也会相应下降。
如果引起送风量下降的负荷减少不是因为人员数量变化,且室内要求新风量不变,这种情况会造成新风不足。
所以,这种设定最小新风阀位的新风控制方式,不能够很好地满足变风量系统对新风的要求。
2、根据送风量变化调节新风阀开度这种控制方法相当于固定新风量的控制方法,是针对上面提到的固定阀位存在的不足而提出的。
这种方式在V A V空调系统的送风量发生变化时对新风阀的开度进行调节,从而使送入室内的新风量不随送风量的变化而发生变化。
这种方法在理论上十分简单,但在实际中也不一定能够保证新风量恒定。
其一,是当V A V空调系统的送风量变化时,新风入口到混合段的压差也发生变化,这种压差与风阀开度的关系不是一个线性关系;其二,风阀从结构上讲也不适合于频繁动作。
但是,根据送风量变化调节新风阀开度可以改善新风的供给质量。
3、风机跟踪法控制新风量风机跟踪法也称为送风机、回风机风量测量控制法。
这种方法同时测量送风机和回风机风量,送、回风的差值即为新风量,这一差值经过运算转换,用得出的风量差去控制回风机,保持这个风量差即新风量不变。
送风机送出风量-回风机吸入风量=新风量=常量为保证新风量不变,风机跟踪控制不管系统风量如何变化,总送风管风量与总回风管风量之差即新风量保持不变,要保持新风量不变必须精确测量送回风管的动压,但是,反映风速动压是全压和静压的差值,由于动压值相对较小,而全压和静压误差相对较大,所以其差值的误差就更大了。
新风(空调)自动控制系统↑简介所谓新风(空调)自动控制系统,是以充分利用室外空气的自然冷却能力,有效降低空调系统的能源消耗为目的的节能控制系统。
它不仅适用于室内人数变化大,即高峰时室内人员特别密集,而低谷时室内人数比较稀少的大、中型商场、餐厅及舞厅等娱乐场所。
更适用于室内空调冷负荷特别大,全年都需要进行制冷的生产场所(其中包括食用菌人工栽培车间)等。
在空调系统中,新风负荷一般要占整个空调负荷的20%~40%,有的甚至更大。
在进行空调系统的设计时,冬、夏取用的最小新风量是根据人体卫生条件,用来冲洗有害物、补偿局部排风、保证空调房间一定正压值而确定的。
为了保证空调系统在室内最大新风负荷,即室内人数最集中时,仍能满足根据人体卫生条件所确定的新风量指标,该参数通常选得比较大。
而当室内人员相对较少时,如果仍然按照最大新风量输入新风,则会导致能源的白白浪费。
由此引出需要根据室内的实际新风需求量,自动调节新风引入装置的设计理念。
以一座建筑面积为3万平方米的百货大楼为例,将采用固定式新风输入量与采用以室内CO2浓度为控制对象的自动新风调控系统相比较,夏季时,系统的冷负荷后者比前者减少了24.9%;冬季,系统热负荷则减少了67.6%。
同时,对于全年要求室内温度保持在22~24℃,室内冷负荷特别大,全年都需要进行制冷运行的生产场所而言,以上海及周边地区为例,自每年的10月中旬左右起,室外的环境温度开始降至22℃以下,室外空气逐渐具备自然冷却的能力。
随着季节的变化,室外气温进一步下降,相对湿度也保持在一个较低的水平上,反映空气中所含的显热和潜热的综合参数的焓值相对较低,所引入的室外空气所具备的自然冷却能力可以逐步取代由制冷机组所产生的人工冷源,最终当新风温度等同于空调系统的送风温度时,制冷机组可以完全停止制冷运行。
与固定式新风输送方式相比,采用全新风自动控制装置的空调系统全年将节能20~40%。
↑应用新风(空调)自动控制系统是上海凯摩空调工程技术有限公司应用先进的设计理念,以利用室外空气的自然冷却能力,降低空调制冷设备的能源消耗为目的,设计整合的节能控制系统,相继应用于以上海索广电子有限公司数码相机生产车间为代表的全年处于制冷工况的空气调节系统,和以上海丰科生物科技有限食用菌人工栽培基地为代表的现代高效农业项目,以及康宁(上海)有限公司办公楼VAV空调系统等。
新风空调中连锁保护控制过程新风空调中的连锁保护控制是一个关键过程,它不仅能够有效保护设备的安全运行,还能提高设备的使用寿命和工作效率。
下面将详细介绍新风空调中连锁保护控制的过程。
首先,新风空调中的连锁保护控制主要包括温度保护、压力保护和电流保护三个方面。
温度保护是新风空调中最重要的保护措施之一。
在空调系统中设有温度传感器,通过监测设备的工作温度,一旦温度超过预设值,系统就会自动启动保护机制,停止设备的工作,并通过报警系统提醒使用者及时处理。
压力保护是保证空调系统稳定运行的关键,也是连锁保护控制的重要一环。
新风空调中设有压力传感器,能够及时监测系统的工作压力,一旦压力异常,系统会自动切断电源,停止设备运行,避免发生爆炸等严重事故。
电流保护是新风空调中的另一个重要保护措施。
通过电流传感器,系统能够监测设备的工作电流,一旦电流异常,系统会自动切断电源,停止设备运行,避免电机过载或电源短路等问题,提高设备的使用寿命。
在新风空调的连锁保护控制过程中,存在着严格的执行顺序。
首先是温度保护,当温度超过预设值时,系统会触发连锁保护机制,停止设备运行。
紧接着是压力保护,当压力异常时,系统也会切断电源,停止设备运行。
最后是电流保护,一旦电流异常,系统同样会自动切断电源,停止设备工作。
通过连锁保护控制,新风空调能够在设备出现问题时及时停止工作,避免进一步的损坏或事故发生。
此外,连锁保护还有助于延长设备的使用寿命,提高设备的工作效率,节省能源。
因此,对于使用新风空调的用户来说,了解并正确使用连锁保护控制是非常重要的。
在使用过程中,应定期检查系统的传感器和控制器是否正常工作,确保连锁保护措施的可靠性。
同时,在遇到连锁保护触发时,应及时排查故障原因,并修复或更换设备,以确保系统的安全运行。
总之,新风空调中的连锁保护控制是一项重要而必要的措施,它能够保证设备的安全运行,延长设备的使用寿命,提高工作效率。
通过正确使用和维护连锁保护控制,我们能够充分发挥新风空调的优势,为我们的生活和工作提供更加舒适和健康的环境。
淮安大厦新风五恒系统原理
《淮安大厦新风五恒系统原理》
一、系统概述
淮安大厦新风五恒系统是一套集全自动智能化控制的智能新风
系统,其主要功能为自动调节室内新风量、自动调节室内温度、定时新风、手动新风等。
二、工作原理
1、自动调节室内新风量
新风系统自动调节室内新风量的运行原理,按照室内温度设定值上下浮动值,控制新风机组开启或关闭,以达到调节室内新风量的目的。
2、自动调节室内温度
新风系统自动调节室内温度的运行原理,通过设定新风机组的开关,可将恒温水从设备管道中传送至室内各个新风口,加热到预定温度,从而达到室内温度的调节。
三、新风机组控制
新风机组的控制主要包括四个部分:温度控制、新风机组开关控制、温度内外比控制、节能控制等。
1、温度控制
根据所需温度,通过设定温度控制器的设定值,进行温度控制。
2、新风机组开关控制
控制智能控制系统,进行开启或者关闭新风机组,以达到室内温
度的调节。
3、温度内外比控制
新风机组温度内外比控制是按照室内及外界温度的差值,设定不同的新风量,以达到室内温度的智能调节。
4、节能控制
新风机组节能控制,根据室外温度变化,智能控制系统自动调节,使温度差达到绿色节能的最大限度,从而节约能源。
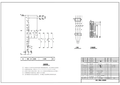
新风机组的控制原理及
说明
-CAL-FENGHAI.-(YICAI)-Company One1
新风机组的控制原理及说明
新风, 原理, 机组
设备配套表:
位号名称设备型号说明品牌
T1开关风阀执
行器
AM241-0V AC 2-L1 3-L2 :18NM BELIMO
V1房间温度传
感器
SRA-TN10热敏电阻NTC10K输入VECTOR
△P1微压差变送
器
Ms3210~10VDC 100Pa Dwyell
M124V变压器AER-220-50AC24V 2A线性变压器VECTOR U1PI控制器TCY-T0121双PI回路智能控制器VECTOR
TC1风机盘管控
制器
TLC-FC-S
4DO,AC230,2A;2管制系
统
VECTOR
实现以下功能:1, 当FP防冻开关报警时,关闭风机, 热水阀全开,关闭新风阀,点亮防冻报警灯。
2, 根据送风温度T1和送风温度设定点,自动调整冷热水阀M1,实现恒温送风自动调节。
3, 过滤器报警输入,点亮过滤器报警灯。
4, 送风机和新风阀连锁控制:开机时,先开风阀,后开
风机;关机时,先关风机,后关风阀。
5, 定时功能:自动定时开机,关机。
共有4个时间定时程序,可以实现16个设置点定时控制。
6, 通过显示终端可以显示数据和显示报警信息。
用户可以修改温度设定点。