日立电气基础学习知识原理图分析
- 格式:doc
- 大小:4.40 MB
- 文档页数:21
最常用的电气回路讲解,包含原理图和接线图,电气入门必备!电动机正反转控制属于最常见的电气应用知识,在本文详细介绍电动机正反转控制电路原理及相关知识。
接触器连锁正反转控制线路的主电路中连接了两个接触器,正反转操作元器件放置在控制回路中,因此工作安全可靠。
接触器连锁正反转控制线路如图1所示。
图1 接触器连锁正反转控制线路(电路图读者需要结合电气图形符号和电气文字符号来学习)在图1中,主电路中连接了接触器KM1和接触器KM2,两个接触器主触点连接方式不同,KM1按L1-U、L2-V、L3-W方式连接,KM2按L1-W、L2-V、L3-U方式连接。
在工作时,接触器KM1、KM2主触点严禁同时闭合,否则会造成L1、L3两相电源直接短路。
为了避免KM1、KM2主触点同时得电闭合,分别给其各自的线圈串接了对方的常闭辅助触点,当一个接触器的线圈得电时会使自己的主触点闭合,还会使自己的常闭触点断开,这样另一个接触器线圈就无法得电。
接触器的这种相互制约关系称为接触器的连锁(也称互锁、联锁),实现联锁的常闭辅助触点称为连锁触点。
电动机正反转控制线路工作原理分析如下:1、闭合电源开关QS2、正转过程①正转联锁控制按下正转按钮速SB1→KM1线圈得电→KM1主触点闭合、KM1常开辅助触点闭合、KM1常闭辅助触点断开→KM1主触点闭合将L1、L2、L3三相电源分别供给电动机U、V、W端,电动机正转;KM1常开辅助触点闭合使得SB1松开后KM1线圈继续得电(接触器自锁);KM1常闭辅助触点断开切断KM2线圈的供电,使KM2主触点无法闭合,实现KM1、KM2之间的连锁。
②停止控制按下停转按钮SB3→KM1线圈失电→KM1主触点断开、KM1常开辅助触点断开、KM1常闭辅助触点闭合→KM1主触点断开使电动机断电而停转。
3、反转过程①反转连锁控制按下反转按钮SB2→KM2线圈得电→KM2主触点闭合、KM2常开辅助触点闭合、KM2常闭辅助触点断开→KM2主触点闭合将L1、L2、L3三相电源分别供给电动机W、V、U端,电动机反转;KM2常开辅助触点闭合SB2松开后KM2线圈继续得电;KM2常闭辅助触点断开切断KM1线圈的供电,使KM1主触点无法闭合,实现KM1、KEM2之间的连锁。
日立电气原理图分析 Document serial number【KKGB-LBS98YT-BS8CB-BSUT-BST108】日立电气原理图分析v写在前面的话之所以想写这本书是受到了《OTIS-40电梯培训教程》的影响。
在本人进入电梯这行之初,在网络上无意间看到了这一教程。
对本人学习电气原理起到了至关重要的影响。
虽然不知此教程的作者姓甚名谁但非常感谢他,本人十分佩服他对电气讲解的细致程度。
心里早就有个想法,就是像《OTIS-40电梯培训教程》的作者一样,写一篇能够帮助更多新入行的朋友在电气原理方面更上一层楼的教程。
本人从事电梯行业至今已两年,平时接触GVF-3 较多。
现在以本人自己的理解程度试着讲解一下此梯的电气控制部分,希望能给一些新入行的朋友一些帮助或者是启发。
由于表述及技术水平有限,此教程只作为同行交流之用,对于因此教程的错误引发的一切后果与本人无关,如同意则继续往下看,如不同意则就此打住!?-------海口*吴祥这就是第一张,主回路图看名字就知道这是电梯控制的主电路图,也就是曳引机的接线图。
首先我们从左边看起,R,S,T,三个端子指的是三相AC380V进线端,是配电窒提供三相电源给电梯用的。
接着会看到三相线从下面进入了APL‘停电柜’里面,并用虚线框在里面,然后下面有个A并用箭头指着,这里要说一下这个A代表的是什么意思,大家看一下图纸的左下角就会看到一个框,框里的意思是指A代表有APL功能时增加接线的部分,如果没有APL功能时则按B字母所指示的方法接线,这种不同功能时的不同接线方法在以后的图纸中也会常常看到,之后的讲解中不会再作说明。
请各位记住这是代表什么意思就好了。
RST三相线接着住右看,会看到在 S,T两根线上并接着一个‘PL电源指示灯’接这个灯的作用就是能够一目了然的看到三相大线上有没有电到。
只要三相线上有电压,此灯就会亮。
此灯接在主空开前面是为了提醒操作者,主空开切断后控制柜里仍然带有高电压!然后经过‘MAIN主电源空气开关’在这里接这个开关的作用就是切断整个电梯控制回路电源。
日立电气原理图分析v写在前面的话之所以想写这本书是受到了《OTIS-40电梯培训教程》的影响。
在本人进入电梯这行之初,在网络上无意间看到了这一教程。
对本人学习电气原理起到了至关重要的影响。
虽然不知此教程的作者姓甚名谁?但非常感谢他,本人十分佩服他对电气讲解的细致程度。
心里早就有个想法,就是像《OTIS-40电梯培训教程》的作者一样,写一篇能够帮助更多新入行的朋友在电气原理方面更上一层楼的教程。
本人从事电梯行业至今已两年,平时接触GVF-3 较多。
现在以本人自己的理解程度试着讲解一下此梯的电气控制部分,希望能给一些新入行的朋友一些帮助或者是启发。
由于表述及技术水平有限,此教程只作为同行交流之用,对于因此教程的错误引发的一切后果与本人无关,如同意则继续往下看,如不同意则就此打住! -------海口*吴祥一、主回路。
图号K13504104这就是第一张,主回路图看名字就知道这是电梯控制的主电路图,也就是曳引机的接线图。
首先我们从左边看起,R,S,T,三个端子指的是三相AC380V进线端,是配电窒提供三相电源给电梯用的。
接着会看到三相线从下面进入了APL‘停电柜’里面,并用虚线框在里面,然后下面有个A并用箭头指着,这里要说一下这个A代表的是什么意思,大家看一下图纸的左下角就会看到一个框,框里的意思是指A代表有APL功能时增加接线的部分,如果没有APL功能时则按B字母所指示的方法接线,这种不同功能时的不同接线方法在以后的图纸中也会常常看到,之后的讲解中不会再作说明。
请各位记住这是代表什么意思就好了。
RST三相线接着住右看,会看到在S,T两根线上并接着一个‘PL电源指示灯’接这个灯的作用就是能够一目了然的看到三相大线上有没有电到。
只要三相线上有电压,此灯就会亮。
此灯接在主空开前面是为了提醒操作者,主空开切断后控制柜里仍然带有高电压!然后经过‘MAIN主电源空气开关’在这里接这个开关的作用就是切断整个电梯控制回路电源。
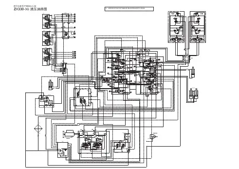
日立挖掘机上部结构与工作原理-主安全系统主安全系统安全阀、卸载阀如图2 一62 所示。
系统压力调节器内装一件先导操作安全阀及一件卸载阀。
在控制阀中立时,卸载阀打开,使液压泵的油流入油箱内。
主系统压力超过标准时,系统压力调节器将打开,然后卸载阀打开将油倾入油箱内。
1 .却载阀(控制阀中立)泵压力通过卸载滑阀施加于滑阀的左边。
卸载压力安全弹簧及负载传感压力都在滑阀的右边作用。
负载传感压力是液压知吸马达输出压力做最重工作的动力源。
该压力信号由梭动阀接收,控制阀中立时,负载传感压力趋近于O 。
泵压力由确立卸载阀安全的弹簧设定。
卸载阀滑阀将移至右边,而泵出来的油将通澎雳道流入油箱.2 .却载安全阀〔安全压力操作)当来自梭动阀的负载传感压力达到系统安全阀的先导锥阀芯的设定压力时,锥阀芯打开,负载传感压力通过锥阀芯释放至油箱内,从而打开卸载阀(移至右边),将泵油通过通道倾卸至箱内。
3 .主安全系统(Ls 线安全阀)安全阀位于“ HP ”及“ LP ”之间(HP :高压;LP低压);其工作结构如图2-63所示。
Ls 线安全阀原理如图2 - 64 所示。
如图2-64(a)所示,油通过主锥阀芯C 的节流孔流入D 室,主椎阀芯C及套筒E由压力差定位。
如图2-64(b)先所示,当“HP”压力达到设定压力时,先导锥阀芯F 开启,油通过锥阀及窄油通道流入“ LP " 口。
如图2 一64 ( c )所示,降低D 室油压,锥阀芯C 被打开,油流入“ LP " 口。
升压操作时,如图2 一64 (d)所示,先导口" J ”处的压力升高,活塞“ M " 移至插座“ K " 的特定位,弹簧压力将“HP”口的油压提高。
4 .防浪涌安全阀防浪涌安全阀结构如图2-65 所示。
防浪涌安全阀的作用是消除由于先导控制杆的迅速操作而引起的主系统内的压力脉动。
泵压力超过先导锥阀芯设定压力时,防浪涌安全阀就开启,平衡活塞后面的压力下降,活塞开启,通过通道将压力脉动释放至油箱。
干货:电气控制原理动态图大全及部分解析,电工必看!
PLC顺序控制☟
针对顺序控制要求,PLC提供了顺序功能图(SFC)语言支持。
顺序功能图又称状态转移图,由一系列状态(用S表示)组成。
系统提供S0—S999共1000个状态供编程使用,其中:
S0—S9:初始状态专用
S10—S19:原点复位用
S20—S499:一般用
S500—S899:停电保持用
S900—S999:报警用
PLC正反转控制☟
三相异步电动机定子三相绕组接入三相交流电,产生旋转磁场,旋转磁场切割转子绕组产生感应电流和电磁力,在感应电流和电磁力的共同作用下,转子随着旋转磁场的旋转方向转动。
因此转子的旋转方向是通过改变定子旋转磁场旋转的方向来实现的,而旋转磁场的旋转方向只需改变三相定子绕组任意两相的电源相序就可实现。
按钮开关☟
冲孔加工☟
断电延时型时间继电器☟
多点控制☟
滚轮式行程开关☟
红绿灯☟
其对应的顺序功能图如下图所示:
机械手☟
交流接触器☟
热继电器☟
三相闸刀☟
时间继电器☟
手动控制☟
速度继电器☟
星三角启动☟
异步电动机转动原理☟自动往返控制☟。
日立能源gcb设备运行原理
日立能源的GCB(Gas Circuit Breaker,气体断路器)设备是一种用于高压电网的断路器,其运行原理基于气体的电气绝缘性能和断路能力。
以下是日立能源GCB设备的基本运行原理:
1. 气体绝缘:GCB中使用的主要绝缘介质是硫化氢气体
(SF6)。
SF6具有优良的电气绝缘性能,能够有效阻止电流在断开时形成电弧。
2. 电流中断:当需要中断电流时,GCB会通过操作机构打开断路器。
一旦断路器打开,电路中的电流会在断开的两个触点之间形成电弧。
3. 电弧冷却:SF6气体对电弧具有高度的冷却效果。
电弧在SF6气体中形成后,其温度会迅速升高,但由于SF6的优良冷却性能,电弧很快就会被熄灭。
4. 电弧熄灭:SF6气体中的电弧由于受到电弧冷却和SF6分子的高电离能力的影响,很快被熄灭,断路器实现了电流中断的目的。
5. 再闭合:在必要时,GCB可以通过操作机构再次闭合,恢复电路的连通状态,使电力系统恢复正常运行。
总的来说,日立能源的GCB设备利用SF6气体的优良绝缘和断路性能,实现了对高压电路的可靠中断和再连通,保障了电力系统的安全运行。
日立电气原理图分析
v写在前面的话
之所以想写这本书是受到了《OTIS-40电梯培训教程》的影响。
在本人进入电梯这行之初,在网络上无意间看到了这一教程。
对本人学习电气原理起到了至关重要的影响。
虽然不知此教程的作者姓甚名谁?但非常感谢他,本人十分佩服他对电气讲解的细致程度。
心里早就有个想法,就是像《OTIS-40电梯培训教程》的作者一样,写一篇能够帮助更多新入行的朋友在电气原理方面更上一层楼的教程。
本人从事电梯行业至今已两年,平时接触GVF-3 较多。
现在以本人自己的理解程度试着讲解一下此梯的电气控制部分,希望能给一些新入行的朋友一些帮助或者是启发。
由于表述及技术水平有限,此教程只作为同行交流之用,对于因此教程的错误引发的一切后果与本人无关,如同意则继续往下看,如不同意则就此打住! -------海口*吴祥
一、主回路。
图号K13504104
这就是第一张,主回路图
看名字就知道这是电梯控制的主电路图,也就是曳引机的接线图。
首先我们从左边看起,R,S,T,三个端子指的是三相AC380V进线端,是配电窒提供三相电源给电梯用的。
接着会看到三相线从下面进入了APL‘停电柜’里面,并用虚线框在里面,然后下面有个A并用箭头指着,这里要说一下这个A代表的是什么意思,大家看一下图纸的左下角就会看到一个框,框里的意思是指A代表有APL功能时增加接线的部分,如果没有APL功能时则按B字母所指示的方法接线,这种不同功能时的不同接线方法在以后的图纸中也会常常看到,之后的讲解中不会再作说明。
请各位记住这是代表什么意思就好了。
RST三相线接着住右看,会看到在S,T两根线上并接着一个‘PL电源指示灯’接这个灯的作用就是能够一目了然的看到三相大线上有没有电到。
只要三相线上有电压,此灯就会亮。
此灯接在主空开前面是为了提醒操作者,主空开切断后控制柜里仍然带有高电压!然后经过‘MAIN主电源空气开关’在这里接这个开关的作用就是切断整个电梯控制回路电源。
然后会看到三相线分成两路,一路接在逆变模块‘也是就变频器’的R,S,T。
三个接线端了,也叫变频器的进线端。
作用是提供三相电源给变频器工作。
然后看到右边的U,V,W.三个端子引出三根线,这其实就是刚进去的R,S,T.经过变频器改变了电压的频率后输出供电机使用的,然后经过了‘10T运行接触器’的常开点,然后经过U,V,W.三个接线端子,最后进入了曳引机,于是曳引机得电转动。
在这里还会看到三根线上并接了APL的U,V,W,三根线。
其作用就是在停电时直接驱动电机慢车自救。
刚说到主空开后面分成两路,还有一路进入了一个框里面,里面标着R,S,T.意思就是这三根线的接线端子代号。
还写着电源回路,就是告诉你这三根线是去了电源回路那张图纸上面了,等下在电源回路的那电气图上看到这三根线就知道是从这里接过去的。
再看下变频器上面还有个+端子引出一根线,经过DBR放电电阻,然后回到PB端子,此电阻的作用是当电梯空载上行时,因为对重的关系,电机属于被动发电状态,会产生大电流,也就是即使变频器没有输出电流,对重的重量比轿厢重,也会拖动轿厢向上运动,使电机转动,进而产生反向电流,这时就需要一个电阻将这些电流消耗掉,以保护变频器不会
因电流过大而烧坏。
这一部分也用了虚线框住,并有一个C字母在里面,其作用在前面已说明,下面还有一个虚线框,里面有个代号D,其作用和C相同。
小节;上面提到电机和曳引机,其实就是电梯主机。
放电电阻就是控制柜顶上的那几个大电阻。
二、电源回路1,图号13504106
这张图我们可以把它分成左右两个部分来看,左边是开关电源部分,右边是变压器部分。
左上角有一个虚线框,里面写着主回路,意思是这个框里出来的线是从主回路那张图纸上引过来的,这一点我们前面也有提到,里面有两根线,分别是‘S,T’S引过来的线经过CN2 插接口的1号线接入‘AVR1开关电源’T引过来的线经过CN2插接口的2号线接入‘AVR1 开关电源’。
AC380V 经AVR1变压后输出四路直流低电压供电梯的各个回路使用。
从左边起第一路是DC48V经
CN1/1去了信号回路2,意思是信号回路2那张图纸上的电源是由这里供应的。
第二是DC48V 经CN1/2然后接入代号为CONTROL-1的保险管,下面写的1A就是指这个保险是1A的。
再经WB1/3去了控制回路3,4,5,信号回路1,2,3,可见此路电压对电梯的控制回路和信号回路都有影响。
而且比较重要。
虚线框里的P48是指直流48V正极,GD48是指直流48V负极,大家记住P代表直流正极,GD代表直流负极就好了。
再住右看就是DC48V的负极了,至于作什么用,我想你懂的。
然后是DC15V,出来经CN1/5进入SIGNAL-1号保险,很明显这个保险是5A的,后经过WB4-6进入了控制回路2,2B两张图纸里,挨在一起的是DC15V的负极,经WA3-5回到AVR1完成回路。
最右边的是DC24V,经CN1/3,4然后是一个10A的保险,再
经WB7-10向控制回路2,2B,4,5,6,信号回路1,3,5,供电。
负极经WA6-14进入CN1/7插接口回到AVR1完成回路。
有一点大家要注意,我在讲解电气图时凡是第一次说到的接线都会尽可能的说得详细一些,后面如遇到一样的接线时,一般都是一带而过,因为前面已经做了很透彻的分析。
好了,下面有两个虚线框,我只是简单的说一下,这是由于电梯楼层高度的不同而增加的开关电源。
目的是增加电源功率,主要是因为外呼板增多的原因。
还有一个就是接地线的部分,AVR1框的左边有个PE引出来的线,那根就是地线及符号,至于其作用请大家自己去查阅一下电工基础吧。
现在说到右边部分,R,S.两根线从主回路引来经过P1及N1进入闸刀开关CONTROL-2然后经过保险,图纸上标明这两根保险是5A的了,然后经P3和N3进入TR1隔离变压器,经过变压引出两组电源,一组是AC110V经MD/1和MD/2两根线接到了名为DR.MC的闸刀开关上面,其中间出现的虚线框是指有APL功能时增加的接线部分,闸刀保险是5A的,然后去了控制回路5,大家要注意到的是,控制回路5的虚线框里面的A110和B110,意思是指这是一组交流电。
还有一组AC124其中一根线经MD/3接入了10T接触器的13,14号常开点端子上,然后经MD/4接入了整流桥的交流输入端,这里10T常开点的作用是控制此路电源的输出,只有10T接触器吸合时此路电源才有电。
另一条线则直接接入整流桥的交流输入端,经过整流桥变成了直流电,正极经MD/5进入MG.FS保险,此保险是5A的,进入控制回路5。
另一条线是整流桥负极输出端,经MD/6及WA15也进入控制回路5。
其中也有一个APL的虚线框,意思我前面已经说过N遍。
还有一个F的虚线框,是并联、群控时增加的。
好了,这就是电源回路1。
(未完待续)
.*。