外伤止血、包扎、固定操作评分标准
- 格式:doc
- 大小:35.50 KB
- 文档页数:1
创伤急救—包扎技术操作评分标准
项目技术操作要求分值扣分及原因实际
得分
准备质量标准20分评估环境是否安全,伤员复苏、止血是否有效等情况。
评估需要包扎伤口的部位及伤情,确定清创及包扎方
法,正确选择用物。
了解伤员心理状况。
8
护士:具有争分夺秒的急救意识,具备组织急救和指
导伤员自救、互救能力
2 物品:准备齐全,放置合理 2 环境:安全 4 体位:根据伤员受伤部位不同给予相应体位 4
操作流程质量标准60 分取适宜体位 4 根据伤情,选择用物合适要求(三角巾、绷带或就便
材料)
10 伤口处覆盖无菌敷料,必要时加盖容器方法正确。
8
三角巾或绷带包扎方法正确10 三角巾打结、绷带缠绕方法正确8 松解度适宜,三角巾打结处垫衬垫10 固定正确 5 检查及记录肢端血液循环 5
终末质量标准20分对伤员进行了复苏、止血是否有效等情况的评估 4 清创及使用包扎及处理方法正确,会使用就便材料 5 三角巾和绷带操作熟练、规范,动作轻重适宜 2 处理及时有效,注意观察伤情变化 2 观察及记录包扎肢端的血液循环情况 5 了解伤员心里状况并给予相应处理 2
合计100。
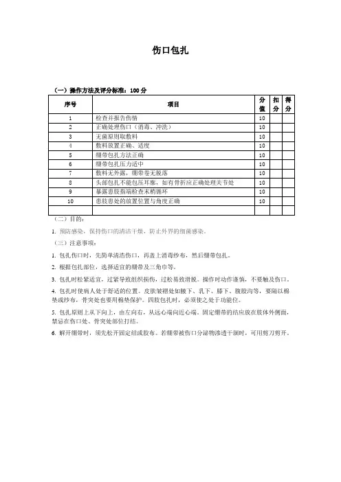
伤口包扎
(一)操作方法及评分标准:100分
1.预防感染,保持伤口的清洁干燥,防止外界的细菌感染。
(三)注意事项:
1. 包扎伤口时,先简单清浩伤口,再盖上消毒纱布,然后绷带包扎。
2. 根据包扎部位,选择适宜的绷带及三角巾等。
3. 包扎时松紧适宜,过紧导致组织损伤,过松易致滑脱。
操作时动作谨慎,不要触及伤口。
4. 包扎时使病人处于舒适的位置。
皮肤皱褶处如腋下、乳下、膝下、腹股沟等,要隔以棉垫或纱布,骨突处也要用棉垫保护。
四肢包扎时,必须使之处于功能位。
5. 包扎原则上从下向上,由左向右,从远心端向近心端。
固定绷带的结应放在肢体外侧面,禁忌在伤口处、骨突处部位打结。
6. 解开绷带时,须先松开固定结或胶布。
若绷带被伤口分泌物渗透干涸时,可用剪刀剪开。
骨折固定
(二)目的:
1.避免搬运时断端移位而更多地损伤软组织、血管、神经或内脏;
2.骨折固定后即可止痛,有利于防止休克;
3.便于运输。
(三)注意事项:
1.遇有呼吸、心跳停止者先行复苏措施,出血休克者先止血,病情有根本好转后进行固定。
2.院外固定时,对骨折后造成的畸形禁止整复,不能把骨折断端送回伤口内,只要适当固定即可。
3.代用品的夹板要长于两头的关节并一起固定。
夹板应光滑,夹板靠皮肤一面,最好用软垫垫起并包裹两头。
4.固定时应不松、不紧而牢固。
5.固定四肢时应尽可能暴露手指(足趾)以观察有否指(趾)尖发紫、肿胀、疼痛、血循环障碍等。
外伤止血、包扎、固定操作评分标准
大腿外伤的止血、包扎、固定操作流程
选手素质要求认真,着工作装,仪表端庄。
操作前,物品需经评委认定合格后,向裁判举手示意开始计时。
首先,操作者需评估环境,确定安全,并口述:“现场环境安全”。
接着,检查伤员伤情及出血情况,抚慰伤员,口述:“别紧张,我来帮你!”然后高声呼救,喊出伤员大腿出血,快来人啊!
止血的操作步骤包括:迅速用双拇指或双手掌根重叠压迫止血部位(腹股沟韧带中点搏动处用力垂直向下压迫),评委检查止血效果;在拟上止血带部位加垫;上止血带(具体部位在大腿中上部或伤口上方10-15cm左右,止血带头回插结扣内),检查止血效果、肢体末端血液循环情况,口述:“足背动脉搏动消失、大腿喷射状出血停止!”最后,评委检查止血效果,并记录扎止血带时间。
包扎的操作步骤包括:确定伤口部位,加敷料(手接触敷料面不能接触伤口),用三角巾包扎,要求工整、美观。
包扎后三角巾上下移动不超过1cm。
将肢体固定于健侧肢体上。
固定的操作步骤包括:将健肢移向患肢,固定骨折上下两端,然后固定髋关节处、小腿中段处、踝关节处。
所有结不许打在患肢侧。
踝关节处固定时要求用8字固定法。
两膝、两踝关节处要求加垫。
固定松紧适宜,活动度不超过1cm,动作轻柔。
整个操作流程顺序是止血→包扎→固定,全过程时间为3分10秒。
操作所需物品包括三角巾7条,止血带1条,敷料3块(2大1小),记录卡片1张,笔1只。
操作完毕后立即向裁判报告,裁判员终止计时。
末端略抬高
5 观察伤肢及伤员10 观察伤肢末端血液循环
左前臂中段骨折固定
序
号
项目分数技术标准扣分原因扣分
1 观察环境,表明身份,
做好自我防护
10
观察并报告险情已排除
带手套
我是救护员,您是否需要帮助?
2 安慰伤者,将伤者置于
适当体位
10
不要紧张,我帮您处理伤口、拨打“120”、通
知家属
3 检查受伤部位10 检查伤员左前臂,报告有骨折无伤口
4 用报纸、杂志等固定伤
肢
20
将伤肢屈曲置于胸前,用报纸或杂志固定,固
定物超过肘、腕关节。
宽带固定报纸、杂志30
用两条适度宽带先固定骨折上端,再固定骨折
下端,结打在伤肢外侧
悬吊伤肢10
用三角巾做大悬带悬吊伤肢,结打在后颈部侧
方,伤肢末端略抬高
5 观察伤肢及伤员10 检查伤肢末梢血液循环、运动及感觉。
医学急救技能竞赛
双人配合外伤止血、包扎与固定操作比赛评分表
参赛队编号:
选手编号:A角医生()B角护士()
评分:流程质量主观评分(满分90分)分
终末质量的秒表评价(满分10分)_____分(由工作人员统计填写)
合计得分:分
评委签名:
备注:
操作完毕后,由一名工作人员上前检查并向评委报告:
1.是否正确记录上止血带部位和时间;
2.“大手挂”和将伤肢固定在胸前的横带是否平结;
3.头部异物固定圈的高度尺寸,中间孔有无封闭、直径大小;
4.备物数量是否准确,用物有剩余或者备物不足都相应扣分;
5.全程操作所用时间的秒表计数。
创伤急救-止血、包扎、固定技术操作评分标准
项目技术操作要求分值扣分及原因实际得分
准备质量标准20分评估环境是否安全,危重伤员应观察复苏是否有效等
情况。
正确评估需要处置伤口的局部情况,确定处置方法,
正确选择用物。
评估患者心理状况。
6
护士:着装整洁、仪表端庄,具有急救意识。
2 物品:准备齐全,放置合理。
4 环境:安全、相对清洁。
4 体位:根据患者受伤部位不同给予相应体位。
4
操作流程质量标准60分取适宜卧位 3 选择用物符合要求 6 三角巾折叠方法正确 3 止血带止血方法正确9 夹板使用正确8 操作符合要求10 压力适当,松紧度适宜 6 做好标识 3 观察肢端血循环、记录 4 绷带各种缠绕操作正确8
终末质量标准20分止血、包扎、固定方法正确,选择用物符合要求,操
作熟练符合要求
6 标记及记录观察符合要求 4 了解患者心理状况并给予相应处理 4 患者卧位及处理符合要求,正确及时 4 操作过程中注意观察患者病情变化 2
合计100。