止血、包扎操作考核评分表
- 格式:doc
- 大小:116.50 KB
- 文档页数:2
创伤急救—包扎技术操作评分标准
项目技术操作要求分值扣分及原因实际
得分
准备质量标准20分评估环境是否安全,伤员复苏、止血是否有效等情况。
评估需要包扎伤口的部位及伤情,确定清创及包扎方
法,正确选择用物。
了解伤员心理状况。
8
护士:具有争分夺秒的急救意识,具备组织急救和指
导伤员自救、互救能力
2 物品:准备齐全,放置合理 2 环境:安全 4 体位:根据伤员受伤部位不同给予相应体位 4
操作流程质量标准60 分取适宜体位 4 根据伤情,选择用物合适要求(三角巾、绷带或就便
材料)
10 伤口处覆盖无菌敷料,必要时加盖容器方法正确。
8
三角巾或绷带包扎方法正确10 三角巾打结、绷带缠绕方法正确8 松解度适宜,三角巾打结处垫衬垫10 固定正确 5 检查及记录肢端血液循环 5
终末质量标准20分对伤员进行了复苏、止血是否有效等情况的评估 4 清创及使用包扎及处理方法正确,会使用就便材料 5 三角巾和绷带操作熟练、规范,动作轻重适宜 2 处理及时有效,注意观察伤情变化 2 观察及记录包扎肢端的血液循环情况 5 了解伤员心里状况并给予相应处理 2
合计100。
急诊门诊止血包扎固定操作考核(98分)感谢您能抽出宝贵时间来参加本次答题,现在我们就马上开始吧!1、姓名【填空题】________________________2、职称【填空题】________________________3、层级【填空题】________________________4、操作人员:仪表端庄,着装整洁、洗手、戴口罩。
2分【打分题】(请填1-2数字打分)1分为非常不符合,2分为非常符合, 您的评分是 ____分5、用物:绷带1卷、三角巾4条、无菌小敷料2块、垫1块、卡片1张、笔1支、手套1双。
3分【打分题】(请填1-2数字打分)1分为非常不符合,2分为非常符合, 您的评分是 ____分6、环顾四周评估环境安全,表明身份,解释沟通。
5分【打分题】(请填1-5数字打分)1分为非常不符合,5分为非常符合, 您的评分是 ____分7、检查并报告伤情(患者右前臂中断掌面有一8x10厘米大小软组织缺损创面,中央有喷射性出血,无骨折、异物)。
5分【打分题】(请填1-5数字打分)1分为非常不符合,5分为非常符合, 您的评分是 ____分8、抬高患肢两分钟(口头报告)。
5分【打分题】(请填1-2数字打分)1分为非常不符合,2分为非常符合, 您的评分是 ____分9、指导伤员指压止血正确。
5分【打分题】(请填1-2数字打分)1分为非常不符合,2分为非常符合, 您的评分是 ____分10、止血带部位正确,并垫衬垫,止血带压力均匀、适度,检查止血效果,填写标记卡,报告止血部位、时间。
15分【打分题】(请填1-5数字打分)1分为非常不符合,5分为非常符合, 您的评分是 ____分11、加压包扎止血以无菌原则取敷料,敷料选择合适,创面覆盖完整,扎绷带方法正确,加压均匀、适度,绷带卷无脱落,包扎平整美观。
10分【打分题】(请填1-5数字打分)1分为非常不符合,5分为非常符合, 您的评分是 ____分12、三角巾前臂悬吊正确,伤肢外露三拇指,打结处有纱布寸垫。
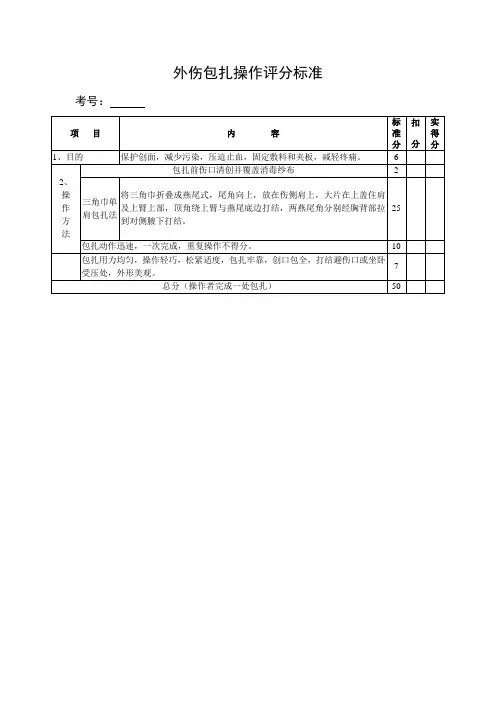
外伤包扎操作评分标准考号:外伤包扎一、目的保护创面,减少污染,压迫止血,固定敷料和夹板,减轻疼痛。
二、材料绷带、三角巾等三、操作方法1、伤口处理清洗去污,止血,缝合,无菌纱布覆盖伤口。
2、绷带包扎法包扎时左手拿绷带头,右手拿绷带卷,以绷带外面贴近局部,应由伤口低处向上,经常是由左向右,从下到上进行缠绕。
⑴环形包扎常用于手、腕、足、颈、额等处包扎。
将绷带作环形重叠缠绕,但第一圈的环绕应稍作斜状,第2~3圈作环形,并将第一圈斜出的一角压于环形圈内,最后用胶布将绷带尾部固定,也可将绷带尾部剪成两头并打结。
⑵螺旋形法常用于肢体和躯体包扎。
先将绷带按环形结缠绕数圈,随后上缠的每圈均盖住其前一圈的1/3或2/3。
⑶8字形法常用于关节部位先将绷带由下而上缠绕,再由上而下成“8”字形来回缠绕,每周在正面和前一周相交,并压盖前一周的1/2。
3、三角巾包扎法⑴头部普通包扎法选将三角巾底边折叠约两横指宽,把底边的中部放在前额,两底角接到头的后方相互交叉,打平结,再绕至前额打结。
⑵头部风帽式包扎法在三角巾顶角和底边中央各打一结,形成风帽。
把顶角结放在前额,底边结放在头部的后下方,包住头部,两底角往面部拉紧并折成3~4个横指宽后包绕下颌,交叉后拉至头部后方打结固定,或两底角直接在下颌处打结。
⑶胸部包扎法把三角巾底边横放在胸部创伤部位的下方,顶角越过伤侧肩的上方转到背部,使三角巾中央部盖伤侧的胸部。
左右底角在背部打结,顶角和左右底角打的结会合在一起并打结。
⑷背部包扎法与胸部包扎法基本相同,所不同在于三角巾的大部分放在患者的背部,而打结是在胸部。
⑸腹部包扎法把三角巾底边横放在腹部受伤部位的上方,顶角向下,两底角向后绕到腰部打结,顶角由两腿间拉向后与左右两底角打结。
⑹肩部包扎法用两条三角巾,将其中一条三角巾的中央部放在肩部,顶角朝向颈部,将底边折叠约2横指后横放在上臂的上部,两底角交叉,绕上臂后在上臂的外侧打结。
用另一条三角巾将患侧前臂悬吊于颈部。
齐鲁医药学院急救大赛标准标准系部: 班级: 姓名: 监考教师: 得分项目 题 目 操作要求及评分细则标准分 扣分 实得分 准备 (20分)左前臂中段掌面有一8×10cm 大小软组织缺损创面,广泛渗血,中央有喷射性出血。
(口述)戴手套(动作利索,没有扯破手套) 2 缺一句扣2分环顾四周评估环境安全并报告(环境安全) 2表明身份(我是120急救员,现在来为你急救) 2安慰患者(不要紧张,请配合)2 开口敷料2块(2分),方纱2块(2分),动脉止血带1根(2分),绷带1个(2分)三角巾4块(2分),纸片1、笔1(2分),弧形针1个(2分),在托盘上摆放整齐(2分) 20秒内完成准备物品完成8缺一种扣1 分 超时全扣检查并报告伤情 4少一句扣1分止血带止血法(30分)左手指压止血,抬高伤肢两分钟(口头报告)右手指导伤员指压止血正确上止血带部位垫衬垫(平整)上止血带部位正确(三角肌下缘)、止血带压力均匀、适度检查止血效果并报告(桡动脉搏动消失,伤口出血停止)填写标记卡,注明止血部位、时间(字迹清楚) 5 每错一项扣6分5555 5 加压包扎止血 (30分)选择敷料合适,无菌原则取敷料创面覆盖完整(超过伤口) 扎绷带方法正确,加压均匀、适度绷带卷无脱落包扎平整美观,不松跨,敷料无外露,前臂悬挂正确 6 每错一项扣6分6 666整体评(20 )操作熟练,动作规范,相互配合 动作不重复、不交叉无“跨头”操作,无物品掉落,不阻档评委视线整体操作在规定时间内完成(计时从评判长宣布比赛开始至操作完毕)。
体现爱护病人的意识,有体现关爱病人的动作4 每错一项扣6分4 44 4考核时间:年月日齐鲁医药学院急救大赛标准标准系部:班级:姓名:监考教师:得分项目题目操作要求及评分细则标准分扣分实得分准备(20分)头顶偏左有4.0cm头皮裂伤伤口,伤口中有金属异物刺入颅内,外露2厘米。
(口述)戴手套(动作利索,没有扯破手套) 2缺一句扣2分环顾四周评估环境安全并报告(环境安全) 2表明身份(我是120急救员,现在来为你急救) 2安慰患者(不要紧张,请配合) 2开口敷料2块(2分),方纱2块(2分),三角巾4块(2分),在托盘上摆放整齐(2分),20秒内完成准备物品完成8缺一种扣2分,超时全扣检查并报告伤情 4 少一句扣1分有异物存留伤口包扎(50分) 无菌原则取敷料、敷料放置正确、适度正确制作保护圈、圈高度足,中间孔大小合适放圈位置正确头部三角巾帽式包扎规范、松紧度适度不能包压眼睛和耳廓,不能压迫异物,在前额平结10每错一项扣6分10101010整体评价(30 )操作熟练,动作规范,相互配合动作不重复、不交叉无“跨头”操作,无物品掉落,不阻档评委视线整体操作在规定时间内完成(计时从评判长宣布比赛开始至操作完毕)。
德清县红十字会现场救护止血包扎操作考核评分表
单位: 姓名: 考核日期: 得分:
项目 内容 操作要求 标准分值 操作扣分
操作准
备5分
评估环境及报告环境安全 1
表明身份、抚慰患者 1
物品准备齐全 1
物品摆放有序 1
准备时间(20秒内) 1
指压及止血带止血 30分 右前臂中断掌面有一8x10大
小软组织缺损创面,广泛渗血,中央有喷射状出血 检查伤情 1 报告伤情完整 1 伤情报告清晰 1 左手指压止血正确 3 抬高伤肢 1 口述“抬高伤肢两分钟” 2 正确指导伤员 1 伤员指压止血位置准确 2 止血带衬垫宽度合适 1
止血带衬垫放置平整 2
上止血带部位正确(上1/3处) 3
止血带压力均匀、适度 3
检查止血效果 1
报告“前臂喷射状止血停止” 1
报告“桡动脉搏动消失” 1
填写标记卡 3
报告止血位置 1.5
报告止血时间 1.5
加压包
扎止血27分
敷料选择合适 3
无菌原则取敷料 2
创伤覆盖完全 3
螺旋形加压包扎 1
绷带头端反折 1
绷带尾端收在前臂外侧 1
初始环形包扎2圈 1
绷带间距适度均匀 2
加压适度 2
绷带卷无脱落 2
包扎平整美观 2
敷料无外露 2
前臂悬吊80-85度 1
打结于右锁骨上窝,平结 2
手指指头暴露适度 1
三角巾平整 1
项目 内容 操作要求 标准分值 操作扣分
有异物
存留伤
口包扎
26分
头顶偏右
有4.0cm头
皮裂伤,伤
口中有金
属异物刺
入颅内,外
露2.0cm
检查伤情 1
报告伤情完整 1
伤情报告清晰 1
敷料交叉放置 2
无菌观念 2
自制保护圈大小适度 1
自制保护圈紧固 1
自制保护圈美观 1
圈高度足够 2
放置位置正确 2
指导伤员协助 1
头部三角巾底边向内摺起 1
置于眉弓上方 1
前额中央打结 1
松紧适度 3
不包压耳廓(左、右各1分) 2
不压迫异物 2
平结 1
整体
质量 12分
精神面貌 2
动作紧张有序操作熟练规范 3
体现人文关怀、有爱伤意识 2
整体操作时间7分钟内完成得5
分,每超过一秒扣0.2分,5分扣
完为止
5
扣分合计
测评人
物品准备齐全:
开口敷料2,方纱2 ,动脉止血带1 ,绷带1 ,三角巾4 ,纸片1 ,笔1 ,弧形针1
(在托盘上摆放整齐 ,20秒内完成准备物品完成)