东芝电梯安全回路封线(330A)[1]
- 格式:doc
- 大小:58.50 KB
- 文档页数:3
东芝电梯老的最常见的几个型号分别是:CV150;CV160;CV180;CV190;CV300;CV320;CV330;CV330A。
其中:CV150;CV160;CV180;CV190为有齿轮曳引机。
CV300;CV320;CV330;CV330A为无齿轮永磁同步曳引机。
CV300为无机房,分为A、B、C三个型号。
东芝电梯的OBM操作方式:CV150;CV160;CV300;CV320:1、故障调阅:(还没有通俗易懂的话形容)2、故障清除:MODE按两下显示“0.0.”跳动按中间键到“0.E.”按STB键显示“E.1”按STB一下显示“0.E.”然后按STB接着显示“E.1”按中间键加到“E.2”按STB键显示“0.E.”按STB键显示“E.1”NUM键加到“E.3”按STB键显示“0.E.”MODE键就可以看到显示“CL”证明故障清除。
3、井道自学习方法:先将正常转换成检修。
MODE按两下显示“0.0.”跳动按中间键到“1.0”按STB键显示“E.2”按STB键一下显示“1.0”,在按中间键按到“0.E.”,按STB键显示“E.1”,在按中间键按到“E.C”按STB。
然后把检修转换成正常。
电梯向下,进行井道自学习。
CV180;CV190;CV330;CV330A:1、故障调阅:MODE键(也就是第一个键子)按两下显示“0.0.”此时显示的数字为闪烁的)。
按中间键NUM按到“0.8”此时8在闪烁)然后按STB确定键(也就是最后一个)一直按确定键什么时候显示“X.X.”两点都出现不在闪烁那个就是故障代码2、故障清除:MODE按两下显示“0.0.”跳动按中间键到“0.E.”按STB键显示“E.1”动按STB一下显示“0.E.”然后按STB接着显示“E.1”按中间键加到“E.2”按STB键显示“0.E.”按STB键显示“E.1”NUM键加到“E.3”按STB键显示“0.E.”MODE键就可以看到显示“CL”证明故障清除。
3X.主回路保护.30.检测出变频器发热异常.电梯停止后SMC跳闸.31.检测出Q7回路异常.SMC跳闸.32.检测出IPM异常.SMC跳闸.33.检测出BCU基板连接器脱落.SMC跳闸.34.MC不能接通.SMC跳闸.35.充电电压确立不足.SMC跳闸.36.MC异常断路.SMC跳闸.37.电动机不能控制.SMC跳闸.38.检测出马达过电流.SMC跳闸.39.检测出过电压异常.SMC跳闸.3A.正常运行方向改变时或点检运行停止时,接触器不能断开。
GB标准对应。
SMC跳闸.无法重新起动.3B.停止时主回路电流信号(MCC)无法断开.GB标准对应。
SMC跳闸.无法重新起动.3C.检测出LZN粘连异常.SMC跳闸.无法重新起动.3D.检测出LZN线异常断.3E.检测出SC粘连异常.SMC跳闸.无法重新起动.3F.检测出DCR匹配性异常.(XDC与DCRA反馈信号不一致)SMC跳闸.无法重新起动.4X.输出入信号异常.40.检测出着床限位开关的匹配性异常.SMC跳闸.41.检测出马达发热异常.电梯停止使用后,SMC跳闸.42.检测出运行门开放异常.SMC跳闸.43.检测出方向限制的限位开关异常.SMC跳闸.44.检测出制动器异常开放.SMC跳闸.不能重新启动.45.检测出制动器异常释放.SMC跳闸.46.检测出DT-DC匹配性异常.47.检测出XDC-DCR的匹配性异常.SMC跳闸.48.检测出DC-18DS的匹配性异常.SMC跳闸.49.UPLS或DNLS动作,但LSA,LSB,LSC关闭.检测出着床开关异常.SMC跳闸.4A.DCU150使用时,因DCU150重起三次,DCUEH故障或DCULSLERR仍未消除.SMC跳闸.4B.检测出1小时内出现3次门单元增量返回异常(故障65).SMC跳闸.(切断FDS时,不检测)(只适用与DCU150)4C.检测出RLR粘连异常.SMC跳闸.无法重新启动.4D.检测出RLR断线异常.SMC跳闸.无法重新启动.4E.非常电动运转时的安全回路断路继电器的溶着检测.SMC跳闸.无法重新启动.5X.脉冲关联异常.50.检测出LSA,LSB,LSC与轿厢位置脉冲的匹配性异常.SMC跳闸.51.启动时的脉冲补偿调整时,检测出脉冲偏差为200mm以上.SMC跳闸.52.在运行中脉冲在行进方向不前进.SMC跳闸.53.轿厢位置脉冲与限位开关(5LS,6LS)的整合性异常检测.SME跳闸.6X.串行传送异常.60.检测出SLS增量返回.61.用SLS试验传送检测出测量点ERROR.62.与COP100E的增量返回异常持续了2秒钟.63.HCU测量点故障持续了5秒钟.64.与COP100E的增量返回异常持续了2秒钟.电梯停止后,SMC跳闸.65.门机控制单元增量返回异常持续了2秒钟.(切断FDS时,不检测)(只适用与DCU150)7X.速度异常.70.检测出钢索打滑.SMC跳闸.无法重新启动.71.检测出启动异常.SMC跳闸.72.检测出着床异常.SMC跳闸.73.检测出终端层减速不能.SMC跳闸.74.低速控制时,检测出速度异常.SMC跳闸.75.卷扬机脱离.SMC跳闸.76.检测出终端层减速异常.SMC跳闸.77.直流过电流检出.78.磁极推算超出时间故障.79.电动机PG断线异常检测.7A.即便钢丝绳拉长动作持续10秒,仍没有到达平层位置,钢丝绳拉长动作结束.7B.Z脉冲相位补充改正.8X.重新启动异常.80.SM跳闸后,尽管经过了一定时间(NFLTDAT)也不能到达层水平面.由此根据SMSI,作为故障.81.SM跳闸后,即使试了三次重新启动,也无法到达层水平面.由此根据SMSI,作为故障.82.一小时以内发生了两次SM跳闸,由此根据SMSI,作为故障.83.SCC断开,CC断开或者XNVT断开的状态持续了25秒钟.84.WDT复始处理中断,使CPU停止.9X.其他.90.检测出检查综括数据异常,因此停止电梯后,使WDT跳闸.91.由于用PDSET,读入的脉冲值和在工厂内设定的脉冲值的差超过了公差范围,将PDSET结束.92.用PDSET确认了的楼层数与在工厂内设定的好了的楼层数不一致,因此将PDSET结束.93.在PDSET中,由于CC断开或者门开放了,因此将PDSET结束.94.用PDSET作成的数据向E2PROM的写入失败.95.由于18DS的接触不良,使得门反转动作进行了三次.96.由于DC的接触不良,使得门反转动作进行了三次.97.远程监控.<PIXTEL_MMI_EBOOK_2005>4。
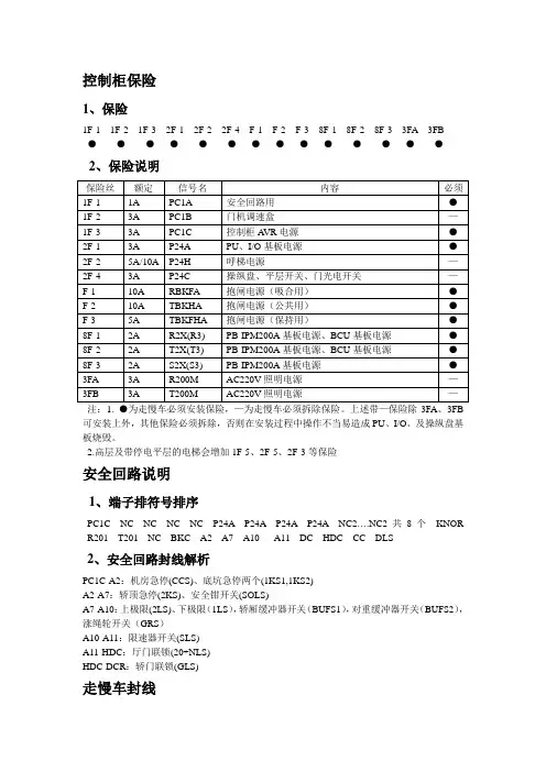
控制柜保险1、保险1F-1 1F-2 1F-3 2F-1 2F-2 2F-4 F-1 F-2 F-3 8F-1 8F-2 8F-3 3FA 3FB●●●●●●●●●●●●●●2、保险说明注:1. ●为走慢车必须安装保险,—为走慢车必须拆除保险。
上述带—保险除3FA、3FB 可安装上外,其他保险必须拆除,否则在安装过程中操作不当易造成PU、I/O、及操纵盘基板烧毁。
2.高层及带停电平层的电梯会增加1F-5、2F-5、2F-3等保险安全回路说明1、端子排符号排序PC1C NC NC NC NC P24A P24A P24A P24A NC2….NC2共8个KNOR R201 T201 NC BKC A2 A7 A10 A11 DC HDC CC DLS2、安全回路封线解析PC1C-A2:机房急停(CCS)、底坑急停两个(1KS1,1KS2)A2-A7:轿顶急停(2KS)、安全钳开关(SOLS)A7-A10:上极限(2LS)、下极限(1LS),轿厢缓冲器开关(BUFS1),对重缓冲器开关(BUFS2),涨绳轮开关(GRS)A10-A11:限速器开关(SLS)A11-HDC:厅门联锁(20+NLS)HDC-DCR:轿门联锁(GLS)走慢车封线1、试运行慢车:①机房打检修②PC1A与A11封③门联锁短封钥匙扳到封闭一侧④CNH1-1(DNLS)、CNH1-2(UPLS)、KNOR与E(地线)短封⑤正确接上码盘线BP5A\BN5A\\PNS\DNS\ZN S⑥接上抱闸线B1,B2⑦插上CNMB插子(抱闸微动开关)CNM12温控开关2、电机线及码盘线接法注:现场安装发现电梯反向的,将U和W调换一下,同时将PNS和DNS调换,方向即改过来了。
一般故障分析1、控制柜继电器排序RLR LZN LBKR SMR 1BKR 2BKR KNORR AMC1 AMC2■■■■■■■■■2、控制柜接触器排序(控制柜左下角)AMC1 AMC2 SC 1BK 1BKX 2BK3、读故障号●●●MOD NUM STB ●PRS①按动最左面〈MOD〉按钮两下,PU基板上显示O.O后面O闪烁②按中间〈NUM〉按钮8下,至显O.8③连续按最后面的〈STB〉按钮,第9下显示出来的数既是故障号④调出故障号后,按动右下角的〈PRS〉按钮一下就恢复原来状态了4、清除故障,解决一般死机状态①按动最左面〈MOD〉按钮两下,PU基板上显示O.O后面O闪烁②按中间〈NUM〉按钮,至显O.E③按右面〈STB〉一下显E1,按〈STB〉一下显OE④按右面〈STB〉一下显E1,按〈NUM〉一下显E2,按〈STB〉一下显OE⑤按右面〈STB〉一下显E1,按〈NUM〉两下显E3,按〈STB〉一下显OE⑥按〈MOD〉按钮一下,清除故障完毕5、故障编码表Ⅰ、故障代码30(STH)检查出暂存器发热异常,电梯停止后SMC跳闸。
3份文档编号:GIW26340Page:2/51文档编号:GIW26340Page:5/51文档编号:GIW26340Page:6/5131文档编号:GIW26340 Page: 7/51文档编号:GIW26340检修故障切离文档编号:GIW26340Page:9/51文档编号:GIW263404.4.3 CV330/CV330A/CV330G FLT2组立配线追加CV330G 机种,基准重新绘制 黄伟丽 11.05.11杨晓勤变更记事NO电线规格长度(mm)端末加工条数/台备 注① 1..25(Y,W)700YE5 - WFL 1② 1.25(Y,W)510FL - LM 1③ 1.25(Y,W)800YE5 - WFL 1观光梯追加,YE5侧加黑色胶圈④1.25(Y,W)310FL - LM1CNFU-9CNFU-8④①FIL2(FE-6Z)L’LN N’YW Y WFG E-TM-32S-42S-2②CNTB2-3CNTB2-428备线表4S-2-14S-2-3③观光梯时追加281文档编号:GIW26340Page:13/51文档编号:GIW26340 Page: 14/51文档编号:GIW26340Page:16/51文档编号:GIW26340 Page:17/51文档编号:GIW26340 Page:18/51文档编号:GIW26340Page:19/51文档编号:GIW26340 Page:20/51文档编号:GIW26340 Page:21/51文档编号:GIW26340Page: 22/51文档编号:GIW26340Page: 24/51危 险·底坑内作业时,将控制柜的检测开关设为『INS(检 测)』,轿厢内紧急停止开关设为『STOP(停止)』, 底坑内的安全开关设为『STOP(停止)』。
·轿顶带人运行时,请勿将身体超出轿顶防护栏。
·在轿顶作业时,应将控制柜的检测开关和轿顶检测开 关设为『INS(检测)』,将轿顶安全开关设为『STOP (停止)』。
东芝CV330A安装、维修资料CV330A安装、维修资料⼀、控制柜保险说明1、保险排序1F-1 1F-2 1F-3 2F-1 2F-2 2F-4 F-1 F-2 F-3 8F-1 8F-2 8F-3 3FA 3FB●●●●●●●●●●●●●●2、保险说明注:1. ●为⾛慢车必须安装保险,—为⾛慢车必须拆除保险。
上述带—保险除3FA、3FB 可安装上外,其他保险必须拆除,否则在安装过程中操作不当易造成PU、I/O、及操纵盘基板烧毁。
2.⾼层及带停电平层的电梯会增加1F-5、2F-5、2F-3等保险⼆、安全回路说明1、端⼦排符号排序PC1C NC NC NC NC P24A P24A P24A P24A NC2….NC2共8个KNOR R201 T201 NC BKC A2 A7 A10 A11 DC HDC CC DLS2、安全回路封线解析PC1C-A2:机房急停(CCS)、底坑急停两个(1KS1,1KS2)A2-A7:轿顶急停(2KS)、安全钳开关(SOLS)A7-A10:上极限(2LS)、下极限(1LS),轿厢缓冲器开关(BUFS1),对重缓冲器开关(BUFS2),涨绳轮开关(GRS)A10-A11:限速器开关(SLS)A11-HDC:厅门联锁(20+NLS)HDC-DC(R):轿门联锁(GLS)NC2C--DLS安全触板接线三、⾛慢车封线1、试运⾏慢车:①机房打检修②PC1A与A11封③门联锁短封钥匙扳到封闭⼀侧④CNH1-1(DNLS)、CNH1-2(UPLS)、KNOR与E(地线)短封⑤正确接上码盘线BP5A\BN5A\\PNS\DNS\ZN S⑥接上抱闸线B1,B2⑦插上CNMB插⼦(抱闸微动开关)CNM12温控开关2、电机线及码盘线接法注:现场安装发现电梯反向的,将U和W调换⼀下,同时将PNS和DNS调换,⽅向即改过来了。
四、⼟建布置图现场施⼯必须按⼟建布置图施⼯,⼟建布置图英⽂含义M/R机房,C/P操纵盘,C/W对重,H/W固定电缆,T.C随⾏电缆,GOV限速器,L.SW限位开关,I.SW平层开关,HIB呼梯,PMSM永磁同步电机五、机房PU基板显⽰说明E E故障记忆F d故障发⽣J S检修P A锁梯 A d司机Jd专⽤ F C⽕灾管制 E S消防■运⾏六、⼀般故障分析1、控制柜继电器排序SMR是故障检测继电器DCR是关门继电器CC是控制回路接触器RLR LZN LBKR SMR 1BKR 2BKR KNORR AMC1 AMC2■■■■■■■■■2、控制柜接触器排序AMC1主接触器AMC2预备充电接触器SC安全1BK强迫制动继电器1BKX制动继电器2BK制动继电器3、读故障号●●●MOD NUM STB ●PRS①按动最左⾯〈MOD〉按钮两下,PU基板上显⽰O.O后⾯O闪烁②按中间〈NUM〉按钮8下,⾄显O.8③连续按最后⾯的〈STB〉按钮,第9下显⽰出来的数既是故障号④调出故障号后,按动右下⾓的〈PRS〉按钮⼀下就恢复原来状态了4、清除故障,解决⼀般死机状态①按动最左⾯〈MOD〉按钮两下,PU基板上显⽰O.O后⾯O闪烁②按中间〈NUM〉按钮,⾄显O.E③按右⾯〈STB〉⼀下显E1,按〈STB〉⼀下显OE④按右⾯〈STB〉⼀下显E1,按〈NUM〉⼀下显E2,按〈STB〉⼀下显OE⑤按右⾯〈STB〉⼀下显E1,按〈NUM〉两下显E3,按〈STB〉⼀下显OE⑥按〈MOD〉按钮⼀下,清除故障完毕5、故障编码表Ⅰ、故障代码30(STH)检查出暂存器发热异常,电梯停⽌后SMC跳闸。
CV330A安装、维修资料一、控制柜保险说明1、保险排序1F-1 1F-2 1F-3 2F-1 2F-2 2F-4 F-1 F-2 F-3 8F-1 8F-2 8F-3 3FA 3FB●●●●●●●●●●●●●●2、保险说明注:1. ●为走慢车必须安装保险,—为走慢车必须拆除保险。
上述带—保险除3FA、3FB 可安装上外,其他保险必须拆除,否则在安装过程中操作不当易造成PU、I/O、及操纵盘基板烧毁。
2.高层及带停电平层的电梯会增加1F-5、2F-5、2F-3等保险二、安全回路说明1、端子排符号排序PC1C NC NC NC NC P24A P24A P24A P24A NC2….NC2共8个KNOR R201 T201 NC BKC A2 A7 A10 A11 DC HDC CC DLS2、安全回路封线解析PC1C-A2:机房急停(CCS)、底坑急停两个(1KS1,1KS2)A2-A7:轿顶急停(2KS)、安全钳开关(SOLS)A7-A10:上极限(2LS)、下极限(1LS),轿厢缓冲器开关(BUFS1),对重缓冲器开关(BUFS2),涨绳轮开关(GRS)A10-A11:限速器开关(SLS)A11-HDC:厅门联锁(20+NLS)HDC-DC(R):轿门联锁(GLS)NC2C--DLS安全触板接线三、走慢车封线1、试运行慢车:①机房打检修②PC1A与A11封③门联锁短封钥匙扳到封闭一侧④CNH1-1(DNLS)、CNH1-2(UPLS)、KNOR与E(地线)短封⑤正确接上码盘线BP5A\BN5A\\PNS\DNS\ZN S⑥接上抱闸线B1,B2⑦插上CNMB插子(抱闸微动开关)CNM12温控开关2、电机线及码盘线接法注:现场安装发现电梯反向的,将U和W调换一下,同时将PNS和DNS调换,方向即改过来了。
四、土建布置图现场施工必须按土建布置图施工,土建布置图英文含义M/R机房,C/P操纵盘,C/W对重,H/W固定电缆,T.C随行电缆,GOV限速器,L.SW限位开关,I.SW平层开关,HIB呼梯,PMSM永磁同步电机五、机房PU基板显示说明E E故障记忆F d故障发生J S检修P A锁梯 A d司机Jd专用 F C火灾管制 E S消防■运行六、一般故障分析1、控制柜继电器排序SMR是故障检测继电器DCR是关门继电器CC是控制回路接触器RLR LZN LBKR SMR 1BKR 2BKR KNORR AMC1 AMC2■■■■■■■■■2、控制柜接触器排序AMC1主接触器AMC2预备充电接触器SC安全1BK强迫制动继电器1BKX制动继电器2BK制动继电器3、读故障号●●●MOD NUM STB ●PRS①按动最左面〈MOD〉按钮两下,PU基板上显示O.O后面O闪烁②按中间〈NUM〉按钮8下,至显O.8③连续按最后面的〈STB〉按钮,第9下显示出来的数既是故障号④调出故障号后,按动右下角的〈PRS〉按钮一下就恢复原来状态了4、清除故障,解决一般死机状态①按动最左面〈MOD〉按钮两下,PU基板上显示O.O后面O闪烁②按中间〈NUM〉按钮,至显O.E③按右面〈STB〉一下显E1,按〈STB〉一下显OE④按右面〈STB〉一下显E1,按〈NUM〉一下显E2,按〈STB〉一下显OE⑤按右面〈STB〉一下显E1,按〈NUM〉两下显E3,按〈STB〉一下显OE⑥按〈MOD〉按钮一下,清除故障完毕5、故障编码表Ⅰ、故障代码30(STH)检查出暂存器发热异常,电梯停止后SMC跳闸。
3X.主回路保护.30.检测出变频器发热异常.电梯停止后SMC跳闸.31.检测出Q7回路异常.SMC跳闸.32.检测出IPM异常.SMC跳闸.33.检测出BCU基板连接器脱落.SMC跳闸.34.MC不能接通.SMC跳闸.35.充电电压确立不足.SMC跳闸.36.MC异常断路.SMC跳闸.37.电动机不能控制.SMC跳闸.38.检测出马达过电流.SMC跳闸.39.检测出过电压异常.SMC跳闸.3A.正常运行方向改变时或点检运行停止时,接触器不能断开。
GB标准对应。
SMC跳闸.无法重新起动.3B.停止时主回路电流信号(MCC)无法断开.GB标准对应。
SMC跳闸.无法重新起动.3C.检测出LZN粘连异常.SMC跳闸.无法重新起动.3D.检测出LZN线异常断.3E.检测出SC粘连异常.SMC跳闸.无法重新起动.3F.检测出DCR匹配性异常.(XDC与DCRA反馈信号不一致)SMC跳闸.无法重新起动.4X.输出入信号异常.40.检测出着床限位开关的匹配性异常.SMC跳闸.41.检测出马达发热异常.电梯停止使用后,SMC跳闸.42.检测出运行门开放异常.SMC跳闸.43.检测出方向限制的限位开关异常.SMC跳闸.44.检测出制动器异常开放.SMC跳闸.不能重新启动.45.检测出制动器异常释放.SMC跳闸.46.检测出DT-DC匹配性异常.47.检测出XDC-DCR的匹配性异常.SMC跳闸.48.检测出DC-18DS的匹配性异常.SMC跳闸.49.UPLS或DNLS动作,但LSA,LSB,LSC关闭.检测出着床开关异常.SMC跳闸.4A.DCU150使用时,因DCU150重起三次,DCUEH故障或DCULSLERR仍未消除.SMC跳闸.4B.检测出1小时内出现3次门单元增量返回异常(故障65).SMC跳闸.(切断FDS时,不检测)(只适用与DCU150)4C.检测出RLR粘连异常.SMC跳闸.无法重新启动.4D.检测出RLR断线异常.SMC跳闸.无法重新启动.4E.非常电动运转时的安全回路断路继电器的溶着检测.SMC跳闸.无法重新启动.5X.脉冲关联异常.50.检测出LSA,LSB,LSC与轿厢位置脉冲的匹配性异常.SMC跳闸.51.启动时的脉冲补偿调整时,检测出脉冲偏差为200mm以上.SMC跳闸.52.在运行中脉冲在行进方向不前进.SMC跳闸.53.轿厢位置脉冲与限位开关(5LS,6LS)的整合性异常检测.SME跳闸.6X.串行传送异常.60.检测出SLS增量返回.61.用SLS试验传送检测出测量点ERROR.62.与COP100E的增量返回异常持续了2秒钟.63.HCU测量点故障持续了5秒钟.64.与COP100E的增量返回异常持续了2秒钟.电梯停止后,SMC跳闸.65.门机控制单元增量返回异常持续了2秒钟.(切断FDS时,不检测)(只适用与DCU150)7X.速度异常.70.检测出钢索打滑.SMC跳闸.无法重新启动.71.检测出启动异常.SMC跳闸.72.检测出着床异常.SMC跳闸.73.检测出终端层减速不能.SMC跳闸.74.低速控制时,检测出速度异常.SMC跳闸.75.卷扬机脱离.SMC跳闸.76.检测出终端层减速异常.SMC跳闸.77.直流过电流检出.78.磁极推算超出时间故障.79.电动机PG断线异常检测.7A.即便钢丝绳拉长动作持续10秒,仍没有到达平层位置,钢丝绳拉长动作结束.7B.Z脉冲相位补充改正.8X.重新启动异常.80.SM跳闸后,尽管经过了一定时间(NFLTDAT)也不能到达层水平面.由此根据SMSI,作为故障.81.SM跳闸后,即使试了三次重新启动,也无法到达层水平面.由此根据SMSI,作为故障.82.一小时以内发生了两次SM跳闸,由此根据SMSI,作为故障.83.SCC断开,CC断开或者XNVT断开的状态持续了25秒钟.84.WDT复始处理中断,使CPU停止.9X.其他.90.检测出检查综括数据异常,因此停止电梯后,使WDT跳闸.91.由于用PDSET,读入的脉冲值和在工厂内设定的脉冲值的差超过了公差范围,将PDSET结束.92.用PDSET确认了的楼层数与在工厂内设定的好了的楼层数不一致,因此将PDSET结束.93.在PDSET中,由于CC断开或者门开放了,因此将PDSET结束.94.用PDSET作成的数据向E2PROM的写入失败.95.由于18DS的接触不良,使得门反转动作进行了三次.96.由于DC的接触不良,使得门反转动作进行了三次.97.远程监控.<PIXTEL_MMI_EBOOK_2005>4。
东芝CV330A安装、维修资料(安全回路、慢车、故障代码)一、控制柜保险说明1、保险排序1F-1 1F-2 1F-3 2F-1 2F-2 2F-4 F-1 F-2 F-3 8F-1 8F-2 8F-3 3FA 3FB●●●●●●●●●●●●●●2、保险说明注:1. ●为走慢车必须安装保险,—为走慢车必须拆除保险。
上述带—保险除3FA、3FB可安装上外,其他保险必须拆除,否则在安装过程中操作不当易造成PU、I/O、及操纵盘基板烧毁。
2.高层及带停电平层的电梯会增加1F-5、2F-5、2F-3等保险二、安全回路说明1、端子排符号排序PC1C NC NC NC NC P24A P24A P24A P24A NC2….NC2共8个 KNOR R201 T201 NC BKC A2 A7 A10 A11 DC HDC CC DLS2、安全回路封线解析PC1C-A2:机房急停(CCS)、底坑急停两个(1KS1,1KS2)A2-A7:轿顶急停(2KS)、安全钳开关(SOLS)A7-A10:上极限(2LS)、下极限(1LS),轿厢缓冲器开关(BUFS1),对重缓冲器开关(BUFS2),涨绳轮开关(GRS)A10-A11:限速器开关(SLS)A11-HDC:厅门联锁(20+NLS)HDC-DCR:轿门联锁(GLS)三、走慢车封线1、试运行慢车:①机房打检修②PC1A与A11封③门联锁短封钥匙扳到封闭一侧④CNH1-1(DNLS)、CNH1-2(UPLS)、KNOR与E(地线)短封⑤正确接上码盘线BP5A\BN5A\\PNS\DNS\ZNS⑥接上抱闸线B1,B2⑦插上CNMB插子(抱闸微动开关)CNM12温控开关2、电机线及码盘线接法注:现场安装发现电梯反向的,将U和W调换一下,同时将PNS 和DNS调换,方向即改过来了。
四、土建布置图现场施工必须按土建布置图施工,土建布置图英文含义M/R机房,C/P操纵盘,C/W对重,H/W固定电缆,T.C随行电缆,GOV限速器,L.SW限位开关,I.SW平层开关,HIB呼梯,PMSM永磁同步电机五、机房PU基板显示说明E E故障记忆F d故障发生 J S检修 P A锁梯 A d司机 J d专用 F C火灾管制 E S消防■运行六、一般故障分析1、控制柜继电器排序RLR LZN LBKR SMR 1BKR 2BKR KNORR AMC1 AM C2■■■■■■■■■2、控制柜接触器排序(控制柜左下角)AMC1 AMC2 SC 1BK 1BKX 2BK3、读故障号●●●MOD NUM STB ● PRS①按动最左面〈MOD〉按钮两下,PU基板上显示O.O后面O闪烁②按中间〈NUM〉按钮8下,至显O.8③连续按最后面的〈STB〉按钮,第9下显示出来的数既是故障号④调出故障号后,按动右下角的〈PRS〉按钮一下就恢复原来状态了4、清除故障,解决一般死机状态①按动最左面〈MOD〉按钮两下,PU基板上显示O.O后面O闪烁②按中间〈NUM〉按钮,至显O.E③按右面〈STB〉一下显E1,按〈STB〉一下显OE④按右面〈STB〉一下显E1,按〈NUM〉一下显E2,按〈STB〉一下显OE⑤按右面〈STB〉一下显E1,按〈NUM〉两下显E3,按〈STB〉一下显OE⑥按〈MOD〉按钮一下,清除故障完毕5、故障编码表Ⅰ、故障代码30(STH)检查出暂存器发热异常,电梯停止后SMC跳闸。
控制柜保险1、保险1F-1 1F-2 1F-3 2F-1 2F-2 2F-4 F-1 F-2 F-3 8F-1 8F-2 8F-3 3FA 3FB●●●●●●●●●●●●●●2、保险说明注:1. ●为走慢车必须安装保险,—为走慢车必须拆除保险。
上述带—保险除3FA、3FB可安装上外,其他保险必须拆除,否则在安装过程中操作不当易造成PU、I/O、及操纵盘基板烧毁。
2.高层及带停电平层的电梯会增加1F-5、2F-5、2F-3等保险安全回路说明1、端子排符号排序PC1C NC NC NC NC P24A P24A P24A P24A NC2….NC2共8个 KNOR R201 T201 NC BKC A2 A7 A10 A11 DC HDC CC DLS2、安全回路封线解析PC1C-A2:机房急停(CCS)、底坑急停两个(1KS1,1KS2)A2-A7:轿顶急停(2KS)、安全钳开关(SOLS)A7-A10:上极限(2LS)、下极限(1LS),轿厢缓冲器开关(BUFS1),对重缓冲器开关(BUFS2),涨绳轮开关(GRS)A10-A11:限速器开关(SLS)A11-HDC:厅门联锁(20+NLS)HDC-DCR:轿门联锁(GLS)走慢车封线1、试运行慢车:①机房打检修②PC1A与A11封③门联锁短封钥匙扳到封闭一侧④CNH1-1(DNLS)、CNH1-2(UPLS)、KNOR与E (地线)短封⑤正确接上码盘线BP5A\BN5A\\PNS\DNS\ZNS⑥接上抱闸线B1,B2⑦插上CNMB插子(抱闸微动开关)CNM12温控开关2、电机线及码盘线接法注:现场安装发现电梯反向的,将U和W调换一下,同时将PNS和DNS调换,方向即改过来了。
一般故障分析1、控制柜继电器排序RLR LZN LBKR SMR 1BKR 2BKR KNORR AMC1 AMC2■■■■■■■■■2、控制柜接触器排序(控制柜左下角)AMC1 AMC2 SC 1BK 1BKX 2BK3、读故障号●●●MOD NUM STB ● PRS①按动最左面〈MOD〉按钮两下,PU基板上显示O.O后面O闪烁②按中间〈NUM〉按钮8下,至显O.8③连续按最后面的〈STB〉按钮,第9下显示出来的数既是故障号④调出故障号后,按动右下角的〈PRS〉按钮一下就恢复原来状态了4、清除故障,解决一般死机状态①按动最左面〈MOD〉按钮两下,PU基板上显示O.O后面O闪烁②按中间〈NUM〉按钮,至显O.E③按右面〈STB〉一下显E1,按〈STB〉一下显OE④按右面〈STB〉一下显E1,按〈NUM〉一下显E2,按〈STB〉一下显OE⑤按右面〈STB〉一下显E1,按〈NUM〉两下显E3,按〈STB〉一下显OE⑥按〈MOD〉按钮一下,清除故障完毕5、故障编码表Ⅰ、故障代码30(STH)检查出暂存器发热异常,电梯停止后SMC跳闸。
CV330A、335维修资料一、控制柜保险说明1、保险排序1F-1 1F-2 1F-3 2F-1 2F-2 2F-4 F-1 F-2 F-3 8F-1 8F-2 8F-3 3FA 3FB●●●●●●●●●●●●●●2、保险说明注:1. ●为走慢车必须安装保险,—为走慢车必须拆除保险。
上述带—保险除3FA、3FB可安装上外,其他保险必须拆除,否则在安装过程中操作不当易造成PU、I/O、及操纵盘基板烧毁。
2.高层及带停电平层的电梯会增加1F-5、2F-5、2F-3等保险二、安全回路说明1、端子排符号排序PC1C NC NC NC NC P24A P24A P24A P24A NC2….NC2共8个KNOR R201 T201 NC BKC A2 A7 A10 A11 DC HDC CC DLS2、安全回路封线解析PC1C-A2:机房急停(CCS)、底坑急停两个(1KS1,1KS2)A2-A7:轿顶急停(2KS)、安全钳开关(SOLS)A7-A10:上极限(2LS)、下极限(1LS),轿厢缓冲器开关(BUFS1),对重缓冲器开关(BUFS2),涨绳轮开关(GRS)A10-A11:限速器开关(SLS)A11-HDC:厅门联锁(20+NLS)HDC-DC(R):轿门联锁(GLS)NC2C--DLS安全触板接线三、走慢车封线1、试运行慢车:①机房打检修②PC1A与A11封③门联锁短封钥匙扳到封闭一侧④CNH1-1(DNLS)、CNH1-2(UPLS)、KNOR与E(地线)短封⑤正确接上码盘线BP5A\BN5A\\PNS\DNS\ZN S⑥接上抱闸线B1,B2⑦插上CNMB插子(抱闸微动开关)CNM12温控开关2、电机线及码盘线接法注:现场安装发现电梯反向的,将U和W调换一下,同时将PNS和DNS调换,方向即改过来了。
四、土建布置图现场施工必须按土建布置图施工,土建布置图英文含义M/R机房,C/P操纵盘,C/W对重,H/W固定电缆,T.C随行电缆,GOV限速器,L.SW限位开关,I.SW平层开关,HIB呼梯,PMSM永磁同步电机五、机房PU基板显示说明E E故障记忆F d故障发生J S检修P A锁梯 A d司机Jd专用 F C火灾管制 E S消防■运行六、一般故障分析1、控制柜继电器排序SMR是故障检测继电器DCR是关门继电器CC是控制回路接触器RLR LZN LBKR SMR 1BKR 2BKR KNORR AMC1 AMC2■■■■■■■■■2、控制柜接触器排序AMC1主接触器AMC2预备充电接触器SC安全1BK强迫制动继电器1BKX制动继电器2BK制动继电器3、读故障号●●●MOD NUM STB ●PRS①按动最左面〈MOD〉按钮两下,PU基板上显示O.O后面O闪烁②按中间〈NUM〉按钮8下,至显O.8③连续按最后面的〈STB〉按钮,第9下显示出来的数既是故障号④调出故障号后,按动右下角的〈PRS〉按钮一下就恢复原来状态了4、清除故障,解决一般死机状态①按动最左面〈MOD〉按钮两下,PU基板上显示O.O后面O闪烁②按中间〈NUM〉按钮,至显O.E③按右面〈STB〉一下显E1,按〈STB〉一下显OE④按右面〈STB〉一下显E1,按〈NUM〉一下显E2,按〈STB〉一下显OE⑤按右面〈STB〉一下显E1,按〈NUM〉两下显E3,按〈STB〉一下显OE⑥按〈MOD〉按钮一下,清除故障完毕5、故障编码表Ⅰ、故障代码30(STH)检查出暂存器发热异常,电梯停止后SMC跳闸。
东芝电梯老的最常见的几个型号分别是:CV150;CV160;CV180;CV190;CV300;CV320;CV330;CV330A 。
其中:CV150;CV160;CV180;CV190 为有齿轮曳引机。
CV300;CV320;CV330;CV330A 为无齿轮永磁同步曳引机。
CV300 为无机房,分为A、B、C 三个型号。
东芝电梯的OBM 操作方式:CV150;CV160;CV300;CV320 :1、故障调阅:(还没有通俗易懂的话形容)2、故障清除:MODE按两下显示“ 0.0. ”跳动按中间键到“ 0.E. ”按STB键显示“E.1”按STB一下显示“0.E. ”然后按STB接着显示“E.1 ”按中间键加到“E.2” 按STB键显示“0.E. ”按STB键显示“E.1”NUM键加到“E.3”按STB键显示“ 0.E. ” MODE键就可以看到显示“ CL”证明故障清除。
3、井道自学习方法:先将正常转换成检修。
MODE按两下显示“ 0.0. ”跳动按中间键到“ 1.0 ”按STB键显示“ E.2”按STB键一下显示“ 1.0 ”,在按中间键按到“0.E. ”,按STB键显示“ E.1”,在按中间键按到“ E.C”按STB。
然后把检修转换成正常。
电梯向下,进行井道自学习。
CV180;CV190;CV330;CV330A :1、故障调阅:MODE键(也就是第一个键子)按两下显示“ 0.0. ” 此时显示的数字为闪烁的)。
按中间键NUM按到“ 0.8 ” 此时8在闪烁)然后按STB确定键(也就是最后一个)一直按确定键什么时候显示“ X.X. ”两点都出现不在闪烁那个就是故障代码2、故障清除:MODE按两下显示“ 0.0. ”跳动按中间键到“ 0.E. ”按STB键显示“E.1”动按STB一下显示“0.E. ”然后按STB接着显示“E.1 ”按中间键加到“E.2” 按STB键显示“0.E. ”按STB键显示“E.1”NUM键加到“E.3”按STB键显示“ 0.E. ” MODE键就可以看到显示“ CL”证明故障清除。
CV330A紧急运转操作说明奥的斯,法国20002C1-2{可以短接安全窗(EEC1-3);TES轿顶急停(INS1-9);安全钳开关SOS(1-3);UDLS轿顶极限开关LSW (4-5)}。
2C4-5可以短接轿门触点。
2H2-4 地坑所有开关。
2H2-5 地坑缓冲器。
2H1-4 门连锁。
3M1-2 限速器开关。
奥的斯,OTIS3200安全回路空开是CF41C01-02 限速器开关。
1C02-03 地坑缓冲器极限开关张紧轮1C05-06 轿顶安全窗安全钳。
1C06-08 急停(轿顶,轿厢,地坑)。
1C08-09 轿门触点。
1C09-10 厅门连锁。
奥的斯,OTIS 30002C1-2 轿顶急停,安全窗,安全钳。
2C7-10 轿厢急停2C4-5 轿门触点2H1-6 厅门连锁2H2-4 地坑缓冲器极限开关张紧轮。
8H1-3 上、下极限3M1-3 限速器开关4M8-9 机房急停空开3C门机电源插件1H外乎线奥的斯,OTIS封线奥的斯,TECE-300VF(2000VF,XO-21VF,SPEC-90VF) 端子号安全开关名称电压M1-1~M1-2 限速器(OS) 110V AC 1C2~1C3 上极限(8LS.下极限(7LS)110VAC 1C5~1C6 安全窗(EEC).安全钳(SOS) 110V AC 1C7-1C8 轿顶急停(TES) 110V AC 1C8~H1-9 1C10~1C19 底坑急停(PES) 110VAC 1C8~1C9 轿门锁(GS) 110V AC 1C9~1C10 厅门锁(DS) 110V AC 1C11~1C12 上限位(5LS).下限位(5LS) 0V AC奥的斯,TECE-3100VF端子号4M8~4M9 机房急停(MES) 110V AC 2C1~2C2 轿顶急停(TES).安全窗(EEC).安全钳(SOS) 110V AC 3M1~3M3 限速器(OS)110V AC 8H1~8H3 上极限(8LS).下极限(7LS) 110V AC 2H2~2H4 断带(BTS).涨绳轮(GTC).缓冲器(BTF).底坑急停(PES) 110V AC 2C7~2C10 轿厢急停(ES) 110V AC 2C10~2C4 厅门锁(DS) 110V AC 2C4~2C5 轿门锁(GS) 110V AC 7C7~7C8 上限位(1LS)?下限位(2LS) 30VDC奥的斯,TECE-4OVF【长阳路。
东芝电梯老的最常见的几个型号分别是:CV150;CV160;CV180;CV190;CV300;CV320;CV330;CV330A 。
其中:CV150;CV160;CV180;CV190 为有齿轮曳引机。
CV300;CV320;CV330;CV330A 为无齿轮永磁同步曳引机。
CV300 为无机房,分为A、B、C 三个型号。
东芝电梯的OBM 操作方式:CV150;CV160;CV300;CV320 :1、故障调阅:(还没有通俗易懂的话形容)2、故障清除:MODE按两下显示“ 0.0. ”跳动按中间键到“ 0.E. ”按STB键显示“E.1”按STB一下显示“0.E. ”然后按STB接着显示“E.1 ”按中间键加到“E.2” 按STB键显示“0.E. ”按STB键显示“E.1”NUM键加到“E.3”按STB键显示“ 0.E. ” MODE键就可以看到显示“ CL”证明故障清除。
3、井道自学习方法:先将正常转换成检修。
MODE按两下显示“ 0.0. ”跳动按中间键到“ 1.0 ”按STB键显示“ E.2”按STB键一下显示“ 1.0 ”,在按中间键按到“0.E. ”,按STB键显示“ E.1”,在按中间键按到“ E.C”按STB。
然后把检修转换成正常。
电梯向下,进行井道自学习。
CV180;CV190;CV330;CV330A :1、故障调阅:MODE键(也就是第一个键子)按两下显示“ 0.0. ” 此时显示的数字为闪烁的)。
按中间键NUM按到“ 0.8 ” 此时8在闪烁)然后按STB确定键(也就是最后一个)一直按确定键什么时候显示“ X.X. ”两点都出现不在闪烁那个就是故障代码2、故障清除:MODE按两下显示“ 0.0. ”跳动按中间键到“ 0.E. ”按STB键显示“E.1”动按STB一下显示“0.E. ”然后按STB接着显示“E.1 ”按中间键加到“E.2” 按STB键显示“0.E. ”按STB键显示“E.1”NUM键加到“E.3”按STB键显示“ 0.E. ” MODE键就可以看到显示“ CL”证明故障清除。
CV330A紧急运转操作说明奥的斯,法国20002C1-2{可以短接安全窗(EEC1-3);TES轿顶急停(INS1-9);安全钳开关SOS(1-3);UDLS轿顶极限开关LSW (4-5)}。
2C4-5可以短接轿门触点。
2H2-4 地坑所有开关。
2H2-5 地坑缓冲器。
2H1-4 门连锁。
3M1-2 限速器开关。
奥的斯,OTIS3200安全回路空开是CF41C01-02 限速器开关。
1C02-03 地坑缓冲器极限开关张紧轮1C05-06 轿顶安全窗安全钳。
1C06-08 急停(轿顶,轿厢,地坑)。
1C08-09 轿门触点。
1C09-10 厅门连锁。
奥的斯,OTIS 30002C1-2 轿顶急停,安全窗,安全钳。
2C7-10 轿厢急停2C4-5 轿门触点2H1-6 厅门连锁2H2-4 地坑缓冲器极限开关张紧轮。
8H1-3 上、下极限3M1-3 限速器开关4M8-9 机房急停空开3C门机电源插件1H外乎线奥的斯,OTIS封线奥的斯,TECE-300VF(2000VF,XO-21VF,SPEC-90VF) 端子号安全开关名称电压M1-1~M1-2 限速器(OS) 110V AC 1C2~1C3 上极限(8LS.下极限(7LS)110VAC 1C5~1C6 安全窗(EEC).安全钳(SOS) 110V AC 1C7-1C8 轿顶急停(TES) 110V AC 1C8~H1-9 1C10~1C19 底坑急停(PES) 110VAC 1C8~1C9 轿门锁(GS) 110V AC 1C9~1C10 厅门锁(DS) 110V AC 1C11~1C12 上限位(5LS).下限位(5LS) 0V AC奥的斯,TECE-3100VF端子号4M8~4M9 机房急停(MES) 110V AC 2C1~2C2 轿顶急停(TES).安全窗(EEC).安全钳(SOS) 110V AC 3M1~3M3 限速器(OS)110V AC 8H1~8H3 上极限(8LS).下极限(7LS) 110V AC 2H2~2H4 断带(BTS).涨绳轮(GTC).缓冲器(BTF).底坑急停(PES) 110V AC 2C7~2C10 轿厢急停(ES) 110V AC 2C10~2C4 厅门锁(DS) 110V AC 2C4~2C5 轿门锁(GS) 110V AC 7C7~7C8 上限位(1LS)?下限位(2LS) 30VDC奥的斯,TECE-4OVF【长阳路。
东芝电梯安全回路封线(330A)CV330A紧急运转操作说明紧急电动运行:封闭的安全开关:安全钳、上下极限、缓冲器、限速器。
操作方法:将紧急运行开关置紧急电动运行状态,所有检修开关置正常状态。
门联锁短接:短接所有厅门和轿门,短接后电梯将不能以正常状态运行。
操作方法:将CNDC插件插上,将控制柜检修开关置检修状态,将短接钥匙开关置短接状态。
安全电路符号说明:安全部件名称安装部位代号符号备注控制柜急停机房控制柜操作盘 CCS底坑急停1 底坑检修盒1KS1底坑急停2 底坑检修盒1KS2轿顶安全开关轿顶检修盒2KS安全钳拉杆开关轿底安全钳连杆SOLS上极限开关井道开关最上方2LS下极限开关井道开关最下方1LS缓冲器开关底坑缓冲器BUFS1 液压型适用缓冲器开关底坑缓冲器BUFS2 液压型适用限速器涨紧轮开关底坑限速器涨轮GRS限速器涨紧轮开关底坑限速器涨轮WGRS 对重有限速器适用安全门出口开关井道安全门EDS 井道有安全门适用限速器开关机房限速器SLS1 对重有限速器适用限速器开关机房限速器SLS盘车手轮开关机房电动机轴端RHS厅门联锁各层厅门LS轿门联锁轿厢轿门GLS上限位井道上部开关架上 4LS 限位下限位井道下部开关架上 3LS 限位安全回路封线:短接封闭部位和端子号短接封闭范围PC1A-- ---A11 全部安全回路PC1A --- ----A2 CCS、1KS1、1KS2机房,地坑A2 ----- -----A7 2KS、SOLS轿顶A7 ----- ----A10 2LS、1LS、BUFS、GRS、WGRS、EDS极限A10 ----- --A11 SLS、SLS、RHS限速器A11–--HDC 厅门联锁HDC--- ----DC 轿门联锁NC2----------CNH1-1 下限位NC2----------CNH1-2 上限位危险!1.非取得作业资格人员禁止操作!由于操作不当可能发生以外甚至人身伤亡!2.封线在试验或检查维修完毕后一定要拆除!3.无论在任何情况请不要在安全开关、门联锁失效的情况下投入运行。
CV330A紧急运转操作说明
1.非取得作业资格人员禁止操作!由于操作不当可能发生以外甚至人身伤亡!
2.封线在试验或检查维修完毕后一定要拆除!
3.无论在任何情况请不要在安全开关、门联锁失效的情况下投入运行。
当电梯处于停止状态,所有信号不能登记,快车慢车均无法运行,首先怀疑是安全回路故障。
应该到机房控制屏观察安全继电器的状态。
如果安全继电器处于释放状态,则应判断为安全回路故障。
故障可能原因:
1. 输入电源的相序错或有缺相引起相序继电器动作。
2. 电梯长时间处于超负载运行或堵转,引起热继电器动作。
3. 可能限速器超速引起限速器开关动作。
4. 电梯冲顶或沉底引起极限开关动作。
5. 地坑断绳开关动作。
可能是限速器绳跳出或超长。
6. 安全钳动作。
应查明原因。
可能是限速器超速动作、限速器失油误动作、地坑绳轮失油、地坑绳轮有异物(如老鼠等)卷入、安全契块间隙太小等。
7. 安全窗被人顶起,引起安全窗开关动作。
8. 可能有的急停开关被人按下。
9. 如果各开关都正常,应检查其触点接触是否良好,接线是否有松动等。
另外,目前较多电梯虽然安全回路正常,安全继电器也吸合,但通常在安全继电器上取一付常。