东芝电梯安全回路封线(330A)仅供参考
- 格式:doc
- 大小:179.50 KB
- 文档页数:3
3X.主回路保护.30.检测出变频器发热异常.电梯停止后SMC跳闸.31.检测出Q7回路异常.SMC跳闸.32.检测出IPM异常.SMC跳闸.33.检测出BCU基板连接器脱落.SMC跳闸.34.MC不能接通.SMC跳闸.35.充电电压确立不足.SMC跳闸.36.MC异常断路.SMC跳闸.37.电动机不能控制.SMC跳闸.38.检测出马达过电流.SMC跳闸.39.检测出过电压异常.SMC跳闸.3A.正常运行方向改变时或点检运行停止时,接触器不能断开。
GB标准对应。
SMC跳闸.无法重新起动.3B.停止时主回路电流信号(MCC)无法断开.GB标准对应。
SMC跳闸.无法重新起动.3C.检测出LZN粘连异常.SMC跳闸.无法重新起动.3D.检测出LZN线异常断.3E.检测出SC粘连异常.SMC跳闸.无法重新起动.3F.检测出DCR匹配性异常.(XDC与DCRA反馈信号不一致)SMC跳闸.无法重新起动.4X.输出入信号异常.40.检测出着床限位开关的匹配性异常.SMC跳闸.41.检测出马达发热异常.电梯停止使用后,SMC跳闸.42.检测出运行门开放异常.SMC跳闸.43.检测出方向限制的限位开关异常.SMC跳闸.44.检测出制动器异常开放.SMC跳闸.不能重新启动.45.检测出制动器异常释放.SMC跳闸.46.检测出DT-DC匹配性异常.47.检测出XDC-DCR的匹配性异常.SMC跳闸.48.检测出DC-18DS的匹配性异常.SMC跳闸.49.UPLS或DNLS动作,但LSA,LSB,LSC关闭.检测出着床开关异常.SMC跳闸.4A.DCU150使用时,因DCU150重起三次,DCUEH故障或DCULSLERR仍未消除.SMC跳闸.4B.检测出1小时内出现3次门单元增量返回异常(故障65).SMC跳闸.(切断FDS时,不检测)(只适用与DCU150)4C.检测出RLR粘连异常.SMC跳闸.无法重新启动.4D.检测出RLR断线异常.SMC跳闸.无法重新启动.4E.非常电动运转时的安全回路断路继电器的溶着检测.SMC跳闸.无法重新启动.5X.脉冲关联异常.50.检测出LSA,LSB,LSC与轿厢位置脉冲的匹配性异常.SMC跳闸.51.启动时的脉冲补偿调整时,检测出脉冲偏差为200mm以上.SMC跳闸.52.在运行中脉冲在行进方向不前进.SMC跳闸.53.轿厢位置脉冲与限位开关(5LS,6LS)的整合性异常检测.SME跳闸.6X.串行传送异常.60.检测出SLS增量返回.61.用SLS试验传送检测出测量点ERROR.62.与COP100E的增量返回异常持续了2秒钟.63.HCU测量点故障持续了5秒钟.64.与COP100E的增量返回异常持续了2秒钟.电梯停止后,SMC跳闸.65.门机控制单元增量返回异常持续了2秒钟.(切断FDS时,不检测)(只适用与DCU150)7X.速度异常.70.检测出钢索打滑.SMC跳闸.无法重新启动.71.检测出启动异常.SMC跳闸.72.检测出着床异常.SMC跳闸.73.检测出终端层减速不能.SMC跳闸.74.低速控制时,检测出速度异常.SMC跳闸.75.卷扬机脱离.SMC跳闸.76.检测出终端层减速异常.SMC跳闸.77.直流过电流检出.78.磁极推算超出时间故障.79.电动机PG断线异常检测.7A.即便钢丝绳拉长动作持续10秒,仍没有到达平层位置,钢丝绳拉长动作结束.7B.Z脉冲相位补充改正.8X.重新启动异常.80.SM跳闸后,尽管经过了一定时间(NFLTDAT)也不能到达层水平面.由此根据SMSI,作为故障.81.SM跳闸后,即使试了三次重新启动,也无法到达层水平面.由此根据SMSI,作为故障.82.一小时以内发生了两次SM跳闸,由此根据SMSI,作为故障.83.SCC断开,CC断开或者XNVT断开的状态持续了25秒钟.84.WDT复始处理中断,使CPU停止.9X.其他.90.检测出检查综括数据异常,因此停止电梯后,使WDT跳闸.91.由于用PDSET,读入的脉冲值和在工厂内设定的脉冲值的差超过了公差范围,将PDSET结束.92.用PDSET确认了的楼层数与在工厂内设定的好了的楼层数不一致,因此将PDSET结束.93.在PDSET中,由于CC断开或者门开放了,因此将PDSET结束.94.用PDSET作成的数据向E2PROM的写入失败.95.由于18DS的接触不良,使得门反转动作进行了三次.96.由于DC的接触不良,使得门反转动作进行了三次.97.远程监控.<PIXTEL_MMI_EBOOK_2005>4。
3X.主回路保护.30.检测出变频器发热异常.电梯停止后SMC跳闸.31.检测出Q7回路异常.SMC跳闸.32.检测出IPM异常.SMC跳闸.33.检测出BCU基板连接器脱落.SMC跳闸.34.MC不能接通.SMC跳闸.35.充电电压确立不足.SMC跳闸.36.MC异常断路.SMC跳闸.37.电动机不能控制.SMC跳闸.38.检测出马达过电流.SMC跳闸.39.检测出过电压异常.SMC跳闸.3A.正常运行方向改变时或点检运行停止时,接触器不能断开。
GB标准对应。
SMC跳闸.无法重新起动.3B.停止时主回路电流信号(MCC)无法断开.GB标准对应。
SMC跳闸.无法重新起动.3C.检测出LZN粘连异常.SMC跳闸.无法重新起动.3D.检测出LZN线异常断.3E.检测出SC粘连异常.SMC跳闸.无法重新起动.3F.检测出DCR匹配性异常.(XDC与DCRA反馈信号不一致)SMC跳闸.无法重新起动.4X.输出入信号异常.40.检测出着床限位开关的匹配性异常.SMC跳闸.41.检测出马达发热异常.电梯停止使用后,SMC跳闸.42.检测出运行门开放异常.SMC跳闸.43.检测出方向限制的限位开关异常.SMC跳闸.44.检测出制动器异常开放.SMC跳闸.不能重新启动.45.检测出制动器异常释放.SMC跳闸.46.检测出DT-DC匹配性异常.47.检测出XDC-DCR的匹配性异常.SMC跳闸.48.检测出DC-18DS的匹配性异常.SMC跳闸.49.UPLS或DNLS动作,但LSA,LSB,LSC关闭.检测出着床开关异常.SMC跳闸.4A.DCU150使用时,因DCU150重起三次,DCUEH故障或DCULSLERR仍未消除.SMC跳闸.4B.检测出1小时内出现3次门单元增量返回异常(故障65).SMC跳闸.(切断FDS时,不检测)(只适用与DCU150)4C.检测出RLR粘连异常.SMC跳闸.无法重新启动.4D.检测出RLR断线异常.SMC跳闸.无法重新启动.4E.非常电动运转时的安全回路断路继电器的溶着检测.SMC跳闸.无法重新启动.5X.脉冲关联异常.50.检测出LSA,LSB,LSC与轿厢位置脉冲的匹配性异常.SMC跳闸.51.启动时的脉冲补偿调整时,检测出脉冲偏差为200mm以上.SMC跳闸.52.在运行中脉冲在行进方向不前进.SMC跳闸.53.轿厢位置脉冲与限位开关(5LS,6LS)的整合性异常检测.SME跳闸.6X.串行传送异常.60.检测出SLS增量返回.61.用SLS试验传送检测出测量点ERROR.62.与COP100E的增量返回异常持续了2秒钟.63.HCU测量点故障持续了5秒钟.64.与COP100E的增量返回异常持续了2秒钟.电梯停止后,SMC跳闸.65.门机控制单元增量返回异常持续了2秒钟.(切断FDS时,不检测)(只适用与DCU150)7X.速度异常.70.检测出钢索打滑.SMC跳闸.无法重新启动.71.检测出启动异常.SMC跳闸.72.检测出着床异常.SMC跳闸.73.检测出终端层减速不能.SMC跳闸.74.低速控制时,检测出速度异常.SMC跳闸.75.卷扬机脱离.SMC跳闸.76.检测出终端层减速异常.SMC跳闸.77.直流过电流检出.78.磁极推算超出时间故障.79.电动机PG断线异常检测.7A.即便钢丝绳拉长动作持续10秒,仍没有到达平层位置,钢丝绳拉长动作结束.7B.Z脉冲相位补充改正.8X.重新启动异常.80.SM跳闸后,尽管经过了一定时间(NFLTDAT)也不能到达层水平面.由此根据SMSI,作为故障.81.SM跳闸后,即使试了三次重新启动,也无法到达层水平面.由此根据SMSI,作为故障.82.一小时以内发生了两次SM跳闸,由此根据SMSI,作为故障.83.SCC断开,CC断开或者XNVT断开的状态持续了25秒钟.84.WDT复始处理中断,使CPU停止.9X.其他.90.检测出检查综括数据异常,因此停止电梯后,使WDT跳闸.91.由于用PDSET,读入的脉冲值和在工厂内设定的脉冲值的差超过了公差范围,将PDSET结束.92.用PDSET确认了的楼层数与在工厂内设定的好了的楼层数不一致,因此将PDSET结束.93.在PDSET中,由于CC断开或者门开放了,因此将PDSET结束.94.用PDSET作成的数据向E2PROM的写入失败.95.由于18DS的接触不良,使得门反转动作进行了三次.96.由于DC的接触不良,使得门反转动作进行了三次.97.远程监控.<PIXTEL_MMI_EBOOK_2005>4。
3份文档编号:GIW26340Page:2/51文档编号:GIW26340Page:5/51文档编号:GIW26340Page:6/5131文档编号:GIW26340 Page: 7/51文档编号:GIW26340检修故障切离文档编号:GIW26340Page:9/51文档编号:GIW263404.4.3 CV330/CV330A/CV330G FLT2组立配线追加CV330G 机种,基准重新绘制 黄伟丽 11.05.11杨晓勤变更记事NO电线规格长度(mm)端末加工条数/台备 注① 1..25(Y,W)700YE5 - WFL 1② 1.25(Y,W)510FL - LM 1③ 1.25(Y,W)800YE5 - WFL 1观光梯追加,YE5侧加黑色胶圈④1.25(Y,W)310FL - LM1CNFU-9CNFU-8④①FIL2(FE-6Z)L’LN N’YW Y WFG E-TM-32S-42S-2②CNTB2-3CNTB2-428备线表4S-2-14S-2-3③观光梯时追加281文档编号:GIW26340Page:13/51文档编号:GIW26340 Page: 14/51文档编号:GIW26340Page:16/51文档编号:GIW26340 Page:17/51文档编号:GIW26340 Page:18/51文档编号:GIW26340Page:19/51文档编号:GIW26340 Page:20/51文档编号:GIW26340 Page:21/51文档编号:GIW26340Page: 22/51文档编号:GIW26340Page: 24/51危 险·底坑内作业时,将控制柜的检测开关设为『INS(检 测)』,轿厢内紧急停止开关设为『STOP(停止)』, 底坑内的安全开关设为『STOP(停止)』。
·轿顶带人运行时,请勿将身体超出轿顶防护栏。
·在轿顶作业时,应将控制柜的检测开关和轿顶检测开 关设为『INS(检测)』,将轿顶安全开关设为『STOP (停止)』。
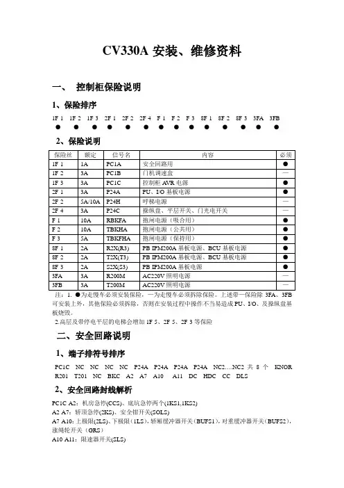
东芝CV330A安装、维修资料CV330A安装、维修资料⼀、控制柜保险说明1、保险排序1F-1 1F-2 1F-3 2F-1 2F-2 2F-4 F-1 F-2 F-3 8F-1 8F-2 8F-3 3FA 3FB●●●●●●●●●●●●●●2、保险说明注:1. ●为⾛慢车必须安装保险,—为⾛慢车必须拆除保险。
上述带—保险除3FA、3FB 可安装上外,其他保险必须拆除,否则在安装过程中操作不当易造成PU、I/O、及操纵盘基板烧毁。
2.⾼层及带停电平层的电梯会增加1F-5、2F-5、2F-3等保险⼆、安全回路说明1、端⼦排符号排序PC1C NC NC NC NC P24A P24A P24A P24A NC2….NC2共8个KNOR R201 T201 NC BKC A2 A7 A10 A11 DC HDC CC DLS2、安全回路封线解析PC1C-A2:机房急停(CCS)、底坑急停两个(1KS1,1KS2)A2-A7:轿顶急停(2KS)、安全钳开关(SOLS)A7-A10:上极限(2LS)、下极限(1LS),轿厢缓冲器开关(BUFS1),对重缓冲器开关(BUFS2),涨绳轮开关(GRS)A10-A11:限速器开关(SLS)A11-HDC:厅门联锁(20+NLS)HDC-DC(R):轿门联锁(GLS)NC2C--DLS安全触板接线三、⾛慢车封线1、试运⾏慢车:①机房打检修②PC1A与A11封③门联锁短封钥匙扳到封闭⼀侧④CNH1-1(DNLS)、CNH1-2(UPLS)、KNOR与E(地线)短封⑤正确接上码盘线BP5A\BN5A\\PNS\DNS\ZN S⑥接上抱闸线B1,B2⑦插上CNMB插⼦(抱闸微动开关)CNM12温控开关2、电机线及码盘线接法注:现场安装发现电梯反向的,将U和W调换⼀下,同时将PNS和DNS调换,⽅向即改过来了。
四、⼟建布置图现场施⼯必须按⼟建布置图施⼯,⼟建布置图英⽂含义M/R机房,C/P操纵盘,C/W对重,H/W固定电缆,T.C随⾏电缆,GOV限速器,L.SW限位开关,I.SW平层开关,HIB呼梯,PMSM永磁同步电机五、机房PU基板显⽰说明E E故障记忆F d故障发⽣J S检修P A锁梯 A d司机Jd专⽤ F C⽕灾管制 E S消防■运⾏六、⼀般故障分析1、控制柜继电器排序SMR是故障检测继电器DCR是关门继电器CC是控制回路接触器RLR LZN LBKR SMR 1BKR 2BKR KNORR AMC1 AMC2■■■■■■■■■2、控制柜接触器排序AMC1主接触器AMC2预备充电接触器SC安全1BK强迫制动继电器1BKX制动继电器2BK制动继电器3、读故障号●●●MOD NUM STB ●PRS①按动最左⾯〈MOD〉按钮两下,PU基板上显⽰O.O后⾯O闪烁②按中间〈NUM〉按钮8下,⾄显O.8③连续按最后⾯的〈STB〉按钮,第9下显⽰出来的数既是故障号④调出故障号后,按动右下⾓的〈PRS〉按钮⼀下就恢复原来状态了4、清除故障,解决⼀般死机状态①按动最左⾯〈MOD〉按钮两下,PU基板上显⽰O.O后⾯O闪烁②按中间〈NUM〉按钮,⾄显O.E③按右⾯〈STB〉⼀下显E1,按〈STB〉⼀下显OE④按右⾯〈STB〉⼀下显E1,按〈NUM〉⼀下显E2,按〈STB〉⼀下显OE⑤按右⾯〈STB〉⼀下显E1,按〈NUM〉两下显E3,按〈STB〉⼀下显OE⑥按〈MOD〉按钮⼀下,清除故障完毕5、故障编码表Ⅰ、故障代码30(STH)检查出暂存器发热异常,电梯停⽌后SMC跳闸。
CV330A安装、维修资料一、控制柜保险说明1、保险排序1F-1 1F-2 1F-3 2F-1 2F-2 2F-4 F-1 F-2 F-3 8F-1 8F-2 8F-3 3FA 3FB●●●●●●●●●●●●●●2、保险说明注:1. ●为走慢车必须安装保险,—为走慢车必须拆除保险。
上述带—保险除3FA、3FB 可安装上外,其他保险必须拆除,否则在安装过程中操作不当易造成PU、I/O、及操纵盘基板烧毁。
2.高层及带停电平层的电梯会增加1F-5、2F-5、2F-3等保险二、安全回路说明1、端子排符号排序PC1C NC NC NC NC P24A P24A P24A P24A NC2….NC2共8个KNOR R201 T201 NC BKC A2 A7 A10 A11 DC HDC CC DLS2、安全回路封线解析PC1C-A2:机房急停(CCS)、底坑急停两个(1KS1,1KS2)A2-A7:轿顶急停(2KS)、安全钳开关(SOLS)A7-A10:上极限(2LS)、下极限(1LS),轿厢缓冲器开关(BUFS1),对重缓冲器开关(BUFS2),涨绳轮开关(GRS)A10-A11:限速器开关(SLS)A11-HDC:厅门联锁(20+NLS)HDC-DC(R):轿门联锁(GLS)NC2C--DLS安全触板接线三、走慢车封线1、试运行慢车:①机房打检修②PC1A与A11封③门联锁短封钥匙扳到封闭一侧④CNH1-1(DNLS)、CNH1-2(UPLS)、KNOR与E(地线)短封⑤正确接上码盘线BP5A\BN5A\\PNS\DNS\ZN S⑥接上抱闸线B1,B2⑦插上CNMB插子(抱闸微动开关)CNM12温控开关2、电机线及码盘线接法注:现场安装发现电梯反向的,将U和W调换一下,同时将PNS和DNS调换,方向即改过来了。
四、土建布置图现场施工必须按土建布置图施工,土建布置图英文含义M/R机房,C/P操纵盘,C/W对重,H/W固定电缆,T.C随行电缆,GOV限速器,L.SW限位开关,I.SW平层开关,HIB呼梯,PMSM永磁同步电机五、机房PU基板显示说明E E故障记忆F d故障发生J S检修P A锁梯 A d司机Jd专用 F C火灾管制 E S消防■运行六、一般故障分析1、控制柜继电器排序SMR是故障检测继电器DCR是关门继电器CC是控制回路接触器RLR LZN LBKR SMR 1BKR 2BKR KNORR AMC1 AMC2■■■■■■■■■2、控制柜接触器排序AMC1主接触器AMC2预备充电接触器SC安全1BK强迫制动继电器1BKX制动继电器2BK制动继电器3、读故障号●●●MOD NUM STB ●PRS①按动最左面〈MOD〉按钮两下,PU基板上显示O.O后面O闪烁②按中间〈NUM〉按钮8下,至显O.8③连续按最后面的〈STB〉按钮,第9下显示出来的数既是故障号④调出故障号后,按动右下角的〈PRS〉按钮一下就恢复原来状态了4、清除故障,解决一般死机状态①按动最左面〈MOD〉按钮两下,PU基板上显示O.O后面O闪烁②按中间〈NUM〉按钮,至显O.E③按右面〈STB〉一下显E1,按〈STB〉一下显OE④按右面〈STB〉一下显E1,按〈NUM〉一下显E2,按〈STB〉一下显OE⑤按右面〈STB〉一下显E1,按〈NUM〉两下显E3,按〈STB〉一下显OE⑥按〈MOD〉按钮一下,清除故障完毕5、故障编码表Ⅰ、故障代码30(STH)检查出暂存器发热异常,电梯停止后SMC跳闸。
3X.主回路保护.30.检测出变频器发热异常.电梯停止后SMC跳闸.31.检测出Q7回路异常.SMC跳闸.32.检测出IPM异常.SMC跳闸.33.检测出BCU基板连接器脱落.SMC跳闸.34.MC不能接通.SMC跳闸.35.充电电压确立不足.SMC跳闸.36.MC异常断路.SMC跳闸.37.电动机不能控制.SMC跳闸.38.检测出马达过电流.SMC跳闸.39.检测出过电压异常.SMC跳闸.3A.正常运行方向改变时或点检运行停止时,接触器不能断开。
GB标准对应。
SMC跳闸.无法重新起动.3B.停止时主回路电流信号(MCC)无法断开.GB标准对应。
SMC跳闸.无法重新起动.3C.检测出LZN粘连异常.SMC跳闸.无法重新起动.3D.检测出LZN线异常断.3E.检测出SC粘连异常.SMC跳闸.无法重新起动.3F.检测出DCR匹配性异常.(XDC与DCRA反馈信号不一致)SMC跳闸.无法重新起动.4X.输出入信号异常.40.检测出着床限位开关的匹配性异常.SMC跳闸.41.检测出马达发热异常.电梯停止使用后,SMC跳闸.42.检测出运行门开放异常.SMC跳闸.43.检测出方向限制的限位开关异常.SMC跳闸.44.检测出制动器异常开放.SMC跳闸.不能重新启动.45.检测出制动器异常释放.SMC跳闸.46.检测出DT-DC匹配性异常.47.检测出XDC-DCR的匹配性异常.SMC跳闸.48.检测出DC-18DS的匹配性异常.SMC跳闸.49.UPLS或DNLS动作,但LSA,LSB,LSC关闭.检测出着床开关异常.SMC跳闸.4A.DCU150使用时,因DCU150重起三次,DCUEH故障或DCULSLERR仍未消除.SMC跳闸.4B.检测出1小时内出现3次门单元增量返回异常(故障65).SMC跳闸.(切断FDS时,不检测)(只适用与DCU150)4C.检测出RLR粘连异常.SMC跳闸.无法重新启动.4D.检测出RLR断线异常.SMC跳闸.无法重新启动.4E.非常电动运转时的安全回路断路继电器的溶着检测.SMC跳闸.无法重新启动.5X.脉冲关联异常.50.检测出LSA,LSB,LSC与轿厢位置脉冲的匹配性异常.SMC跳闸.51.启动时的脉冲补偿调整时,检测出脉冲偏差为200mm以上.SMC跳闸.52.在运行中脉冲在行进方向不前进.SMC跳闸.53.轿厢位置脉冲与限位开关(5LS,6LS)的整合性异常检测.SME跳闸.6X.串行传送异常.60.检测出SLS增量返回.61.用SLS试验传送检测出测量点ERROR.62.与COP100E的增量返回异常持续了2秒钟.63.HCU测量点故障持续了5秒钟.64.与COP100E的增量返回异常持续了2秒钟.电梯停止后,SMC跳闸.65.门机控制单元增量返回异常持续了2秒钟.(切断FDS时,不检测)(只适用与DCU150)7X.速度异常.70.检测出钢索打滑.SMC跳闸.无法重新启动.71.检测出启动异常.SMC跳闸.72.检测出着床异常.SMC跳闸.73.检测出终端层减速不能.SMC跳闸.74.低速控制时,检测出速度异常.SMC跳闸.75.卷扬机脱离.SMC跳闸.76.检测出终端层减速异常.SMC跳闸.77.直流过电流检出.78.磁极推算超出时间故障.79.电动机PG断线异常检测.7A.即便钢丝绳拉长动作持续10秒,仍没有到达平层位置,钢丝绳拉长动作结束.7B.Z脉冲相位补充改正.8X.重新启动异常.80.SM跳闸后,尽管经过了一定时间(NFLTDAT)也不能到达层水平面.由此根据SMSI,作为故障.81.SM跳闸后,即使试了三次重新启动,也无法到达层水平面.由此根据SMSI,作为故障.82.一小时以内发生了两次SM跳闸,由此根据SMSI,作为故障.83.SCC断开,CC断开或者XNVT断开的状态持续了25秒钟.84.WDT复始处理中断,使CPU停止.9X.其他.90.检测出检查综括数据异常,因此停止电梯后,使WDT跳闸.91.由于用PDSET,读入的脉冲值和在工厂内设定的脉冲值的差超过了公差范围,将PDSET结束.92.用PDSET确认了的楼层数与在工厂内设定的好了的楼层数不一致,因此将PDSET结束.93.在PDSET中,由于CC断开或者门开放了,因此将PDSET结束.94.用PDSET作成的数据向E2PROM的写入失败.95.由于18DS的接触不良,使得门反转动作进行了三次.96.由于DC的接触不良,使得门反转动作进行了三次.97.远程监控.<PIXTEL_MMI_EBOOK_2005>4。
CV330A、335维修资料一、控制柜保险说明1、保险排序1F-1 1F-2 1F-3 2F-1 2F-2 2F-4 F-1 F-2 F-3 8F-1 8F-2 8F-3 3FA 3FB●●●●●●●●●●●●●●2、保险说明注:1. ●为走慢车必须安装保险,—为走慢车必须拆除保险。
上述带—保险除3FA、3FB可安装上外,其他保险必须拆除,否则在安装过程中操作不当易造成PU、I/O、及操纵盘基板烧毁。
2.高层及带停电平层的电梯会增加1F-5、2F-5、2F-3等保险二、安全回路说明1、端子排符号排序PC1C NC NC NC NC P24A P24A P24A P24A NC2….NC2共8个KNOR R201 T201 NC BKC A2 A7 A10 A11 DC HDC CC DLS2、安全回路封线解析PC1C-A2:机房急停(CCS)、底坑急停两个(1KS1,1KS2)A2-A7:轿顶急停(2KS)、安全钳开关(SOLS)A7-A10:上极限(2LS)、下极限(1LS),轿厢缓冲器开关(BUFS1),对重缓冲器开关(BUFS2),涨绳轮开关(GRS)A10-A11:限速器开关(SLS)A11-HDC:厅门联锁(20+NLS)HDC-DC(R):轿门联锁(GLS)NC2C--DLS安全触板接线三、走慢车封线1、试运行慢车:①机房打检修②PC1A与A11封③门联锁短封钥匙扳到封闭一侧④CNH1-1(DNLS)、CNH1-2(UPLS)、KNOR与E(地线)短封⑤正确接上码盘线BP5A\BN5A\\PNS\DNS\ZN S⑥接上抱闸线B1,B2⑦插上CNMB插子(抱闸微动开关)CNM12温控开关2、电机线及码盘线接法注:现场安装发现电梯反向的,将U和W调换一下,同时将PNS和DNS调换,方向即改过来了。
四、土建布置图现场施工必须按土建布置图施工,土建布置图英文含义M/R机房,C/P操纵盘,C/W对重,H/W固定电缆,T.C随行电缆,GOV限速器,L.SW限位开关,I.SW平层开关,HIB呼梯,PMSM永磁同步电机五、机房PU基板显示说明E E故障记忆F d故障发生J S检修P A锁梯 A d司机Jd专用 F C火灾管制 E S消防■运行六、一般故障分析1、控制柜继电器排序SMR是故障检测继电器DCR是关门继电器CC是控制回路接触器RLR LZN LBKR SMR 1BKR 2BKR KNORR AMC1 AMC2■■■■■■■■■2、控制柜接触器排序AMC1主接触器AMC2预备充电接触器SC安全1BK强迫制动继电器1BKX制动继电器2BK制动继电器3、读故障号●●●MOD NUM STB ●PRS①按动最左面〈MOD〉按钮两下,PU基板上显示O.O后面O闪烁②按中间〈NUM〉按钮8下,至显O.8③连续按最后面的〈STB〉按钮,第9下显示出来的数既是故障号④调出故障号后,按动右下角的〈PRS〉按钮一下就恢复原来状态了4、清除故障,解决一般死机状态①按动最左面〈MOD〉按钮两下,PU基板上显示O.O后面O闪烁②按中间〈NUM〉按钮,至显O.E③按右面〈STB〉一下显E1,按〈STB〉一下显OE④按右面〈STB〉一下显E1,按〈NUM〉一下显E2,按〈STB〉一下显OE⑤按右面〈STB〉一下显E1,按〈NUM〉两下显E3,按〈STB〉一下显OE⑥按〈MOD〉按钮一下,清除故障完毕5、故障编码表Ⅰ、故障代码30(STH)检查出暂存器发热异常,电梯停止后SMC跳闸。
东芝电梯老的最常见的几个型号分别是:CV150;CV160;CV180;CV190;CV300;CV320;CV330;CV330A 。
其中:CV150;CV160;CV180;CV190 为有齿轮曳引机。
CV300;CV320;CV330;CV330A 为无齿轮永磁同步曳引机。
CV300 为无机房,分为A、B、C 三个型号。
东芝电梯的OBM 操作方式:CV150;CV160;CV300;CV320 :1、故障调阅:(还没有通俗易懂的话形容)2、故障清除:MODE按两下显示“ 0.0. ”跳动按中间键到“ 0.E. ”按STB键显示“E.1”按STB一下显示“0.E. ”然后按STB接着显示“E.1 ”按中间键加到“E.2” 按STB键显示“0.E. ”按STB键显示“E.1”NUM键加到“E.3”按STB键显示“ 0.E. ” MODE键就可以看到显示“ CL”证明故障清除。
3、井道自学习方法:先将正常转换成检修。
MODE按两下显示“ 0.0. ”跳动按中间键到“ 1.0 ”按STB键显示“ E.2”按STB键一下显示“ 1.0 ”,在按中间键按到“0.E. ”,按STB键显示“ E.1”,在按中间键按到“ E.C”按STB。
然后把检修转换成正常。
电梯向下,进行井道自学习。
CV180;CV190;CV330;CV330A :1、故障调阅:MODE键(也就是第一个键子)按两下显示“ 0.0. ” 此时显示的数字为闪烁的)。
按中间键NUM按到“ 0.8 ” 此时8在闪烁)然后按STB确定键(也就是最后一个)一直按确定键什么时候显示“ X.X. ”两点都出现不在闪烁那个就是故障代码2、故障清除:MODE按两下显示“ 0.0. ”跳动按中间键到“ 0.E. ”按STB键显示“E.1”动按STB一下显示“0.E. ”然后按STB接着显示“E.1 ”按中间键加到“E.2” 按STB键显示“0.E. ”按STB键显示“E.1”NUM键加到“E.3”按STB键显示“ 0.E. ” MODE键就可以看到显示“ CL”证明故障清除。
3X.主回路保护.30.检测出变频器发热异常.电梯停止后SMC跳闸.31.检测出Q7回路异常.SMC跳闸.32.检测出IPM异常.SMC跳闸.33.检测出BCU基板连接器脱落.SMC跳闸.34.MC不能接通.SMC跳闸.35.充电电压确立不足.SMC跳闸.36.MC异常断路.SMC跳闸.37.电动机不能控制.SMC跳闸.38.检测出马达过电流.SMC跳闸.39.检测出过电压异常.SMC跳闸.3A.正常运行方向改变时或点检运行停止时,接触器不能断开。
GB标准对应。
SMC跳闸.无法重新起动.3B.停止时主回路电流信号(MCC)无法断开.GB标准对应。
SMC跳闸.无法重新起动.3C.检测出LZN粘连异常.SMC跳闸.无法重新起动.3D.检测出LZN线异常断.3E.检测出SC粘连异常.SMC跳闸.无法重新起动.3F.检测出DCR匹配性异常.(XDC与DCRA反馈信号不一致)SMC跳闸.无法重新起动.4X.输出入信号异常.40.检测出着床限位开关的匹配性异常.SMC跳闸.41.检测出马达发热异常.电梯停止使用后,SMC跳闸.42.检测出运行门开放异常.SMC跳闸.43.检测出方向限制的限位开关异常.SMC跳闸.44.检测出制动器异常开放.SMC跳闸.不能重新启动.45.检测出制动器异常释放.SMC跳闸.46.检测出DT-DC匹配性异常.47.检测出XDC-DCR的匹配性异常.SMC跳闸.48.检测出DC-18DS的匹配性异常.SMC跳闸.49.UPLS或DNLS动作,但LSA,LSB,LSC关闭.检测出着床开关异常.SMC跳闸.4A.DCU150使用时,因DCU150重起三次,DCUEH故障或DCULSLERR仍未消除.SMC跳闸.4B.检测出1小时内出现3次门单元增量返回异常(故障65).SMC跳闸.(切断FDS时,不检测)(只适用与DCU150)4C.检测出RLR粘连异常.SMC跳闸.无法重新启动.4D.检测出RLR断线异常.SMC跳闸.无法重新启动.4E.非常电动运转时的安全回路断路继电器的溶着检测.SMC跳闸.无法重新启动.5X.脉冲关联异常.50.检测出LSA,LSB,LSC与轿厢位置脉冲的匹配性异常.SMC跳闸.51.启动时的脉冲补偿调整时,检测出脉冲偏差为200mm以上.SMC跳闸.52.在运行中脉冲在行进方向不前进.SMC跳闸.53.轿厢位置脉冲与限位开关(5LS,6LS)的整合性异常检测.SME跳闸.6X.串行传送异常.60.检测出SLS增量返回.61.用SLS试验传送检测出测量点ERROR.62.与COP100E的增量返回异常持续了2秒钟.63.HCU测量点故障持续了5秒钟.64.与COP100E的增量返回异常持续了2秒钟.电梯停止后,SMC跳闸.65.门机控制单元增量返回异常持续了2秒钟.(切断FDS时,不检测)(只适用与DCU150)7X.速度异常.70.检测出钢索打滑.SMC跳闸.无法重新启动.71.检测出启动异常.SMC跳闸.72.检测出着床异常.SMC跳闸.73.检测出终端层减速不能.SMC跳闸.74.低速控制时,检测出速度异常.SMC跳闸.75.卷扬机脱离.SMC跳闸.76.检测出终端层减速异常.SMC跳闸.77.直流过电流检出.78.磁极推算超出时间故障.79.电动机PG断线异常检测.7A.即便钢丝绳拉长动作持续10秒,仍没有到达平层位置,钢丝绳拉长动作结束.7B.Z脉冲相位补充改正.8X.重新启动异常.80.SM跳闸后,尽管经过了一定时间(NFLTDAT)也不能到达层水平面.由此根据SMSI,作为故障.81.SM跳闸后,即使试了三次重新启动,也无法到达层水平面.由此根据SMSI,作为故障.82.一小时以内发生了两次SM跳闸,由此根据SMSI,作为故障.83.SCC断开,CC断开或者XNVT断开的状态持续了25秒钟.84.WDT复始处理中断,使CPU停止.9X.其他.90.检测出检查综括数据异常,因此停止电梯后,使WDT跳闸.91.由于用PDSET,读入的脉冲值和在工厂内设定的脉冲值的差超过了公差范围,将PDSET结束.92.用PDSET确认了的楼层数与在工厂内设定的好了的楼层数不一致,因此将PDSET结束.93.在PDSET中,由于CC断开或者门开放了,因此将PDSET结束.94.用PDSET作成的数据向E2PROM的写入失败.95.由于18DS的接触不良,使得门反转动作进行了三次.96.由于DC的接触不良,使得门反转动作进行了三次.97.远程监控.<PIXTEL_MMI_EBOOK_2005>4。
控制柜保险1保险1F-1 1F-2 1F-3 2F-1 2F-2 2F-4 F-1 F-2 F-3 8F-1 8F-2 8F-3 3FA 3FB • • • • • ••••• • • • •2、保险说明注:1. •为走慢车必须安装保险,一为走慢车必须拆除保险。
上述带一保险除3F A、3F B 可安装上外,其他保险必须拆除,否则在安装过程中操作不当易造成PU、I/O、及操纵盘基板烧毁。
2.高层及带停电平层的电梯会增加1F-5、2F-5、2F-3等保险安全回路说明1、端子排符号排序PC1C NC NC NC NC P24A P24A P24A P24A NC2 ….NC2 共8 个KNORR201 T201 NC BKC A2 A7 A10 A11 DC HDC CC DLS2、安全回路封线解析PC1C-A2 :机房急停(CCS)、底坑急停两个(1KS1,1KS2)A2-A7 :轿顶急停(2KS)、安全钳开关(SOLS)A7-A10 :上极限(2LS)、下极限(1LS ),轿厢缓冲器开关(BUFS1),对重缓冲器开关(BUFS2 ), 涨绳轮开关(GRS)A10-A11 :限速器开关(SLS)A11-HDC :厅门联锁(20+NLS)HDC-DCR :轿门联锁(GLS)走慢车圭寸线1、2、 试运行慢车:①② 机房打检修②PC1A 与A11封③门联锁短封钥匙扳到封闭一侧④CNH1-1 ( DNLS )、CNH1-2( UPLS )、KNOR 与 E (地线)短封⑤正确接上码盘线 BP5A\BN5A\\PNS\DNS\ZN S⑥接上抱闸线 B1,B2⑦插上CNMBf 子(抱闸微动开关)CNM12温控开关3、4、 电机线及码盘线接法般故障分析1控制柜继电器排序RLRLZN LBKR SMR 1BKR 2BKR KNORR AMC1 AMC2■ ■■ ■ ■ ■ ■ ■ ■2、控制柜接触器排序 (控制柜左下角)5、读故障号•••MODNUM STB• PRS ① 按动最左面〈MOD 〉按钮两下,PU 基板上显示0.0后面0闪烁② 按中间〈NUM 〉按钮8下,至显 0.8③ 连续按最后面的〈STB 〉按钮,第9下显示出来的数既是故障号 ④ 调出故障号后,按动右下角的〈 PRS 〉按钮一下就恢复原来状态了U 和W 调换一下,同时将PNS 和DNS 调换,方向即改注:现场安装发现电梯反向的,将过来了。
精心整理CV330A安装、维修资料一、控制柜保险说明1、保险排序1F-11F-21F-32F-12F-22F-4F-1F-2F-38F-18F-28F-33FA3FB●●●●●●●●●●●●●●2、保险说明保险丝额定信号名内容必须1F-1 1A PC1A 安全回路用●1F-2 3A PC1B 门机调速盒—1F-3 3A PC1C 控制柜AVR电源●2F-1 3A P24A PU、I/O基板电源●P24H 呼梯电源—2F-2 5A/10A2F-4 3A P24C 操纵盘、平层开关、门光电开关—F-1 10A RBKFA 抱闸电源(吸合用)●F-2 10A TBKHA 抱闸电源(公共用)●F-3 5A TBKFHA 抱闸电源(保持用)●8F-1 2A R2X(R3) PB-IPM200A基板电源、BCU基板电源●8F-2 2A T2X(T3) PB-IPM200A基板电源、BCU基板电源●8F-3 2A S2X(S3) PB-IPM200A基板电源●3FA 3A R200M AC220V照明电源—3FB 3A T200M AC220V照明电源—注:1.●为走慢车必须安装保险,—为走慢车必须拆除保险。
上述带—保险除3FA、3FB可安装上外,其他保险必须拆除,否则在安装过程中操作不当易造成PU、I/O、及操纵盘基板烧毁。
2.高层及带停电平层的电梯会增加1F-5、2F-5、2F-3等保险二、安全回路说明1、端子排符号排序PC1CNCNCNCNCP24AP24AP24AP24ANC2….NC2共8个KNORR201T201NCBKCA2A7A10A11DCHDCCCDLS2、安全回路封线解析PC1C-A2:机房急停(CCS)、底坑急停两个(1KS1,1KS2)A2-A7:轿顶急停(2KS)、安全钳开关(SOLS)A7-A10:上极限(2LS)、下极限(1LS),轿厢缓冲器开关(BUFS1),对重缓冲器开关(BUFS2),涨绳轮开关(GRS)A10-A11:限速器开关(SLS)A11-HDC:厅门联锁(20+NLS)HDC-DCR:轿门联锁(GLS)三、走慢车封线1、试运行慢车:①机房打检修②PC1A与A11封③门联锁短封钥匙扳到封闭一侧④CNH1-1(DNLS)、CNH1-2(UPLS)、KNOR与E(地线)短封⑤正确接上码盘线BP5A\BN5A\\PNS\DNS\ZN S⑥接上抱闸线B1,B2⑦插上CNMB插子(抱闸微动开关)CNM12温控开关2、电机线及码盘线接法面对曳引轮右转电梯轿厢上升面对曳引轮左转电梯轿厢上升电机U—UV—VW—W U—WV—VW—UBP5A BP5A BP5ABN5A BN5A BN5APNS PNS DNSDNS DNS PNSZNS ZNS ZNS注:现场安装发现电梯反向的,将U和W调换一下,同时将PNS和DNS调换,方向即改过来了。
CV330A紧急运转操作说明奥的斯,法国20002C1-2{可以短接安全窗(EEC1-3);TES轿顶急停(INS1-9);安全钳开关SOS(1-3);UDLS轿顶极限开关LSW (4-5)}。
2C4-5可以短接轿门触点。
2H2-4 地坑所有开关。
2H2-5 地坑缓冲器。
2H1-4 门连锁。
3M1-2 限速器开关。
奥的斯,OTIS3200安全回路空开是CF41C01-02 限速器开关。
1C02-03 地坑缓冲器极限开关张紧轮1C05-06 轿顶安全窗安全钳。
1C06-08 急停(轿顶,轿厢,地坑)。
1C08-09 轿门触点。
1C09-10 厅门连锁。
奥的斯,OTIS 30002C1-2 轿顶急停,安全窗,安全钳。
2C7-10 轿厢急停2C4-5 轿门触点2H1-6 厅门连锁2H2-4 地坑缓冲器极限开关张紧轮。
8H1-3 上、下极限3M1-3 限速器开关4M8-9 机房急停空开3C门机电源插件1H外乎线奥的斯,OTIS封线奥的斯,TECE-300VF(2000VF,XO-21VF,SPEC-90VF) 端子号安全开关名称电压M1-1~M1-2 限速器(OS) 110V AC 1C2~1C3 上极限(8LS.下极限(7LS)110VAC 1C5~1C6 安全窗(EEC).安全钳(SOS) 110V AC 1C7-1C8 轿顶急停(TES) 110V AC 1C8~H1-9 1C10~1C19 底坑急停(PES) 110VAC 1C8~1C9 轿门锁(GS) 110V AC 1C9~1C10 厅门锁(DS) 110V AC 1C11~1C12 上限位(5LS).下限位(5LS) 0V AC奥的斯,TECE-3100VF端子号4M8~4M9 机房急停(MES) 110V AC 2C1~2C2 轿顶急停(TES).安全窗(EEC).安全钳(SOS) 110V AC 3M1~3M3 限速器(OS)110V AC 8H1~8H3 上极限(8LS).下极限(7LS) 110V AC 2H2~2H4 断带(BTS).涨绳轮(GTC).缓冲器(BTF).底坑急停(PES) 110V AC 2C7~2C10 轿厢急停(ES) 110V AC 2C10~2C4 厅门锁(DS) 110V AC 2C4~2C5 轿门锁(GS) 110V AC 7C7~7C8 上限位(1LS)?下限位(2LS) 30VDC奥的斯,TECE-4OVF【长阳路。
3X.主回路保护.30.检测出变频器发热异常.电梯停止后SMC跳闸.31.检测出Q7回路异常.SMC跳闸.32.检测出IPM异常.SMC跳闸.33.检测出BCU基板连接器脱落.SMC跳闸.34.MC不能接通.SMC跳闸.35.充电电压确立不足.SMC跳闸.36.MC异常断路.SMC跳闸.37.电动机不能控制.SMC跳闸.38.检测出马达过电流.SMC跳闸.39.检测出过电压异常.SMC跳闸.3A.正常运行方向改变时或点检运行停止时,接触器不能断开。
GB标准对应。
SMC跳闸.无法重新起动.3B.停止时主回路电流信号(MCC)无法断开.GB标准对应。
SMC跳闸.无法重新起动.3C.检测出LZN粘连异常.SMC跳闸.无法重新起动.3D.检测出LZN线异常断.3E.检测出SC粘连异常.SMC跳闸.无法重新起动.3F.检测出DCR匹配性异常.(XDC与DCRA反馈信号不一致)SMC跳闸.无法重新起动.4X.输出入信号异常.40.检测出着床限位开关的匹配性异常.SMC跳闸.41.检测出马达发热异常.电梯停止使用后,SMC跳闸.42.检测出运行门开放异常.SMC跳闸.43.检测出方向限制的限位开关异常.SMC跳闸.44.检测出制动器异常开放.SMC跳闸.不能重新启动.45.检测出制动器异常释放.SMC跳闸.46.检测出DT-DC匹配性异常.47.检测出XDC-DCR的匹配性异常.SMC跳闸.48.检测出DC-18DS的匹配性异常.SMC跳闸.49.UPLS或DNLS动作,但LSA,LSB,LSC关闭.检测出着床开关异常.SMC跳闸.4A.DCU150使用时,因DCU150重起三次,DCUEH故障或DCULSLERR仍未消除.SMC跳闸.4B.检测出1小时内出现3次门单元增量返回异常(故障65).SMC跳闸.(切断FDS时,不检测)(只适用与DCU150)4C.检测出RLR粘连异常.SMC跳闸.无法重新启动.4D.检测出RLR断线异常.SMC跳闸.无法重新启动.4E.非常电动运转时的安全回路断路继电器的溶着检测.SMC跳闸.无法重新启动.5X.脉冲关联异常.50.检测出LSA,LSB,LSC与轿厢位置脉冲的匹配性异常.SMC跳闸.51.启动时的脉冲补偿调整时,检测出脉冲偏差为200mm以上.SMC跳闸.52.在运行中脉冲在行进方向不前进.SMC跳闸.53.轿厢位置脉冲与限位开关(5LS,6LS)的整合性异常检测.SME跳闸.6X.串行传送异常.60.检测出SLS增量返回.61.用SLS试验传送检测出测量点ERROR.62.与COP100E的增量返回异常持续了2秒钟.63.HCU测量点故障持续了5秒钟.64.与COP100E的增量返回异常持续了2秒钟.电梯停止后,SMC跳闸.65.门机控制单元增量返回异常持续了2秒钟.(切断FDS时,不检测)(只适用与DCU150)7X.速度异常.70.检测出钢索打滑.SMC跳闸.无法重新启动.71.检测出启动异常.SMC跳闸.72.检测出着床异常.SMC跳闸.73.检测出终端层减速不能.SMC跳闸.74.低速控制时,检测出速度异常.SMC跳闸.75.卷扬机脱离.SMC跳闸.76.检测出终端层减速异常.SMC跳闸.77.直流过电流检出.78.磁极推算超出时间故障.79.电动机PG断线异常检测.7A.即便钢丝绳拉长动作持续10秒,仍没有到达平层位置,钢丝绳拉长动作结束.7B.Z脉冲相位补充改正.8X.重新启动异常.80.SM跳闸后,尽管经过了一定时间(NFLTDAT)也不能到达层水平面.由此根据SMSI,作为故障.81.SM跳闸后,即使试了三次重新启动,也无法到达层水平面.由此根据SMSI,作为故障.82.一小时以内发生了两次SM跳闸,由此根据SMSI,作为故障.83.SCC断开,CC断开或者XNVT断开的状态持续了25秒钟.84.WDT复始处理中断,使CPU停止.9X.其他.90.检测出检查综括数据异常,因此停止电梯后,使WDT跳闸.91.由于用PDSET,读入的脉冲值和在工厂内设定的脉冲值的差超过了公差范围,将PDSET结束.92.用PDSET确认了的楼层数与在工厂内设定的好了的楼层数不一致,因此将PDSET结束.93.在PDSET中,由于CC断开或者门开放了,因此将PDSET结束.94.用PDSET作成的数据向E2PROM的写入失败.95.由于18DS的接触不良,使得门反转动作进行了三次.96.由于DC的接触不良,使得门反转动作进行了三次.97.远程监控.<PIXTEL_MMI_EBOOK_2005>4。
CV330A紧急运转操作说明
1.非取得作业资格人员禁止操作!由于操作不当可能发生以外甚至人身伤亡!
2.封线在试验或检查维修完毕后一定要拆除!
3.无论在任何情况请不要在安全开关、门联锁失效的情况下投入运行。
当电梯处于停止状态,所有信号不能登记,快车慢车均无法运行,首先怀疑是安全回路故障。
应该到机房控制屏观察安全继电器的状态。
如果安全继电器处于释放状态,则应判断为安全回路故障。
故障可能原因:
1. 输入电源的相序错或有缺相引起相序继电器动作。
2. 电梯长时间处于超负载运行或堵转,引起热继电器动作。
3. 可能限速器超速引起限速器开关动作。
4. 电梯冲顶或沉底引起极限开关动作。
5. 地坑断绳开关动作。
可能是限速器绳跳出或超长。
6. 安全钳动作。
应查明原因。
可能是限速器超速动作、限速器失油误动作、地坑绳轮失油、地坑绳轮有异物(如老鼠等)卷入、安全契块间隙太小等。
7. 安全窗被人顶起,引起安全窗开关动作。
8. 可能有的急停开关被人按下。
9. 如果各开关都正常,应检查其触点接触是否良好,接线是否有松动等。
另外,目前较多电梯虽然安全回路正常,安全继电器也吸合,但通常在安全继电器上取一付常。
东芝电梯老的最常见的几个型号分别是:CV150;CV160;CV180;CV190;CV300;CV320;CV330;CV330A 。
其中:CV150;CV160;CV180;CV190 为有齿轮曳引机。
CV300;CV320;CV330;CV330A 为无齿轮永磁同步曳引机。
CV300 为无机房,分为A、B、C 三个型号。
东芝电梯的OBM 操作方式:CV150;CV160;CV300;CV320 :1、故障调阅:(还没有通俗易懂的话形容)2、故障清除:MODE按两下显示“ 0.0. ”跳动按中间键到“ 0.E. ”按STB键显示“E.1”按STB一下显示“0.E. ”然后按STB接着显示“E.1 ”按中间键加到“E.2” 按STB键显示“0.E. ”按STB键显示“E.1”NUM键加到“E.3”按STB键显示“ 0.E. ” MODE键就可以看到显示“ CL”证明故障清除。
3、井道自学习方法:先将正常转换成检修。
MODE按两下显示“ 0.0. ”跳动按中间键到“ 1.0 ”按STB键显示“ E.2”按STB键一下显示“ 1.0 ”,在按中间键按到“0.E. ”,按STB键显示“ E.1”,在按中间键按到“ E.C”按STB。
然后把检修转换成正常。
电梯向下,进行井道自学习。
CV180;CV190;CV330;CV330A :1、故障调阅:MODE键(也就是第一个键子)按两下显示“ 0.0. ” 此时显示的数字为闪烁的)。
按中间键NUM按到“ 0.8 ” 此时8在闪烁)然后按STB确定键(也就是最后一个)一直按确定键什么时候显示“ X.X. ”两点都出现不在闪烁那个就是故障代码2、故障清除:MODE按两下显示“ 0.0. ”跳动按中间键到“ 0.E. ”按STB键显示“E.1”动按STB一下显示“0.E. ”然后按STB接着显示“E.1 ”按中间键加到“E.2” 按STB键显示“0.E. ”按STB键显示“E.1”NUM键加到“E.3”按STB键显示“ 0.E. ” MODE键就可以看到显示“ CL”证明故障清除。
东芝电梯安全回路封线(330A)安全电路符号说明:安全回路封线:危险!1.非取得作业资格人员禁止操作!由于操作不当可能发生以外甚至人身伤亡!2.封线在试验或检查维修完毕后一定要拆除!3.无论在任何情况请不要在安全开关、门联锁失效的情况下投入运行。
1日立GVF-——3西子奥的斯地坑缓冲器极限开关2C 1—2{可以短接安全窗(EEC1-3);TES轿顶急停(INS1-9);安全钳开关SOS(1-3);UDLS 轿顶极限开关LSW(4-5)}。
2C 4—5可以短接轿门触点。
2H 2—4 地坑所有开关。
2H 2—5 地坑缓冲器。
2H 1—4 门连锁。
3M 1—2 限速器开关。
2注:由于配置不同,具体以随机图纸为准。
谨记!检修状态下才能封线,遗留短接接线,随时致命注:由于配置不同,具体以随机图纸为准。
谨记!检修状态下才能封线,遗留短接接线,随时致命OTIS3200安全回路空开是CF41C 01-02 限速器开关。
1C 02-03 地坑缓冲器极限开关张紧轮。
1C 05-06 轿顶安全窗安全钳。
1C 06-08 急停(轿顶,轿厢,地坑)。
1C 08-09 轿门触点。
1C 09-10 厅门连锁OTIS 30002C 1-2 轿顶急停,安全窗,安全钳。
2C 7-10 轿厢急停2C 4-5 轿门触点2H 1-6 厅门连锁2H 2-4 地坑缓冲器极限开关张紧轮。
8H 1-3 上、下极限3M 1-3 限速器开关4M 8-9 机房急停日立NPH GXF安全回路电梯信号灯:1:40D 厅门灯2:50 安全灯3:40G 矫门灯4:50B 软硬安全保护灯5:50X 软件安全保护灯3安全回路短接(插排)1:厅门XR1 3—42:轿门Y2—9 Y3—201:11—24总安全回路2:22—23上下极限开关3:11—12上下行中端开关(井道)4;12—13缓冲器开关,涨紧轮断绳开关(底坑)5:24—25安全窗,安全钳开关(轿顶)6:25—26限速器超速开关,盘车手轮(机房)华升富士达1.短接线路1)MC15X继电器板l TA1-5(P2)↔T2-3(P8)↔T2-5(P8A)井道安全回路l C1-B6(P8C)↔T2-7(P10)轿厢安全回路l T1-3(C1-A4)↔T2-6 (C1-B1)轿门锁l T2-4(P1 5)↔T2-2(P1)厅门联锁l T1-2(P23)↔T1-1(P24)轿顶优先开关2)IF118板l H31-A6(P17)↔H31-B6(C-1)井道上终端限位(LS11)l H32-A6(P18)↔H32-B6(C-2)井道下终端限位(LS21)富士达①安全回路(L40,P8):过电流:L40,P1B;相序保护:P1B,P1;限速器:P1,P1A;上下极限:P2,P3A;底坑回路:P3A,P4;轿顶回路:P4,P6;轿内急停:P6,P6A;轿顶急停:P6A,P7;底坑急停:P7,P8。