精密与特种加工技术课后答案
- 格式:doc
- 大小:47.50 KB
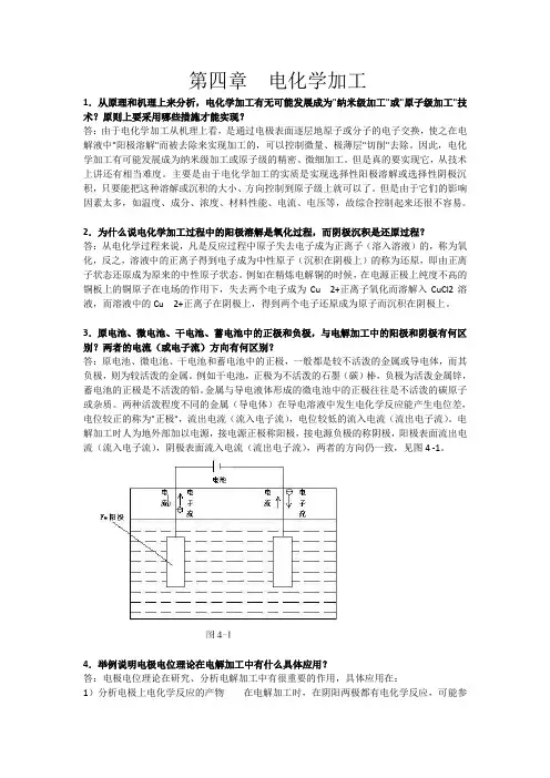
- 文档页数:10
2017-2018学年第二学期期末考查机械设计制造及其自动化专业《精密与特种加工技术》试卷A参考答案及评分标准一、填空(每空1分,共10分)1.脉冲放电2.乳化液、喷入式3.整体电极、镶拼式电极4.液体静压5.金刚石6.(111)7.高8.负。
二、选择题(每题2分,共20分)1.B2.A3.A4.A5.C6.C7.B8.D9.C 10.B三、简答题(24分)1.简述精密磨削加工机理。
(8分)答:精密磨削主要靠砂轮具有微刃性和等高性的磨粒实现,即:①微刃的微切削作用;②微刃的等高切削作用;③微刃的滑挤、摩擦、抛光作用。
磨粒可看作具有弹性支承的和大负前角切削刃的弹性体,弹性支承为结合剂。
当刀刃锋利,有一定磨削深度时,微切削作用较强;如果刀刃不够锋利,或磨削深度较浅,磨粒切削刃不能切入工件,则产生塑性流动、弹性破坏和滑擦。
2.根据超硬磨料(金刚石、立方氮化硼)的特点,说明为什么超硬磨料磨具在精密加工和超精密加工中得到广泛应用?(8分)答:超硬磨料(金刚石、立方氮化硼)的主要特点:①可用来加工各种高硬度、高脆性金属材料和非金属材料,如陶瓷、玻璃、半导体材料等。
②磨削能力强,耐磨性好,寿命高,易于控制加工尺寸及实现自动化。
③磨削力小,磨削温度低,表面质量好无烧伤、裂纹和组织变化。
④磨削效率高,在加工硬质合金及非金属硬脆材料时,金刚石砂轮的金属切除率优于立方氮化硼砂轮,但在加工耐热钢、钛合金、模具钢等时,立方氮化硼砂轮远高于金刚石砂轮。
⑤综合成本低。
所以说超硬磨料磨具在精密加工和超精密加工中得到广泛应用。
3.电解加工(如套料、成形加工等)的自动进给系统和电火花加工的自动进给系统有何异同?为什么会形成这些不同?(8分)答:一般电解加工自动进给系统主要是控制均匀等速的进给速度,它的大小是事先设定的。
进给速度的大小与端面平衡间隙有直接关系(双曲线关系),而端面平衡间隙又直接影响到阴极形状。
在正常电解加工时,主要依照电流的大小来进行控制,但在电极开始进入或即将退出工件时,由于加工面积的变化,则不能依照电流的大小来进行控制。
三、简答题(30分,每题6分)1、特种加工与传统切削加工方法在加工原理上的主要区别有哪些?(6分)答:1)特种加工是用机械能以外的其他能量去除工件上多余的材料,以达到图样上全部技术要求。
(2分)2)特种加工打破传统的硬刀具加工软材料的规律,刀具硬度可低于被加工材料的硬度。
(2分)3)特种加工过程中,工具与工件不受切削力的作用。
(2分)2、特种加工的本质特点是什么?(6分)答:1)特种加工所使用的工具硬度可以低于被加工材料的硬度;(2分)2)特种加工不依靠机械能,而是主要用其他能量(如电、化学、光、声、热等)去除材料(2分)3)特种加工过程中工具和工件之间不存在显著的机械切削力。
(2分)3、电火花加工必须解决的问题有哪些?(6分)答:1、由于在电火花加工的不同阶段,金属蚀除的速度不同,因此必须具有工具电极的自动进给和调节装置,使工具和工件之间保持合适的放电间隙;(2分)2、火花放电必须是瞬时的、单极性、脉冲放电;(2分)3、火花放电必须在有一定绝缘性能的液体介质中进行。
(2分)4、什么是电火花加工的机理?火花放电过程大致可分为哪四个连续的阶段?(6分)答:电火花加工的机理是指电火花加工的物理本质,即火花放电时,电极表面的金属材料是如何被蚀除下来的这一微观物理过程。
(2分)火花放电过程大致可分为如下四个阶段:1、极间介质的电离、击穿,形成放电通道;(1分)2、介质热分解、电极材料融化、气化,热膨胀;(1分)3、电极材料的抛出;(1分)4、极间介质的消电离;(1分)5、电火花加工的优缺点有哪些?(6分)答:电火花加工的优点主要体现在以下四个方面:1、特别适合任何难以进行切削加工的材料;(1分)2、可以加工特殊或形状复杂的表面和零件;(1分)3、工具与工件不接触,作用力极小;(1分)4、脉冲放电时间短,冷却作用好,加工表面热影响小。
(1分)但存在以下缺陷:1、主要用于加工金属等导电材料;(1分)2、加工速度较慢(需进行预加工,去除大部分余量)且存在一定的电极损耗。
《特种加工》习题解答概论1.从特种加工的发生和发展来举例分析科学技术中有哪些事例是"物极必反" 有哪些事例是"坏事有时变为好事"答:这种事例还是很多的.以"物极必反"来说,人们发明了螺旋桨式飞机,并不断加大螺旋桨的转速和功率以提高飞机的飞行速度和飞行高度.但后来人们发现证实螺旋桨原理本身限制了飞机很难达到音速和超音速,随着飞行高度愈高,空气愈稀薄,螺旋桨的效率愈来愈低,更不可能在宇宙空间中飞行.于是人们采用爆竹升空的简单原理研制出喷气式发动机取代了螺旋桨式飞行器,实现了洲际和太空飞行.由轮船发展成气垫船,也有类似规律.以"坏事变好事"来说,火花放电会把接触器、继电器等电器开关的触点烧毛、损蚀,而利用脉冲电源瞬时、局部的火花放电高温可用作难加工材料的尺寸加工.同样,铝饭盒盛放咸菜日久会腐蚀穿孔,钢铁器皿、小刀等在潮湿的环境下会腐蚀.钢铁在风吹雨淋时遭受锈蚀,海洋船舰的钢铁船体为了防止海水的腐蚀,得消耗巨资进行防锈、防蚀.人们研究清楚钢铁电化学锈蚀的原理后,创造了选择性阳极溶解的电解加工方法.这些都是"坏事变好事"的实例.2.试列举几种采用特种加工工艺之后,对材料的可加工性和结构工艺性产生重大影响的实例. 答:这类实例是很多的,例如:⑴硬质合金历来被认为是可加工性较差的材料,因为普通刀具和砂轮无法对它进行切削磨削加工,只有碳化硅和金刚石砂轮才能对硬质合金进行磨削.可是用电火花成形加工或电火花线切割加工却可轻而易举地加工出各式内外圆、平面、小孔、深孔、窄槽等复杂表面,其生产效率往往高于普通磨削加工的生产率.更有甚者,金刚石和聚晶金刚石是世界上最硬的材料,过去把它作为刀具和拉丝模具等材料只有用金刚石砂轮或磨料"自己磨自己",磨削时金刚石工具损耗很大,正是硬碰硬两败俱伤,确实是可加工性极差.但特种加工中电火花可成形加工聚晶金刚石刀具,工具,而激光加工则不但"削铁如泥"而且可"削金刚石如泥".在激光加工面前,金刚石的可加工性和钢铁差不多了.对过去传统概念上的可加工性,的确需要重新评价.(2)对结构工艺性,过去认为方孔,小孔,小深孔,深槽,窄缝以及细长杆,薄壁等低刚度零件的结构工艺性很差,在结构设计时应尽量避免.对E字形的硅钢片硬质合金冲模,由于90*内角很难磨削,因此常采用多块硬质合金拼镶结构的冲模.但采用电火花成形加工或线切割数控加工,则很容易加工成整体硬质合金的E形硅钢片冲模,特种加工可使某些结构工艺性由"差"变"好".3.工艺和特种加工工艺之间有何关系(应该说如何正确处理常规工艺和特种加工之间的差别) 答:一般而言,常规工艺是在切削,磨削,研磨等技术进步中形成和发展起来的行之有效的实用工艺,而且今后也始终是主流工艺.但是随着难加工的新材料,复杂表面和有特殊要求的零件愈来愈多,常规,传统工艺必然会有所不适应.所以可以认为特种加工工艺是常规加工工艺的补充和发展.特种加工工艺可以在特定的条件下取代一部分常规加工工艺,但不可能取代和排斥主流的常规加工工艺.第二章电火花加工1.两金属在(1)在真空中火花放电;(2)在空气中;(3)在纯水(蒸馏水或去离子水)中;(4)在线切割乳化液中;(5)在煤油中火花放电时,在宏观和微观过程以及电蚀产物方面有何相同和相异之处答:(1)两金属在真空中火花放电时,当电压(电位差)超过一定时即产生"击穿",电子由"-"极逸出飞向"+"极,由于真空中没有物质阻挡电子的运动,所以没有正离子形成,没有发热的放电"通道"的概念,示波器,显象管中电子流的运动与此类似.基本上没有"电蚀产物"生成. (2)两金属在空气中放电的例子是电火花表面强化,涂覆.电焊,等离子切割,等离子焊等,也是在空气中放电,利用电子流在空气中撞击气体原子形成放电通道,在通道中和工件表面产生大量的热能用于强化,涂覆,切割和焊接.(3)在纯水,蒸馏水或去离子水中,两金属间电火花放电与在煤油中类似,只是水分子,原子受电子,正离子撞击发热气化,最后分解为氧原子和氢原子(分子),而不像煤油中会分解出碳原子(碳黑微粒)和氢气等.(4),(5)在乳化液中和煤油中放电过程,详见教材中有关章节,不再另行论述.2.有没有可能或在什么情况下可以用工频交流电源作为电火花加工的脉冲直流电源在什么情况下可用直流电源作为电火花加工用的脉冲直流电源 (提示:轧辊电火花对磨,齿轮电火花跑合时,不考虑电极相对磨损的情况下,可用工频交流电源;在电火花磨削,切割下料等工具,工件间有高速相对运动时,可用直流电源代替脉冲电源,但为什么 )如提示所述,在不需要"极性效应",不需要考虑电极损耗率等的情况下,可以直接用220V的50HZ交流电作为脉冲电源进行轧辊电火花对磨和齿轮电火花跑合等.不过回路中应串接限流电阻,限制放电电流不要过大.如需精规准对磨或跑合,则可在交流工频电源上并联RC电路(R=500-1000,C=0.1-0.01),再接到两个工件上.在用高速转动的金属轮或圆片作电火花磨削,电火花切割,下料时,如果可以不计电极损耗率,则就可以用全波整流或整流后并联电解电容滤波的直流电源进行电火花磨削.由于工具电极高速转动,所以一般不会产生稳定电弧烧伤工件.最好是经调压变压器降压到5-100V再整流供磨削之用,一则可以调节电压或电流,二则和220V交流电源隔离,以保障人身避免触电的危险.3.电火花加工时的自动进给系统和车,钻,磨削时的自动进给系统,在原理上,本质上有何不同为什么会引起这种不同答:电火花加工时工具电极和工件间并不接触,火花放电时需通过自动调节系统保持一定的放电间隙,而车,钻,磨削时是接触加工,靠切削力把多余的金属除去,因此进给系统是刚性的,等速的,一般不需要自动调节.4.电火花共轭同步回转加工和电火花磨削在原理上有何不同工具电极和工件上的瞬间放电之间有无相对移动加工内螺纹时为什么不会"乱扣" 用铜螺杆做工具电极,在内孔中用平动法加工内螺纹,在原理上和共轭同步回转法有何异同答:不同之处在于电火花共轭同步回转加工时:(1)工具电极和工件的转动方向相同;(2)转速严格相等(或成倍角,比例关系);(3)工具和工件上瞬时放电点之间有很慢的相对移动.而电火花磨削时工具和工件可以同向或反向转动;工具和工件的转速并不相同,磨削点之间有很大的相对移动.加工内螺纹时,其所以不会"乱扣",是因为加工中工具电极和工件的转向和转速相等,工具和工件圆周表面上有着"各点对应"的关系,所以能把工具表面的螺纹形状复制到工件表面上去而不会"乱扣". 在内孔中用平动法加工内螺纹,本质上和共轭同步回转法相同,不同之处在于平动法加工时工件不转动而代之以工具电极在平动头中作"公转"行星式运动,其内外圆上"各点对应"的规则仍然存在.5,电火花加工时,什么叫做间隙蚀除特性曲线粗,中,精加工时,间隙蚀除特性曲线有何不同脉冲电源的空载电压不一样时(例如80V,100V,300V三种不同的空载电压),间隙曲线有何不同试定性,半定量地作图分析之.答:间隙蚀除特性曲线是电火花放电间隙蚀除速度和放电间隙大小(间隙平均电压的大小)之间的关系,此关系可以定量地用作图法画成间隙蚀除特性曲线.粗,中,精加工时,由于脉宽,峰值电流等电规准不同,同样大小间隙的蚀除速度也就不一样,总的来说,粗加工时蚀除速度较大,上凹的间隙蚀除特性曲线就高于中,精加工的曲线.当脉冲电源的空载电压不一样时,例如电压较高为300V时,其击穿间隙,平均放电间隙都大于100V或80V的放电间隙,因此横坐标上的A点(电火花击穿间隙)将大于100V或80V时的间隙.间隙特征曲线原点不动,整个曲线稍向右移.同理,80V空载电压的间隙特征曲线的A点将偏向左边.S/ m/V6,在电火花加工机床上用Ф10mm的纯铜杆加工Ф10mm的铁杆,加工时两杆的中心矩偏距5mm,选用=200 s, i=5.4A,各用正极性和负极性加工10min, 试画出加工后两杆的形状,尺寸,电极侧面间隙大小和表面粗糙度值(提示:利用电火花加工工艺参数曲线图表来测算).答:加工示意图见图2-1a.设先用正极性加工,加工后的图形见图b,负极损耗较大;负极性加工后的图形见图c,正极工具损耗较小.具体数据请自行在图中标明,并与书中工艺曲线图表进行对照比较).图2-17,电火花加工一个纪年章浅型腔花模具,设花纹模电极的面积为10mm×20mm=200,花纹的深度为0.8㎜,要求加工出模具的深度为1㎜,表面粗糙度为=0.63 m,分粗,中,精三次加工,试选择每次的加工极性,电规准脉宽,峰值电流,加工余量及加工时间,并列成一表(提示:用电火花加工工艺参数曲线图表来计算).答:可按书中电火花加工工艺曲线图表选择粗,中,精加工的规准.例如:极性脉宽脉间峰值电流加工余量加工后表面粗糙度时间粗加工(可不加抬刀)负600 s100 s10A0.9㎜3 m约30min中加工(加抬刀)负100 s50 s4A0.08㎜1.25 m30min精加工(加正20 s50 s2A0.02㎜30min答:不同之处在于电火花共轭同步回转加工时:(1)工具电极和工件的转动方向相同;(2)转速严格相等(或成倍角,比例关系);(3)工具和工件上瞬时放电点之间有很慢的相对移动.而电火花磨削时工具和工件可以同向或反向转动;工具和工件的转速并不相同,磨削点之间有很大的相对移动.加工内螺纹时,其所以不会"乱扣",是因为加工中工具电极和工件的转向和转速相等,工具和工件圆周表面上有着"各点对应"的关系,所以能把工具表面的螺纹形状复制到工件表面上去而不会"乱扣". 在内孔中用平动法加工内螺纹,本质上和共轭同步回转法相同,不同之处在于平动法加工时工件不转动而代之以工具电极在平动头中作"公转"行星式运动,其内外圆上"各点对应"的规则仍然存在.5,电火花加工时,什么叫做间隙蚀除特性曲线粗,中,精加工时,间隙蚀除特性曲线有何不同脉冲电源的空载电压不一样时(例如80V,100V,300V三种不同的空载电压),间隙曲线有何不同试定性,半定量地作图分析之.答:间隙蚀除特性曲线是电火花放电间隙蚀除速度和放电间隙大小(间隙平均电压的大小)之间的关系,此关系可以定量地用作图法画成间隙蚀除特性曲线.粗,中,精加工时,由于脉宽,峰值电流等电规准不同,同样大小间隙的蚀除速度也就不一样,总的来说,粗加工时蚀除速度较大,上凹的间隙蚀除特性曲线就高于中,精加工的曲线.当脉冲电源的空载电压不一样时,例如电压较高为300V时,其击穿间隙,平均放电间隙都大于100V或80V的放电间隙,因此横坐标上的A点(电火花击穿间隙)将大于100V或80V时的间隙.间隙特征曲线原点不动,整个曲线稍向右移.同理,80V空载电压的间隙特征曲线的A点将偏向左边.S/ m/V6,在电火花加工机床上用Ф10mm的纯铜杆加工Ф10mm的铁杆,加工时两杆的中心矩偏距5mm,选用=200 s, i=5.4A,各用正极性和负极性加工10min, 试画出加工后两杆的形状,尺寸,电极侧面间隙大小和表面粗糙度值(提示:利用电火花加工工艺参数曲线图表来测算).答:加工示意图见图2-1a.设先用正极性加工,加工后的图形见图b,负极损耗较大;负极性加工后的图形见图c,正极工具损耗较小.具体数据请自行在图中标明,并与书中工艺曲线图表进行对照比较).图2-17,电火花加工一个纪年章浅型腔花模具,设花纹模电极的面积为10mm×20mm=200,花纹的深度为0.8㎜,要求加工出模具的深度为1㎜,表面粗糙度为=0.63 m,分粗,中,精三次加工,试选择每次的加工极性,电规准脉宽,峰值电流,加工余量及加工时间,并列成一表(提示:用电火花加工工艺参数曲线图表来计算).答:可按书中电火花加工工艺曲线图表选择粗,中,精加工的规准.例如:极性脉宽脉间峰值电流加工余量加工后表面粗糙度时间粗加工(可不加抬刀)负600 s100 s10A0.9㎜3 m约30min中加工(加抬刀)负100 s50 s4A0.08㎜1.25 m30min精加工(加正20 s50 s2A0.02㎜30min第三章电火花线切割加工1.电火花线切割时,粗,种,精加工时生产率的大小和脉冲电源的功率,输出电流的大小有关.用什么方法衡量,判断脉冲电源加工性能的好坏(绝对性能和相对性能)答:可用单位电流(每安培电流)的生产率来衡量,即可客观地判断脉冲电源加工性能的好坏.例如某脉冲电源峰值电流25A时的切割速度为100mm2/min,另一电源峰值电流27A时切割速度为106mm2/min,则前者的相对生产率为100/25=4mm2/min,优于后者106/27=3.9mm2/min .又如某线切割脉冲电源3A s时切割速度为100mm2/min,另一电源3,5A时为124mm2/min,则前者相对切割速度为33.3mm2/min,后者35.5mm2/min.2.电火花加工和线切割加工时,如何计算脉冲电源的电能的利用率试估计一般线切割方波脉冲电源的电能利用率答:设脉冲电源的空载电压为100V ,加工时火花放电间隙的维持电压为25V则消耗在晶体管限流电阻上的电压为 100-25=75V,由此可以算出电能利用率:有用能量:输入能量=25:100=1:4=25%能量的消耗率为:损耗能量:输入能量=75:100=3:4=75%可见75%的能量损耗在限流电阻的发热上.3.设计一个测量,绘制数控线切割加工的间隙蚀除特性曲线的方法(提示:使线切割等速进给,由欠跟踪到过跟踪).答:这一习题有一定的难度,需对间隙蚀除特性曲线和线切割加工伺服进给系统有一定深度的理解才行.间隙蚀除特性曲线是蚀除速度和放电间隙(间隙平均电压)的关系曲线(参见第二章电火花加工的伺服进给).线切割加工时,调节伺服进给量的大小,可以在一定程度上改变平均放电间隙.例如把进给速度人为放慢,处于"欠进给"状态,则平均放电间隙偏大,反之,进给速度过高,"过进给"时,则放电间隙偏小.测绘间隙蚀除特性曲线时,利用"改变预置进给速度"来改变放电间隙的大小.实际上放电间隙的大小(绝对值)很难测量,但可以用加工时的平均间隙电压大小来相对测量间隙值的大小.为此,要在工件和钼丝(导电块)或直接在电源输出端并一个满刻度100V(用于测空载,偏空载时的开路间隙电压),20V(用于测偏短路时的间隙电压)的直流电压表.实际测绘时,先不用线切割机床的"自动档"(伺服)进给,而采用"人工档"(等速进给)进给功能.最初用较慢的等速进给速度进行切割,此时处于"欠跟踪"的进给状态,待切割稳定后就记下进给速度和此时的间隙平均电压,在坐标上作出曲线上的某一点.以后稍微调快进给速度(仍为等速进给),同样测得第二,三```点的数据.当调节到进给速度约等于蚀除速度时,此时即为最佳状态 B 点放电间隙为最佳放电间隙SB 此时的切割速度为最大.当以更大的进给速度(等速)切割时,由于没有伺服功能,进给速度大于可能的蚀除速度,放电间隙逐步减小,最后即将形成短路,放电间隙为零.此时应尽快停止进给,并事先作好记录.在曲线最高点B只右,用上述方法比较容易做出间隙蚀除特性曲线的右半部分.但B点左边的曲线,因放电间隙逐步减小并趋于短路,易把钼丝顶弯,因此应多加小心.4.一般线切割加工机床的进给调解特性曲线和电火花加工机床的进给特性曲线有何不同与有短路回退功能的线切割加工机床的进给调解特性曲线又有什么不同答:一般线切割机床的进给的进给系统,往往没有短路回退功能,或短路后经一定时间例如30s后仍不能自动消除短路状态,则回退256步(相当于0.256 mm),如仍不能消除短路,则自动停止进给或同时报警,这与电火花成型加工机床遇短路即退回不一样.上述无短路回退功能的线切割机床的进给特性曲线就不会有横坐标左下部分的曲线,亦即工具电极(钼丝)的进给速度 vd没有负值.即使有短路回退功能的线切割机床,短路后的回退速度是固定的(不象电火花成型加工机床那样短路后将以较高的速度vd0回退),所以进给调节特性曲线的左下部为窄小矩形,即放电间隙较小时,进给速度vd《0,一旦完全短路后,钼丝才低速(恒速)回退.5.设计一个测量,绘制数控线切割加工机床的进给调解特性曲线的方法(提示:在线切割机床上做空载模拟实验.用可调的的直流电源模拟火花间隙的平均电压).答:这一习题也有一定难度,需对线切割机床的变频进给系统有一定的了解.线切割机床的进给速度vd是由火花放电间隙的平均电压ue来决定的.ue越大,vd亦大,ue小vd也小,ue=0,vd=0或等速回退.为此可以用"模拟法"来测绘线切割加工机床的进给调解特性曲线. 具体的的方法是:使线切割机床处于加工状态,可不开丝筒,不开高频电源,但应使工作台处于"人工"等速进给状态.此时工作台进给的"取样电压",并不是来自火花放电间隙的平均电压ue(ue再经电阻分压成10~12v的电压,经"变频调节"电位器送至"压—频"(u-f)转换器,将此低电压u转换成进给脉冲,频率为f,另工作台进给),而是由+12V的外加电压,经"变频调节"电位器调压输入至 "压—频"(u-f)转换器.低电压0V相当于间隙短路,最高10~12V相当于间隙开路状态.可以将此电压由低向高调节,例如0V,2V,4V,6V,8V,10V……直至12V,模拟不同的ue.记录下每种不同电压时的工作台进给速度(可以从控制器面板数显表上测得),然后即可绘制出进给调节特性曲线.6.今拟用数控线切割加工有8个齿的爪牙离合器,试画出其工艺示意图并编制出相应的线切割3B相应程序.答:由于爪牙离合器工件是圆筒形的,端面上需切割出8个爪牙方齿,故切割时必须有一个数控回转工作台附件.办法为先在圆套筒上钻一个∮1~2mm的穿丝孔,装夹好工件后,调整到穿丝孔为最高点时穿丝,回转台转动切除爪牙的端面,见示意图.(俯视图)切割的程序(一次切出凹,凸两个爪牙离合器)为:BBBJ=穿丝孔距离GXL3(x向移动)BBBJ=1/2齿宽GYL4(y向转动)BBBJ=齿深GXL3(x向移动)BBBJ=齿宽GYL4(y向转动)BBBJ=齿深GXL1(x向移动)BBBJ=齿宽GYL4(y向转动)……第四章电化学加工1.从原理和机理上来分析,电化学加工有无可能发展成为"纳米级加工"或"原子级加工"技术?原则上要采用哪些措施才能实现?答:由于电化学加工从机理上看,是通过电极表面逐层地原子或分子的电子交换,使之在电解液中"阳极溶解"而被去除来实现加工的,可以控制微量、极薄层"切削"去除。
第三章电火花线切割加工1.电火花线切割时,粗、中、精加工时的生产率的大小和脉冲电源的功率、输出电流的大小有关。
用什么办法来衡量、判断脉冲电源加工性能的好坏(绝对性能和相对性能)?答:可用单位电流(每安培电流)的生产率来衡量,即可客观地判断脉冲电源加工性能的好坏。
例如某脉冲电源峰值电流25A时的切割速度为100mm 2/min,另一电源峰值电流27A 时切割速度为106mm 2/min,则前者的相对生产率为100/25=4mm 2/min,优于后者106/27=3.9mm 2/min。
又如某线切割脉冲电源3A时切割速度为100mm 2/min,另一电源3.5A时为124mm 2/min,则前者相对切割速度为33.3mm 2/A·min,低于后者35.5mm 2/A·min。
2.电火花加工和线切割加工时,如何计算脉冲电源的电能的利用率?试估计一般线切割方波脉冲电源的电能利用率?答:设脉冲电源的空载电压为100V,加工时火花放电间隙的维持电压为25V,则消耗在晶体管限流电阻上的电压为100-25=75V,由此可以算出电能利用率为:有用能量:输入能量=25:100=1:4=25% 能量的消耗率为:损耗能量:输入能量=75:100=3:4=75% 可见75%的能量损耗在限流电阻的发热上。
3.设计一个测量、绘制数控线切割加工的间隙蚀除特性曲线的方法(提示:使线切割等速进给,由欠跟踪到过跟踪)。
答:这一习题有一定的难度,需对间隙蚀除特性曲线和线切割加工伺服进给系统有一定深度的理解才行。
间隙蚀除特性曲线是蚀除速度和放电间隙(间隙平均电压)的关系曲线(参见第二章电火花加工的伺服进给)。
线切割加工时,调节伺服进给量的大小,可以在一定程度上改变平均放电间隙。
例如把进给速度人为调慢,处于"欠进给"状态,则平均放电间隙偏大,反之,进给速度过高,"过进给"时,则放电间隙偏小。
《特种加工》第六版课后习题答案第一章绪论1.从特种加工的发生和发展来举例分析科学技术中有哪些事例是"物极必反" 有哪些事例是"坏事有时变为好事"答:这种事例还是很多的.以"物极必反"来说,人们发明了螺旋桨式飞机,并不断加大螺旋桨的转速和功率以提高飞机的飞行速度和飞行高度.但后来人们发现证实螺旋桨原理本身限制了飞机很难达到音速和超音速,随着飞行高度愈高,空气愈稀薄,螺旋桨的效率愈来愈低,更不可能在宇宙空间中飞行.于是人们采用爆竹升空的简单原理研制出喷气式发动机取代了螺旋桨式飞行器,实现了洲际和太空飞行.由轮船发展成气垫船,也有类似规律.以"坏事变好事"来说,火花放电会把接触器、继电器等电器开关的触点烧毛、损蚀,而利用脉冲电源瞬时、局部的火花放电高温可用作难加工材料的尺寸加工.同样,铝饭盒盛放咸菜日久会腐蚀穿孔,钢铁器皿、小刀等在潮湿的环境下会腐蚀.钢铁在风吹雨淋时遭受锈蚀,海洋船舰的钢铁船体为了防止海水的腐蚀,得消耗巨资进行防锈、防蚀.人们研究清楚钢铁电化学锈蚀的原理后,创造了选择性阳极溶解的电解加工方法.这些都是"坏事变好事"的实例.2.试列举几种采用特种加工工艺之后,对材料的可加工性和结构工艺性产生重大影响的实例.答:这类实例是很多的,例如:⑴硬质合金历来被认为是可加工性较差的材料,因为普通刀具和砂轮无法对它进行切削磨削加工,只有碳化硅和金刚石砂轮才能对硬质合金进行磨削.可是用电火花成形加工或电火花线切割加工却可轻而易举地加工出各式内外圆、平面、小孔、深孔、窄槽等复杂表面,其生产效率往往高于普通磨削加工的生产率.更有甚者,金刚石和聚晶金刚石是世界上最硬的材料,过去把它作为刀电子的运动,所以没有正离子形成,没有发热的放电"通道"的概念,示波器,显象管中电子流的运动与此类似.基本上没有"电蚀产物"生成.(2)两金属在空气中放电的例子是电火花表面强化,涂覆.电焊,等离子切割,等离子焊等,也是在空气中放电,利用电子流在空气中撞击气体原子形成放电通道,在通道中和工件表面产生大量的热能用于强化,涂覆,切割和焊接.(3)在纯水,蒸馏水或去离子水中,两金属间电火花放电与在煤油中类似,只是水分子,原子受电子,正离子撞击发热气化,最后分解为氧原子和氢原子(分子),而不像煤油中会分解出碳原子(碳黑微粒)和氢气等.(4),(5)在乳化液中和煤油中放电过程,详见教材中有关章节,不再另行论述.2.有没有可能或在什么情况下可以用工频交流电源作为电火花加工的脉冲直流电源在什么情况下可用直流电源作为电火花加工用的脉冲直流电源(提示:轧辊电火花对磨,齿轮电火花跑合时,不考虑电极相对磨损的情况下,可用工频交流电源;在电火花磨削,切割下料等工具,工件间有高速相对运动时,可用直流电源代替脉冲电源,但为什么)答:如提示所述,在不需要"极性效应",不需要考虑电极损耗率等的情况下,可以直接用220V的50HZ交流电作为脉冲电源进行轧辊电火花对磨和齿轮电火花跑合等.不过回路中应串接限流电阻,限制放电电流不要过大.如需精规准对磨或跑合,则可在交流工频电源上并联RC电路(R=500-1000,C=0.1-0.01),再接到两个工件上.在用高速转动的金属轮或圆片作电火花磨削,电火花切割,下料时,如果可以不计电极损耗率,则就可以用全波整流或整流后并联电解电容滤波的直流电源进行电火花磨削.由于工具电极高速转动,所以一般不会产生稳定电弧烧伤工件.最好是经调压变压器降压到5-100V再整流供磨削之用,一则可以调节电压或电流,二则和220V交流电源隔离,以保障人身避免触电的危险.3.电火花加工时的自动进给系统和车,钻,磨削时的自动进给系统,在原理上,本质上有何不同为什么会引起这种不同答:电火花加工时工具电极和工件间并不接触,火花放电时需通过自动调节系统保持一定的放电间隙,而车,钻,磨削时是接触加工,靠切削力把多余的金属除去,因此进给系统是刚性的,等速的,一般不需要自动调节.4.电火花共轭同步回转加工和电火花磨削在原理上有何不同工具电极和工件上的瞬间放电之间有无相对移动加工内螺纹时为什么不会"乱扣" 用铜螺杆做工具电极,在内孔中用平动法加工内螺纹,在原理上和共轭同步回转法有何异同答:不同之处在于电火花共轭同步回转加工时:(1)工具电极和工件的转动方向相同;(2)转速严格相等(或成倍角,比例关系);(3)工具和工件上瞬时放电点之间有很慢的相对移动.而电火花磨削时工具和工件可以同向或反向转动;工具和工件的转速并不相同,磨削点之间有很大的相对移动.加工内螺纹时,其所以不会"乱扣",是因为加工中工具电极和工件的转向和转速相等,工具和工件圆周表面上有着"各点对应"的关系,所以能把工具表面的螺纹形状复制到工件表面上去而不会"乱扣".在内孔中用平动法加工内螺纹,本质上和共轭同步回转法相同,不同之处在于平动法加工时工件不转动而代之以工具电极在平动头中作"公转"行星式运动,其内外圆上"各点对应"的规则仍然存在.5,电火花加工时,什么叫做间隙蚀除特性曲线粗,中,精加工时,间隙蚀除特性曲线有何不同脉冲电源的空载电压不一样时(例如80V,100V,300V三种不同的空载电压),间隙曲线有何不同试定性,半定量地作图分析之.答:间隙蚀除特性曲线是电火花放电间隙蚀除速度和放电间隙大小(间隙平均电压的大小)之间的关系,此关系可以定量地用作图法画成间隙蚀除特性曲线.粗,中,精加工时,由于脉宽,峰值电流等电规准不同,同样大小间隙的蚀除速度也就不一样,总的来说,粗加工时蚀除速度较大,上凹的间隙蚀除特性曲线就高于中,精加工的曲线.当脉冲电源的空载电压不一样时,例如电压较高为300V时,其击穿间隙,平均放电间隙都大于100V或80V的放电间隙,因此横坐标上的A点(电火花击穿间隙)将大于100V或80V时的间隙.间隙特征曲线原点不动,整个曲线稍向右移.同理,80V空载电压的间隙特征曲线的A点将偏向左边.S/ m/V6,在电火花加工机床上用Ф10mm的纯铜杆加工Ф10mm的铁杆,加工时两杆的中心矩偏距5mm,选用=200 s, i=5.4A,各用正极性和负极性加工10min, 试画出加工后两杆的形状,尺寸,电极侧面间隙大小和表面粗糙度值(提示:利用电火花加工工艺参数曲线图表来测算).答:加工示意图见图2-1a.设先用正极性加工,加工后的图形见图b,负极损耗较大;负极性加工后的图形见图c,正极工具损耗较小.具体数据请自行在图中标明,并与书中工艺曲线图表进行对照比较).图2-17,电火花加工一个纪年章浅型腔花模具,设花纹模电极的面积为10mm×20mm=200,花纹的深度为0.8㎜,要求加工出模具的深度为1㎜,表面粗糙度为=0.63 m,分粗,中,精三次加工,试选择每次的加工极性,电规准脉宽,峰值电流,加工余量及加工时间,并列成一表(提示:用电火花加工工艺参数曲线图表来计算).答:可按书中电火花加工工艺曲线图表选择粗,中,精加工的规准.例如:极性脉宽脉间峰值电流加工余量加工后表面粗糙度时间粗加工(可不加抬刀)负600 s100 s10A0.9㎜3 m约30min中加工(加抬刀)负100 s50 s4A0.08㎜1.25 m30min精加工(加正20 s50 s2A0.02㎜30min 答:不同之处在于电火花共轭同步回转加工时:(1)工具电极和工件的转动方向相同;(2)转速严格相等(或成倍角,比例关系);(3)工具和工件上瞬时放电点之间有很慢的相对移动.而电火花磨削时工具和工件可以同向或反向转动;工具和工件的转速并不相同,磨削点之间有很大的相对移动.加工内螺纹时,其所以不会"乱扣",是因为加工中工具电极和工件的转向和转速相等,工具和工件圆周表面上有着"各点对应"的关系,所以能把工具表面的螺纹形状复制到工件表面上去而不会"乱扣".在内孔中用平动法加工内螺纹,本质上和共轭同步回转法相同,不同之处在于平动法加工时工件不转动而代之以工具电极在平动头中作"公转"行星式运动,其内外圆上"各点对应"的规则仍然存在.第三章电火花线切割加工1.电火花线切割时,粗,种,精加工时生产率的大小和脉冲电源的功率,输出电流的大小有关.用什么方法衡量,判断脉冲电源加工性能的好坏(绝对性能和相对性能)答:可用单位电流(每安培电流)的生产率来衡量,即可客观地判断脉冲电源加工性能的好坏.例如某脉冲电源峰值电流25A时的切割速度为100mm2/min,另一电源峰值电流27A时切割速度为106mm2/min,则前者的相对生产率为100/25=4mm2/min,优于后者106/27=3.9mm2/min .又如某线切割脉冲电源3A s时切割速度为100mm2/min,另一电源3,5A时为124mm2/min,则前者相对切割速度为33.3mm2/min,后者35.5mm2/min.2.电火花加工和线切割加工时,如何计算脉冲电源的电能的利用率试估计一般线切割方波脉冲电源的电能利用率答:设脉冲电源的空载电压为100V ,加工时火花放电间隙的维持电压为25V则消耗在晶体管限流电阻上的电压为100-25=75V,由此可以算出电能利用率:有用能量:输入能量=25:100=1:4=25%能量的消耗率为:损耗能量:输入能量=75:100=3:4=75%可见75%的能量损耗在限流电阻的发热上.3.设计一个测量,绘制数控线切割加工的间隙蚀除特性曲线的方法(提示:使线切割等速进给,由欠跟踪到过跟踪).答:这一习题有一定的难度,需对间隙蚀除特性曲线和线切割加工伺服进给系统有一定深度的理解才行.间隙蚀除特性曲线是蚀除速度和放电间隙(间隙平均电压)的关系曲线(参见第二章电火花加工的伺服进给).线切割加工时,调节伺服进给量的大小,可以在一定程度上改变平均放电间隙.例如把进给速度人为放慢,处于"欠进给"状态,则平均放电间隙偏大,反之,进给速度过高,"过进给"时,则放电间隙偏小.测绘间隙蚀除特性曲线时,利用"改变预置进给速度"来改变放电间隙的大小.实际上放电间隙的大小(绝对值)很难测量,但可以用加工时的平均间隙电压大小来相对测量间隙值的大小.为此,要在工件和钼丝(导电块)或直接在电源输出端并一个满刻度100V(用于测空载,偏空载时的开路间隙电压),20V(用于测偏短路时的间隙电压)的直流电压表.实际测绘时,先不用线切割机床的"自动档"(伺服)进给,而采用"人工档"(等速进给)进给功能.最初用较慢的等速进给速度进行切割,此时处于"欠跟踪"的进给状态,待切割稳定后就记下进给速度和此时的间隙平均电压,在坐标上作出曲线上的某一点.以后稍微调快进给速度(仍为等速进给),同样测得第二,三```点的数据.当调节到进给速度约等于蚀除速度时,此时即为最佳状态 B 点放电间隙为最佳放电间隙SB 此时的切割速度为最大.当以更大的进给速度(等速)切割时,由于没有伺服功能,进给速度大于可能的蚀除速度,放电间隙逐步减小,最后即将形成短路,放电间隙为零.此时应尽快停止进给,并事先作好记录.在曲线最高点B只右,用上述方法比较容易做出间隙蚀除特性曲线的右半部分.但B点左边的曲线,因放电间隙逐步减小并趋于短路,易把钼丝顶弯,因此应多加小心.4.一般线切割加工机床的进给调解特性曲线和电火花加工机床的进给特性曲线有何不同与有短路回退功能的线切割加工机床的进给调解特性曲线又有什么不同答:一般线切割机床的进给的进给系统,往往没有短路回退功能,或短路后经一定时间例如30s后仍不能自动消除短路状态,则回退256步(相当于0.256 mm),如仍不能消除短路,则自动停止进给或同时报警,这与电火花成型加工机床遇短路即退回不一样.上述无短路回退功能的线切割机床的进给特性曲线就不会有横坐标左下部分的曲线,亦即工具电极(钼丝)的进给速度vd没有负值.即使有短路回退功能的线切割机床,短路后的回退速度是固定的(不象电火花成型加工机床那样短路后将以较高的速度vd0回退),所以进给调节特性曲线的左下部为窄小矩形,即放电间隙较小时,进给速度vd《0,一旦完全短路后,钼丝才低速(恒速)回退.5.设计一个测量,绘制数控线切割加工机床的进给调解特性曲线的方法(提示:在线切割机床上做空载模拟实验.用可调的的直流电源模拟火花间隙的平均电压).答:这一习题也有一定难度,需对线切割机床的变频进给系统有一定的了解.线切割机床的进给速度vd是由火花放电间隙的平均电压ue来决定的.ue越大,vd亦大,ue小vd也小,ue=0,vd=0或等速回退.为此可以用"模拟法"来测绘线切割加工机床的进给调解特性曲线.具体的的方法是:使线切割机床处于加工状态,可不开丝筒,不开高频电源,但应使工作台处于"人工"等速进给状态.此时工作台进给的"取样电压",并不是来自火花放电间隙的平均电压ue(ue再经电阻分压成10~12v的电压,经"变频调节"电位器送至"压—频"(u-f)转换器,将此低电压u转换成进给脉冲,频率为f,另工作台进给),而是由+12V的外加电压,经"变频调节"电位器调压输入至"压—频"(u-f)转换器.低电压0V相当于间隙短路,最高10~12V相当于间隙开路状态.可以将此电压由低向高调节,例如0V,2V,4V,6V,8V,10V……直至12V,模拟不同的ue.记录下每种不同电压时的工作台进给速度(可以从控制器面板数显表上测得),然后即可绘制出进给调节特性曲线.6.今拟用数控线切割加工有8个齿的爪牙离合器,试画出其工艺示意图并编制出相应的线切割3B相应程序.答:由于爪牙离合器工件是圆筒形的,端面上需切割出8个爪牙方齿,故切割时必须有一个数控回转工作台附件.办法为先在圆套筒上钻一个∮1~2mm的穿丝孔,装夹好工件后,调整到穿丝孔为最高点时穿丝,回转台转动切除爪牙的端面,见示意图.(俯视图)切割的程序(一次切出凹,凸两个爪牙离合器)为:BBBJ=穿丝孔距离GXL3(x向移动)BBBJ=1/2齿宽GYL4(y向转动)BBBJ=齿深GXL3(x向移动)BBBJ=齿宽GYL4(y向转动)BBBJ=齿深GXL1(x向移动) BBBJ=齿宽GYL4(y向转动)第四章电化学加工1.从原理和机理上来分析,电化学加工有无可能发展成为"纳米级加工"或"原子级加工"技术?原则上要采用哪些措施才能实现?答:由于电化学加工从机理上看,是通过电极表面逐层地原子或分子的电子交换,使之在电解液中"阳极溶解"而被去除来实现加工的,可以控制微量、极薄层"切削"去除。
名词解释气浮导轨P24:运动导轨的底平面和两侧导轨面通有压缩空气,使运动部件浮起的这种导轨形式称为气浮导轨。
非接触抛光P47:非接触抛光是一种研磨抛光新技术,是指在抛光中工件与抛光盘互不接触,依靠抛光剂冲击工件表面,以获得加工表面完美结晶性和精确形状的抛光方法。
精密研磨P44:精密研磨属于游离磨粒切削加工,是在刚性研具上注入磨料,在一定压力下,通过研具与工件的相对运动,借助磨粒的微切削作用,去除微量的工件材料,以达到高级几何精度和优良表面粗糙度的加工方法。
电解磨削P156:是电解作用与机械磨削相结合的一种特种加工方法,具有较好的加工精度和表面粗糙度,比机械磨削具有较高的生产率。
超声波加工P192:超声波加工是利用工具端面做超声频振动,通过磨料悬浮液加工脆性材料的一种成形加工方法。
固结磨料加工P38:就是利用固结磨具(砂轮、油石)或涂覆磨具(砂带)对黑色金属、硬脆材料的精密加工方法。
微细加工:微细加工技术是指制造微小尺寸零件的生产技术。
从广义角度来说,微细加工包含了各种传统精密加工方法和与传统精密加工方法完全不同的新方法,从狭义的角度来说,微细加工主要是指半导体集成电路制造技术。
电火花加工极性效应P58:仅由于正负极性接法不同而正极和负极材料电蚀量不一样的现象叫极性效应。
激光焊接P186:焊接过程属传导焊接,即激光辐照加热工件表面,产生的热量通过热传导向内部传递。
在工件上形成一定深度的熔池,冷却凝固以后就将工件焊接完成。
离子镀膜P213:是在真空条件下,利用气体放电使气体或被蒸发物质部分离化,在气体离子或被蒸发物质离子轰击作用的同时把蒸发物或者反应物沉积在基片上成膜。
、表面光泽如镜的磨削镜面磨削P41:镜面磨削是指加工表面粗糙度达到R a0.02~0.01m方法。
空气静压轴承P19:在转轴和轴承瓦之间,通入压缩空气,将轴承和转轴分开,以压缩空气承受径向载荷的一种轴承形式。
等脉冲电源P72:是指每个脉冲在介质击穿后所释放的单个脉冲能量相等。
1-1试述精密和超精密加工技术对发展国防和尖端技术的重要意义。
精密和超精密加工是国际竞争取得成功的关键技术。
许多现代技术产品需要高精度制造。
发展尖端技术,发展国防工业,发展微电子工业等都需要精密和超精密加工制造出来的仪器设备。
1-2从机械制造技术发展看,过去和现在达到怎样的精度可被称为精密和超精密加工精密加工:加工精度0.1~1um表面粗糙度Ra在0.02~0.1um超精密加工:加工精度高于0.1um表面粗糙度Ra小于0.01um1-3精密和超精密加工现在包括那些领域。
1)超精密切削(各种镜面)2)精密和超精密磨削研磨(集成电路基片和高精度磁盘)3)精密特种加工(电子束、离子束加工使美国超大规模集成电路线宽达到0.1um)1-4试展望精密和超精密加工技术的发展。
对精密和超精密加工技术给予足够的重视,投入较多的人力物力进行研究和发展,在生产中稳定纳米加工,扩大应用亚微米加工技术,并开始纳米级加工的试验研究,则在10~15年内有希望达到美国等先进国家的水平。
可先在某些单项技术上取得突破,逐步使我国的精密和超精密加工技术达到国际先进水平。
1-5我国的精密和超精密加工技术和发达国家相比情况如何与发达国家相比,仍有不少的差距。
不少精密机电产品尚靠进口。
有些靠老工人手艺,且报废高。
某些精密机电产品我国虽已能生产,但其中的核心关键部件仍需依靠进口,我国每年需进口大量尚不能生产的精密数控机床设备。
1-6我国要发展精密和超精密加工技术,应重点发展哪些方面的内容?1)超精密切削、磨削的基本理论和工艺2)超精密设备的关键技术、精度、动特性和热稳定性3)超精密加工的精度检测、在线检测和误差补偿4)超精密加工的环境条件;5)超精密加工的材料2-1金刚石刀具超精密切削有哪些应用范围?用于加工铝合金、无氧铜、黄铜、非电解镍等有色金属和某些非金属材料。
用于加工陀螺仪、激光反射镜、天文望远镜的反射镜、红外反射镜和红外透镜、雷达的波导管内腔、计算机磁盘、激光打印机的多面棱镜、复印机的硒鼓、菲尼尔透镜2-2金刚石刀具超精密切削的切削速度如何选择?根据所使用的超精密机床的动特性和切削系统的动特性选取,即选择振动最小的转速。
第四章电化学加工1.从原理和机理上来分析,电化学加工有无可能发展成为"纳米级加工"或"原子级加工"技术?原则上要采用哪些措施才能实现?答:由于电化学加工从机理上看,是通过电极表面逐层地原子或分子的电子交换,使之在电解液中"阳极溶解"而被去除来实现加工的,可以控制微量、极薄层"切削"去除。
因此,电化学加工有可能发展成为纳米级加工或原子级的精密、微细加工。
但是真的要实现它,从技术上讲还有相当难度。
主要是由于电化学加工的实质是实现选择性阳极溶解或选择性阴极沉积,只要能把这种溶解或沉积的大小、方向控制到原子级上就可以了。
但是由于它们的影响因素太多,如温度、成分、浓度、材料性能、电流、电压等,故综合控制起来还很不容易。
2.为什么说电化学加工过程中的阳极溶解是氧化过程,而阴极沉积是还原过程?答:从电化学过程来说,凡是反应过程中原子失去电子成为正离子(溶入溶液)的,称为氧化,反之,溶液中的正离子得到电子成为中性原子(沉积在阴极上)的称为还原,即由正离子状态还原成为原来的中性原子状态。
例如在精炼电解铜的时候,在电源正极上纯度不高的铜板上的铜原子在电场的作用下,失去两个电子成为Cu 2+正离子氧化而溶解入CuCl2溶液,而溶液中的Cu 2+正离子在阴极上,得到两个电子还原成为原子而沉积在阴极上。
3.原电池、微电池、干电池、蓄电池中的正极和负极,与电解加工中的阳极和阴极有何区别?两者的电流(或电子流)方向有何区别?答:原电池、微电池、干电池和蓄电池中的正极,一般都是较不活泼的金属或导电体,而其负极,则为较活泼的金属。
例如干电池,正极为不活泼的石墨(碳)棒,负极为活泼金属锌,蓄电池的正极是不活泼的铅。
金属与导电液体形成的微电池中的正极往往是不活泼的碳原子或杂质。
两种活泼程度不同的金属(导电体)在导电溶液中发生电化学反应能产生电位差,电位较正的称为"正极",流出电流(流入电子流),电位较低的流入电流(流出电子流)。
一、名词解释:1.极性效应在电火花加工中,把由于正负极性接法不同而蚀除速度不同的现象叫极性效应。
2.线性电解液如NaCl 电解液,其电流效率为接近100% 的常数,加工速度V L和与电流密度i的曲线为通过原点的直线(灯=耳山),生产率高,但存在杂散腐蚀,加工精度差。
3.平衡间隙(电解加工中)当电解加工一定时间后,工件的溶解速度vL和阴极的进给速度v相等,加工过程达到动态平衡,此时的加工间隙为平衡间隙△ b 。
4.快速成形技术是一种基于离散堆积成形原理的新型成形技术,材料在计算机控制下逐渐累加成形,零件是逐渐生长出来的,属于“增材法”。
5.激光束模式激光束经聚焦后光斑内光强的分布形式。
二、判断题:01.实验研究发现,金刚石刀具的磨损和破损主要是由于111晶面的微观解理所造成的。
(“)02.电解加工时由于电流的通过,电极的平衡状态被打破,使得阳极电位向正方向增大(代数值增大)。
(V)03.电解磨削时主要靠砂轮的磨削作用来去除金属,电化学作用是为了加速磨削过程。
(X)04.与电火花加工、电解加工相比,超声波加工的加工精度高,加工表面质量好,但加工金属材料时效率低。
(V)05 .从提高生产率和减小工具损耗角度来看,极性效应越显着越好,所以,电火花加工一般都采用单向脉冲电源。
(V)06.电火花线切割加工中,电源可以选用直流脉冲电源或交流电源。
(X)07.阳极钝化现象的存在,会使电解加工中阳极溶解速度下降甚至停顿,所以它是有害的现象,在生产中应尽量避免它。
(X)08.电子束加工是利用电能使电子加速转换成动能撞击工件,又转换成热能来蚀除金属的。
(V)09.电火花线切割加工中,电源可以选用直流脉冲电源或交流电源。
(X)10.电火花加工是非接触性加工(工具和工件不接触),所以加工后的工件表面无残余应力。
(X)11.电化学反应时,金属的电极电位越负,越易失去电子变成正离子溶解到溶液中去。
(V)12.电解加工是利用金属在电解液中阴极溶解作用去除材料的,电镀是利用阳极沉积作用进行镀覆加工的。
1-1试述精密和超精密加工技术对发展国防和尖端技术的重要意义。
精密和超精密加工是国际竞争取得成功的关键技术。
许多现代技术产品需要高精度制造。
发展尖端技术,发展国防工业,发展微电子工业等都需要精密和超精密加工制造出来的仪器设备。
1-2从机械制造技术发展看,过去和现在达到怎样的精度可被称为精密和超精密加工精密加工:加工精度0.1~1um表面粗糙度Ra在0.02~0.1um超精密加工:加工精度高于0.1um表面粗糙度Ra小于0.01um1-3精密和超精密加工现在包括那些领域。
1)超精密切削(各种镜面)2)精密和超精密磨削研磨(集成电路基片和高精度磁盘)3)精密特种加工(电子束、离子束加工使美国超大规模集成电路线宽达到0.1um)1-4试展望精密和超精密加工技术的发展。
对精密和超精密加工技术给予足够的重视,投入较多的人力物力进行研究和发展,在生产中稳定纳米加工,扩大应用亚微米加工技术,并开始纳米级加工的试验研究,则在10~15年内有希望达到美国等先进国家的水平。
可先在某些单项技术上取得突破,逐步使我国的精密和超精密加工技术达到国际先进水平。
1-5我国的精密和超精密加工技术和发达国家相比情况如何与发达国家相比,仍有不少的差距。
不少精密机电产品尚靠进口。
有些靠老工人手艺,且报废高。
某些精密机电产品我国虽已能生产,但其中的核心关键部件仍需依靠进口,我国每年需进口大量尚不能生产的精密数控机床设备。
1-6我国要发展精密和超精密加工技术,应重点发展哪些方面的内容?1)超精密切削、磨削的基本理论和工艺2)超精密设备的关键技术、精度、动特性和热稳定性3)超精密加工的精度检测、在线检测和误差补偿4)超精密加工的环境条件;5)超精密加工的材料2-1金刚石刀具超精密切削有哪些应用范围?用于加工铝合金、无氧铜、黄铜、非电解镍等有色金属和某些非金属材料。
用于加工陀螺仪、激光反射镜、天文望远镜的反射镜、红外反射镜和红外透镜、雷达的波导管内腔、计算机磁盘、激光打印机的多面棱镜、复印机的硒鼓、菲尼尔透镜2-2金刚石刀具超精密切削的切削速度如何选择?根据所使用的超精密机床的动特性和切削系统的动特性选取,即选择振动最小的转速。
特种加工习题答案特种加工习题答案特种加工是一门重要的工艺学科,它涉及到各种材料的加工方法和技术。
在学习特种加工的过程中,习题是不可或缺的一部分。
通过解答习题,我们可以更好地理解和掌握特种加工的知识和技能。
下面,我将为大家提供一些特种加工习题的答案,希望对大家的学习有所帮助。
1. 什么是特种加工?特种加工是指对特定材料进行特殊的加工处理,以获得特定形状、尺寸、表面质量和性能的一种加工方法。
它包括了各种特殊的切削、成形、焊接、热处理等工艺,适用于各种特殊材料的加工。
2. 特种加工的主要特点是什么?特种加工与普通加工相比,具有以下几个主要特点:(1) 针对特定材料:特种加工是为了满足特定材料的加工需求而设计的,它考虑了材料的特性、性能和加工难度等因素。
(2) 高精度要求:特种加工通常需要达到较高的加工精度,以满足特定的工程要求。
(3) 复杂工艺:特种加工涉及到各种复杂的工艺和技术,需要熟练掌握相应的操作方法和技巧。
(4) 高技术含量:特种加工需要运用先进的设备和技术,对操作人员的技术水平要求较高。
3. 特种加工的分类有哪些?特种加工可以根据加工方法的不同进行分类,主要包括以下几个方面:(1) 特殊切削加工:如超硬刀具切削、高速切削、激光切削等。
(2) 特殊成形加工:如激光成形、电火花成形、超声波成形等。
(3) 特殊焊接加工:如激光焊接、电子束焊接、摩擦焊接等。
(4) 特殊热处理:如等离子表面强化、激光表面改性、电子束表面改性等。
4. 特种加工的应用领域有哪些?特种加工广泛应用于航空航天、汽车制造、电子信息、光电子、生物医学等领域。
它可以提供高精度、高效率和高质量的加工服务,为各行各业的发展做出了重要贡献。
5. 如何提高特种加工的技术水平?要提高特种加工的技术水平,可以从以下几个方面入手:(1) 学习基础知识:掌握特种加工的基本理论和原理,了解各种特殊材料的特性和加工方法。
(2) 多实践、多实习:通过实践和实习,加深对特种加工工艺的理解和掌握,熟悉各种特殊设备的操作方法。
第五章激光打印1.激光为什么比普通光有更大的加工瞬时能量和功率密度为什么称它为"激"光答:因为激光器可在较长时间吸收,积聚某一波长光的能量,然后在很短的时间内放出,并且通过光学透镜将大面积光通道上的激光束聚焦在很小的焦点上,经过时间上和空间上的两次能量集中,所以能达到很大的瞬时能量和功率密度.其所以称之为"激光",是因为激光器中的工作物质吸收某一波长的光能,达到粒子数反转之后,再受到这一波长的光照后,就会瞬时受激,产生跃迁,并发出与此波长相同的激光.2.试述激光加工的能量转换过程,即如何从电能具体转换为光能又转化为热能来蚀除材料的答:固体激光器一般都用亮度很高的氙灯将电能转变为光能,使激光器内的工作物质如红宝石中的铬离子,钕玻璃或钕钇铝石榴石(YAG)中的钕离子吸收光能,达到粒子数反转状态,经触发而产生功率密度很大的强激光,照射到工件上的光能转换为热能,使材料气化而蚀除材料.3.固体,气体等不同激光器的能量转换过程是否相同如不相同,则具体有何不同答:并不完全相同.固体激光器有由电能点燃氙灯等强光源(光泵),将电能转换为能使激光器吸收的一般光,到一定程度后发出激光.而气体激光器则直接由电激励激光物质,例如二氧化碳分子,使之连续产生激光.4.不同波长的红外线,红光,绿光,紫光,紫外线光能转换为热能的效率有何不同答:不同波长,频率的光所含的能量E=hv,其中v为光的频率,h为普朗克常数.可见光所含的能量和其频率成正比.但照射到物体上后光能转换成热能的大小,即光能转换的频率,却随波长(频率)和物体对该光波的吸收率不同而不同.例如红光或红外线照射到人体皮肤上,人们感觉到远比绿光,紫光更温暖,因为皮肤吸收红光的效率远比其他广博为高.同样激光打孔,切割时,影响光能转换为热能效率的因素,除材料对该光波的吸收率外,还有反射率也起很大作用,因此很难加工反射率很高的光洁镜面.5.从激光产生的原理来思考,分析,它以后如何被逐步应用于精密测量,加工,表面热处理,甚至激光信息存储,激光通信,激光计算机等技术领域的这些应用的共同技术基础是什么可以从中获得哪些启迪答:激光之所以能广泛应用于上述高,新技术中,主要是基于它的一系列固有的特点,例如单色性,相干性,方向性极好,瞬时功率,能量密度极大等技术基础.以激光通信为例,由于光的频率高,波长短,发射角小,故具有下列优点:(1)信息容量大,传送路数多.因为信息容量和信息道的带宽成正比.带宽愈宽容量愈大.光波的频率极高,约可容纳100亿个通话线路;若每个电视台占用10MHZ带宽,则可同时播送1000万套电视节目而互不干扰.这是过去任何一种通信系统所不能达到的巨大通信容量.(2)通信距离远,保密性能好.由天线发射的波束,其发散角和λ∕D成正比(λ为波长,D为天线直径).所以波长愈短,天线愈大,发射就愈小.例如,对于波长为1 m的光波,若用直径20cm的透镜(就是激光的发射天线),那么发射角就只是1.1,而对于微波来说,即使使用庞大的天线,发射角仍有几度.由于激光束发射角很小,能量集中在狭小的范围内,以此可以把信息传送到很远的距离.这对空间通信,宇宙通信有重要的意义.激光束不仅发射角小,而且可以采用不可见光,因此敌人不易从中截获,保密性能好.(3)结构轻便,设备经济.由于激光的发散角小,方向性好,光通信所需的发射天线和接收天线都可以做得很小.一般天线直径为几十厘米,重量不过几公斤.而功能类似的微波天线,重量以十吨,百吨计.激光电视与普通电视相比,后者存在着屏幕小,亮度低,设备庞大等缺点.而激光电视则:(1)摄像时无需外部照明,免除了庞大的照明设备,因而轻便,激动,还可以拍摄完全处于黑暗中的景物.以其狭窄的光束迅速扫描,即使在黑暗中也难于觉察.若采用不可见的紫外光或红外光,则肉眼根本无法发现,保密性极高.(2)激光摄像无需成像光学系统.物体不管多远,都在焦点上.其有效范围仅受短距离的视觉和长距离的信号功率的限制.至于显示过程,在普通电视中,传递的电视图象显示在显象管的荧光屏上.而在激光电视中,图象可以通过显示器在普通的电影屏幕上.由于激光具有很高的亮度,所以激光电视图象的亮度很高,可以在白天普通的房子里观看,不需要暗室设备.(3)激光显示不需要在真空条件下工作,显示图象的屏幕单独摆在大气空间,这样电视图象就可以放得很大.根据现有水平,图象面积可达3×4m 甚至更大.看电视和看电影一样.这是激光电视的一个重要特色.由于激光束很平行,激光显示的清晰度可以做得比较高.由于激光的颜色很纯,因而所显示图象色彩鲜艳.以上给人的启迪是:任何一种物理化学现象,只要有它一定的与众不同的特点,就有可能发展成为一种有用的新技术,所谓天生其物,比有其用.第六章电子束和离子束加工电子束加工和离子束加工在原理上和在应用范围上有何异同答:二者在原理上的相同点是基于带电粒子于真空中在电磁场的加速,控制作用下,对工件进行撞击而进行加工.其不同处在于电子束加工加速转换成电能,在撞击工件时动能转换成热能使金属熔化,气化而被蚀除.而离子束加工是电能使质量较大的正离子加速后,打到工件表面,是靠机械撞击能量使工件表面的原子层变形,破坏或切除分离,并不发热.在工艺上:有离子刻蚀,渐射沉积,离子镀,离子注入(表面改性)等多种形式,而不象电子束加工,有打孔,切割,焊接,热处理等形式.2.电子束加工,离子束加工和激光加工相比各自的使用范围如何,三者各有什么优缺点答:三者都适用于精密,微细加工,但电子束,离子束需在真空中进行,因此加工表面不会被氧化,污染,特别适合于"清洁","洁净"加工.离子束主要用于精微"表面工程",激光因可在空气中加工,不受空间结构的限制,故也适用于大型工件的切割,热处理等工艺.3.子束,离子束,激光束三者相比,哪种束流和相应的加工工艺能聚焦得更细最细的焦点直径大约是多少答:激光聚焦后焦点的直径取决于光的波长.波长为0.69 m的红色激光,聚焦的光斑直径很难小于1 m,因为聚焦透镜有像差等误差.二氧化碳气体激光器发光1.06 m的红外激光,其焦点光斑直径更大.波长较短的绿色激光和准分子激光器可获得较小的焦点,常用于精密,微细加工.电子束最佳时可获得0.25 m的聚焦直径.可用于制作大规模集成电路的光刻.如果用波长很短的X光射线(波长为10-9-10-10,即1-0.1nm),可得到0.1 m左右的聚焦直径.4.电子束加工装置和示波器,电视机的原理有何异同之处答:它们都有一个电子枪用来发射电子,使电子奔向高电压的正极,而后再用线圈(电磁透镜)进行聚焦,用电场进行偏转,控制扫描出图形来.只不过电子束加工装置的功率较大,而示波器,电视机的功率较小而已.彩色电视机因有红,蓝,黄三种基本色,故需有三个电子枪,结构和控制更为复杂.第七章超声加工超声加工时的进给系统有何特点答:超声加工时的进给系统是靠重锤通过杠杆使工具轻轻压在工件上,靠轻微的压力使工具端面和磨粒与工件表面接触,工件表面去掉多少,进给多少,是悬浮式的柔性进给系统,而不是刚性的进给系统实现的,它与机械加工和电火花加工的进给系统不一样.2.一共振频率为25KHZ的磁致伸缩型超声清洗器,底面中心点的最大振幅为0.01mm,试计算该点最大速度和最大加速度.它是重力加速度g的多少倍如果是共振频率为50KHZ的压电陶瓷型超声清洗器,底面中心点的最大振幅为0.005mm,则最大速度和加速度又是多少答:按教材中超声振动时的最大速度Vmax和最大加速度amax 计算公式Vmax=wA=2πfA=2π×25000×0.01=1570.8mm/s=1.57m/s,amax=w A=4π ×25000 ×0.01=246.74×106mm/s =246740m/s ,是地心加速度g=9.8m/s 的25000倍.如果共振频率增加为一倍f=50KHZ,振幅减小成一半A=0.005mm,则Vmax=1.57×2/2=1.57mm/s,amax=246740×4/2=493480m/s ,是地心加速度g的5000倍.3.试判断超声加工时:(1)工具整体在作超声振动;(2)只有工具端面在作超声振动;(3)工具各个横截面都在作超声振动,单个截面同一时间的振幅并不一样;(4)工具各个横截面依次都在作"原地踏步"式的振动.以上各点,哪种说法最确切有无更确切的说法答:以上说法中,(3)比较确切,超声波在工具(变幅杆)内传递时,各个横截面都在作超声振动,单个截面在同一时间的振幅不一样,有的截面始终为零(如固定超声系统的驻波点),有的有时振幅最大,如工具端面的加工点.最确切的说法是,应按教材中的超声波在固体中的传播过程,各质点都在传播方向上振动,但传到端面后波在反射,两者的合成运动才是各质点的实际运动.4.超声波为什么能"强化"工艺过程,试举出几种超声波在工业,农业或其他行业中的应用.答:超声波因具有较大的瞬时速度,尤其是瞬时加速度,故可用作强化工艺过程.如工业中的粉碎(使物质颗粒细化),乳化.在农业上可用强超声处理种子优化品种,在医学上可用强超声波击碎人体内的肾结石,胆结石等等.第八章快速成型加工1.快速成型的工艺原理与常规加工工艺有何不同具有什么优点答:快速成型在工艺原理上是"增材法",与切削加工,电火花蚀除,电化学阳极溶解等"减材法"不同.其特点是整个工艺过程建立在激光(断层)扫描,数控技术,计算机CAD技术,高分子材料等高科技基础之上,因此工艺先进,柔性好,生产周期短.2.试对常用的快速成型工艺作一优缺点比较.答:下表是4种快速成形工艺的综合比较.几种最常用的快速成形工艺优缺点比较第九章其它特种加工试列表归纳,比较本章中各种特种加工方法的优缺点和适用范围. 答:优点缺点适用范围化学铣削加工可大面积多工件同时加工不易加工深孔,型孔航空航天零件减薄,去毛刺光化学腐蚀加工可刻蚀精度的文字图案刻蚀深度有限用于相片制版,刻蚀精细的网孔图案等离子体加工可高速切割难加工材料切割精度较差,割缝较宽切割,下料各种难加工金属挤压研磨可去除内(外)表面的毛刺和改善表面质量只是表面加工,不能改变尺寸表面光整加工水射流切割可对任何材料切割下料,加工速度高,无毛刺,无残余应力切缝较宽,尺寸精度较差适用于石材,钢筋,水泥板等切削磁性磨料研磨可无应力表面光整加工去除量小,生产率较低精密零件的表面光整加工2.如何能提高化学刻蚀加工和光化学腐蚀加工的精密度(分辨率) 答:在腐蚀液中加入保护剂等添加剂,以减小"钻蚀",详见教材有关章节.3.从水滴穿石到水射流切割工艺的实用化,在思想上有何启迪要具体逐步解决什么技术关键问题答:滴水穿石因能量密度较小,所以只能靠长年累月时间才能穿石.要提高穿石的速度,水射流切割技术中应使超高的水由小孔中喷出,尤其是水中混有细小磨料颗粒高速撞击工件表面,更能提高单位面积上的能量密度和切割速度.当然喷嘴的材料小孔的加工也是关键问题.4.人们日常工作和日常生活中,有哪些物品,商品(包括工艺美术品等),是由本书所述的特种加工方法制造的答:很多家电的外壳,内部构件,如电视机,照相机,洗衣机等的模具都是由电火花,线切割等很多方法制造的.汽车,门窗,建筑用的铝材型品都是电火花,线切割加工的拉伸,挤压模具,又经过挤压抛光后拉制的.有些金黄色的手表壳,手链都是离子镀覆的氮化钛.有些太阳眼镜是离子镀覆的反光层.珍珠项链等采用超声钻孔,金银首饰厂用超声清洗首饰.电动剃须刀的网罩是电铸的产物,手表中宝石轴承小孔都是经过激光打孔而后又用超声研磨的.诸如此类,不胜枚举.爪牙侧面穿丝孔数控回转台。
《精密加工与特种加工》一、填空题(每空1分,共10分)1、超精密加工对机床的基本要求是:、高刚度、、高自动化。
2、微量切削加工中,由于材料晶粒的机械性能不同产生的的影响,使得材料纯度越高加工质量越好。
3、精密切削时被挤压的材料在刀具移过之后,工件加工表面形成隆起,称之为。
4、精密加工对环境条件的要求主要有、、空气洁净。
5、超硬磨料砂轮的修整包括和两个过程。
6、金刚石晶体主要的晶面指数有(100)晶面、、。
二、判断题(正确的打√,错误的打×,每小题1分,共10分)1、金刚石刀具尖刃安装方便,磨损后需要立即重磨。
()2、超硬磨料砂轮可以磨削陶瓷但不能磨削铁类黑色金属。
()3、金刚石刀具常用来加工陶瓷、玻璃等硬脆材料。
()4、金刚石刀具方向选择不当,在切削力作用下,刀具可能产生解理劈开。
()5、金刚石刀具切削加工进给量对表面质量的影响很大程度上取决于刀具的几何形状。
()6、一般常用金刚石刀具加工硬质合金、铸铁等材料。
()7、金刚石刀具精密切削时,为获得高质量表面,一定要采用高的加工速度。
()8、多面镜可以用金刚石刀具进行车削。
()9、微量切削时,由于晶界段差的影响,晶粒越细工件表面质量越好。
()10、切削深度的分辨率是指切削厚度的稳定性。
()三、单项选择题(从以下选项中选出1个正确答案,每小题1分,共15分)1、下列哪种方法不是金刚石晶体的定向方法。
A、人工目测B、激光定向C、X射线定向D、离心法2、下列四个选项中,属于超硬磨料的是。
A、白刚玉B、棕刚玉C、立方氮化硼D、碳化硼3、下列哪个选项不是精密超精密机床上采用的导轨的结构形式。
A、空气静压导轨B、液体静压导轨C、气浮导轨D、滑动导轨4、下列精度不属于当前精密加工精度范围的是。
A、1-0.1umB、0.01mmC、Ra0.01umD、Rmax0.2um5、由于金刚石刀具材料很高,所以对机床动态精度及抗振性要求高。
A、硬度B、韧性C、脆性D、强度6、金刚石刀具切削时多采用冷却润滑液,下列哪项不是其主要作用。
特种加⼯第六版课后习题答案第⼀章绪论1.从特种加⼯的发⽣和发展来举例分析科学技术中有哪些事例是"物极必反" 有哪些事例是"坏事有时变为好事"答:这种事例还是很多的.以"物极必反"来说,⼈们发明了螺旋桨式飞机,并不断加⼤螺旋桨的转速和功率以提⾼飞机的飞⾏速度和飞⾏⾼度.但后来⼈们发现证实螺旋桨原理本⾝限制了飞机很难达到⾳速和超⾳速,随着飞⾏⾼度愈⾼,空⽓愈稀薄,螺旋桨的效率愈来愈低,更不可能在宇宙空间中飞⾏.于是⼈们采⽤爆⽵升空的简单原理研制出喷⽓式发动机取代了螺旋桨式飞⾏器,实现了洲际和太空飞⾏.由轮船发展成⽓垫船,也有类似规律.以"坏事变好事"来说,⽕花放电会把接触器、继电器等电器开关的触点烧⽑、损蚀,⽽利⽤脉冲电源瞬时、局部的⽕花放电⾼温可⽤作难加⼯材料的尺⼨加⼯.同样,铝饭盒盛放咸菜⽇久会腐蚀穿孔,钢铁器⽫、⼩⼑等在潮湿的环境下会腐蚀.钢铁在风吹⾬淋时遭受锈蚀,海洋船舰的钢铁船体为了防⽌海⽔的腐蚀,得消耗巨资进⾏防锈、防蚀.⼈们研究清楚钢铁电化学锈蚀的原理后,创造了选择性阳极溶解的电解加⼯⽅法.这些都是"坏事变好事"的实例.2.试列举⼏种采⽤特种加⼯⼯艺之后,对材料的可加⼯性和结构⼯艺性产⽣重⼤影响的实例.答:这类实例是很多的,例如:⑴硬质合⾦历来被认为是可加⼯性较差的材料,因为普通⼑具和砂轮⽆法对它进⾏切削磨削加⼯,只有碳化硅和⾦刚⽯砂轮才能对硬质合⾦进⾏磨削.可是⽤电⽕花成形加⼯或电⽕花线切割加⼯却可轻⽽易举地加⼯出各式内外圆、平⾯、⼩孔、深孔、窄槽等复杂表⾯,其⽣产效率往往⾼于普通磨削加⼯的⽣产率.更有甚者,⾦刚⽯和聚晶⾦刚⽯是世界上最硬的材料,过去把它作为⼑具和拉丝模具等材料只有⽤⾦刚⽯砂轮或磨料"⾃⼰磨⾃⼰",磨削时⾦刚⽯⼯具损耗很⼤,正是硬碰硬两败俱伤,确实是可加⼯性极差.但特种加⼯中电⽕花可成形加⼯聚晶⾦刚⽯⼑具,⼯具,⽽激光加⼯则不但"削铁如泥"⽽且可"削⾦刚⽯如泥".在激光加⼯⾯前,⾦刚⽯的可加⼯性和钢铁差不多了.对过去传统概念上的可加⼯性,的确需要重新评价.(2)对结构⼯艺性,过去认为⽅孔,⼩孔,⼩深孔,深槽,窄缝以及细长杆,薄壁等低刚度零件的结构⼯艺性很差,在结构设计时应尽量避免.对E字形的硅钢⽚硬质合⾦冲模,由于90*内⾓很难磨削,因此常采⽤多块硬质合⾦拼镶结构的冲模.但采⽤电⽕花成形加⼯或线切割数控加⼯,则很容易加⼯成整体硬质合⾦的E形硅钢⽚冲模,特种加⼯可使某些结构⼯艺性由"差"变"好".3.⼯艺和特种加⼯⼯艺之间有何关系(应该说如何正确处理常规⼯艺和特种加⼯之间的差别)答:⼀般⽽⾔,常规⼯艺是在切削,磨削,研磨等技术进步中形成和发展起来的⾏之有效的实⽤⼯艺,⽽且今后也始终是主流⼯艺.但是随着难加⼯的新材料,复杂表⾯和有特殊要求的零件愈来愈多,常规,传统⼯艺必然会有所不适应.所以可以认为特种加⼯⼯艺是常规加⼯⼯艺的补充和发展.特种加⼯⼯艺可以在特定的条件下取代⼀部分常规加⼯⼯艺,但不可能取代和排斥主流的常规加⼯⼯艺.第⼆章电⽕花加⼯1.两⾦属在(1)在真空中⽕花放电;(2)在空⽓中;(3)在纯⽔(蒸馏⽔或去离⼦⽔)中;(4)在线切割乳化液中;(5)在煤油中⽕花放电时,在宏观和微观过程以及电蚀产物⽅⾯有何相同和相异之处答:(1)两⾦属在真空中⽕花放电时,当电压(电位差)超过⼀定时即产⽣"击穿",电⼦由"-"极逸出飞向"+"极,由于真空中没有物质阻挡电⼦的运动,所以没有正离⼦形成,没有发热的放电"通道"的概念,⽰波器,显象管中电⼦流的运动与此类似.基本上没有"电蚀产物"⽣成.(2)两⾦属在空⽓中放电的例⼦是电⽕花表⾯强化,涂覆.电焊,等离⼦切割,等离⼦焊等,也是在空⽓中放电,利⽤电⼦流在空⽓中撞击⽓体原⼦形成放电通道,在通道中和⼯件表⾯产⽣⼤量的热能⽤于强化,涂覆,切割和焊接.(3)在纯⽔,蒸馏⽔或去离⼦⽔中,两⾦属间电⽕花放电与在煤油中类似,只是⽔分⼦,原⼦受电⼦,正离⼦撞击发热⽓化,最后分解为氧原⼦和氢原⼦(分⼦),⽽不像煤油中会分解出碳原⼦(碳⿊微粒)和氢⽓等.(4),(5)在乳化液中和煤油中放电过程,详见教材中有关章节,不再另⾏论述.2.有没有可能或在什么情况下可以⽤⼯频交流电源作为电⽕花加⼯的脉冲直流电源在什么情况下可⽤直流电源作为电⽕花加⼯⽤的脉冲直流电源(提⽰:轧辊电⽕花对磨,齿轮电⽕花跑合时,不考虑电极相对磨损的情况下,可⽤⼯频交流电源;在电⽕花磨削,切割下料等⼯具,⼯件间有⾼速相对运动时,可⽤直流电源代替脉冲电源,但为什么)答:如提⽰所述,在不需要"极性效应",不需要考虑电极损耗率等的情况下,可以直接⽤220V的50HZ交流电作为脉冲电源进⾏轧辊电⽕花对磨和齿轮电⽕花跑合等.不过回路中应串接限流电阻,限制放电电流不要过⼤.如需精规准对磨或跑合,则可在交流⼯频电源上并联RC电路(R=500-1000,C=0.1-0.01),再接到两个⼯件上.在⽤⾼速转动的⾦属轮或圆⽚作电⽕花磨削,电⽕花切割,下料时,如果可以不计电极损耗率,则就可以⽤全波整流或整流后并联电解电容滤波的直流电源进⾏电⽕花磨削.由于⼯具电极⾼速转动,所以⼀般不会产⽣稳定电弧烧伤⼯件.最好是经调压变压器降压到5-100V再整流供磨削之⽤,⼀则可以调节电压或电流,⼆则和220V交流电源隔离,以保障⼈⾝避免触电的危险.3.电⽕花加⼯时的⾃动进给系统和车,钻,磨削时的⾃动进给系统,在原理上,本质上有何不同为什么会引起这种不同答:电⽕花加⼯时⼯具电极和⼯件间并不接触,⽕花放电时需通过⾃动调节系统保持⼀定的放电间隙,⽽车,钻,磨削时是接触加⼯,靠切削⼒把多余的⾦属除去,因此进给系统是刚性的,等速的,⼀般不需要⾃动调节.4.电⽕花共轭同步回转加⼯和电⽕花磨削在原理上有何不同⼯具电极和⼯件上的瞬间放电之间有⽆相对移动加⼯内螺纹时为什么不会"乱扣" ⽤铜螺杆做⼯具电极,在内孔中⽤平动法加⼯内螺纹,在原理上和共轭同步回转法有何异同答:不同之处在于电⽕花共轭同步回转加⼯时:(1)⼯具电极和⼯件的转动⽅向相同;(2)转速严格相等(或成倍⾓,⽐例关系);(3)⼯具和⼯件上瞬时放电点之间有很慢的相对移动.⽽电⽕花磨削时⼯具和⼯件可以同向或反向转动;⼯具和⼯件的转速并不相同,磨削点之间有很⼤的相对移动.加⼯内螺纹时,其所以不会"乱扣",是因为加⼯中⼯具电极和⼯件的转向和转速相等,⼯具和⼯件圆周表⾯上有着"各点对应"的关系,所以能把⼯具表⾯的螺纹形状复制到⼯件表⾯上去⽽不会"乱扣".在内孔中⽤平动法加⼯内螺纹,本质上和共轭同步回转法相同,不同之处在于平动法加⼯时⼯件不转动⽽代之以⼯具电极在平动头中作"公转"⾏星式运动,其内外圆上"各点对应"的规则仍然存在.5,电⽕花加⼯时,什么叫做间隙蚀除特性曲线粗,中,精加⼯时,间隙蚀除特性曲线有何不同脉冲电源的空载电压不⼀样时(例如80V,100V,300V三种不同的空载电压),间隙曲线有何不同试定性,半定量地作图分析之.答:间隙蚀除特性曲线是电⽕花放电间隙蚀除速度和放电间隙⼤⼩(间隙平均电压的⼤⼩)之间的关系,此关系可以定量地⽤作图法画成间隙蚀除特性曲线.粗,中,精加⼯时,由于脉宽,峰值电流等电规准不同,同样⼤⼩间隙的蚀除速度也就不⼀样,总的来说,粗加⼯时蚀除速度较⼤,上凹的间隙蚀除特性曲线就⾼于中,精加⼯的曲线.当脉冲电源的空载电压不⼀样时,例如电压较⾼为300V时,其击穿间隙,平均放电间隙都⼤于100V或80V的放电间隙,因此横坐标上的A点(电⽕花击穿间隙)将⼤于100V或80V时的间隙.间隙特征曲线原点不动,整个曲线稍向右移.同理,80V空载电压的间隙特征曲线的A点将偏向左边.S/ m/V6,在电⽕花加⼯机床上⽤Ф10mm的纯铜杆加⼯Ф10mm的铁杆,加⼯时两杆的中⼼矩偏距5mm,选⽤=200 s, i=5.4A,各⽤正极性和负极性加⼯10min, 试画出加⼯后两杆的形状,尺⼨,电极侧⾯间隙⼤⼩和表⾯粗糙度值(提⽰:利⽤电⽕花加⼯⼯艺参数曲线图表来测算).答:加⼯⽰意图见图2-1a.设先⽤正极性加⼯,加⼯后的图形见图b,负极损耗较⼤;负极性加⼯后的图形见图c,正极⼯具损耗较⼩.具体数据请⾃⾏在图中标明,并与书中⼯艺曲线图表进⾏对照⽐较).图2-17,电⽕花加⼯⼀个纪年章浅型腔花模具,设花纹模电极的⾯积为10mm×20mm=200,花纹的深度为0.8㎜,要求加⼯出模具的深度为1㎜,表⾯粗糙度为=0.63 m,分粗,中,精三次加⼯,试选择每次的加⼯极性,电规准脉宽,峰值电流,加⼯余量及加⼯时间,并列成⼀表(提⽰:⽤电⽕花加⼯⼯艺参数曲线图表来计算).答:可按书中电⽕花加⼯⼯艺曲线图表选择粗,中,精加⼯的规准.例如:极性脉宽脉间峰值电流加⼯余量加⼯后表⾯粗糙度时间粗加⼯(可不加抬⼑)负600 s100 s10A0.9㎜3 m约30min中加⼯(加抬⼑)负100 s50 s4A0.08㎜1.25 m30min精加⼯(加正20 s50s2A0.02㎜30min 答:不同之处在于电⽕花共轭同步回转加⼯时:(1)⼯具电极和⼯件的转动⽅向相同;(2)转速严格相等(或成倍⾓,⽐例关系);(3)⼯具和⼯件上瞬时放电点之间有很慢的相对移动.⽽电⽕花磨削时⼯具和⼯件可以同向或反向转动;⼯具和⼯件的转速并不相同,磨削点之间有很⼤的相对移动.加⼯内螺纹时,其所以不会"乱扣",是因为加⼯中⼯具电极和⼯件的转向和转速相等,⼯具和⼯件圆周表⾯上有着"各点对应"的关系,所以能把⼯具表⾯的螺纹形状复制到⼯件表⾯上去⽽不会"乱扣".在内孔中⽤平动法加⼯内螺纹,本质上和共轭同步回转法相同,不同之处在于平动法加⼯时⼯件不转动⽽代之以⼯具电极在平动头中作"公转"⾏星式运动,其内外圆上"各点对应"的规则仍然存在.第三章电⽕花线切割加⼯1.电⽕花线切割时,粗,种,精加⼯时⽣产率的⼤⼩和脉冲电源的功率,输出电流的⼤⼩有关.⽤什么⽅法衡量,判断脉冲电源加⼯性能的好坏(绝对性能和相对性能)答:可⽤单位电流(每安培电流)的⽣产率来衡量,即可客观地判断脉冲电源加⼯性能的好坏.例如某脉冲电源峰值电流25A时的切割速度为100mm2/min,另⼀电源峰值电流27A时切割速度为106mm2/min,则前者的相对⽣产率为100/25=4mm2/min,优于后者106/27=3.9mm2/min .⼜如某线切割脉冲电源3A s时切割速度为100mm2/min,另⼀电源3,5A时为124mm2/min,则前者相对切割速度为33.3mm2/min,后者35.5mm2/min.2.电⽕花加⼯和线切割加⼯时,如何计算脉冲电源的电能的利⽤率试估计⼀般线切割⽅波脉冲电源的电能利⽤率答:设脉冲电源的空载电压为100V ,加⼯时⽕花放电间隙的维持电压为25V则消耗在晶体管限流电阻上的电压为100-25=75V,由此可以算出电能利⽤率:有⽤能量:输⼊能量=25:100=1:4=25%能量的消耗率为:损耗能量:输⼊能量=75:100=3:4=75%可见75%的能量损耗在限流电阻的发热上.3.设计⼀个测量,绘制数控线切割加⼯的间隙蚀除特性曲线的⽅法(提⽰:使线切割等速进给,由⽋跟踪到过跟踪).答:这⼀习题有⼀定的难度,需对间隙蚀除特性曲线和线切割加⼯伺服进给系统有⼀定深度的理解才⾏.间隙蚀除特性曲线是蚀除速度和放电间隙(间隙平均电压)的关系曲线(参见第⼆章电⽕花加⼯的伺服进给).线切割加⼯时,调节伺服进给量的⼤⼩,可以在⼀定程度上改变平均放电间隙.例如把进给速度⼈为放慢,处于"⽋进给"状态,则平均放电间隙偏⼤,反之,进给速度过⾼,"过进给"时,则放电间隙偏⼩.测绘间隙蚀除特性曲线时,利⽤"改变预置进给速度"来改变放电间隙的⼤⼩.实际上放电间隙的⼤⼩(绝对值)很难测量,但可以⽤加⼯时的平均间隙电压⼤⼩来相对测量间隙值的⼤⼩.为此,要在⼯件和钼丝(导电块)或直接在电源输出端并⼀个满刻度100V(⽤于测空载,偏空载时的开路间隙电压),20V(⽤于测偏短路时的间隙电压)的直流电压表.实际测绘时,先不⽤线切割机床的"⾃动档"(伺服)进给,⽽采⽤"⼈⼯档"(等速进给)进给功能.最初⽤较慢的等速进给速度进⾏切割,此时处于"⽋跟踪"的进给状态,待切割稳定后就记下进给速度和此时的间隙平均电压,在坐标上作出曲线上的某⼀点.以后稍微调快进给速度(仍为等速进给),同样测得第⼆,三```点的数据.当调节到进给速度约等于蚀除速度时,此时即为最佳状态 B 点放电间隙为最佳放电间隙SB此时的切割速度为最⼤.当以更⼤的进给速度(等速)切割时,由于没有伺服功能,进给速度⼤于可能的蚀除速度,放电间隙逐步减⼩,最后即将形成短路,放电间隙为零.此时应尽快停⽌进给,并事先作好记录.在曲线最⾼点B只右,⽤上述⽅法⽐较容易做出间隙蚀除特性曲线的右半部分.但B点左边的曲线,因放电间隙逐步减⼩并趋于短路,易把钼丝顶弯,因此应多加⼩⼼.4.⼀般线切割加⼯机床的进给调解特性曲线和电⽕花加⼯机床的进给特性曲线有何不同与有短路回退功能的线切割加⼯机床的进给调解特性曲线⼜有什么不同答:⼀般线切割机床的进给的进给系统,往往没有短路回退功能,或短路后经⼀定时间例如30s后仍不能⾃动消除短路状态,则回退256步(相当于0.256 mm),如仍不能消除短路,则⾃动停⽌进给或同时报警,这与电⽕花成型加⼯机床遇短路即退回不⼀样.上述⽆短路回退功能的线切割机床的进给特性曲线就不会有横坐标左下部分的曲线,亦即⼯具电极(钼丝)的进给速度vd没有负值.即使有短路回退功能的线切割机床,短路后的回退速度是固定的(不象电⽕花成型加⼯机床那样短路后将以较⾼的速度vd0回退),所以进给调节特性曲线的左下部为窄⼩矩形,即放电间隙较⼩时,进给速度vd《0,⼀旦完全短路后,钼丝才低速(恒速)回退.5.设计⼀个测量,绘制数控线切割加⼯机床的进给调解特性曲线的⽅法(提⽰:在线切割机床上做空载模拟实验.⽤可调的的直流电源模拟⽕花间隙的平均电压).答:这⼀习题也有⼀定难度,需对线切割机床的变频进给系统有⼀定的了解.线切割机床的进给速度vd是由⽕花放电间隙的平均电压ue 来决定的.ue越⼤,vd亦⼤,ue⼩vd也⼩,ue=0,vd=0或等速回退.为此可以⽤"模拟法"来测绘线切割加⼯机床的进给调解特性曲线.具体的的⽅法是:使线切割机床处于加⼯状态,可不开丝筒,不开⾼频电源,但应使⼯作台处于"⼈⼯"等速进给状态.此时⼯作台进给的"取样电压",并不是来⾃⽕花放电间隙的平均电压ue(ue再经电阻分压成10~12v的电压,经"变频调节"电位器送⾄"压—频"(u-f)转换器,将此低电压u转换成进给脉冲,频率为f,另⼯作台进给),⽽是由+12V的外加电压,经"变频调节"电位器调压输⼊⾄"压—频"(u-f)转换器.低电压0V相当于间隙短路,最⾼10~12V相当于间隙开路状态.可以将此电压由低向⾼调节,例如0V,2V,4V,6V,8V,10V……直⾄12V,模拟不同的ue.记录下每种不同电压时的⼯作台进给速度(可以从控制器⾯板数显表上测得),然后即可绘制出进给调节特性曲线.6.今拟⽤数控线切割加⼯有8个齿的⽖⽛离合器,试画出其⼯艺⽰意图并编制出相应的线切割3B相应程序.答:由于⽖⽛离合器⼯件是圆筒形的,端⾯上需切割出8个⽖⽛⽅齿,故切割时必须有⼀个数控回转⼯作台附件.办法为先在圆套筒上钻⼀个∮1~2mm的穿丝孔,装夹好⼯件后,调整到穿丝孔为最⾼点时穿丝,回转台转动切除⽖⽛的端⾯,见⽰意图.(俯视图)切割的程序(⼀次切出凹,凸两个⽖⽛离合器)为:BBBJ=穿丝孔距离GXL3(x向移动)BBBJ=1/2齿宽GYL4(y向转动)BBBJ=齿深GXL3(x向移动)BBBJ=齿宽GYL4(y向转动)BBBJ=齿深GXL1(x向移动) BBBJ=齿宽GYL4(y 向转动)第四章电化学加⼯1.从原理和机理上来分析,电化学加⼯有⽆可能发展成为"纳⽶级加⼯"或"原⼦级加⼯"技术?原则上要采⽤哪些措施才能实现?答:由于电化学加⼯从机理上看,是通过电极表⾯逐层地原⼦或分⼦的电⼦交换,使之在电解液中"阳极溶解"⽽被去除来实现加⼯的,可以控制微量、极薄层"切削"去除。
一、名词解释:1.极性效应在电火花加工中,把由于正负极性接法不同而蚀除速度不同的现象叫极性效应。
2.线性电解液如NaCl电解液,其电流效率为接近100%的常数,加工速度v L和与电流密度i的曲线为通过原点的直线(v L=ηωi),生产率高,但存在杂散腐蚀,加工精度差。
3.平衡间隙(电解加工中)当电解加工一定时间后,工件的溶解速度vL和阴极的进给速度v相等,加工过程达到动态平衡,此时的加工间隙为平衡间隙Δb 。
4.快速成形技术是一种基于离散堆积成形原理的新型成形技术,材料在计算机控制下逐渐累加成形,零件是逐渐生长出来的,属于“增材法”。
5.激光束模式激光束经聚焦后光斑内光强的分布形式。
二、判断题:01.实验研究发现,金刚石刀具的磨损和破损主要是由于111晶面的微观解理所造成的。
(√)02.电解加工时由于电流的通过,电极的平衡状态被打破,使得阳极电位向正方向增大(代数值增大)。
(√)03.电解磨削时主要靠砂轮的磨削作用来去除金属,电化学作用是为了加速磨削过程。
(×)04.与电火花加工、电解加工相比,超声波加工的加工精度高,加工表面质量好,但加工金属材料时效率低。
(√)05.从提高生产率和减小工具损耗角度来看,极性效应越显著越好,所以,电火花加工一般都采用单向脉冲电源。
(√)06.电火花线切割加工中,电源可以选用直流脉冲电源或交流电源。
(×)07.阳极钝化现象的存在,会使电解加工中阳极溶解速度下降甚至停顿,所以它是有害的现象,在生产中应尽量避免它。
(×)08.电子束加工是利用电能使电子加速转换成动能撞击工件,又转换成热能来蚀除金属的。
(√)09.电火花线切割加工中,电源可以选用直流脉冲电源或交流电源。
(×)10.电火花加工是非接触性加工(工具和工件不接触),所以加工后的工件表面无残余应力。
(×)11.电化学反应时,金属的电极电位越负,越易失去电子变成正离子溶解到溶液中去。
精密与特种加工复习题集常州信息职业技术学院于云程第一章概论1. 精密与特种加工的特点精密与特种加工是一门多学科的综合高级技术。
精密加工的范畴包括微细加工、光整加工和精整加工等, 与特种加工关系密切。
特种加工是指利用机、光、电、声、热、化学、磁、原子能等能源来进行加工的非传统加工方法, 它们与传统切削加工的不同特点主要有:①主要不是依靠机械能, 而是主要用其他的能量(如电能、热能、光能、声能以及化学能等)去除工件材料;②刀具的硬度可以低于被加工工件材料的硬度, 有些情况下, 例如在激光加工、电子束加工、离子束加工等加工过程中, 根本不需要使用任何工具;③在加工过程中, 工具和工件之间不存在显著的机械切削力作用, 工件不承受机械力, 特别适合于精密加工低刚度零件。
练习:(1) 2. 特种加工对材料的可加工性及产品的结构工艺性有何影响, 试举例说明(2)提高了材料的可加工性(3)例子1: 现在已经广泛采用的金刚石、聚晶金刚石、聚晶立方氮化硼等难加工材料制造的刀具、工具、拉丝模等, 可以采用电火花、电解、激光等多种方法加工。
工件材料的可加工性不再与其硬度、强度、韧性、脆性等有直接的关系。
对于电火花、线切割等加工技术而言, 淬火钢比未淬火钢更容易加工。
(4)对传统的结构工艺性衡量标准产生重要影响例子1: 以往普遍认为方孔、小孔、弯孔、窄缝等是工艺性差的典型。
对于电火花穿孔加工、电火花线切割加工来说, 加工方孔和加工圆孔的难易程度是一样的。
喷油嘴小孔、喷丝头小异性孔、涡轮叶片上大量的小冷却深孔、窄缝、静压轴承和静压导轨的内油囊型腔等, 采用电火花加工技术以后都变难为易了。
补充材料3. 微细加工与一般加工在精度表示方法、加工机理特点的有哪些不同(微细加工技术及特点)微细加工技术是指能够制造微小尺寸零件的加工技术的总称。
在微机械研究领域中, 它是微米级、亚微米级乃至纳米级微细加工的通称。
微细加工与常规尺寸加工的机理特点区别主要体现在:1 )加工精度的表示方法不同。
《精密与特种加工技术》课后答案第一章1.精密与特种加工技术在机械制造领域的作用与地位如何?答:目前,精密和特种加工技术已经成为机械制造领域不可缺少的重要手段,在难切削材料、复杂型面、精细零件、低刚度零件、模具加工、快速原形制造以及大规模集成电路等领域发挥着越来越重要的作用,尤其在国防工业、尖端技术、微电子工业方面作用尤为明显。
由于精密与特种加工技术的特点以及逐渐被广泛应用,已引起了机械制造领域内的许多变革,已经成为先进制造技术的重要组成部分,是在国际竞争中取得成功的关键技术。
精密与特种加工技术水平是一个国家制造工业水平的重要标志之一。
2.精密与特种加工技术的逐渐广泛应用引起的机械制造领域的那些变革?答:⑴提高了材料的可加工性。
⑵改变了零件的典型工艺路线。
⑶大大缩短新产品试制周期。
⑷对产品零件的结构设计产生很大的影响。
⑸对传统的结构工艺性好与坏的衡量标准产生重要影响。
3.特种加工工艺与常规加工工艺之间有何关系?应该改如何正确处理特种加工与常规加工之间的关系?答:常规工艺是在切削、磨削、研磨等技术进步中形成和发展起来的行之有效的实用工艺,而且今后也始终是主流工艺。
但是随着难加工的新材料、复杂表面和有特殊要求的零件越来越多,常规传统工艺必然难以适应。
所以可以认为特种加工工艺是常规加工工艺的补充和发展,特种加工工艺可以在特定的条件下取代一部分常规加工工艺,但不可能取代和排斥主流的常规加工工艺。
4.特种加工对材料的可加工性以及产品的结构工艺性有何影响?举例说明.答:工件材料的可加工性不再与其硬度,强度,韧性,脆性,等有直接的关系,对于电火花,线切割等加工技术而言,淬火钢比未淬火钢更容易加工。
对传统的结构工艺性好与坏的衡量标准产生重要影响,以往普遍认为方孔,小孔,弯孔,窄缝等是工艺性差的典型,但对于电火花穿孔加工,电火花线切割加工来说,加工方孔和加工圆孔的难以程度是一样的,相反现在有时为了避免淬火产生开裂,变形等缺陷,故意把钻孔开槽,等工艺安排在淬火处理之后,使工艺路线安排更为灵活。
《精密与特种加工技术》课后答案第一章1.精密与特种加工技术在机械制造领域的作用与地位如何答:目前,精密和特种加工技术已经成为机械制造领域不可缺少的重要手段,在难切削材料、复杂型面、精细零件、低刚度零件、模具加工、快速原形制造以及大规模集成电路等领域发挥着越来越重要的作用,尤其在国防工业、尖端技术、微电子工业方面作用尤为明显。
由于精密与特种加工技术的特点以及逐渐被广泛应用,已引起了机械制造领域内的许多变革,已经成为先进制造技术的重要组成部分,是在国际竞争中取得成功的关键技术。
精密与特种加工技术水平是一个国家制造工业水平的重要标志之一。
2.精密与特种加工技术的逐渐广泛应用引起的机械制造领域的那些变革答:⑴提高了材料的可加工性。
⑵改变了零件的典型工艺路线。
⑶大大缩短新产品试制周期。
⑷对产品零件的结构设计产生很大的影响。
⑸对传统的结构工艺性好与坏的衡量标准产生重要影响。
3.特种加工工艺与常规加工工艺之间有何关系应该改如何正确处理特种加工与常规加工之间的关系答:常规工艺是在切削、磨削、研磨等技术进步中形成和发展起来的行之有效的实用工艺,而且今后也始终是主流工艺。
但是随着难加工的新材料、复杂表面和有特殊要求的零件越来越多,常规传统工艺必然难以适应。
所以可以认为特种加工工艺是常规加工工艺的补充和发展,特种加工工艺可以在特定的条件下取代一部分常规加工工艺,但不可能取代和排斥主流的常规加工工艺。
4.特种加工对材料的可加工性以及产品的结构工艺性有何影响举例说明.答:工件材料的可加工性不再与其硬度,强度,韧性,脆性,等有直接的关系,对于电火花,线切割等加工技术而言,淬火钢比未淬火钢更容易加工。
对传统的结构工艺性好与坏的衡量标准产生重要影响,以往普遍认为方孔,小孔,弯孔,窄缝等是工艺性差的典型,但对于电火花穿孔加工,电火花线切割加工来说,加工方孔和加工圆孔的难以程度是一样的,相反现在有时为了避免淬火产生开裂,变形等缺陷,故意把钻孔开槽,等工艺安排在淬火处理之后,使工艺路线安排更为灵活。
第二章1.简述超精密加工的方法,难点和实现条件答:超微量去除技术是实现超精密加工的关键,其难度比常规的大尺寸去除加工技术大的多,因为:工具和工件表面微观的弹性变形和塑性变形是随即的。
精度难以控制,工艺系统的刚度和热变形对加工精度有很大的影响,去除层越薄,被加工便面所受的切应力越大,材料就越不易去除。
超精密加工按加工方法不同可以分为切削加工,磨料加工,特种加工和复合加工四类。
2.超精密加工对刀具材料有那些要求答:1)极高的硬度,极高的耐磨性,和极高的弹性模量,以保证刀具有很高的尺寸耐用度。
2)刃口能磨得极其锋锐,即刃口半径ρ值很小,以实现超薄切削。
3)刀刃无缺陷,切削是将刃形变制在被加工表面上,从而铸得超光滑的镜面。
4)与工件材料的抗粘结合性很好。
化学亲和性很小,摩擦因数低,以得到极好的加工表面完整性。
3.单晶金刚石有哪些个主要晶面立方晶系的金刚石《单晶金刚石》主要有三个主要晶面,:即晶面4试述金刚石晶体的各向异性和不同晶面研磨时的好磨难磨方向。
答:金刚石具有很高的硬度。
较高的导热系数,与有色金属间的摩擦因数低,开始氧化的温度较高等特性。
这些都有利于超精密加工的进行,而且单晶金刚石可以研磨达到极锋利的刃口,没有其他材料可以磨到这样锋锐,并且能长期切削而磨损很小,因此金刚石是理想的不能替代的超精密切削的刀具材料。
《110晶面的磨削率最高,最易磨损,100晶面的磨削次之.111的磨削率最低,最不易磨损。
5试述金刚石晶体的激光定向原理和方法答:金刚石晶体的激光定向是利用金刚石在不同结晶方向上,因此晶体的结构不同,而对激光反射形成不同的衍射图像进行的激光晶体方向的原理,由氦氖激光管产生的激光束通过屏幕上的小孔射到金刚石表面,若被激光照射的金刚石使被测晶面与激光束相垂直时,激光被反射的图形即可知道被激光照射的晶面为何种晶面。
6.金刚石车刀的刀头形式有哪几种各自有何特点答:刀头形式:金刚石刀具刀头一般采用在主切削刃和副切削刃直接加工渡刃--修光刃的形式,修光刃有小圆弧修光刃,直线修光刃和圆弧修光刃之分。
7.典型的超精密机床有那些答:典型的超精密机床有~1.大型光学金刚石车床—LODTM。
FG-OO超精密机床《德》。
OAGM500大型超精密机床《英》型高效专用车削,磨削超精密机床。
8.精密主轴不见有那几种形式说明各自的优缺点。
答:空气静压轴承具有很高的回转精度,在高速转动时温升很小,基本达到恒温状态,因此造成的热变形误差很小,缺点:空气轴承刚度低,承受载荷很小,由于超精密加工的切削力很小,所以空气轴承可以满足相关要求。
液体静压轴承的油温随着转速的升高而升高,温度升高将造成热变形,影响主轴精度。
静压回油时将空气带入油源。
形成微小气泡悬浮在油中,不易排除,因而降低了液体静压轴承的刚度和动特性。
优点:回转精度高《微米》刚度较高,转动平稳,无震动的特点。
9.超精密机床有哪几种总体布局形式各自有何特点答:1)双半球空气轴承主轴,优点:球面具有自动调心,因此可以提高前后轴承的同心度,回转精度,缺点:电动机的转子直接与主轴刚性连接。
所以电动机转子的回转精度将对主轴的回转精度产生影响。
2)径向-推力空气静压轴承主轴:1.可以提高前后轴承的同心度,从而保证主轴的回转精度,即使轴承发生少量旋转,也不会因和轴承咬住而损坏主轴。
缺点:这种主轴要求所用的多孔石墨组织均匀,各处透气率相同,同时制造难度大。
3)球形-径向空气轴承主轴:同上,自动调心,保证同心度,回转精度。
缺点:主轴的刚度和承载能力不高,4)立式--空气轴承主轴,主要用于大型超精密车床,以保证加工系统具有较高的刚度且便于装夹,其圆弧面的径向轴承起自动调心,提高精度作用。
10.简述超精密机床导轨的结构形式,并说明各自的优缺点。
答:1)液体静压导轨,优点:刚度高,承载能力大,直线运动精度高,且无爬行,运动平稳。
缺点:导轨运动速度低。
2)空气静压导轨和气浮导轨,优点:它可以达到很高的直线运动精度,运动平稳,无爬行,且摩擦因数接近于0,不发热。
11.简述摩擦驱动的工作原理。
答:摩擦驱动装置原理:俩个摩擦轮均由静压轴承支承,可以无摩擦运动,上摩擦轮由弹簧压板在驱动杆上,当弹簧压板压力足够时,摩擦轮和驱动杆之间无相对滑动,直流电动机驱动下摩擦轮,靠摩擦力带动驱动杆做非常平稳的直线运动。
12.精密加工对微进给装置的性能有何要求答:1)精微进给和粗进给分开,以提高微位移的精度,分辨率和稳定性。
2)运动部分必须是低摩擦和高稳定度以实现很高的重复精度。
3)末级传动元件必须有很高的刚度,即夹持金刚石刀具必须是高刚度的。
4)内部连接必须可靠,尽量采用整体结构或刚性连接,否则微量进给机构,很难实现很高的重复精度。
5)工艺性好,容易制造。
6)具有好的动特性,即既有高的频响。
7)能实现微进给的自动控制。
第三章1.精密和超精密磨料加工分为哪俩大类各自有何特点答:固结磨料加工:具有表面精度保持性好,研磨效率高的优点。
2.游离磨料加工:优点是抛光面加工变质层和表面粗糙度值都很小,缺点:不易保持平面度。
2.试述精密磨削机理。
答:微刃的微切削作用:应用较小的修整导程和休整深度对砂轮实施精细休整,其效果等同于砂轮磨粒的粒度变细。
2.微刃的等高切削作用3.微刃的滑挤,摩擦,抛光作用3.分析超硬磨料砂轮修正方法的机理和特点。
答:超硬磨料砂轮磨削主要指用金刚石砂轮和立方氮化硼砂轮加工硬质合金,陶瓷,剥离,半导体材料及石材等高硬度,高脆性材料。
特点:1)磨削能力强,耐磨性好,耐用度高,易于控制加工及实现自动化。
2)削力小。
,温度低,加工质量好,不烧伤,裂纹和组织变化。
3)削率高。
4)加工成本低5.试述超精密磨削的磨削机理。
答:超精密磨削机理,理想磨削轨迹是从接触点开始至接触终点结束,但由于磨削系统存在一定的弹性,实际磨削轨迹与理想磨削轨迹发生偏离。
6.试述精密研磨与抛光的机理。
答:研磨加工机理:精密研磨属于游离磨粒切削加工是在刚性研具上注入磨料在一定压力下,通过研具与工件的相对运动,借助磨粒的微切削作用,除去微量的工件材料,以达到高级几何精度和优良表面粗糙度2.抛光是指用低速旋转的软质弹性或粘弹性材料抛光盘,或高速旋转的低弹性材料。
抛光盘加抛光剂具有一定研磨性质的获得光滑表面的加工方法。
7.影响精密研磨抛光的主要工艺因素有哪些答:研磨方法:加工方式,运动,驱动方式。
2.研具的材料,形状,表面状态。
3.磨粒的种类,材质,形状,粒径4.加工液的水质,油质5加工参数的研磨速度,压力,时间,6.环境,温度,尘埃8.试述各种非接触抛光的加工原理。
答:1.弹性发射加工:通过微粒子冲击工件,以原子级的加工单位去除工件材料,从而无损伤的技工表面2.浮动抛光:抛光液覆盖在整个抛光盘表面上,抛光盘及工件高速回转时,在二者之间的抛光液主动压流体状态,形成一层液膜,从而使工件在浮起状态下进行抛光3.动压浮离抛光:保持环中的工件浮离圆盘表面,由浮动间隙中的粉末颗粒对工件进行抛光4.非接触化学抛光:通过向抛光盘面供给化学抛光液,使其与被加工面做相对滑动,用抛光盘面来夹持被加工件面上产生的化学反应生成物。
第四章1.电火花加工时,间隙液体介质的击穿机理答:通常所用的工作介质是煤油,水,皂化油水溶液及多种介质合成的专用工作液,用分光度计观察电火花加工过程中放电现象,显示放电时产生氧气,氢气泡的电离膨胀导致了间隙介质的击穿2.电火花加工的基本要求答:材料的可加工性主要取决与材料的热学特性,如熔点,沸点,比热容,导热系数等。
几乎与其力学性能《硬度,强度》无关。
3.电火花加工机床的自动进给系统与传统加工机床的自动进给系统有什么不同为什么会引起这种不同答:电火花加工时,放电间隙很小,电蚀量放电间隙在瞬间都不是长值而在一定范围内随即变化,人工进给或恒速的“机动”进给很难满足要求,必须采用自动进给和调节装置。
自动进给调节系统的作用是维持某一稳定的放电间隙。
保证电火花加工正常而稳定的进行获得较好的加工效果。
4分析伺服参考电压对加工稳定性的影响。
答:脉冲电源又称为脉冲发生器,起作用是把220V或380V的50HZ工频交流电转换成一定形式的单向脉冲电流,供给电极放电间隙,产生火花所需要的能量来蚀除金属。
5.功率VDMOS开关式脉冲电源的特点。
答:VDMOS技术的发展,是高频大功率开关技术日趋成熟,为提高大功率MOS管功率晶体管脉冲电源的开关冲击性能,采用多管分组的方法来提高输出功率。
6.极间能量分配分析。
答:电源向放电通道释放的能量分配在阳极,阴极和放电通道上,能量分配系数的大小主要取决与被加工材料的特性,通过前面分析可知,电极主要通过高速运动粒子的轰击,光辐射,热辐射,三种形式得到能量,在一定的条件下,光辐射与热辐射起决定性的作用,电极表面局部得到高能,就能发生了融化,气化的相变过程,电极表面出现了微观相变区。