14孔的常规加工方法(精选)
- 格式:ppt
- 大小:1.33 MB
- 文档页数:29
端盖零件的机械加工工艺规程及Φ14孔工艺装备设计摘要机械制造工艺学课程设计是我们学完了大学的全部基础课、技术基础课以及大部分专业课之后进行的.这是我们在进行毕业设计之前对所学各课程的一次深入的综合性的总复习,也是一次理论联系实际的训练,因此,它在我们四年的大学生活中占有重要的地位。
这次设计的是端盖,有零件图、毛坯图、装配图各一张,机械加工工艺过程卡片和与所设计夹具对应那道工序的工序卡片各一张。
第一我们要熟悉零件,题目所给的零件是端盖。
了解了端盖的作用,接下来依照零件的性质和零件图上各端面的粗糙度确定毛坯的尺寸和机械加工余量。
然后我们再依照定位基准先确定精基准,后确定粗基准,最后拟定端盖的工艺路线图,制定该工件的夹紧方案,画出夹具装配图。
端盖零件图 ........................ 错误!未定义书签。
1端盖的工艺分析及生产类型的确定 (3)1.1端盖的用途 (3)1.2端盖的技术要求: (4)1.3审查端盖的工艺性 (4)2.确定毛胚、绘制毛胚简图 (5)2.1选择毛胚 (5)2.2端盖铸造毛坯尺寸工差及加工余量 (5)2.3绘制端盖毛坯简图 (6)3.拟定端盖工艺路线 (6)3.1 定位基准的选择 (6)3.1.1精基准的选择 (6)3.2.2.粗基准的选择 (6)3.2表面加工方法的确定 (7)3.3加工时期的划分 (7)3.4工序的集中与分散 (7)3.5工序顺序的安排 (7)3.6确定工艺路线 (8)4.加工余量、工序尺寸和工差的确定 (9)5.切削用量、时刻定额的运算 (9)6时刻定额的运算 (10)7.机床夹具的设计 (12)7.1提出问题 (12)7.2设计思想 (13)7.3夹具设计 (13)7.3.1、定位分析 (13)7.3.2切削力及夹紧力的运算 (14)7.3夹具操作说明 (14)7.4.确定导向装置 (15)8.参考文献 (15)端盖零件图1端盖的工艺分析及生产类型的确定1.1端盖的用途端盖要紧用于零件的外部,起密封,阻挡灰尘的作用。
机加工中孔的五类加工方法目录刖三 (1)1.钻孑L与扩孑L (2)1.1.钻孔 (2)2.2.扩孔 (3)2.钱孔 (4)2.1.钱刀43.2.钱孔工艺及其应用 (4)3.键孑L (5)3.1.键孔方式 (5)3. 1. 1.工件旋转 (5)3. 1.2.刀具旋转 (5)3. 1. 3.刀具旋转并作进给运动 (5)3.2.金刚健 64.3.镖刀 65.4.链孔的工艺特点及应用范围 (6)4.壬行磨孑L (7)4.1.珀磨原理及珀磨头 (7)6.2,二磨的工艺特点及应用范围 (7)5.拉孔 (8)7.1.拉削与拉刀 (8)5.2.拉孔的工艺特征及应用范围 (8)____ 1—刖百与外圆表面加工相比,孔加工的条件要差得多,加工孔要比加工外圆困难。
这是因为:1)孔加工所用刀具的尺寸受被加工孔尺寸的限制,刚性差,容易产生弯曲变形和振动;2)用定尺寸刀具加工孔时,孔加工的尺寸往往直接取决于刀具的相应尺寸,刀具的制造误差和磨损将直接影响孔的加工精度;3)加工孔时,切削区在工件内部,排屑及散热条件差,加工精度和表面质量都不易控制。
L钻孔与扩孔1.1.钻孔钻孔是在实心材料上加工孔的第一道工序,钻孔直径一般小于80mm。
钻孔加工有两种方式:一种是钻头旋转;另一种是工件旋转。
上述两种钻孔方式产生的误差是不相同的,在钻头旋转的钻孔方式中,由于切削刃不对称和钻头刚性不足而使钻头引偏时,被加工孔的中心线会发生偏斜或不直,但孔径基本不变;而在工件旋转的钻孔方式中则相反,钻头引偏会引起孔径变化,而孔中心线仍然是直的。
常用的钻孔刀具有:麻花钻、中心钻、深孔钻等,其中最常用的是麻花钻, 其直径规格为①0.由于构造上的限制,钻头的弯曲刚度和扭转刚度均较低,加之定心性不好, 钻孔加工的精度较低,一般只能达到IT13〜IT11;表面粗糙度也较大,Ra一般为5(n2.5um;但钻孔的金属切除率大,切削效率高。
钻孔主要用于加工质量要求不高的孔,例如螺栓孔、螺纹底孔、油孔等。
支架零件的工艺规程及钻14孔夹具设计摘要本次设计容涉及了机械制造工艺及机床夹具设计、金属切削机床、公差配合与测量等多方面的知识。
支架加工工艺规程及其钻孔的夹具设计是包括零件加工的工艺设计、工序设计以及专用夹具的设计三部分。
在工艺设计中要首先对零件进行分析,了解零件的工艺再设计出毛坯的结构,并选择好零件的加工基准,设计出零件的工艺路线;接着对零件各个工步的工序进行尺寸计算,关键是决定出各个工序的工艺装备及切削用量;然后进行专用夹具的设计,选择设计出夹具的各个组成部件,如定位元件、夹紧元件、引导元件、夹具体与机床的连接部件以及其它部件;计算出夹具定位时产生的定位误差,分析夹具结构的合理性与不足之处,并在以后设计中注意改进。
关键词:工艺、工序、切削用量、夹紧、定位、误差。
所有下载的朋友注意喽,下载完成后,我这里还有一个压缩包,里面有相应的CAD图纸(零件图、毛坯图、夹具图、装配图)及机械加工工艺卡片。
下载后请留上你的号或QQ号或给我的QQ留言:2589576923。
我可以将压缩包送给你,免费赠送,我以前上学的时候搞的,体会大家找资料不容易,对我来说举手之劳。
感觉好的话,给个评论,帮助更多人。
我也只是赚点积分,有时候下载东西需要。
ABSTRCTThis design content has involved the machine manufacture craft and the engine bed jig design, the metal-cutting machine tool, the common difference coordination and the survey and so on the various knowledge.The reduction gear box body components technological process and its the processing ¢140 hole jig design is includes the components processing the technological design, the working procedure design as well as the unit clamp design three parts. Must first carry on the analysis in the technological design to the components, understood the components the craft redesigns the semi finished materials the structure, and chooses the good components the processing datum, designs the components the craft route; After that is carrying on the size computation to a components each labor step of working procedure, the key is decides each working procedure the craft equipment and the cutting specifications; Then carries on the unit clamp the design, the choice designs the jig each composition part, like locates the part, clamps the part, guides the part, to clamp concrete and the engine bed connection part as well as other parts; Position error which calculates the jig locates when produces, analyzes the jig structure the rationality and the deficiency, and will design in later pays attention to the improvement.Keywords:The craft, the working procedure, the cutting specifications, clamp,the localization, the error目录摘要 (2)ABSTRCT (3)序言 (1)一、零件的分析 (2)零件的工艺分析 (2)二. 工艺规程设计 (2)2.1 确定毛坯的制造形式 (2)2.2 基面的选择 (2)2.3 制定工艺路线 (2)2.4 机械加工余量、工序尺寸及毛坯尺寸的确定 (4)2.5 确定切削用量及基本工时 (4)三、夹具设计 (10)3.1 定位基准的选择 (10)3.2 切削力及夹紧力计算 (10)3.3定位误差分析 (11)3.4夹具设计及操作的简要说明 (11)二、总结 (12)致 (13)参考文献 (13)序言机械制造业是制造具有一定形状位置和尺寸的零件和产品,并把它们装备成机械装备的行业。
(1)、加工尾座体的底平面,粗糙度要求为Ra=1.6,采用粗铣—精铣—刮研。
粗铣余量2.7mm,精铣余量0.9mm,刮研余量0.15mm。
(2)、加工尾座体的两侧孔端面,粗糙度要求为Ra=3.2,采用粗铣—半精铣。
采用两次铣加工(粗、精铣)可以满足,粗铣余量取2mm,精铣余量取1mm。
(3)、加工尾座体的前侧面阶梯孔端面,粗糙度要求为Ra=6.3,采用粗铣—半精铣。
加工方法同上。
粗铣深度取1.5mm。
(4)、加工右侧小凸台,粗糙度要求为Ra=3.2,采用粗铣—半精铣。
粗铣余量取1mm,精铣余量取0.7mm。
(5)、加工Φ40H6孔,粗糙度要求Ra=0.4,采用粗镗—半精镗—精镗—浮动镗刀块精镗。
采用粗镗和半精镗、精镗和浮动镗刀块精镗的方式,故考虑分四次进行镗加工。
取粗镗双边余量3mm,半精镗双边余量1.5mm,精镗单边余量0.5mm,浮动镗刀块精镗的双边余量0.2。
(6)、加工肩Φ20H7的孔,粗糙度要求Ra=1.6,采用钻—扩—铰。
钻的单边余量为9mm,扩的单边余量为0.9mm,铰的单边余量为0.1mm。
(7)、加工Φ20H9的凸台孔,粗糙度要求Ra=3.2,采用钻—扩—铰。
钻的单边余量为9mm,扩的单边余量为0.9mm,铰的单边余量为0.1mm。
(8)、加工前侧面Φ10H9孔,粗糙度要求Ra=3.2,采用钻—铰。
采用钻—铰的加工方式,钻的单边余量为4.9mm,再铰加工即可满足要求。
(9)、加工两个阶梯孔,孔内壁粗糙度要求均为Ra=12.5,,采用钻Φ14大孔—钻Φ10小孔,锪出阶梯的加工方式。
(10)、加工Φ6H7后侧面孔和Φ6H7下表面底孔,粗糙度要求Ra=1.6,采用钻—铰。
一次钻不能满足要求,故采用钻—铰的加工方式,钻至直径Φ5.8,再铰加工。
(11)、加工M8和M5螺纹孔,由【7】213页M8螺纹孔:首先选用Φ7的麻花钻头进行钻加工,再用丝锥攻M8螺纹。
M5螺纹孔:首先选用Φ4.2的麻花钻头进行钻加工,再用丝锥攻M5螺纹。
襄樊学院机械制造技术课程设计题目:设计端盖的机械加工工艺规程院、系:襄樊学院机械工程系班级:机械1012班姓名:毕文浩学号:10316201指导教师:刘海生二零一三年六月三日摘要机械制造工艺学课程设计是我们学完了大学的全部基础课、技术基础课以及大部分专业课之后进行的.这是我们在进行毕业设计之前对所学各课程的一次深入的综合性的总复习,也是一次理论联系实际的训练,因此,它在我们四年的大学生活中占有重要的地位。
这次设计的是端盖,有零件图、毛坯图、装配图各一张,机械加工工艺过程卡片和与所设计夹具对应那道工序的工序卡片各一张。
首先我们要熟悉零件,题目所给的零件是端盖。
了解了端盖的作用,接下来根据零件的性质和零件图上各端面的粗糙度确定毛坯的尺寸和机械加工余量。
然后我们再根据定位基准先确定精基准,后确定粗基准,最后拟定端盖的工艺路线图,制定该工件的夹紧方案,画出夹具装配图。
端盖零件图 (1)一.端盖的分析1端盖的工艺分析及生产类型的确定 (4)1.1端盖的用途 (4)1.2端盖的技术要求: (5)1.3审查端盖的工艺性 (5)二. 端盖的工艺规程设计2.确定毛胚、绘制毛胚简图 (6)2.1选择毛胚 (6)2.2端盖铸造毛坯尺寸工差及加工余量 (6)2.3绘制端盖毛坯简图 (7)3.拟定端盖工艺路线 (7)3.1 定位基准的选择 (7)3.1.1精基准的选择 (7)3.2.2.粗基准的选择 (7)3.2表面加工方法的确定 (8)3.3加工阶段的划分 (8)3.4工序的集中与分散 (8)3.5工序顺序的安排 (8)3.6确定工艺路线 (9)4.加工余量、工序尺寸和工差的确定 (10)5.切削用量、时间定额的计算 (10)6时间定额的计算 (11)三.机床夹具的设计7.1提出问题 (13)7.2设计思想 (14)7.3夹具设计 (14)7.3.1、定位分析 (14)7.3.2切削力及夹紧力的计算 (15)7.3夹具操作说明 (15)7.4.确定导向装置 (16)8.参考文献 (16)端盖零件图1端盖的工艺分析及生产类型的确定1.1端盖的用途端盖主要用于零件的外部,起密封,阻挡灰尘的作用。
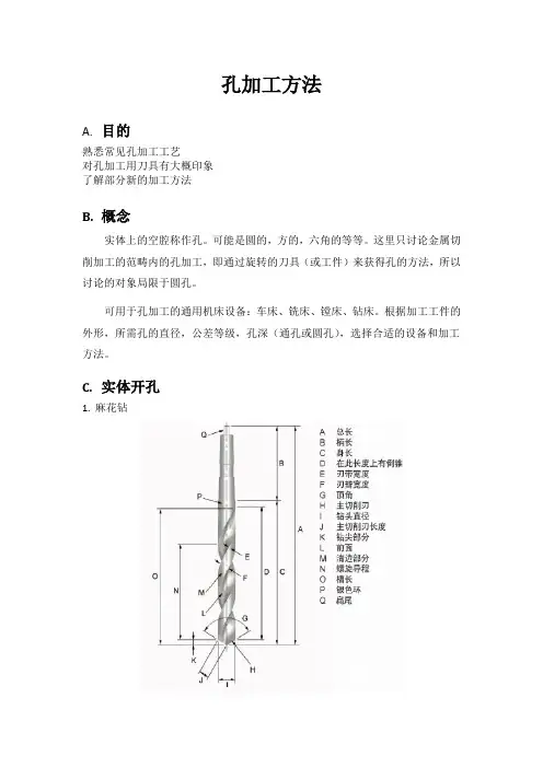
孔加工方法A.目的熟悉常见孔加工工艺对孔加工用刀具有大概印象了解部分新的加工方法B.概念实体上的空腔称作孔。
可能是圆的,方的,六角的等等。
这里只讨论金属切削加工的范畴内的孔加工,即通过旋转的刀具(或工件)来获得孔的方法,所以讨论的对象局限于圆孔。
可用于孔加工的通用机床设备:车床、铣床、镗床、钻床。
根据加工工件的外形,所需孔的直径,公差等级,孔深(通孔或圆孔),选择合适的设备和加工方法。
C.实体开孔1.麻花钻Φ20以下规格可以选择莫氏柄或者直柄,Φ20以上一般均为莫氏锥柄。
直柄可以选用钻夹头来夹持,三爪钻夹头本身可以在一定范围内调节,可以适应不同规格的直柄钻头,但是夹持精度比较低。
弹簧夹头也可以用来装钻头,但是每一种规格的钻头需要相应规格的卡簧来装夹。
麻花钻材质有普通高速钢、钒高速钢、钴高速钢、粉末冶金高速钢、硬质合金等。
高速钢类价格相对比较便宜,韧性好,可用于跳动比较大的场合。
硬质合金切削速度快,效率高,但对装夹、冷却和断屑排屑要求很高,一般整体硬质合金装夹后跳动不能超过0.02,否则钻尖容易折断,此外对于长铁屑材料,一般要求内冷,且冷却液压力在10bar以上。
钴高速钢是介于普通高速钢钻头和整体硬质合金钻头之间的一个比较好的解决方案,由于比普通钻头硬度高,更耐磨,所以刃口更耐用,不容易折断;同时与硬质合金钻头相比,又有很好的韧性,不需要保证严格的跳动。
PVD涂层也能提高高速钢钻头的切削速度和寿命,但是一旦重磨,涂层就不起作用。
由于普通钻头容易产生钻偏、钻斜的现象,所以很多时候需要用中心钻预钻引导孔。
因为方便计算,所以一般选用90º锥角的中心钻。
预钻的深度根据孔径计算,要求引导孔口部直径小于钻头直径,这样钻头的刃口先开始切削,而不是钻尖或外刃。
整体硬质合金的钻头不能使用预钻孔,因为整硬钻头均为自定心设计,预钻孔会导致孔质量下降甚至钻头损坏。
2.板钻板钻由钢质刀体和可换刀片组成。
刀片材料可以是高速钢或者硬质合金,并带有涂层。
精品文档值得下载一、设计题目法兰盘零件的机械加工工艺规程及工艺装备设计(钻轴向孔4-Φ9)二、原始资料(1)被加工零件的零件图1张(2) 生产类型:中批或大批大量生产三、上交材料(1)被加工工件的零件图1张(2)毛坯图1张(3)机械加工工艺过程综合卡片(参附表1)1张(4)与所设计夹具对应那道工序的工序卡片1张(4)夹具装配图1张(5)夹具体零件图1张(6)课程设计说明书(5000~8000字)1份四、进度安排(参考)(1)熟悉零件,画零件图2天(2)选择工艺方案,确定工艺路线,填写工艺过程综合卡片5天(3)工艺装备设计(画夹具装配图及夹具体图)9天(4)编写说明书3天(5)准备及答辩2天五、指导教师评语成绩:指导教师日期摘要本课程设计主要内容包括法兰盘(CA6140车床)的加工工艺过程设计和钻49⨯∅孔的专用夹具设计,在课程设计过程中完成了零件图、毛坯图、夹具体装配图和夹具体零件图的绘制。
机械制造技术基础课程设计是在我们完成了全部基础课、技术基础课、大部分专业课之后进行的。
这是我们对所学各课程的一次深入的综合性的复习,也是一次理论联系实际的训练。
能够顺利的完成这次课程设计,首先得助于冷岳峰老师的悉心指导,同学们的耐心解答。
在设计过程中,缺乏实际的生产经验,导致在设计中碰到了许多的问题。
但在同学们的帮助下,通过请教老师,翻阅资料、查工具书,解决设计过程中的一个又一个的问题。
在此,十分感谢冷岳峰老师的细心指导,感谢同学们的互相帮助。
此套设计有全套CAD图和卡片,有意者请联系我索取522192623@AbstractThe main content of the curriculum design, including flange (CA6140 lathe) the process of design and processing of drilling for fixture design, in the process of designing courses to complete parts of the map, rough map, specific folders and folders assembly specific parts of the map drawn .Machinery manufacturing and technological foundation of our curriculum is designed to complete all the basic courses, technical basic course, after the most specialized. This is what we have learned on the course of an in-depth review of the comprehensive, is also a theory with practical training.The successful completion of the curriculum design,first of all help in the Leng Yuefeng careful guidance of teachers, students have the patience to answer. In the design process, the lack of practical experience in the production and resulted in the design of many of the problems encountered. But with th e help of students and teachers through advice, read information, search tool, the design process to solve the problems one after another. Here, Leng Yuefeng very grateful to the carefulguidance of teachers, for students of helping each other.目录1零件工艺性分析 (1)1.1零件的用途 (1)1.2零件的技术要求 (1)1.3审查零件的工艺性 (3)2零件毛坯的确定 (3)2.1零件的生产类型 (3)2.2毛坯的种类和制造方法 (4)2.3零件各表面的加工方法 (4)2.4各工序间加工余量 (6)2.5 确定毛坯尺寸 (8)3 机械加工工艺规程设计 (9)3.1 拟定工艺路线 (9)3.1.1 定位基准的选择 (9)3.1.2 工序顺序的安排 (9)∅切削用量的计算 (11)3.2 4-93.2.1 钻孔工步切削用量的计算 (11)3.2.2 绞孔工步工步切削用量的计算 (11)∅基本工时的计算 (12)3.3 4-93.3.1基本时间j t的计算 (12)3.3.2 辅助时间f t的计算 (12)3.3.3 其他时间的计算 (12)3.3.4 单件时间dj t的计算 (13)∅工序卡片 (13)3.4 制订4-9∅孔的专用机床夹具设计 (13)4 4-94.1定位方案的设计 (14)4.2定位误差分析与计算 (14)4.2.1 定位元件尺寸公差的确定 (15)4.3导向元件设计 (15)4.3.1钻套高度和排屑间隙 (16)4.4夹紧装置的设计 (16)4.5夹具结构设计及操作简要说明 (16)5 方案综合评价与结论 (17)6体会与展望 (17)参考文献 (19)此套设计有全套CAD图和卡片,有意者请联系我索取522192623@1零件工艺性分析1.1零件的用途CA6140卧式车床上的法兰盘,为盘类零件,用于卧式车床上。
孔加工方法简介-钻孔、扩孔、锪孔、铰孔一、钻孔用麻花钻在实体材料上加工孔的方法称为钻孔。
一般加工可达尺寸公差等级为IT14~IT11,表面粗糙度Ra值为50~12.5μm。
常用的钻床有:台式钻床、立式钻床和摇臂钻床。
1、钻床1)台式钻床简称台钻(图1),是一种小型机床,安放在钳工台上使用。
其钻孔直径一般在12mm以下。
主要用于加工小型工件上的各种孔,钳工中用得最多。
图1 台式钻床1—工作台2—进给手柄3—主轴4—带罩5—电动机6—主轴架7—立柱8—机座2)立式钻床简称立钻(图2),一般用来钻中型工件上的孔,其规格用最大钻孔直径表示。
常用的有25mm、35mm、40mm、50mm等几种。
图2 立式钻床1—工作台2—主轴3—进给箱4—主轴变速箱5—电动机6—立柱7—进给手柄8—机座3)摇臂钻床摇臂钻床有一个能绕立柱旋转的摇臂(图3)。
主轴箱可在摇臂上作横向移动,并可随摇臂沿立柱上下作调整运动,因此,操作时能很方便地调整到需钻削的孔的中心,而工件不需移动。
摇臂钻床加工范围广,可用来钻削大型工件的各种螺钉孔、螺纹底孔和油孔等。
图3 摇臂钻床1—立柱2—主轴箱3—摇臂4—主轴5—工作台6—机座2、麻花钻麻花钻是钻孔的主要工具,它是由切削部分、导向部分和柄部组成,如图4所示。
直径小于12mm时一般为直柄钻头,大于12mm时为锥柄钻头。
图4 麻花钻麻花钻有两条对称的螺旋槽,用来形成切削刃,且作输送切削液和排屑之用。
前端的切削部分(图5)有两条对称的主切削刃,两刃之间的夹角2φ称为锋角。
两个顶面的交线叫作横刃。
导向部分上的两条刃带在切削时起导向作用,同时又能减小钻头与工件孔壁的摩擦。
图5 麻花钻的切削部分3、钻孔操作1)钻头的装夹钻头的装夹方法,按其柄部的形状不同而异。
锥柄钻头可以直接装入钻床主轴孔内,较小的钻头可用过渡套筒安装(图6);直柄钻头一般用钻夹头安装(图7)。
图6 安装锥柄钻头图7图8钻夹头或过渡套筒的拆卸方法是将楔铁带圆弧的边向上插入钻床主轴侧边的锥形孔内,左手握住钻夹头,右手用锤子敲击楔铁卸下钻夹头(图8)。
孔的常规加工方法孔是工程中常见的一种加工形式,广泛应用于不同行业和领域。
常规的孔加工方法可以分为以下几种:1.钻孔加工:钻孔是最常见的孔加工方法之一,通过旋转切削工具使其在工件上移动,从而形成所需的孔洞。
钻孔可以使用手持钻头、立式钻床、卧式钻床等设备进行。
2.铰孔加工:铰孔是通过特殊设计的铰刀,以转动和推进的方式完成孔加工的一种方法。
铰孔可以实现更精确的孔径和孔质量,并且能够加工出平面底孔、倒角孔等特殊形状的孔。
3.镗孔加工:镗孔是通过镗床进行的孔加工方法,镗床是一种能够精确加工孔洞的设备,通常用于加工大孔或高精度孔洞。
镗孔可以实现孔径和孔形的高精度加工,适用于各种材料。
4.拉削加工:拉削是一种通过拉刀进行孔加工的方法,适用于加工具有一定深度的孔。
通过旋转和推进切削工具,实现对孔洞深度和精度的控制。
5.铣孔加工:铣孔是用铣刀进行的孔加工方法,通过旋转切削工具的刀齿,将材料逐渐切削去除,从而形成所需的孔洞。
铣孔可以加工出各种形状和大小的孔洞,并能够实现高效的加工。
6.切割加工:切割是通过切割工具进行的孔加工方法,包括切割刀、电火花加工等。
切割适用于各种材料,可以切割出特殊形状和大孔洞。
此外,还有喷火穿孔、电蚀、激光加工等特殊的孔加工方法,它们通常用于特殊材料和特殊形状的孔洞加工。
孔加工方法的选择通常根据工件材料、形状和孔洞要求来确定。
在进行孔加工时,还需要考虑如下因素:1.切削速度和进给速度:通过调整切削速度和进给速度,可以控制加工过程中的切削效果和工件表面质量。
2.切削润滑:使用适当的切削润滑剂,可以降低切削力和磨损,从而提高加工精度和工具寿命。
3.刀具选择:不同的孔加工方法需要选择不同的刀具,包括钻头、铰刀、拉刀、镗刀、铣刀等。
4.刀具磨损监测:定期检查和更换刀具,并进行刀具磨损监测,可以保证加工质量和工具寿命。
5.加工稳定性:在加工过程中,需要保持加工稳定性,避免振动和共振等问题,从而保证孔加工的精度和表面质量。
目录序言 (2)第1章零件分析 (3)1.1零件的作用 (3)1.2零件的工艺分析 (3)第2章选择坯 (4)2.1 确定毛坯的成形方法 ............................. . (4)2.2 铸件结构工艺性分析 (4)2.3 铸造工艺方案的确定 ............................. . (4)2.4 铸造工艺参数的确定 ............................. . (4)第3章工艺规程设计 (5)3.1定位基准的选择 (5)3.2 工件表面加工方法的选........................... . (5)3.3制定工艺路线 (6)3.4机械加工余量、工序尺寸及毛坯配尺寸的确定 ....... .. (8)3.5确定切削用量及基本工时 ........................ .. (11)第4章夹具设计........................................ .16 4.1确定设计方案 .................................. .. (16)4.2机械加工工序卡片 .............................. . (18)总结 (19)参考文献错误!未定义书签。
(20)序言机械制造工艺课程设计是在我们完成了全部基础课、技术基础课、大部分专业课以及参加了生产实习之后进行的。
这是我们在进行毕业设计之前对所学各课程的一次深入的综合性的复习,也是一次理论联系实际的训练,因此,它在我们四年的大学生活中占有重要的地位。
通过本次课程设计,应该得到下述各方面的锻炼:1.能熟练运用机械制造工艺设计中的基本理论以及在生产实习中学到的实践知识,正确地解决一个零件在加工中的定位、夹紧以及工艺路线安排、工艺尺寸确定等问题,保证零件的加工质量。
2.提高结构设计的能力。
通过设计夹具的训练,应当获得根据被加工零件的加工要求,设计出高效、省力、经济合理而且能保证加工质量的夹具的能力。
m14内螺纹常用加工方法1.引言在编写"1.1 概述"部分的内容时,你可以考虑以下写作方向:概述:在现代机械制造中,内螺纹是一种常见的连接方式。
它广泛应用于汽车、机械设备、电子产品等领域。
内螺纹的加工方法对于产品的质量和性能具有重要的影响。
本文旨在介绍内螺纹的常用加工方法,以帮助读者更好地理解和应用内螺纹技术。
解释内螺纹:内螺纹是指在内部孔洞中加工出的具有螺旋形状的螺纹。
它通常用于与外螺纹配合,实现螺纹连接。
内螺纹的制造比较复杂,常需要特殊的加工方法和工具。
重要性:内螺纹的加工方法对于产品的尺寸精度、表面质量和力学性能都有很大的影响。
不同的加工方法可以满足不同工件的要求,提高产品的可靠性和使用寿命。
本文结构:本文共分为三个部分,分别是引言、正文和结论。
引言部分将对内螺纹加工方法的概述进行介绍,包括定义、应用和目的。
正文部分将详细介绍内螺纹的加工方法的分类和具体操作步骤。
结论部分将对内螺纹常用加工方法进行总结,并展望未来的发展方向。
通过上述写作方向,你可以编写出符合文章大纲的"1.1 概述"部分的内容。
1.2 文章结构文章结构部分的内容应该包含对整篇文章的结构和各个章节的简要介绍。
在这里,我们可以简要介绍文章中包含的章节和其主要内容,以帮助读者更好地理解整篇文章的结构安排。
以下是文章结构部分的内容示例:文章结构:本文分为引言、正文和结论三个部分。
引言部分介绍了本文的概述、文章结构和目的,为读者提供了对全文的整体了解。
正文部分分为内螺纹的定义和应用以及内螺纹加工方法的分类两个章节。
其中,第二章节包含了内螺纹的定义和应用,将详细介绍内螺纹的概念及其在工程领域中的广泛应用。
第三章节将对内螺纹加工方法进行分类介绍,包括传统加工方法和现代加工方法等。
结论部分总结了本文介绍的内螺纹常用加工方法,并对未来内螺纹加工方法的发展进行了展望。
通过以上文章结构的安排,读者可以清晰地了解到本文的章节划分和各个章节的主要内容,有助于读者更好地进行阅读和理解。
课程设计学院:机械工程学院班级:数控1311班学号:设计地点(单位): 2教学楼设计题目:花键套的工艺设计完成日期:2015 年 5 月 29日机械学院课程设计任务书设计题目:花键套零件的机械加工工艺规程及工序的设计计算教研室主任:贾伟杰指导教师:韩健2013年 6月 8日目录1 零件的分析 .......................................... 错误!未定义书签。
零件的工艺分析 ..................................... 错误!未定义书签。
花键套的技术要求 ................................... 错误!未定义书签。
2 毛坯的选择 .......................................... 错误!未定义书签。
毛坯种类的选择 .................................... 错误!未定义书签。
毛坯制造方法的选择 ................................. 错误!未定义书签。
毛坯形状及尺寸的确定 ............................... 错误!未定义书签。
3 工艺路线的拟定 ...................................... 错误!未定义书签。
定位基准的选择 .................................... 错误!未定义书签。
零件表面加工方案的选择 ............................ 错误!未定义书签。
加工阶段的划分 .................................... 错误!未定义书签。
工序顺序的安排 .................................... 错误!未定义书签。
机械加工顺序 .................................... 错误!未定义书签。