正泰电容BSMJ
- 格式:pdf
- 大小:1.09 MB
- 文档页数:4
一》店子沟隧道变压器:(2009年12月已贯通取消)变压器型号:S11—315/35 容量:315KV A 阻抗:6.85%电压:35000+-5%/400V 50Hz Yyno ONAN代号:GB1094.1—1996 产品代号:1JSM.710 出厂序号:0904486 高压:I:36750V II:35000V III:33250V 电流:5.2A低压:400V 电流:454.7A 浙江金山门电器0430使用0509绝缘电阻测量(欧):AB:56.66 CA:56.71 BC:56.90 A0:3.15m& B0:3.163m&(毫欧)C0:3.215m& 接地:9欧16.1*C绝缘2500以上有功0.174% 无功0.985%二》文家沟变压器型号:S11—630/35 容量:630KV A 电压;35000+-5%/400v50Hz 3相Yyno ONAN 阻抗电压:6.43% LI200 AC85GB1094.1—1996 1JSM.710 高压:I:36750V II:35000VIII:33250V 电流:10.40A 低压:400V 909.3A 2009年4月份0903802# 浙江金山门电器0509测试:AB:21.75&(欧)AC:21.73& BC:21.80& A0:1.575m& B0:1.575m& C0:1.594m& 接地:3.5& 绝缘2500& 有功走字11.85 BC相反逆F0:1.443%. 无功走字99984.1 BC相反逆F0:0.875% (0509下午已更改)三》杨家沟拌合站生活区变压器:GB1094.1—2GB1094.3,.5 GB/T6451 产品代号:LRX1.710.348 产品型号:S9—M.R—200/10 额定容量:200KV A 额定电压:10000+-5%/400V 连接组别:Y,ynO 相数3 频率50Hz阻抗电压:4.18% 使用条件:户外冷却方式:ONAN油重:207KG 器重:536KG 总重:965KG高压:I:10500V II:10000V III:9500V 电流:11.55A低压:400V 电流:288.7A陕西宝鸡鲁瑞先行电气公司高压对地绝缘:全部是:5000 低压:ac:6.21 bc:6.20 ab:6.22配电柜型号:GGD 电流:600A 电压:380V 50Hz 绝缘电压; 660V 依照标准:GB72511—2005 出厂编号:090118 09年3月西安瓦特电气有限公司电容补偿柜型号:GGD NWKL1型智能型低压无功功率自动补偿控制器电压380V 电流5A 输出回路:8/10JB/T9663—19999 DL/T597—96 2008年12月里面电容型号:BZMJ0.4—15.3 UN:0.4KV QN:15Krar Id:21.7A Ins:3/KV 互感器变比:400/5四》相公塬隧道变压器(2009年10月份烧毁更换)型号:SJ1 容量:560KV A Y/Y0—12高压:I:10500V II:10000V III:9500V 电流:32.4A低压:400V 电流:809A西安电机厂四》相公塬隧道变压器:型号:S9-M GB1094.1-2-1996 GB1094.3.5-85容量:800KV A 额定电压:10000+-5%/400V 频率:50Jz 相数:3联接组别:Y,ynO 冷却方式:ONAN 高压:I:10500V II:10000V III:9500V 电流:46.7A 低压;400V 电流:1154A 阻抗:4.99% 绝缘水平:LI75AC35 总重:3165KG西安电力变压器厂电流互感器型号:1000/5五》文家沟隧道出口变压器型号:S11-400/35 标准代号:GB1094.1-1996 产品代号:1JSM.710容量:400KV A 额定电压:35000+-5%/400V 频率:50Hz 相数:3连接组别:YynO 冷却方式:ONAN 使用条件:户外阻抗电压:6.15% 绝缘水平:LI200AC85 总重:1875KG 出厂序号:090310油重:490KG 高压:I:36750V II:35000V III:33250V 电流:6.60A低压:400V 电流:577.4A 进山门电气公司配电柜:电容型号:BSMJ0.4-18-3 额定电压:400V 容量:18Kvar 额定电流:26.0A 总容量:358uF IEC831-1996 GB/T12747.1-2004切换电容接触器型号:CJ19-43 GB14048.4-2003 230V 10Kvar 400V 20Kvar 出厂编号:20090328015无功补偿控制器型号:JKW5C无功功率自动补偿器电流互感器型号:LMK1(BH)-0.66 0.66KV 5V A/3.75V A 0.5级600/5切换电容控制开关:DZ47-63 C40A第一部分:杨家沟拌合站电力补偿电容器电容名称:自愈式低压电压并联电容器电容型号:BZMJ0.4—15—3额定电压:0.4KV 额定频率:50Hz额定容量:15kvar 额定电容:298uF额定电流:21.7A 接线方式:△绝缘水平:3/--kV 放电器件:—□—温度类别:--25/C符合标准:GB/T12747.1—200AGB/T12747.2—2004正泰电器股份有限公司(补偿控制器型号:NWKL1智能型无功功率自动补偿器补偿器电流互感器变比:400/5)第二部分:相公塬隧道电力补偿电容器电容器名称:自愈式低电压并联电容器电容器型号:BZMJ0.4—20—3额定电压:0.4KV 额定频率:50Hz额定容量:20kvar 额定电容:398uF额定电流:28.9A 接线方式:△绝缘水平:3/--KV 放电器件:—□—温度类别:--25/C 保护装置:过压力保护符合标准:GB/T12747—2004。
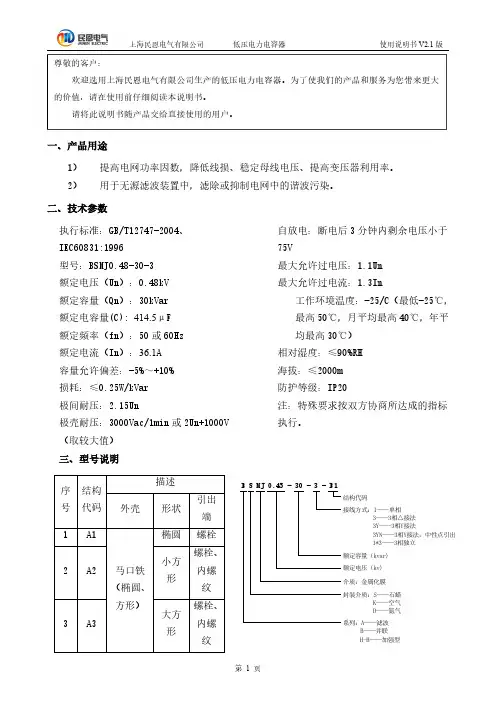
BSMJ-0.45-40-3电容器BSMJ-0.45-40-3电容器引言:B:代表系列型号,以它作为产品型号的开头是为了让客户更好的区分电容器的功能,这里的B代表"并联", 还有M代表"储能", C代表"串联".S:代表浸渍剂代号,这里的S表示"微晶蜡",还有Z代表"菜籽油",G代表"硅油",其中最常见的还是微晶蜡和菜籽油,市场上使用率最高的还是应当是微晶蜡介质的电容器.MJ:代表介质代号,这个就没什么好说的,基本都一样都是代表金属化聚丙烯薄膜.0.45:代表额定电压,这里的单位是KV,5KV以下的电容器都算是低压电容器,10KV以上的电容器属于高压电容器.40代表额定容量,单位是Kvar,电容量可选的范围一般在1~50,如果对电容容量不了解,可以致电厂家上海昌日电子科技有限公司3:代表相数,就是火线接电柱的数量,一般电压小一点的是都使用单相(1相),电压大一点的都是使用三相(3相),也有特殊的是使用分相(3YN)壹,BSMJ-0.45-40-3电容器适用范围1.1 0.4 系列自愈式低电压并联电容器,适用于标准电压为380V 的低压配电系统,以提高功率因数,降低线路损耗,改善电压质量。
1.2 0.45 系列自愈式低电压并联电容器,适用于标准电压为380V,但电压波动大,或电压偏高的低压配电系统,尤其适宜石油、水泥、冶金等行业,以提高功率因数,减少线损,改善电压质量。
贰,BSMJ-0.45-40-3电容器型号含义B S MJ-0.45-40-3相数额定容量40(KVAR)额定电压(KV)450V介质代号(金属化聚丙烯薄膜)浸渍剂代号(S为石蜡)系列代号(并联电容器)叁,BSMJ-0.45-40-3电容器技术参数表符合标准:GB12747-97,IEC60831-01符合标准:GB12747-2004型号BSMJ-0.45-40-3制造商上海昌日电子科技有限公司额定电压:0.23,0.4,0.415,0.45,0.525,0.69及1.14kV;BSMJ并联电容器外形单元为矩形、椭圆形或圆柱形金属外壳主要作用用于电网提高功率因数,减少无功损耗改善电压质量。
MKMJ自愈式高压脉冲电容器1、使用范围MKMJ系列自愈式高压脉冲电容器以金属化聚丙烯膜作介质,采用金属外壳全密封结构,抗爆金属外壳。
具有电性能优良、可靠性好、储能密度大和良好自愈性能等特点。
大功率脉冲技术是以较小功率的电源在相对较长的时间间隔内对电容器充电,储能至极大的所需能量, 然后在极短的时间内(最短可达纳秒级)将所储能量迅速向负载倾注,形成强大的冲击电流和磁场的一种电物理技术。
脉冲电容器是其重要的组成部分。
它主要应用于:●冲击电压发生器(如用于电力设备等试品进行雷电冲击电压全波、雷电冲击电压截波和操作冲击电压波的冲击电压试验设备中,检验绝缘性能。
)●冲击电流发生器(如氧化锌避雷器阀片进行冲击电流试验)●中小功率激光电源(如地质探矿、采矿以及定位、医疗设备等)●大功率激光电源(能库能源系统的主要储能元件,如神光Ⅲ惯性约束聚变激光装置)●各种特殊场合产品执行标准GB/T 4704-1992《脉冲电容器及直流电容》和JB/T8168-1999《脉冲电容器及直流电容》2、型号及含义额定电容(μF)额定电压(kV)介质代号(金属化聚丙烯薄膜)浸渍剂代号(K表示空气,Z表示菜籽油)系列代号(M表示脉冲电容器)3、主要技术参数及技术性能3.1 环境温度:(-25~+50)℃3.1 额定电压:(3~25)kVdc3.2 额定容量:(1~10000)μF3.3 允许偏差:-5%~+5%3.4 DESR等效串联电阻:≤20mΩ3.5储能密度:≥0.5J/cm33.6 绝缘电阻:≥103MΩ3.7 充放电频率:≤5次/分钟3.8 端子出线方式:盘式单套管、两极双端子3.9 绝缘介质:干式、油浸式3.10 正常寿命:≥20000次主要产品型号及数据表:表14、其他4.1特点4.1.1先进的生产工艺和生产设备,采用优质金属化聚丙烯薄膜;4.1.2外形坚实、美观:外壳采用冷轧钢板或不锈钢板,高强度抗爆金属外壳,安全可靠;4.1.3安装使用方便:盘式单套管采用电工用聚氨脂(尼龙)材料,大直径铜螺栓作为高压引出端子,外壳接地;两极双端子可采用高压绝缘瓷瓶,大直径铜螺栓作为高压引出端子,接线方便。
BSMJ-0.4-20-3电容器BSMJ-0.4-20-3电容器引言:B:代表系列型号,以它作为产品型号的开头是为了让客户更好的区分电容器的功能,这里的B代表"并联",还有M代表"储能",C代表"串联".S:代表浸渍剂代号,这里的S表示"微晶蜡",还有Z代表"菜籽油",G代表"硅油",其中最常见的还是微晶蜡和菜籽油,市场上使用率最高的还是应当是微晶蜡介质的电容器.MJ:代表介质代号,这个就没什么好说的,基本都一样都是代表金属化聚丙烯薄膜.0.4:代表额定电压,这里的单位是KV,5KV以下的电容器都算是低压电容器,10KV 以上的电容器属于高压电容器.20代表额定容量,单位是Kvar,电容量可选的范围一般在1~50,如果对电容容量不了解,可以致电厂家上海昌日电子科技有限公司3:代表相数,就是火线接电柱的数量,一般电压小一点的是都使用单相(1相),电压大一点的都是使用三相(3相),也有特殊的是使用分相(3YN)壹,BSMJ-0.4-20-3电容器适用范围1.1 0.4系列自愈式低电压并联电容器,适用于标准电压为380V 的低压配电系统,以提高功率因数,降低线路损耗,改善电压质量。
1.2 0.45系列自愈式低电压并联电容器,适用于标准电压为380V,但电压波动大,或电压偏高的低压配电系统,尤其适宜石油、水泥、冶金等行业,以提高功率因数,减少线损,改善电压质量。
贰,BSMJ-0.4-20-3电容器型号含义B S MJ-0.4-20-3相数额定容量20(KVAR)额定电压(KV)400V介质代号(金属化聚丙烯薄膜)S为石蜡)叁,BSMJ-0.4-20-3电容器技术参数表符合标准:GB12747-97,IEC60831-01符合标准:GB12747-2004型号BSMJ-0.4-20-3制造商上海昌日电子科技有限公司额定电压:0.23,0.4,0.415,0.45,0.525,0.69及1.14kV;BSMJ并联电容单元为矩形、椭圆形或圆柱形金属外壳器外形主要作用用于电网提高功率因数,减少无功损耗改善电压质量。