职业卫生公告栏图
- 格式:docx
- 大小:36.82 KB
- 文档页数:2
职业健康管理公告栏公布单位:中国石油天然气股份有限公司黑龙江齐齐哈尔销售分公司 电话:XXXXXXXXXXX 公布日期:XXXX 年XX 月XX 日职业健康卫生管理机构为切实做好我单位职业健康卫生管理工作,落实职业病防治的主体责任,预防控制职业病危害,保障劳动者健康和相关权益,经研究成立我单位职业卫生管理机构: 组长: 副组长: 成员: 主要职责:1、认真贯彻落实国家和有关部门的有关职业危害防治的法律、法规、政策和标准,建立健全并落实本单位各级职业危害防治责任制。
2、定期召开职业危害防治工作会议,制定职业病防治计划和实施方案。
3、建立、健全并落实职业卫生各项管理制度和操作规程以及职业病危害事故应急救援预案。
4、单位负责人,职业健康管理人员接受职业卫生培训,对接触职业危害的从业人员进行上岗前的职业卫生培训和在岗期间的顶级职业卫生培训。
5、用有资质的单位对接触职业危害的从业人员进行岗前、岗中、离岗时的职业健康检查,将检查结果书面告知劳动者,并对劳动者建立职业健康监护档案。
6、拥有资质的单位对作业场所现场进行定期检测、评价,并将职业病位危害因素检测结果对外公布。
7、及时、如实报告职业危害事故。
8、作业场所采用有效的职业病防护措施,并为劳动者提供符合标准的职业病防护用品。
企业职业病危害事故应急救援措施1、抢救人员穿戴防护用品,迅速将患者移离现场至通风良好、空气新鲜处,保持呼吸道通畅,去除污染衣物,注意保暖、安静2、皮肤污染或溅入眼内用流水或生理盐水清洗各至少20分钟。
3、呼吸困难者给氧,必要时用合适的呼吸器进行人工呼吸。
4、立即与医疗急救单位联系。
企业职业危害作业操作规程(加油员)1、加油员要掌握本岗位职业安全健康防护知识,经过职业安全健康培训合格后方可上岗,按时参加职业危害岗位的健康体检。
2、加油区必须配有相应的消防器材,设施,并设有专人定期维护保养。
3、作业人员要按规定正确佩戴,使用职业病防护劳动用品(工作服、手套、防毒面具等),不许随便取下不用。
职业卫生公告栏(办公区)职业卫生管理制度一、目的:为了预防、控制、消除职业病危害,防治职业病,保护职工的健康。
二、范围:全体员工。
三、程序:编制、审核、批准、发放、培训1、总则⑴、职业卫生工作坚持“预防为主、防治结合、分类管理、综合治理”的方针,实行“公司监督、部门负责、分级管理、定期考核”的管理体制。
公司内部相关部门各负其责相互协作,做好职业卫生工作。
⑵、公司职业卫生工作实行总经理负责制,公司对职业病危害后果承担责任。
职业卫生管理部门负责对本公司职业卫生工作进行管理与考核。
⑶、职业卫生工作是公司安全、健康管理的重要组成部分,公司在建立、执行安全管理体系过程中,必须按职业卫生管理制度做好职业卫生有关工作。
⑷、公司对在职业卫生工作中成绩突出的个人或单位给予表彰、奖励。
2、管理制度⑴、《职业病危害防治责任制度》,建立职业卫生领导小组、职业卫生管理机构,配备职业卫生专职管理人员。
规定总经理的职责、职业卫生工作领导小组职责、专管机构职责、专职职业卫生专业人员职责、分管负责人职责、各部门及负责人职责、班组长职责和职工职责等。
⑵、《职业危害告知制度》,按安监总司安健(2014)111令进行告知·劳动合同告知:将工作过程中可能产生的职业病危害及其后果、职业病防护措施和待遇书面如实告知职工。
·公告栏告知:办公区:公布有关职业病防治的规章制度、操作规程生产区:公布职业病危害事故应急救援措施和工作场所职业病危害因素检测结果。
·体检结果告知:书面告知员工体检结果,与体检结果一起纳入个人监护档案。
职业禁忌症人员得到妥善安排。
职业病与疑似职业病得到妥善治疗和补偿。
⑶、《职业病危害申报制度》按职业病危害评价报告确定的有害物质如实申报。
(4)、《职业健康宣传教育培训制度》,新入厂人员、转岗人员接受岗前培训、全体员工接受在岗培训,培训(5)、《职业病危害防护设施维护检修制度》,规定各种防护设备按管理分工,安排专人负责,制定定期进行巡回检查和维护管理。
.;..职业卫生公告栏职业卫生管理制度一、目的:为了预防、控制、消除职业病危害,防治职业病,保护职工的健康。
二、范围:全体员工。
三、责任者:陶青松陈青杜丽祥杭辉四、程序:1、总则⑴、职业卫生工作坚持“预防为主、防治结合、分类管理、综合治理”的方针,实行“公司监督、部门负责、分级管理、定期考核”的管理体制。
公司内部相关部门各负其责相互协作,做好职业卫生工作。
⑵、公司职业卫生工作实行总经理负总责,公司对产生的职业病危害承担责任。
职业卫生管理部门对本公司职业卫生工作的监督管理与考核负责。
⑶、职业卫生工作是公司安全、健康管理的重要组成部分,公司在建立、执行安全管理体系过程中,必须按本规定做好职业卫生有关工作。
⑷、工会组织应依法维护职工享有的职业卫生保护权利,组织实施对本公司职业病防治工作的民主管理和群众监督。
⑸、公司对在职业卫生工作中成绩突出的个人或单位给予奖励。
2、机构与管理⑴、公司设置综合办公室作为职业卫生管理部门,主管职业卫生工作。
专职卫生管理员在公司安全生产委员会的领导下负责职业卫生日常管理的具体工作。
⑵、公司安全委员会负责指导职业卫生工作,应有领导分管职业卫生工作。
⑶、内部应建立职业卫生“管理网络”,负责各级职业卫生的监督管理工作。
⑷、建立职业卫生工作例会制度。
制定计划、研究工作、布置任务,通报公司有毒有害作业场所监测、职业健康监护、职业卫生宣传教育及劳动保护检查考核、职业卫生隐患检查及治理等情况。
⑸、应按国家有关规定,依法参加工伤社会保险,确保职工能依法享受工伤社会保险的有关待遇。
⑹、职业卫生和职业病防治工作所需经费(包括健康监护费、职业病诊疗康复伤残费、有毒有害物质监测仪器设备购置费、监测费、职业卫生宣传教育费、培训费、管理费、职业病危害调查费等)应列入公司年度资金计划,专款专用,其经费支出在生产成本中据实列支。
⑺、各管理部门,在其岗位责任制中应列入相关的职业卫生责任条款,协助做好职业卫生工作。
职业卫生公告栏
有毒物品对人体有害请注意防护
盐酸健康危害理化特性
作业场所危害物质检测结果接触其蒸气或烟雾,可引起急性中毒,出现眼结膜炎,鼻及口腔粘膜有烧灼感,鼻钮、齿龈出血,气管炎等。
眼和皮肤接触可致灼伤。
慢性影响:长期接触引起慢性鼻炎、慢性支气管炎、牙齿酸蚀症及皮肤损伤。
误服可引起消化道灼伤、溃疡形成。
有可能胃穿孔、腹膜炎等。
粘膜糜烂、出血和休克。
沸点(℃):-78.5(升华)
熔点(℃):-56.6(527KPa )
相对密度(水=1):1.56(-79
℃)
相对密度(空气=1):1.53采样地点:四氯苯醌车间尾气吸收岗位测定结果(dB )(A):74.8测定结果(m g/m3):<0.5卫生标准(dB )(A):94标准值(m g/m3):≤7.5应急处理
职工健康状况检查结果
皮肤接触立即脱去污染衣着,用大量流动水冲洗至少15分钟。
就医。
眼睛接触提起眼睑,用流动清水或生理盐水冲洗,就医
吸入迅速脱离现场至空气新鲜处。
保持呼吸通道畅通。
如呼吸困难给输氧,如呼吸停止,立即进行人工呼吸。
就医。
食入用水漱口,给饮牛奶或蛋清,就医。
注意防护
应急救援电话泰兴市消防支队:119泰兴市急救中心:120。
产生职业病危害的用人单位公告栏职业病危害公告栏是用人单位在生产场所以及其他工作场所公布有关职业病危害的信息的一种公告形式。
其目的是向职工宣传有关职业病防护和预防知识,保障职工的职业卫生权益,预防和减少职业病危害的发生。
然而,在实际生产和工作中,一些用人单位的职业病危害公告栏存在着不规范、不全面的情况,这给职工的健康带来了潜在的风险。
在职业病危害公告栏上,部分用人单位只公布了一些简单的职业病防护知识,缺乏对具体职业病危害因素的分析和描述。
仅仅列出了一些职业病的名称,却未对该病的病因、症状、防护措施等进行详细介绍。
这种简单粗糙的公告形式,无法让职工深入了解职业病的危害,也无法引起职工的重视和警惕。
用人单位应该在公告栏上详细介绍各种职业病的病因、症状、预防措施等,提高职工对职业病的认识和了解。
在一些用人单位的职业病危害公告栏上,存在着信息更新不及时的问题。
一些用人单位只在开办初期对公告栏进行一次规范的布置和宣传,之后长时间不再进行更新和维护。
这样就导致了公告栏上的信息陈旧化,职工无法及时获取到最新的职业病危害防护知识,容易造成职业病危害防护知识的滞后和不全面。
用人单位应当定期对职业病危害公告栏进行维护和更新,确保其中的信息是最新、最全面的,以提高职工对职业病危害的认识和了解。
在职业病危害公告栏上,一些用人单位的公告语言晦涩难懂,存在着不易理解的情况。
这种情况导致职工对职业病危害防护知识的理解困难,难以将公告栏上的知识运用到实际工作中。
用人单位在公告栏上的文字表述应当简洁清晰,尽量使用通俗易懂的语言,让所有职工都能够轻松理解其中的内容。
用人单位的职业病危害公告栏在提高职工对职业病危害的认识和了解方面存在着一些不规范、不全面的情况。
用人单位应当重视职业病危害公告栏的宣传和布置工作,将其作为重要的职业病防护宣传教育评台,确保其信息内容的全面、及时和易理解,以提高职工对职业病危害的认识和了解,保障职工的健康权益。
职业健康安全管理公告栏示例重要通知
- 公告1:为了保障员工的健康与安全,请严格遵守公司的职业健康安全规定,认真佩戴个人防护设备,并定期参加相关培训。
- 公告2:公司将对所有岗位进行职业风险评估,并提供相应的安全设备与应急方案。
请员工如实报告工作中的安全隐患,并积极参与相关安全活动。
- 公告3:请遵守现场安全操作规程,严禁违规操作,如发现任何违规行为,请及时向上级领导汇报。
安全提示
- 提示1:高温季节,注意防暑降温,经常饮水,避免中暑。
- 提示2:请注意工作场所的清洁卫生,保持整洁有序,预防意外伤害。
- 提示3:使用化学药品时,请佩戴好个人防护设备,遵守操作规程,避免事故发生。
- 提示4:请员工注意工作时的姿势,经常做适当体操与伸展运动,预防职业病。
安全知识
- 知识1:急救知识:如何正确进行心肺复苏和急救操作。
- 知识2:消防知识:如何正确使用灭火器和应对火灾紧急情况。
- 知识3:疏散逃生:掌握疏散逃生路线和应急疏散方案。
安全活动
- 活动1:组织职业健康安全宣讲会,提升员工职业健康安全意识。
- 活动2:定期进行职业病防护培训,帮助员工提高拒绝职业
病的能力。
- 活动3:开展安全知识竞赛,鼓励员工研究并运用安全知识。
以上内容仅供参考,具体公告栏示例可根据实际情况进行调整
和补充。
公司将不断加强职业健康安全管理工作,确保员工的健康
与安全。
职业卫生公告栏(中文名称)熔点「C):沸点「C):相对密度(水二1): 乙酸乙酯(醋酸乙酯)对眼、鼻、咽喉有刺激作用。
高浓度吸入可引进行性麻醉作用,急性肺水肿,肝、肾损(英文名称)害。
持续大量吸入,可致呼吸麻痹。
误服者可产生恶心、呕吐、腹痛、腹泻等。
饱和蒸气压(kPa):(27C)ethyl acetate皮肤接触:提起眼睑,用流动清水或生理盐水冲洗,就医。
脱去污染的衣着,用肥皂水和清水彻底冲洗皮肤。
吸入:迅速脱离现场至空气新鲜处。
保持呼吸道通畅。
如呼吸困难,给输氧。
如呼吸停止,立即进行人工呼吸,就医。
食入:饮足量温水,催吐,就医。
I注意防护职业卫生公告栏触会造成不适,低毒和皮肤炎;会有中毒性;可能引起肝脏及肾脏损伤;Ethyle ne Glycol Mon obutylEther(中文名称)乙二醇丁醚吸入,高蒸气浓度,会对眼睛和呼吸道有刺激性,造成头痛或眩晕;皮肤,经常接熔点(C):-70C 沸点(C):171C皮肤接触:提起眼睑,用流动清水或生理盐水冲洗,就医。
脱去污染的衣着,用肥皂水和清水彻底冲洗皮肤。
吸入:迅速脱离现场至空气新鲜处。
保持呼吸道通畅。
如呼吸困难,给输氧。
如呼吸停止,立即进行人工呼吸,就医。
食入:饮足量温水,催吐,就医。
I注意防护(英文名称)相对密度(水二1):饱和蒸气压(kPa):238 C)职业卫生公告栏(中文名称)二乙二醇乙醚乙酸脂(英文名称)2(2-Ethoxyethoxy)ethanolJ对皮肤、粘膜等组织有强烈的刺激作用急性中毒短期内大量吸入,初始有眼和上呼吸道刺激症状。
经数小时至24小时,刺激症状加重,可有畏光,流泪,气急,胸闷等症状熔点(C):-80C沸点「C):202C相对密度(水二1):饱和蒸气压(kPa):Hg (20C)皮肤接触:脱去被污染的衣着,用肥皂水和清水彻底冲洗皮肤。
眼睛接触:提起眼睑,用流动清水或生理盐水冲洗,就医。
吸入:迅速脱离现场至空气新鲜处。
有害物质注意防护保障健康职业卫生管理领导小组:组长:成员:职业卫生负责人:职业卫生管理员:职业卫生管理领导小组职责:1、组织制定(修改)职业卫生管理制度和职业健康操作规程,并督促执行;2、制定加油站年度职业病防治计划,并组织实施,保证经费的落实和使用;3、直接领导本站职业病防治工作,建立企业职业卫生管理和档案;4、组织对本站职工进行职业卫生宣传、教育、培训;5、经常检查站内职业病防治工作开展情况,对查出的问题及时研究、制定整改措施,落实部门按期解决;6、对站内发生职业病危害事故采取应急措施,及时报告,并协助有关部门调查和处理,对有关责任人予以严肃处理;7、对本站的职业病防治工作负责。
职业卫生管理制度1、坚持预防为主、防治结合的方针,实行分类管理、综合治理。
2、采取有效职业病防护设施,并为职工提供个人使用的职业病防护用品。
3、在产生职业病危害的场所,设置醒目公告栏,公布职业病危害因素的检测结果。
4、对产生严重职业病危害的作业岗位,在醒目位置,设置警示标示和警示说明。
5、劳动防护用品的发放,实行专人管理,并对使用情况进行经常性检查。
6、定期对从事职业病危害因素岗位的员工进行职业健康检查,检查结果如实告知本人,并进行建档管理。
7、对不适宜继续从事原岗位工作的员工,根据实际情况调离原岗位并妥善安置。
岗位职业健康操作规程1.料仓加料与皮带运输1.1按照生产调度要求,粉煤灰通过皮带计量,上料工戴好个人防护口罩后调好皮带电机转速,控制粉煤灰占总原料质量的40%;1.2铲车司机利用铲车斗计量,控制炉渣占总原料质量比40%,玄武石质量比为20%,通过料仓及皮带运输至磨机机头,完成备料。
2.球磨2.1混合料进入磨机机头后,磨机操作工戴好防尘口罩及防噪耳塞,检查布袋除尘设施是否正常工作,密封管道是否泄漏,开启磨机电源。
2.2磨机运行过程中,巡检工检查磨机密封管道是否有泄漏,检验工在采样口进行采样分析,根据一级粉煤灰(即325目细度的通过率是88%)或二级粉煤灰(即粉煤灰中325目细粉通过率是75%)对粒度要求,在取样口进行取样分析,达到质量要求后出料,通过皮带运输至斗式提升机,进入成品储存罐。
职业卫生公告栏职业卫生责任体系主要负责人职业病防治职责(一)公司总经理是公司安全生产第一责任人,对公司的安全生产、职业危害防治工作全面负责,认真贯彻执行党和国家安全生产方针、政策和法律、法规。
(二)建立健全公司安全生产、职业危害防治责任制,落实安全生产、职业危害防治责任主体。
(三)组织制定公司安全生产、职业危害防治规章制度、规程及生产安全、职业病危害事故应急救援预案。
(四)按国家规定设置配备安全管理、职业危害防治管理机构和人员。
(五)保证安全生产经费投入,有计划地解决重大安全事故隐患和职业病危害,不断改善劳动作业条件。
专职(兼职)职业卫生管理人员职业病防治职责(一)健全和完善公司安全生产、职业危害防治规章制度和安全操作规程、职业健康操作规程以及生产安全、职业病危害事故应急救援预案。
组织修订、审核新建单位的安全操作规程。
(二)负责组织安全生产的宣传教育培训工作,做好员工的安全技术教育,组织特种作业人员的培训、复审、办证等,监督检查公司员工班组安全活动的开展情况,并做好员工安全健康档案的建立工作。
(三)负责公司易燃、易爆、剧毒化学品、要害部(岗)位的安全管理,监督各单位做好易燃、易爆、剧毒化学品、要害部(岗)位的安全保卫工作。
(四)负责消防安全管理工作。
制定消防安全管理制度,组织对员工进行消防知识、技能的宣传教育和培训,组织灭火和应急疏散预案的实施演练,组织防火检查,及时消除火灾隐患,督促有关单位对消防设施、灭火器材和消防安全标志维护保养,确保其完好有效,保障疏散通道和安全出口畅通。
班组长职业危害防治职责(一)认真贯彻上级有关安全生产的指示,对本班组的安全生产、职业危害防治负全面责任。
(二)组织职工学习安全生产规章制度、安全(职业危害防治)操作规程,并抽考、检查执行情况。
(三)开好班前、班后会,根据生产、环境和职工思想情况,具体布置、检查、总结安全情况。
(四)坚持每班现场巡回安全检查,督促职工按规定正确穿戴、使用个体防护用品,模范遵守安全(职业危害防治)操作规程,纠正违章和不安全行为,负责监督危险作业的实施,及时发现和消除事故隐患。
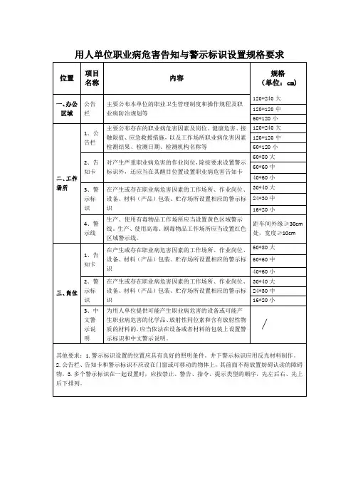
职业健康公告栏设置要求及填写内容产生职业病危害的用人单位应当设置公告栏,公布本单位职业病防治的规章制度等内容。
一、设置在办公区域的公告栏,主要公布本单位的职业卫生管理制度和操作规程等;二、设置在工作场所的公告栏,主要公布存在的职业病危害因素及岗位、健康危害、接触限值、应急救援措施,以及工作场所职业病危害因素检测结果、检测日期、检测机构名称等。
三、填写内容:1.职业病危害因素:粉尘、高温、噪声、有毒有害气体2.岗位:所有入井人员均有不同程度的接触,列出入井人员岗位名称,如:井工、压风机司机、机修工、电工、放炮员、现场检查员、皮带司机、井下信号工、把钩工、电机车司机、泵工、主提升司机、变电工、压风工、技术员、其他辅助人员等。
3.健康危害:(1)长期接触生产性粉尘的作业人员,当吸入的粉尘达到一定数量时,即可引发肺病,还可以引发鼻炎、咽炎、支气管炎、皮疹、眼结膜损害等,甚至患上尘肺。
(2)在高温环境中长时间作业,容易发生中暑,大量出汗可能会因电解质缺乏,导致心慌、乏力、痉挛等症状。
(3)在噪声超标的环境中作业,可能损伤人的听力,造成耳聋,还会影响人的神经系统,造成失眠、烦躁等。
(4)有毒有害气体造一定浓度下会造成急性中毒或窒息。
4.接触限值:(1)粉尘:①煤尘(游离二氧化硅含量<10%)平均接触允许浓度为4 mg/m3;短时间接触允许浓度为6 mg/m3;②粉尘(含10%——50%的游离二氧化硅)平均接触允许浓度为1 mg/m3;短时间接触允许浓度为2 mg/m3。
(2)高温:生产矿井采掘工作面空气温度不得超过26℃,机电设备硐室的空气温度不得超过30℃;当空气温度超过时,必须缩短超温地点工作人员的工作时间,并给予高温保健待遇。
采掘工作面的空气温度超过30℃,机电设备硐室的空气温度超过34℃时,必须停止作业。
(3)噪声:作业场所的噪声,不应超过85分贝,大于85分贝时,需配备个人防护用品,大于等于90分贝时,还应采取降低作业场所噪声的措施。
职业卫生公告栏图
职业卫生公告栏
有害物质注意防护保障健康
职业卫生管理制度
1、职业病危害防治责任制度
2、职业病危害警示与告知制度
3、职业病危害项目申报制度
4、职业病防治宣传教育培训制度
5、职业病防护设施维护检修制度
6、职业病防护用品管理制度
7、职业病危害监测及评价管理制度
8、建设项目职业卫生“三同时”管理制度 9、劳动者职业健康监护及其档案管理制度10、职业病危害事故处置与报告制度 11、职业病危害应急救援与管理制度 12、岗位职业卫生操作规程
13、法律、法规、规章规定的其他职业病防治制度
岗位职业健康操作规程
1、操作工在操作时必须严格遵守劳动纪律,坚守岗位,服从管理
2、设备开启前,作业人员应先检查各部件是否正常,作业环境是否良好,在确定无异常情况下启动
3、每班后,要彻底清理设备及周围粉尘,避免二次扬尘,保证设备安全运转
4、单位应根据国家标准规定给作业人员发放劳动防护用品,并保持防护用品的有效性
5、员工操作时必须佩戴劳动防护用品,以减轻危害,保护员工职业健康安全
6、生产场所应根据国家标准的要求设置工作场所职业病危害警示标识
7、作业场所应根据国家标准的要求定期检测危害职工卫生的有毒有害因素,如有超标,应采取整改措施
职业危害因素检测结果
危害因素噪声粉尘
检测地点
检测结果
国家标准
职业病防治领导小组组长:副组长:组员:检测人:检测时间:。
职业卫生公告栏职业卫生管理制度一、目的:为了预防、控制、消除职业病危害,防治职业病,保护职工的健康。
二、范围:全体员工。
三、责任部门:安全部及相关主管单位四、程序:1、总则⑴、职业卫生工作坚持“预防为主、防治结合、分类管理、综合治理”的方针,实行“公司监督、部门负责、分级管理、定期考核”的管理体制。
公司内部相关部门各负其责相互协作,做好职业卫生工作。
⑵、公司职业卫生工作实行总经理负总责,公司对产生的职业病危害承担责任。
职业卫生管理部门对本公司职业卫生工作的监督管理与考核负责。
⑶、职业卫生工作是公司安全、健康管理的重要组成部分,公司在建立、执行安全管理体系过程中,必须按本规定做好职业卫生有关工作。
⑷、工会组织应依法维护职工享有的职业卫生保护权利,组织实施对本公司职业病防治工作的民主管理和群众监督。
⑸、公司对在职业卫生工作中成绩突出的个人或单位给予奖励。
2、机构与管理⑴、公司职业卫生领导小组主管职业卫生工作,专职职业卫生管理人员负责职业卫生日常管理的具体工作。
⑵、公司安委会负责指导职业卫生工作,应有领导分管职业卫生工作。
⑶、内部应建立职业卫生“管理网络”,负责各级职业卫生的监督管理工作。
⑷、建立职业卫生工作例会制度。
制定计划、研究工作、布置任务,通报公司有毒有害作业场所监测、职业健康监护、职业卫生宣传教育及劳动保护检查考核、职业卫生隐患检查及治理等情况。
⑸、应按国家有关规定,依法参加工伤社会保险,确保职工能依法享受工伤社会保险的有关待遇。
⑹、职业卫生和职业病防治工作所需经费(包括健康监护费、职业病诊疗康复伤残费、有毒有害物质监测仪器设备购置费、监测费、职业卫生宣传教育费、培训费、管理费、职业病危害调查费等)应列入公司年度资金计划,专款专用,其经费支出在生产成本中据实列支。
⑺、各管理部门,在其岗位责任制中应列入相关的职业卫生责任条款,协助做好职业卫生工作。
职业卫生公告栏图
职业卫生公告栏有害物质注意防护保障健康职业卫生管理制度
1、职业病危害防治责任制度
2、职业病危害警示与告知制度
3、职业病危害项目申报制度
4、职业病防治宣传教育培训制度
5、职业病防护设施维护检修制度
6、职业病防护用品管理制度
7、职业病危害监测及评价管理制度
8、建设项目职业卫生“三同时”管理制度
9、劳动者职业健康监护及其档案管理制度
10、职业病危害事故处置与报告制度
11、职业病危害应急救援与管理制度
12、岗位职业卫生操作规程
13、法律、法规、规章规定的其他职业病防治制度
岗位职业健康操作规程
1、操作工在操作时必须严格遵守劳动纪律,坚守岗位,服从管理。
2、设备开启前,作业人员应先检查各部件是否正常,作业环境是否良好,在确定无异常情况下启动。
3、每班后,要彻底清理装备及周围粉尘,避免二次扬尘,保证装备安全运转。
4、单位应根据国家标准规定给作业人员发放劳动防护用品,并保持防护用品的有效性。
5、员工操作时必须佩戴劳动防护用品,以减轻危害,保护员工职业健康安全。
6、出产场合应按照国家标准的要求设置工作场合职业病风险警示标识。
7、作业场所应根据国家标准的要求定期检测危害职工卫生的有毒有害因素,如有超标,应采取整改措施。
职业危害因素检测结果危害因素
噪声。