秒脉冲
- 格式:doc
- 大小:29.00 KB
- 文档页数:3
智能变电站常用的对时方式的分析摘要:通过对智能变电站的脉冲对时、IRIG-B码对时的原理的分析与探讨,对比出各自的优缺点以及适用场合,从而为理解智能站的对时系统打好基础。
关键字:智能变电站;对时方式;脉冲对时;IRIG-B码1. 引言变电站中常用的对时方式有:脉冲对时(硬对时)、串口通信(软对时)、编码对时。
在智能站中,最常见的授时方式有脉冲对时、直流IRIG-B码对时。
本文就此两种对时方式做了详细的说明。
2. 脉冲对时2.1 概述脉冲对时信号主要分为三种:秒脉冲信号PPS(Pulse per Second)、分脉冲信号PPM(Pulse per Minute)和时脉冲信号PPH(Pulse per Hour)。
秒脉冲是利用GPS所输出的每秒一个脉冲方式进行时间同步校准,获得与UTC同步的时间准确度较高,上升沿的时间误差不大于1μs,这是国内外IED常用的对时方式;分脉冲是利用GPS所输出的每分钟一个脉冲方式进行时间同步校准。
其输出方式有TTL电平、静态空接点、RS-422、RS-485和光纤等。
脉冲对时方式进行对时时,装置利用GPS所提出的时间脉冲信号进行时间同步校准,常见的秒脉冲信号如图3所示:图1 秒脉冲信号2.2 技术指标智能变电站的过程层设备若采用1PPS对时方式,应采用850nm波长的光纤接口,其技术指标如下:(1)脉冲宽度th>10ms;(2)秒准时沿:上升沿,上升时间≤100ns;(3)上升沿的时间准确度:优于1μs;(4)使用光纤传导时,亮对应高电平,灭对应低电平,由灭转亮的跳变对应准时沿。
2.3 特点脉冲对时方式的特点如下:(1)实现简单:可适用于以翻转序号为主要应用的装置,如合并单元等;可用电缆或光缆作为传输通道;(2)抗干扰能力弱于IRIG-B码;(3)不能传输完整的时间信息,需与串口报文等其他报文配合使用;(4)对时误差不小于1μs,只能对时到秒。
3. IRIG-B码对时3.1 概述IRIG(InterRange Instrumentation Group)时间标准有两大类:(1)并行时间码:这类码由于是并行格式,传输距离较近,且是二进制,因此远不如串行格式广泛;(2)串行时间码:共有六种格式,即A、B、C、D、E、G、H。
秒脉冲发生器原理
秒脉冲发生器是一种能够产生微秒至毫秒级别的脉冲信号的电子设备。
它的原理是通过高速切换的晶体管或场效应管来实现电路中的开关操作,从而产生脉冲信号。
秒脉冲发生器由振荡器、脉冲形成电路和输出电路三部分组成。
振荡器是秒脉冲发生器的核心部件,它产生高频振荡信号。
脉冲形成电路将振荡器产生的高频振荡信号转换成高速电平变化的脉冲信号。
输出电路将脉冲形成电路产生的脉冲信号放大并输出到外部电路中。
秒脉冲发生器的工作原理与普通振荡器基本相同,都是通过谐振电路产生高频振荡信号。
但是,秒脉冲发生器与普通振荡器不同的地方在于,它的输出电路具有高速切换的特点,能够将高频振荡信号转换成高速电平变化的脉冲信号。
秒脉冲发生器主要应用于计时、测量、通信、雷达、导航、控制等领域,例如,它可以用于产生精确的脉冲信号,从而控制某些设备的运行时间。
同时,秒脉冲发生器也可以用于产生调制信号,从而实现调制解调功能。
在实际使用中,秒脉冲发生器的参数非常关键,如输出脉冲的电平、宽度、上升时间、下降时间、重复频率等,都需要满足用户的需求。
此外,秒脉冲发生器的稳定性和精度也非常重要,它们直接影响到
输出脉冲的准确性和可靠性。
秒脉冲发生器是一种非常重要的电子设备,它在现代电子技术中有着广泛的应用。
因此,我们应该深入了解其原理和工作方式,从而更好地发挥其作用,为现代电子技术的发展做出贡献。
[19]中华人民共和国国家知识产权局[12]发明专利申请公开说明书[11]公开号CN 1492577A [43]公开日2004年4月28日[21]申请号02148075.3[21]申请号02148075.3[22]申请日2002.10.25[71]申请人中国科学院空间科学与应用研究中心地址100080北京市海淀区中关村南二条1号[72]发明人朱光武 梁金宝 王世金 肖锡东 张骅忠张微 丁建京 乔万里 高萍 尹秋岩 [74]专利代理机构中科专利商标代理有限责任公司代理人汤保平[51]Int.CI 7H03B 5/20H03K 3/017权利要求书 1 页 说明书 3 页 附图 1 页[54]发明名称秒脉冲电路[57]摘要一种秒脉冲电路,包括有一RC振荡器;一与RC振荡器连接的215级分频电路;一输出宽度调整电路与215级分频电路连接,其特征在于,RC振荡器上的R 1、R 2端外接一电阻R,一外接电容C接在RC振荡器上的R 1、C 1端;该215级分频电路的输入端与RC 振荡电路的输入端相连接;在输出宽度调整电路上的T w 端外接一电容C w ,该电容C w 的另一端接地,该输出宽度调整电路的输入端与215级分频电路的输出端相连接。
02148075.3权 利 要 求 书第1/1页 1、一种秒脉冲电路,包括有:一有RC振荡电路;一与RC振荡器连接的215级分频电路;一输出宽度调整电路与215级分频电路连接,其特征在于,RC振荡器上的R1、R2端外接一电阻R,一外接电容C接在RC 振荡器上的R1、C1端;该215级分频电路的输入端与RC振荡电路的输入端相连接;在输出宽度调整电路上的T w端外接一电容C w,该电容C w的另一端接地,该输出宽度调整电路的输入端与215级分频电路的输出端相连接。
02148075.3说 明 书第1/3页秒脉冲电路技术领域本发明涉及一种脉冲电路,特别是指一种秒脉冲电路,其是单片集成的频率与宽度可调的秒脉冲信号发生器。
卫导接收机秒脉冲的漂移规律
卫导接收机是一种用于接收卫星导航信号的设备,其功能是接收全球定位系统(GPS)或其他卫星导航系统发出的信号,并将信号转换成有用的位置和时间信息。
在卫导接收机工作过程中,会遇到脉冲信号的漂移问题。
脉冲信号的漂移是指
信号的时间特性逐渐发生偏移,即脉冲的宽度或间距逐渐发生变化。
这种漂移可能对卫导接收机的性能和精度造成负面影响。
在研究卫导接收机脉冲漂移规律时,科学家们进行了大量的实验和理论研究。
他们发现,脉冲信号的漂移现象是由多种因素综合影响所致。
首先,气象因素是导致脉冲漂移的重要因素之一。
大气中的湿度、温度变化等
气象因素会影响信号的传播速度和路径,从而引起脉冲信号的漂移。
其次,地球自转也会导致脉冲漂移。
当接收机所处的地理位置不断地随着地球
自转而变化时,会影响脉冲信号的接收时间,从而产生漂移。
此外,接收机本身的技术参数和设计也可能对脉冲漂移产生影响。
例如,接收
机的时钟精度、信号处理算法等因素都会对信号的接收和解析过程产生影响,进而影响到脉冲漂移的规律。
针对脉冲信号漂移的问题,科学家们也提出了一些解决方案和改进措施。
例如,通过加强信号处理算法,提高接收机的抗干扰能力和时间同步能力,可以有效减小脉冲漂移的影响。
总结而言,卫导接收机在接收脉冲信号过程中会遇到漂移问题,这是由多种因
素综合影响所致的。
科学家们通过研究和改进,不断提高卫导接收机的性能和精度,以满足导航定位等领域的需求。
秒脉冲发生器原理一、什么是秒脉冲发生器秒脉冲发生器是一种能够产生持续且稳定的微秒级脉冲信号的设备。
它通常由一个稳定的时钟源和一系列可编程逻辑电路组成,可以按照预定的时间间隔生成脉冲信号。
二、秒脉冲发生器的应用秒脉冲发生器在科研、工业生产以及通信等领域广泛应用。
以下是其一些常见的应用场景:2.1 电子测量在电子测量中,需要对被测物体进行时间测量。
秒脉冲发生器可以提供稳定的时间基准,用于测量信号的时延、周期等参数。
2.2 高速通信在光纤通信和无线通信等领域,需要精确地控制数据的传输速率。
秒脉冲发生器可以用于生成同步时钟信号,保证数据的可靠传输。
2.3 信号调制在无线电通信中,需要将基带信号调制成高频信号进行传输。
秒脉冲发生器可以提供精确的时序控制,实现信号的准确调制。
三、秒脉冲发生器的工作原理秒脉冲发生器的工作原理可以分为以下几个方面:3.1 时钟源秒脉冲发生器的稳定性主要依赖于使用的时钟源。
常用的时钟源有石英晶体振荡器、铯原子钟等。
时钟源会提供一个稳定的振荡周期作为脉冲发生器的基准。
3.2 时钟分频时钟分频是秒脉冲发生器中的关键步骤。
通过将时钟源的频率进行分频,可以得到更低频率的时钟信号,从而实现较长时间间隔的脉冲信号。
常用的分频电路有二分频、十分频等。
3.3 逻辑控制秒脉冲发生器中的逻辑电路用于控制脉冲信号的生成时间和持续时间。
逻辑控制通常采用计数器、触发器等组合逻辑电路实现。
通过编程逻辑电路,可以实现不同频率和时间间隔的脉冲信号。
3.4 输出驱动秒脉冲发生器的输出驱动电路用于提供足够的电流和电压来驱动下游设备。
输出驱动通常采用放大器、缓冲器等电路来增强输出信号的能力。
四、秒脉冲发生器的相关技术和发展趋势4.1 高精度时钟源技术为了提供更稳定和精确的时钟源,目前的研究方向包括使用更高精度的晶体振荡器、开发新型原子钟等技术。
这些技术的发展将使秒脉冲发生器具备更高的精度和稳定性。
4.2 高速时钟分频技术随着通信速率的提升,对于秒脉冲发生器的时钟分频要求也越来越高。
脉冲重复频率名词解释
脉冲重复频率(PRF)是一种衡量一个时间内设备产生脉冲的频率的技术指标。
它表示每一个脉冲持续的时间,以及按这一频率发出的脉冲的次数。
它用于衡量一个系统、设备的动态特性,也用来测量脉冲波形信号的发射次数及发射的频率。
它可以用来测量各种不同的信号,如视频信号、声音信号等。
PRF的单位为每秒脉冲数量,也称为脉冲频率。
它可以表示为Hertz或Hz(每秒振幅变化次数)。
PRF一般分为单次PRF和多次PRF 两种类型。
单次PRF是指系统在每次发射前的冷却时间是可忽略的。
这通常发生在长时间不间断发射时,发射的频率是连续变化的。
多次PRF是指系统在每次发射前需要一个相对较长的冷却时间。
这种情况通常发生在一段时间内发射的频率是不变的,或者发射的间隔比脉冲宽度要长的情况下。
脉冲重复频率可以衡量某种发射脉冲技术的实际性能,可以用于衡量不同类型信号的发射特性。
- 1 -。
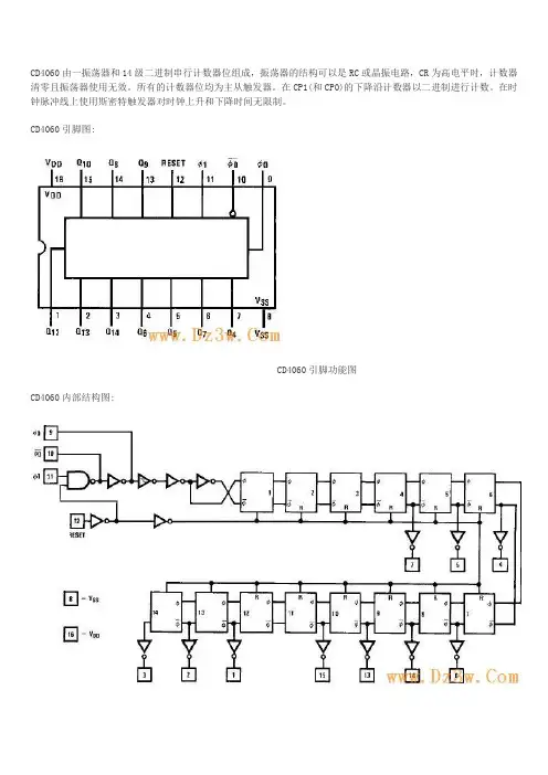
CD4060由一振荡器和14级二进制串行计数器位组成,振荡器的结构可以是RC或晶振电路,CR为高电平时,计数器清零且振荡器使用无效。
所有的计数器位均为主从触发器。
在CP1(和CP0)的下降沿计数器以二进制进行计数。
在时钟脉冲线上使用斯密特触发器对时钟上升和下降时间无限制。
CD4060引脚图:
CD4060引脚功能图
CD4060内部结构图:
CD4060内部方框图CD4060电气参数:
Recommended Operating Conditions 建议操作条件:
CD4060典型应用电路
CD4060B典型振荡器连接:
上图-RC振荡器下图-晶体振荡器
RC振荡器中T=2.2R1C,R2=2*R1~10*R1
CD4060秒脉冲发生器电路:
图2 CD4060秒脉冲发生器
脉冲发生器是数字钟的核心部分,它的精度和稳定度决定了数字钟的质量,通常用晶体振荡器发出的脉冲经过整形、分频获得1Hz的秒脉冲。
如晶振为32768 Hz,通过15次二分频后可获得1Hz的脉冲输出,电路图如图2所示。
秒脉冲发生器工作原理秒脉冲发生器是一种常用的电子元器件,它的主要作用是产生一定频率的脉冲信号。
在电子工程、通信工程、测控工程等领域中,秒脉冲发生器被广泛应用。
本文将介绍秒脉冲发生器的工作原理,供读者参考。
秒脉冲发生器的工作原理主要基于一个简单的电路结构:放电电容与电阻串联。
这个电路结构类似于一个低通滤波器,通过建立一个电荷-放电的过程产生一个短暂的放电脉冲。
整个电路可以分为两个部分:充电部分和放电部分。
充电部分是由一个恒定的电流源和一个电容组成的,电容将从电流源中流入的电流转化为储存的电荷。
当电容充满电荷后,接通放电电路,电容器的电荷开始释放,形成一个脉冲信号。
在信号发生后,电容器需要重新充电并准备下一次放电,周而复始,一定频率的脉冲信号就这样被输出。
推导这个电路的脉冲周期公式,可以使用经典的微积分知识。
首先,电容器电压与时间的关系可以用公式Vc=Q/C来表示,其中Vc是电容器电压,Q是电荷,C是电容量。
其次,电容器充电电流与时间的关系可以用公式Ic=dQ/dt来表示,其中Ic是充电电流,Q是电荷,t是时间。
最后,根据电容器电压充放电的过程可得脉冲周期公式Tp=2RCln(1+T/2RC),其中R是电阻,C是电容,T是输出脉冲短时间,ln是自然对数。
秒脉冲发生器的实现方式有多种,其中最简单的是基于RC多谐振荡电路,其余还有基于反馈电路、环形振荡器等。
无论采用何种电路结构,原理都是相同的,即通过充放电过程产生一定频率的脉冲信号。
在日常生活中,秒脉冲发生器被广泛应用于电子学研究中,特别是在数字电路和模拟电路的设计中。
它也是很多科研实验中的基础元器件。
总之,秒脉冲发生器是一种常用的电子元器件,它的工作原理是通过建立放电电容与电阻串联的简单电路结构,通过充放电过程产生一定频率的脉冲信号。
秒脉冲发生器的实现方式有多种,但基本原理都是相同的。
通过了解秒脉冲发生器的工作原理,我们可以更好地了解其在电子领域中的应用。
授时秒脉冲的原理授时秒脉冲是一种用于时间同步的技术,它通过传递脉冲信号来精确地标定时间。
这项技术在现代科技领域中扮演着重要的角色,尤其是在通信、导航、科学研究等领域。
授时秒脉冲的原理是基于原子钟的稳定性和准确性。
原子钟利用原子的超精细结构能级之间的跃迁来实现时间的测量。
原子钟的精确度非常高,可以达到每秒钟误差不到一纳秒的级别。
然而,由于原子钟的体积较大且价格昂贵,无法广泛应用于各种设备中。
为了解决这个问题,科学家们发明了授时秒脉冲技术。
授时秒脉冲是由原子钟发出的脉冲信号,通过信号传输设备传递给其他设备,以实现时间同步。
这些设备通过接收到的脉冲信号来校准自身的时间,从而保证各个设备之间的时间一致性。
授时秒脉冲的传输方式有多种,最常见的方式是利用卫星导航系统。
卫星导航系统中的卫星搭载有原子钟,并通过无线电波将授时秒脉冲信号传输到地面接收站。
地面接收站接收到脉冲信号后,将其传递给各个终端设备,实现时间同步。
除了卫星导航系统,授时秒脉冲还可以通过互联网进行传输。
科学家们利用互联网的高速传输能力,将授时秒脉冲信号传输到各个终端设备。
这种方式可以实现更广泛的时间同步,使得各个终端设备的时间准确性更高。
授时秒脉冲在现代社会中的应用非常广泛。
在通信领域,授时秒脉冲可以保证通信设备之间的时间同步,从而提高通信质量和效率。
在导航领域,授时秒脉冲可以用于卫星导航系统,确保导航设备的时间准确性,从而提供准确的定位和导航服务。
在科学研究领域,授时秒脉冲可以用于实验设备的时间同步,确保实验结果的准确性。
授时秒脉冲是一种重要的时间同步技术,它通过传递脉冲信号来实现设备之间的时间同步。
这项技术在通信、导航、科学研究等领域中发挥着重要作用,保证了设备时间的准确性和一致性。
随着科技的不断进步,授时秒脉冲技术将继续发展,为人类的生活带来更多便利和精确性。
摘要本设计是脉冲数字电路的简单应用,设计了篮球竞赛12分钟和24秒倒计时器。
此计时器可以直接清零、启动、暂停和连续以及具有报警功能,同时应用了七段数码管来显示时间。
此计时器有了启动、暂停和连续功能,可以方便地实现断点计时功能,当计时器递减到零时,会发出报警信号。
本设计完成的中途计时功能,实现了在许多的特定场合进行时间追踪的功能。
本电路主要有五个模块构成:秒脉冲发生器、计数器、译码显示电路、控制电路和报警电路。
控制电路直接控制计数器启动计数、暂停/连续计数、译码显示电路的显示等功能。
当控制电路的置数开关闭合时,在数码管上显示数字24,每当一个秒脉信号输入到计数器时,数码管上的数字就会自动减1,当计时器递减到零时,报警电路发出光电报警与蜂鸣信号。
同样当12分钟递减到零时也会出现声音的提醒。
关键词:计数器24秒倒计译码显示电路控制电路报警电路目录第一章总体设计思路、基本原理和框图 (3)1、设计要求 (3)2、基本原理 (3)3、总体设计框图 (4)第二章单元电路设计与方案比较(各单元电路图) (4)1、秒脉冲发生器的设计 (4)2、秒、分倒计数器的设计 (5)3、译码器和显示器的设计 (7)4、节次控制电路的设计 (7)第三章器件选择 (7)1 设计所需器件 (7)2 器件介绍 (8)(一)十进制可逆计数器74LS192(二)二输入四与非门74LS00第四章总原理图 (9)第五章安装调试,性能测试和结果分析 (10)第六章心得体会和课程总结 (11)第七章附录(元器件清单) (12)第八章参考文献 (13)第一章、总体设计思路、基本原理和框图一、设计要求1、篮球比赛采取四进制,每节12分钟,要求能够计时;2、篮球比赛采取进攻24秒制,要求能够倒数计时;3、要求时间用数码管表示出来;4、要求可以手动控制计时,即能够随时暂停,启动后可以继续读数,并能够对技数进行清零;5、要求每节结束、全场结束和24秒结束时才能够自动进行声音提示。
gps秒脉冲同步原理GPS秒脉冲同步原理GPS(全球定位系统)是一种利用卫星进行导航和定位的系统。
在GPS中,秒脉冲同步是一种重要的技术,它确保了接收器与卫星之间的时间同步,从而提供了准确的定位和导航信息。
秒脉冲同步是通过GPS卫星发射的精确时间信号来实现的。
每颗GPS卫星都携带着高精度的原子钟,它们以恒定的速率发射出秒脉冲信号。
接收器通过接收这些信号,并与本地的时钟进行比较,以保持时间同步。
在GPS系统中,接收器首先接收到来自多颗卫星的信号。
这些信号中包含了卫星发射的秒脉冲信号。
接收器通过测量信号到达的时间差来计算与每颗卫星之间的距离。
通过同时接收多颗卫星的信号,接收器可以利用三角定位法计算出自身的准确位置。
然而,由于信号传播的速度非常快,接收器与卫星之间的时间同步非常重要。
如果接收器的时钟与卫星的时钟不同步,测量到的时间差将会产生误差,从而导致定位的不准确。
为了实现秒脉冲同步,接收器需要通过接收卫星信号中的导航消息来获取卫星的精确时间。
导航消息中包含了卫星发射秒脉冲信号的准确时间信息。
接收器通过解码导航消息,可以获得卫星的时间数据,并将其与本地的时钟进行比较。
为了确保时间同步的准确性,GPS系统还引入了纠正因子。
由于卫星信号在传播过程中会受到大气层和其他因素的影响,导致信号传播速度的变化。
为了补偿这些影响,GPS系统会向接收器发送纠正因子的信息。
接收器通过应用这些纠正因子来纠正信号传播速度的变化,从而获得更准确的时间同步。
除了用于定位和导航外,秒脉冲同步还在其他领域中有着广泛的应用。
例如,在电信领域中,秒脉冲同步被用于确保不同通信系统之间的时间同步,以提供更稳定和可靠的通信服务。
在科学研究中,秒脉冲同步也被用于测量和控制实验中的时间参数,以保证实验结果的准确性。
GPS秒脉冲同步原理是通过接收卫星发射的秒脉冲信号,并与本地时钟进行比较,以实现时间同步。
这一技术不仅在GPS定位和导航中起着重要作用,还在其他领域中有着广泛的应用。
译码器 译码器 译码器时计数器校时电路分频器555振荡器分计数器秒计数器整点报时电路显示部分驱动部分计数部分3.计数、译码、显示电路同理可得到二十四进制计数器,如图1-4所示译码电路可先用BCD-锁存器/七段译码/驱动器74LS47,它可以直接驱动共阳数码管显示器。
译码显示电路如图1-5所示4.校时电路校时电路的作用是当计数器刚接通电源或走时出现误差时,进行时间的校准。
校准电路如图1-6所示。
分为时校准、分校准、秒校准。
5.整点报时电路电路图如1-7所示。
此电路每当“分”计数器和“秒”计数器计到59分50秒时便会自动驱动蜂鸣器,发出报警声,报警时间为10秒。
3、实验心得经过一周的努力,终于完成了该电子时钟的课程设计。
经过这段时间的课程设计,我学到了许多东西,对课本上的内容的理解加深了印象,同时也学会了一种学习的态度。
理论要联系实践,当然实践也离不开理论,由于对课本的内容还不是很熟悉,所以在做这个课程设计前,我先把课本的重点知识复习了一遍,时序逻辑电路、组合逻辑电路等,然后就是到图书馆查找相应的资料,抱着好几本书就在那里认真地查,查的过程中也看到了很多关于CMOS芯片的应用实例。
理论上的知识搞定了,接下来就是开始设计了。
Mutisim这个软件的仿真,给我的印象是简洁实用,很多电路都能在上面先进行仿真,不过我这个题目的核心芯片在仿真上面,出现了一些问题,一些管脚的位置和实际的不一样,仿真调试不成功,于是我就想到,按照理论来讲这是没有错的,为了验证清除,我先将电路进行分模块调试,把每一部分都仔细检查了一遍,最终发现了与仿真的不同,接线是一样的,不过在真实的接线中可行,在仿真中却不行,最大一个不同之处就在于校时模块,虽然仿真是那种接法可行,不过在实际接线中我采用了另外一种接法。
这次课程设计也再次让我看到理论与实践的差别和联系,理论固然重要,然而我们要在实践中发现错误,并解决错误,也提高了自己的动手能力和实际解决问题的能力。
S7-200 的秒脉冲的设定比较的简单有如下几个方法:方法一:可以用系统单元进行设定Clock_60s SM0.4 时钟脉冲接通30秒,关断30秒,工作周期时间为1分钟Clock_1s SM0.5 时钟脉冲接通0.5秒,关断0.5秒,工作周期时间为1秒系统内部分别有秒脉冲和分脉冲SM0.4工作周期为1分钟SM0.5工作周期为1秒在应用时直接写入就可以注意在秒脉冲指令的后面用上升沿或者下降沿,这样两个上升沿(下降沿)之间的时间就是要得到的周期.方法二:自己编写延时程序自己编写延时程序,并设定好延时时间,当时间到后便执行存储程序块调用,该方法受程序循环时间的影响,不是特别精确,如果是要求不太严格的情况下可以使用本方法。
此方法就是编写一个程序让这个程序做为子程序被调用方法三:用系统时钟加比较器此方法比较另类,比较复杂,具体编程如下.先设定一个系统读取实时时钟设定启始地址比如VB100 然后看各个位的定义VB105 就是秒再用比较用VB105+1 比较VB105进行比较如果相等为真那就是1秒注意:这个比较要进行范围锁定,这个方法我试过是可以用的1 月(1-12) 当前月份(BCD值)2 日期(1-31) 当前日期(BCD值)3 小时(0-23) 当前小时(BCD值)4 分钟(0-59) 当前分钟(BCD值)5 秒(0-59) 当前秒(BCD值)6 00 保留?始终设置为007 星期几(1-7) 当前是星期几,1=星期日(BCD值)S7-300的秒脉冲的设定比较的复杂但是方法很多(这里将着重介绍CPU设定):方法一:CPU 用时钟存储器硬件组态中CPU属性"Cycle/Clock Memory"中"Clock Memory"设定的Memory Byte,可以看下帮助,每一位都有固定频率在"Propreties"窗口中点击"Cycle/Clock Memory"(循环/时钟存储器)选项卡,可以设置"Scan cycle monitoring time"(以ms为单位的扫描循环监视时间),默认值为150ms.如果实际的循环扫描时间超过设定值.CPU将进入STOP模式."Scan cycle Load from Communication "用来限制通信处理占扫描周期的百分比,默认值为20%时钟脉冲是一些可供用户程序使用的占空比为1:1的方波信号,一个字节的时钟存储器的每一位对应的一个脉冲如下:如果要使用时钟脉冲,首先要选中"Clock Memory'(时钟存储器)选项,然后设置时钟存储器(M)的字节地址.假设设置的地址为100(即MB100),有上表可知,M100.7周期为2s,如果用M100.7的常开的触点来控制Q0.0的线圈,Q0.0将以2s的周期闪烁(亮1s,熄灭1s)."OB85-Call up at I/O access error"用来预设置CPU对系统修改过程映像时发生的I/O访问错误的响应.如果希望在出现错误时调用OB85,建议选择"Only for incoming and out going error"(仅在错误产生和消失),相对于"On each individual access"(每次单独的访问),不会增加扫描循环时间.方法二:自己编写延时程序,并设定好延时时间,当时间到后便执行存储程序块调用,该方法受程序循环时间的影响,不是特别精确,如果是要求不太严格的情况下可以使用本方法。
1.秒信号的发生电路秒信号发生电路由集成电路555定时器与RC组成的多谐振荡器构成。
需要的芯片有集成电路555定时器,还有电阻和电容。
下图为其电路图:图3-1 秒信号发生电路振荡电路是数字钟的核心部分,它的频率和稳定性直接关系到表的精度。
因此选择555定时器构成的多谐振荡器,其中电容C1为47微法,C2为0.01微法,两个电阻R1=R2=10K欧姆。
此时在电路的输出端就得到了一个周期性的矩形波,其振荡频率为:f=1.43/[(R1+2R2)C] (3-1)由公式(3-1)代入R1 ,R2和C的值得,f=1Hz。
即其输出频率为1Hz的矩形波信号2. 用555制作秒脉冲输出频率为1Hz,占空比为50%.由于CD4060在MULTISIM中仿真不了,所以本设计采用三片74HC161和一片74HC160IC级联,构成2^15分频器。
单元电路连接如下图所示:3、基于NE555的秒方波发生器的设计用NE555芯片以及外围电路搭建成一个多谐振荡器,通过设计外围电路的参数输出方波频率为1Hz,故称为秒方波发生器。
由于脉冲的占空比对系统的影响不大,故把占空比设计为1/3。
输出方波用作计数器及D触发器的clk信号。
NE555定时器引脚图如图1所示,脉冲频率公式:f=1/(R1+2R2)C㏑2选择R1=47K,R2=47K,RV1=2K,C=10μF,形成电路图如图2所示:图6A2555_VIRTUAL GNDDIS OUTRST VCCTHR CONTRI C5330nFC610uFR1747kΩR1847kΩR192kΩKey=A50%VCC98765图7秒脉冲发生器13 瓷片电容 0.01uF 2 14 点解电容 10uF 12.1振荡器电路2.1.1 用555作振荡器采用集成电路555定时器与RC 组成的多谐振荡器。
输出的脉冲频率为=2)2+(1=121In C R R f 1KHz ,周期T =1=f S 1ms 。
秒脉冲时钟同步代码秒脉冲时钟同步是一种用于确保系统中各个时钟的同步性的方法。
在许多实时应用中,如通信系统和网络传输,时钟同步是至关重要的。
本文将详细介绍秒脉冲时钟同步的原理、实现方式以及其在实际应用中的指导意义。
首先,我们来了解一下秒脉冲时钟同步的原理。
秒脉冲是一个具有确定性和唯一性的时钟信号,它在系统中被广泛使用。
时钟同步的目标是使得不同设备的时钟产生相同的秒脉冲信号,以确保各个设备之间的时间一致性。
秒脉冲时钟同步的原理是通过精确测量信号传输的延迟时间,并根据测量结果对时钟进行调整,以实现各个设备间的时钟同步。
其次,我们来看一下秒脉冲时钟同步的实现方式。
一种常用的方式是采用主从架构。
系统中的一个设备作为主设备,负责生成秒脉冲信号,并将其发送给其他从设备。
从设备通过测量信号传输的延迟时间,将自己的时钟进行调整,使得与主设备的时钟同步。
具体的实现过程包括主设备生成秒脉冲信号、从设备接收信号并测量延迟时间、从设备对时钟进行调整以及反馈测量结果给主设备等。
秒脉冲时钟同步在实际应用中具有重要意义。
首先,它可以确保系统中的各个设备在进行协调工作时具备统一的时间基准,提高系统的整体性能和稳定性。
其次,秒脉冲时钟同步可以减少系统中的时钟漂移,从而减少数据传输中的误差和延迟,提升系统的实时性和可靠性。
此外,秒脉冲时钟同步还可以用于时间戳的生成和数据的时间标记,方便对数据进行后续处理和分析。
在实际应用中,我们需要注意一些问题和挑战。
首先,信号传输的延迟时间需要进行准确测量,因为测量误差会直接影响到时钟的同步效果。
其次,系统中的各个设备的时钟精度和稳定性也会对同步效果产生影响,因此需要选择高质量的时钟源和时钟芯片。
此外,实时调整时钟可能会引入一定的系统开销,需要综合考虑系统的性能和资源占用。
综上所述,秒脉冲时钟同步是一种重要的技术手段,可以在实时应用中确保系统中各个时钟的同步性。
通过准确测量延迟时间并进行时钟调整,可以提高系统的整体性能和稳定性。
1.秒信号的发生电路秒信号发生电路由集成电路555定时器与RC组成的多谐振荡器构成。
需要的芯片有集成电路555定时器,还有电阻和电容。
下图为其电路图:图 3-1 秒信号发生电路振荡电路是数字钟的核心部分,它的频率和稳定性直接关系到表的精度。
因此选择555定时器构成的多谐振荡器,其中电容C1为47微法,C2为0.01微法,两个电阻R1=R2=10K欧姆。
此时在电路的输出端就得到了一个周期性的矩形波,其振荡频率为:f=1.43/[(R1+2R2)C] (3-1)由公式(3-1)代入R1 ,R2和C的值得,f=1Hz。
即其输出频率为1Hz的矩形波信号2. 用555制作秒脉冲输出频率为1Hz,占空比为50%.由于CD4060在MULTISIM中仿真不了,所以本设计采用三片74HC161和一片74HC160IC级联,构成2^15分频器。
单元电路连接如下图所示:3、基于NE555的秒方波发生器的设计用NE555芯片以及外围电路搭建成一个多谐振荡器,通过设计外围电路的参数输出方波频率为1Hz,故称为秒方波发生器。
由于脉冲的占空比对系统的影响不大,故把占空比设计为1/3。
输出方波用作计数器及D触发器的clk信号。
NE555定时器引脚图如图1所示,脉冲频率公式:f=1/(R1+2R2)C㏑2选择R1=47K,R2=47K,RV1=2K,C=10μF,形成电路图如图2所示:图6A2555_VIRTUAL GNDDIS OUTRST VCCTHR CONTRI C5330nFC610uFR1747kΩR1847kΩR192kΩKey=A50%VCC98765图7秒脉冲发生器13 瓷片电容 0.01uF 2 14 点解电容 10uF 12.1振荡器电路2.1.1 用555作振荡器采用集成电路555定时器与RC 组成的多谐振荡器。
输出的脉冲频率为=2)2+(1=121In C R R f 1KHz ,周期T =1=f S 1ms 。
秒脉冲:为检测电表的时钟准确度,表内的时钟每过一秒就发一个电平,输给外部的标准表进行校对,这个电平叫秒脉冲。
18. RS485通讯:RS485是电子工业协会和远程通讯工业协会制定的双工通讯接口标准。
集中抄表装置和多功能表均有应用。
485接口为不同产品如集中器和多功能表之间的通信通道。
所以485就是按照一定的协约方式和表进行通讯的一种手段。
广播校时:用一所有表计都可通讯的通讯地址,按规约(485或红外)要求对所有表计的时间进行校准。
27. 脉冲常数:电量采集脉冲数与千瓦时的比值
(imp/kwh)
28. 平衡负载:在三相电压对称情况下,电表任一电流线路都有相同电流。
29. 安全认证:为保证带通讯口的电能口的安全性,防止不法分子利用高科技手段对电能表在通讯口上非法修改设置,从而达到窃电的目的,安全认证通过在芯片中烧入安全认证
的程序实现的。
表计进入运行状态后,表内参数就不可更改。
它主要在防止电量清零,底度电量设置,时段设置,时钟校准等四个方面区别于其他的普通表。
30.冲表:把表从运行状态或封闭状态恢复到实验室状态的过程。
表计常见基本单位
1.脉冲常数imp/kwh
2.电压v 伏kv 千伏
3.电流 A 安培uA 微安
4.时间s秒h小时
5.有功电量kWh 千瓦时
6.无功电量kvarh 千乏时
7.频率H z 赫兹kHz千赫兹Mhz 兆赫兹
8.功率W 瓦kW 千瓦
9.电阻Ω 欧姆kΩ 千欧MΩ兆欧
10.电容F法拉uF 微法pF 皮
法1F=106uF=1012pF=109nF
11.电感H亨
12. 温度℃摄氏度
无功电量:供电局向用户输送的电量与用户实际消耗的电量的差额。
有功电量:用户使用电力时,实际消耗的电量。
正向有功:用电设备实际消耗的电量(它是计量的必要条件,既有电压,又有电流)。
7. 反向有功:用户向电网输入的能量。
(用户自己有发电设备,平时从电网中吸收能量,在用电紧张时,自己发电向电网输送能量)
8. 正向无功:电网输给用户的总能量与用电设备实际消耗的部分的差额。
9. 反向无功:用户给电网输送的总能量与电网上其他用户的用电设备消耗部分的差额。
10. 脉冲:由电能表内部经光耦输出一个占空比为50%的方型波,它有三个作用:一、用脉冲作用的步进式推动计度器齿轮,记录用电量。
二、指示电度表运行正常(发光)。
三、供检测电度表的各种数据是否正常。