隧道工程图牌
- 格式:docx
- 大小:351.09 KB
- 文档页数:2
技 术 交 底 书 编制单位/部门:成渝客专CYSG-2标段第四项目分部工程技术室 主送单位架子一、二、三、四队 编号 CYSG-2-4-SD-014 项目名称隧道洞门名牌施工 日期 2012.06.07交底内容: 本交底适用于单压式明洞门(马鞍梁子隧道进出口洞门、桂花湾隧道出口的洞门)隧道洞门名牌制作的施工。
1、本交底参考成渝施隧参3204-17-07、08编制。
2、隧道名牌、标志应采用与隧道洞门端墙同级材料整体制作,即:马鞍梁子隧道采用C35混凝土制作,桂花湾隧道采用C40混凝土制作;字体应工整、美观,并做成凹形字,刷为白底黑字。
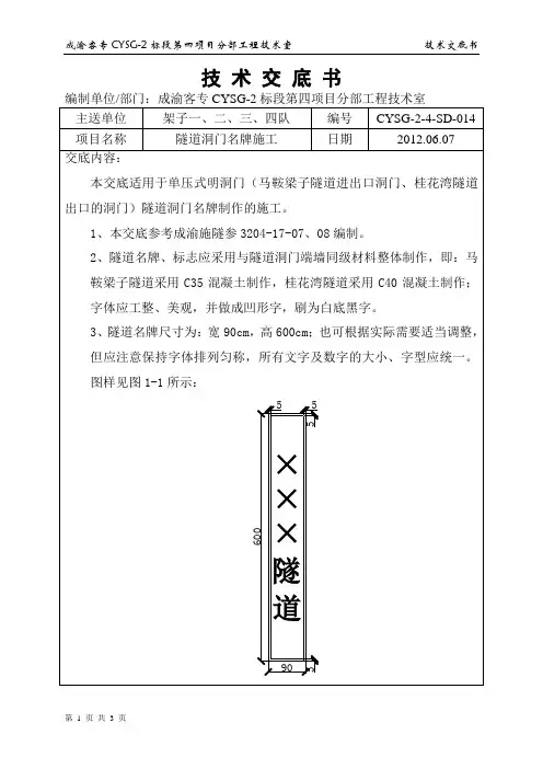
3、隧道名牌尺寸为:宽90cm ,高600cm ;也可根据实际需要适当调整,但应注意保持字体排列匀称,所有文字及数字的大小、字型应统一。
图样见图1-1所示:×××隧道600559055图1-1 隧道名牌书写示例(单位cm)4、隧道洞门号标尺寸为:宽70cm,高100cm;第一行为隧道编号,第二行为隧道长度,第三行为隧道竣工年份。
图样见下图1-2所示:图1-2 隧道洞门号标图样(单位:cm)5、隧道洞门承建标志的尺寸为:宽70cm,高70cm;承建标志第一行为建设单位及名称,第二行为设计单位及名称,第三行为施工单位及名称,第四行为监理单位及其名称;要求字体大小、字型统一,排列匀称;图样见下图1-3所示:图1-3隧道洞门承建标志图示(单位:cm)6、在风景区、城市及车站附近的隧道以及长隧道,为美观起见,隧道名牌机布置可特别设计。
7、附图:成渝施隧参3204-17-07、08图。
编制人复核人签收人。
隧道工程临时设施标准化图册(图文并茂)第三节开挖施工台车开挖施工台车是隧道开挖中常用的设备之一,其作用是将开挖出的土石方清理出洞外。
为确保施工安全,应按照以下要求使用开挖施工台车:1、开挖施工台车应经过严格检验,并保持良好状态。
2、开挖施工台车的驾驶员必须持有相应的驾驶证,并接受专业培训。
3、开挖施工台车应按照规定路线行驶,避免与其他设备和人员相撞。
4、开挖施工台车应按照规定的速度行驶,不得超速或疲劳驾驶。
5、开挖施工台车应配备有效的制动系统和安全装置,确保在紧急情况下能够及时停止。
6、开挖施工台车应定期检修和维护,确保其正常运转。
7、开挖施工台车的使用人员应当遵守相关安全规定,做好个人防护措施,确保施工安全。
栈桥设计应符合力学验算,保证安全性。
2、仰拱栈桥应设置临边防护,栈桥高处应配备可移动式的防护栏杆。
防止工人从高处坠落。
3、栈桥上应设置照明灯具,以保证施工的照明条件。
4、栈桥应设置通风设备,保证施工现场的空气流通。
5、施工完成后,应及时拆除栈桥,保持施工现场的整洁和安全。
筑应符合国家相关标准和规定,安全可靠。
1、洞口应设置围挡,并设有进出口,进出口应设置门禁系统,保证安全。
2、洞口应设置临时停车场,方便工作人员停放车辆。
3、洞口应设置临时办公室、生活区、仓库等临建设施,满足工作和生活需要。
4、洞口应设置临时供电、供水、排水、通讯等设施,保证工作和生活的正常进行。
5、洞口应设置环境保护设施,如垃圾桶、污水处理设施等,保护周边环境。
6、洞口应设置安全警示标识,提醒人员注意安全。
建议修改:议采用可周转的集装箱式房,同时设置隧道通风机、隧道门禁系统、安全警示牌、值班室、工艺流程牌、隧道物资应急储备库、门禁系统LED显示屏等设施,以确保施工安全和顺利进行。
企业宣传牌尺寸为1500mm×mm,材质为喷绘布及镀锌方钢。
根据隧道洞名字体数量适当加长,字体结合CI要求。
当XXX承建时,宣传牌将做相应调整。
1.10 隧道工程图牌
(1)下穿施工工艺流程牌,有了工艺流程就有利于保证,为现场相关负责的人员以及施工人员方便施工工序,图牌的大小为1.2m宽,0.8m长,字体为宋体字。
图1.10-1涵洞施工工艺流程
(2)下穿单元划分牌,主要体现分部工程、分项工程,是做检验批的基础。
图牌大小为70cm宽,50cm长,字体为黑体字。
图1.10-2下穿单元划分牌
(3)下穿滨河路通道工程质量控制要点,主要介绍在每一步施工时重要的质量控制,为现场能够更好的进行施工。
图牌大小为2.4米长,1.2米宽,字体为黑体字。
图1.10-3下穿滨河路通道工程质量控制要点牌
(4)下穿滨河路通道工程质量控制要点标示牌,主要介绍在每一步施工时重要的质量控制,为现场能够更好的进行施工。
图牌大小为0.7米长,0.5米宽,字体为黑体字。
图1.10-3工程质量控制要点标识牌。