楼层标高抄测记录 范例
- 格式:docx
- 大小:46.92 KB
- 文档页数:3
楼层标高抄测记录工程名称太和居安家园2#楼工程日期抄测部位地上一层1-13轴框架柱抄测内容楼层+1.000M水平控制线放线依据:(1)施工图纸及设计变更/洽商(2)已放好的控制桩点。
抄测说明:地上一层1—13轴柱+100㎝水平控制线,标高=1.000m,标注点的位置设在柱上。
测量工具:自动安平水准仪,型号DZS3-1。
检查意见:签字栏建设(监理)单位施工单位九江市芙蓉建筑有限责任公司专业技术负责人专业质检员施测人楼层标高抄测记录工程名称太和居安家园2#楼工程日期抄测部位地上一层14-26轴框架柱抄测内容楼层+1.000M水平控制线放线依据:(1)施工图纸及设计变更/洽商(2)已放好的控制桩点。
抄测说明:地上一层14—26轴柱+100㎝水平控制线,标高=1.000m,标注点的位置设在柱上。
测量工具:自动安平水准仪,型号DZS3-1。
检查意见:签字栏建设(监理)单位施工单位九江市芙蓉建筑有限责任公司专业技术负责人专业质检员施测人楼层标高抄测记录工程名称太和居安家园2#楼工程日期抄测部位地上二层1-13轴构造柱抄测内容楼层+1.000M水平控制线放线依据:(1)施工图纸及设计变更/洽商(2)已放好的控制桩点。
抄测说明:地上二层1—13轴构造柱+100㎝水平控制线,标高=5.200m,标注点的位置设在柱上。
测量工具:自动安平水准仪,型号DZS3-1。
检查意见:签字栏建设(监理)单位施工单位九江市芙蓉建筑有限责任公司专业技术负责人专业质检员施测人楼层标高抄测记录工程名称太和居安家园2#楼工程日期抄测部位地上二层14-26轴构造柱抄测内容楼层+1.000M水平控制线放线依据:(1)施工图纸及设计变更/洽商(2)已放好的控制桩点。
抄测说明:地上二层14—26轴构造柱+100㎝水平控制线,标高=5.200m,标注点的位置设在柱上。
测量工具:自动安平水准仪,型号DZS3-1。
检查意见:签字栏建设(监理)单位施工单位九江市芙蓉建筑有限责任公司专业技术负责人专业质检员施测人楼层标高抄测记录工程名称太和居安家园2#楼工程日期抄测部位地上三层1-13轴构造柱抄测内容楼层+1.000M水平控制线放线依据:(1)施工图纸及设计变更/洽商(2)已放好的控制桩点。
楼层标高抄测记录一、抄测依据及内容1、结构平面布置图;2、建设单位提供的水准点;3、《工程测量规范》GB50026-93;4、依据《工程测量规范》GB50026-93第7.3.5条,高程中误差偏差为:4mm。
二、抄测说明:用钢尺丈量传递标高。
其方法是:沿一墙角自±0.00起向上直接丈量,把标高传递上去;再根据传递上来的标高立皮数杆,作为砌筑墙体时控制标高的依据。
三、检查意见:符合设计及规范要求楼层平面放线记录一、验线依据及内容1、结构平面布置图;2、1、50、A、H轴为楼层平面放线控制轴线;3、依据《工程测量规范》GB50026-93第7.3.5条,允许误差为:边长相对中误差1/5000;测角中误差±20//。
二、放线简图用吊线法投测轴线。
其方法是由垂球尖对准墙根部已做出的轴线标志,以垂球线为准,在上一层楼面边缘上做出标志,由此可测出各轴线的标志点。
楼层平面放线记录验线依据及内容1、施工图纸;2、工程测量规范;3、本工程施工测量方案;4、已放好的控制线;检查意见:1、、轴为+0.00 结构平面放线控制轴线;2、括号内数据为复测数据,该楼层平面放线符合设计及施工规范要求;楼层标高抄测记录一、抄测依据及内容1、施工图纸;2、工程测量规范;3、本工程施工测量方案;4、已放好的控制点;二、抄测说明:简图1、测定+0.00 楼层0.1m水平控制线(括号内为实测数据);2、测量工具:水准仪、钢卷尺。
三、检查意见:1、抄测符合设计要求,精度符合设计要求、《工程测量规范》GB50026-93及施工规范要求。
(本资料素材和资料部分来自网络,仅供参考。
请预览后才下载,期待您的好评与关注!)。
楼层标高抄测记录(填写范例-横版)
精品资料
仅供学习与交流,如有侵权请联系网站删除谢谢2 楼层标高抄测记录编号:BG-2012-
工程名称日期年月日
抄测部位抄测内容墙、柱+0.500m建
= m
抄测内容及依据:
1、层+0.500m建= m,水平控制线;
2、层建筑平面图JZ- 4、建筑工程施工测量规程;
抄测说明(或附图):
检查结果:1)经核对:楼层设计标高与抄测标高数值无误;2)经查验:墙柱上抄测层+0.500m建= m,水平控制线,标高误差在±2mm以内;符合设计施工图标高及建筑工程施工测量规程精度要求。
签字栏监理(建设)单位
施工单位:广西建工集团第四建筑工程有限责任公司
专业技术负责人专业质检员施测人。
工程名称临沂市三和里花园J区122#住宅楼日期2010年3月8日放线部位三层1-12轴顶板放线内容四层1-12轴剪力墙、柱边线、控制线及门窗洞口位置线放线依据及内容:1、根据《工程测量规范》GB50026-2007。
2、结施06、结施02变结构平面图。
3、○1轴、○12轴、○A轴、○C轴为楼层平面放线控制轴线。
放线简图:说明:1、本次放线先采用线坠吊垂线法,分别将○1轴、○12轴、○A轴、○C轴控制点A1、B1、E1、F1四个点垂出,分别弹出○1轴以东1m的控制线A1C1、○12轴以东0.30m的控制线E1F1、○A轴以北2.5m 的控制线C1F1、○C轴以北1m的控制线A1E1,然后根据A1C1、E1F1、C1F1、A1E1四条控制线,逐一放出其它轴线控制线;2、括号内数据为复测数值;检查意见:签字栏建设(监理)单位施工单位天元建设集团有限公司四0五项目项目(专业)技术负责人专业质检员施测人A1E1控制线C1F1控制线A1C1控制线E1F1控制线工程名称临沂市三和里花园J区122#住宅楼日期2010年3月10日放线部位三层12-22轴顶板放线内容四层12-22轴剪力墙、柱边线、控制线及门窗洞口位置线放线依据及内容:1、根据《工程测量规范》GB50026-2007。
2、结施06、结施02变结构平面图。
3、○12轴、○22轴、○A轴、○C轴为楼层平面放线控制轴线。
放线简图:说明:1、本次放线先采用线坠吊垂线法,分别将○12轴、○22轴、○A轴、○C轴控制点E1、F1、B1、D1四个点垂出,分别弹出○12轴以东0.03m的控制线E1F1、○22轴以西1m的控制线B1D1、○A轴以北2.5m 的控制线F1D1、○C轴以北1m的控制线E1B1,然后根据E1F1、B1D1、F1D1、E1B1四条控制线,逐一放出其它轴线控制线;2、括号内数据为复测数值;检查意见:签字栏建设(监理)单位施工单位天元建设集团有限公司四0五项目项目(专业)技术负责人专业质检员施测人B1D1控制线E1B1控制线F1D1控制线E1F1控制线工程名称临沂市三和里花园J区122#住宅楼日期2010年3月16日放线部位四层1-12轴顶板放线内容五层1-12轴剪力墙、柱边线、控制线及门窗洞口位置线放线依据及内容:1、根据《工程测量规范》GB50026-2007。
楼层标高抄测记录编号
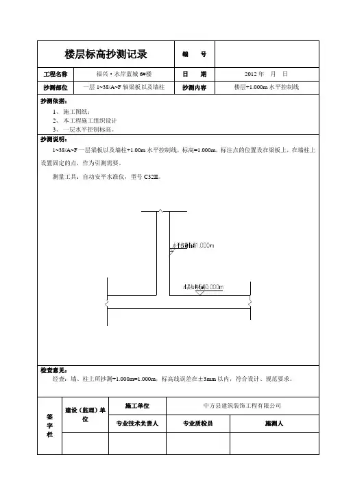
工程名称福兴·水岸蓝城6#楼日期2012年月日
抄测部位一层1~38/A~F轴梁板以及墙柱抄测内容楼层+1.000m水平控制线
抄测依据:
1、施工图纸;
2、本工程施工组织设计
3、一层水平控制标高。
抄测说明:
1~38/A~F一层梁板以及墙柱+1.00m水平控制线,标高=1.000m,标注点的位置设在梁板上,在墙柱上设置固定的点,作为引测需要。
测量工具:自动安平水准仪,型号C32II。
检查意见:
经查:墙、柱上所抄测+1.000m=1.000m,标高线误差在±3mm以内,符合设计、规范要求。
签字栏建设(监理)单
位
施工单位中方县建筑装饰工程有限公司专业技术负责人专业质检员施测人。
七、楼层标高抄测记录
楼层标高抄测是指在结构施工期间,施工单位依据施工图和施工测量方案,按照施工进度安排及时进行标高抄测。
施工单位完成标高抄测后,填写《标高抄测记录》报请项目监理机构审核。
(一)资料表格样例
楼层标高抄测记录
(二)填写要求
(1)抄测内容。
楼层+0.5m(或+1.0m)水平控制线、门窗洞口标高控制线等。
(2)抄测部位。
应按实际施工流水段、分楼层、分轴线填写、不得笼统填写。
(3)抄测依据。
应写明具体的施工图样(编号)、定位控制桩或标高点。
(4)抄测说明。
应尽可能采用立面图或立体图表示,抄测点标识的位置和数量。
(5)检查意见及签字栏同基槽验线记录相关要求。