楼层平面标高抄测记录
- 格式:doc
- 大小:312.00 KB
- 文档页数:5
楼层标高抄测记录(填写范例-横版)
精品资料
仅供学习与交流,如有侵权请联系网站删除谢谢2 楼层标高抄测记录编号:BG-2012-
工程名称日期年月日
抄测部位抄测内容墙、柱+0.500m建
= m
抄测内容及依据:
1、层+0.500m建= m,水平控制线;
2、层建筑平面图JZ- 4、建筑工程施工测量规程;
抄测说明(或附图):
检查结果:1)经核对:楼层设计标高与抄测标高数值无误;2)经查验:墙柱上抄测层+0.500m建= m,水平控制线,标高误差在±2mm以内;符合设计施工图标高及建筑工程施工测量规程精度要求。
签字栏监理(建设)单位
施工单位:广西建工集团第四建筑工程有限责任公司
专业技术负责人专业质检员施测人。
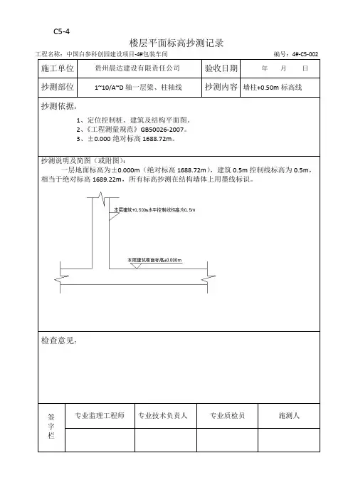
抄测说明及简图(或附图):一层地面标高为±0.000m(绝对标高1688.72m),建筑0.5m控制线标高为0.5m,相当于绝对标高1689.22m,所有标高抄测在结构墙体上用墨线标识。
抄测说明及简图(或附图):一层地面标高为±0.000m(绝对标高1688.8m),建筑0.5m控制线标高为0.5m,相当于绝对标高1689.30m,所有标高抄测在结构墙体上用墨线标识。
抄测说明及简图(或附图):一层地面标高为±0.000m(绝对标高1691.10m),建筑0.5m控制线标高为0.5m,相当于绝对标高1691.60m,所有标高抄测在结构墙体上用墨线标识。
抄测说明及简图(或附图):一层地面标高为±0.000m(绝对标高1691.10m),建筑0.5m控制线标高为0.5m,相当于绝对标高1691.60m,所有标高抄测在结构墙体上用墨线标识。
抄测说明及简图(或附图):负一层地面标高为-6.000m(绝对标高1680.40m),建筑0.5m控制线标高为-5.50m,相当于绝对标高1680.90m,所有标高抄测在结构墙体上用墨线标识。
抄测说明及简图(或附图):一层地面标高为±0.000m(绝对标高1686.40m),建筑0.5m控制线标高为0.5m,相当于绝对标高1686.90m,所有标高抄测在结构墙体上用墨线标识。
抄测说明及简图(或附图):一层地面标高为±0.000m(绝对标高1682.00m),建筑0.5m控制线标高为0.5m,相当于绝对标高1682.50m,所有标高抄测在结构墙体上用墨线标识。
抄测说明及简图(或附图):一层地面标高为±0.000m(绝对标高1680.00m),建筑0.5m控制线标高为0.5m,相当于绝对标高1680.50m,所有标高抄测在结构墙体上用墨线标识。
抄测说明及简图(或附图):一层地面标高为±0.000m(绝对标高1682.00m),建筑0.5m控制线标高为0.5m,相当于绝对标高1682.50m,所有标高抄测在结构墙体上用墨线标识。
楼层平面放线及标高实测记录
表C3-3
资料编号01-00-C3-001 工程日期2012-12-09
放线部位基础底板、梁①—⑥/A—F轴放线内容轴线
放线依据:
1.施工图纸(结-2、结-3、结-4)。
2..本工程测量成果报告书(BGEC-J测2012-040)。
3.《建设施工测量技术规程》(DB11/T446-2007)。
放线简图:
检查意见:
1.本工程轴线、基础梁及柱子位置准确,位置线齐全。
2.各细部轴线间几何尺寸相对精度最大偏差±2mm,符合相关规范要求。
3.符合设计和《建设施工测量技术规程》(DB11/T446-2007)及测量方案要求,可以进行下道工序施工。
签字栏
施工单位
专业技术负责人专业质检员施测人监理(建设)单位北京京龙工程项目管理公司专业工程师
本表由施工单位填写。
楼层标高抄测记录编号:BG-2012- 工程名称日期年月日
抄测部位抄测内容墙、柱+0.500m建= m
抄测内容及依据:
1、层+0.500m建= m,水平控制线;
2、层建筑平面图JZ- 4、建筑工程施工测量规程;
抄测说明(或附图):
检查结果:1)经核对:楼层设计标高与抄测标高数值无误;2)经查验:墙柱上抄测层+0.500m建= m,水平控制线,标高误差在±2mm以内;符合设计施工图标高及建筑工程施工测量规程精度要求。
签字栏监理(建设)单位
施工单位:广西建工集团第四建筑工程有限责任公司
专业技术负责人专业质检员施测人。