楼层平面放线及标高抄测记录.doc
- 格式:doc
- 大小:54.00 KB
- 文档页数:2
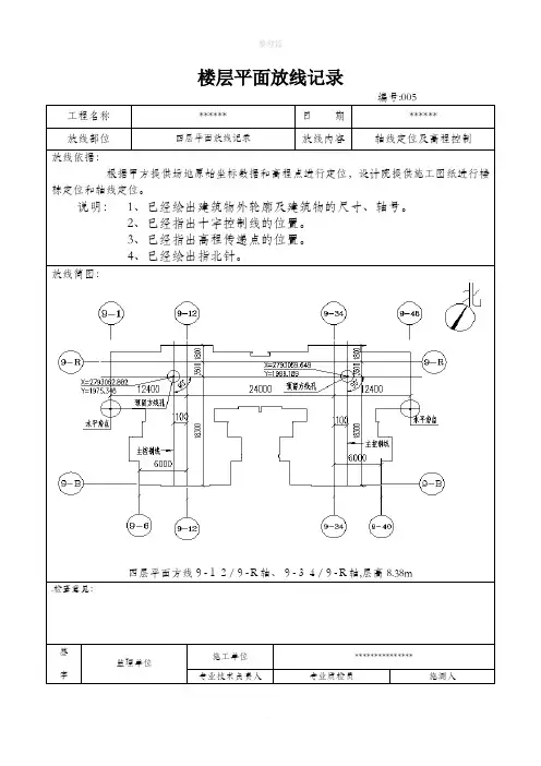
楼层平面放线记录
编号:005工程名称******日期******
放线部位四层平面放线记录放线内容轴线定位及高程控制
放线依据:
根据甲方提供场地原始坐标数据和高程点进行定位,设计院提供施工图纸进行楼栋定位和轴线定位。
说明:1、已经绘出建筑物外轮廓及建筑物的尺寸、轴号。
2、已经指出十字控制线的位置。
3、已经指出高程传递点的位置。
4、已经绘出指北针。
放线简图:
四层平面方线9-12/9-R轴、9-34/9-R轴,层高8.38m
.检查意见:
签
字监理单位
施工单位***************
专业技术负责人专业质检员施测人。
楼层测量放线检查记录(总22页)--本页仅作为文档封面,使用时请直接删除即可----内页可以根据需求调整合适字体及大小--楼层测量放线检查记录工程名称君地天城 33#楼编号01-00-B039-1检查日期年月日检查部位机房层测量放线依据图纸结构平面图放线示意图:检查结论:1:楼层设计标高与抄测标高数值无误。
墙柱上抄测建筑一米线误差在±2mm以内符合设计图纸和规范要求2:经检查墙柱钢筋上抄测结构50cm,误差在±2mm以内符合设计图纸和规范要求。
施工单位江苏南通二建集团有限公司监理单位吉林省先胜建设工程咨询有限公司施测人(签字)专业监理工程师:年月日专业质检员(签字)专业技术负责人(签字)楼层测量放线检查记录工程名称君地天城 33#楼编号01-00-B039-1检查日期年月日检查部位四层测量放线依据图纸结构平面图放线示意图:检查结论:1:楼层设计标高与抄测标高数值无误。
墙柱上抄测建筑一米线误差在±2mm以内符合设计图纸和规范要求2:经检查墙柱钢筋上抄测结构50cm,误差在±2mm以内符合设计图纸和规范要求。
施工单位江苏南通二建集团有限公司监理单位吉林省先胜建设工程咨询有限公司施测人(签字)专业监理工程师:年月日专业质检员(签字)专业技术负责人(签字)楼层测量放线检查记录工程名称君地天城 33#楼编号01-00-B039-1检查日期年月日检查部位五层测量放线依据图纸结构平面图放线示意图:检查结论:1:楼层设计标高与抄测标高数值无误。
墙柱上抄测建筑一米线误差在±2mm以内符合设计图纸和规范要求2:经检查墙柱钢筋上抄测结构50cm,误差在±2mm以内符合设计图纸和规范要求。
施工单位江苏南通二建集团有限公司监理单位吉林省先胜建设工程咨询有限公司施测人(签字)专业监理工程师:专业质检员(签字)专业技术负责人(签字)年月日楼层测量放线检查记录工程名称君地天城 33#楼编号01-00-B039-1检查日期年月日检查部位六层测量放线依据图纸结构平面图放线示意图:检查结论:1:楼层设计标高与抄测标高数值无误。
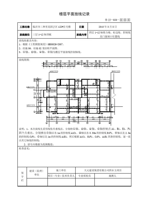
工程名称临沂市三和里花园J区122#住宅楼日期2010年3月8日放线部位三层1-12轴顶板放线内容四层1-12轴剪力墙、柱边线、控制线及门窗洞口位置线放线依据及内容:1、根据《工程测量规范》GB50026-2007。
2、结施06、结施02变结构平面图。
3、○1轴、○12轴、○A轴、○C轴为楼层平面放线控制轴线。
放线简图:说明:1、本次放线先采用线坠吊垂线法,分别将○1轴、○12轴、○A轴、○C轴控制点A1、B1、E1、F1四个点垂出,分别弹出○1轴以东1m的控制线A1C1、○12轴以东0.30m的控制线E1F1、○A轴以北2.5m 的控制线C1F1、○C轴以北1m的控制线A1E1,然后根据A1C1、E1F1、C1F1、A1E1四条控制线,逐一放出其它轴线控制线;2、括号内数据为复测数值;检查意见:签字栏建设(监理)单位施工单位天元建设集团有限公司四0五项目项目(专业)技术负责人专业质检员施测人A1E1控制线C1F1控制线A1C1控制线E1F1控制线工程名称临沂市三和里花园J区122#住宅楼日期2010年3月10日放线部位三层12-22轴顶板放线内容四层12-22轴剪力墙、柱边线、控制线及门窗洞口位置线放线依据及内容:1、根据《工程测量规范》GB50026-2007。
2、结施06、结施02变结构平面图。
3、○12轴、○22轴、○A轴、○C轴为楼层平面放线控制轴线。
放线简图:说明:1、本次放线先采用线坠吊垂线法,分别将○12轴、○22轴、○A轴、○C轴控制点E1、F1、B1、D1四个点垂出,分别弹出○12轴以东0.03m的控制线E1F1、○22轴以西1m的控制线B1D1、○A轴以北2.5m 的控制线F1D1、○C轴以北1m的控制线E1B1,然后根据E1F1、B1D1、F1D1、E1B1四条控制线,逐一放出其它轴线控制线;2、括号内数据为复测数值;检查意见:签字栏建设(监理)单位施工单位天元建设集团有限公司四0五项目项目(专业)技术负责人专业质检员施测人B1D1控制线E1B1控制线F1D1控制线E1F1控制线工程名称临沂市三和里花园J区122#住宅楼日期2010年3月16日放线部位四层1-12轴顶板放线内容五层1-12轴剪力墙、柱边线、控制线及门窗洞口位置线放线依据及内容:1、根据《工程测量规范》GB50026-2007。