人员进入洁净区流程
- 格式:doc
- 大小:16.00 KB
- 文档页数:4
建立D级洁净区人员净化标准操作规程,规范洁净区人员净化操作行为,确保生产操作时对产品质量无影响;范围:冻干粉针三车间D级洁净区人员及经批准进入该区域的人员;职责:操作人员:按该操作规程的要求更衣后进入D级区;工序负责人:按该操作规程对D级区人员更衣程序进行管理,规范操作人员更衣;车间管理人员:按本岗位操作规程对员工进行培训并确保本操作规程的实施;Q A:监督该操作规程在生产过程中的实施,并对该操作规程的持续改进提供具体意见;规程:1、进入D级区的更衣程序进入生产车间后,按一般洁净区人员净化标准操作规程要求,在门厅换上一般区工作鞋,进入男总更室或女总更室进行更衣,摘下个人手饰、手表等个人物品,存放在个人的更衣柜中,戴上工作帽、换上工作服后,通过洁净区入口再进入D级区一更;每进入一个洁净室或离开此洁净室,随时将门轻轻关上;进入D级区一更后,先脱去一般区工作服及工作帽,再脱去个人外衣裤并放入更衣柜里,更鞋后进入洗手室;进入洗手室,按照洁净区洗手标准操作规程进行洗手;佩戴眼镜者需用洗手液洗净眼镜,尤其是眼镜的鼻梁处,然后用纯化水冲洗干净,洗完后用自动烘手器将手及眼镜烘干;洗手后,进入二更室,先从洁净袋中取出洁净服,以先上后下的原则,先戴上口罩,再穿上洁净服上衣及裤子;全部穿戴好后,面对镜子,整理好头发、口罩、洁净服;确保头发不外露、口罩及洁净服穿戴整齐;衣服穿戴过程中,不可将洁净服碰到地面,以免污染洁净服;穿戴好衣服后,进入缓冲室,对于需接触物料及取样的岗位人员,在戴手套处戴上一次性手套;手套穿戴方式如下:①由取出方向拆开内袋,取出手套,②将手套指尖向前方平放,③用手将内纸翻开,④左手拇指、食指由手套翻面触提起,⑤对准手套手指,将右手伸进手套内,⑥左手拉起手套,使卷边部分拉到手腕处,⑦右手以中间三指由翻面处轻轻提起手套,并顶住手套,⑧左手对准手套手指穿入,将右手伸进手套内,⑨右手拉起手套,使卷边部分拉到手腕处,⑩穿戴好后将手套的翻面部分拉到并盖住洁净服袖口;戴手套示意图戴好手套后,将手在自动感应手消毒器进行消毒,使消毒液充分润湿手部表面;再进入各自岗位进行生产操作;每次进入D级洁净区,更换一次口罩;2、退出D级区的更衣程序当天工作结束后,岗位人员退出到缓冲室,将一次性手套脱于手套存放桶里,再退回到D级区二更室,以先下后上的原则,脱去洁净服裤子,再脱去洁净服上衣,最后将口罩摘下,一并放入相应收衣袋内;将脱下的洁净服及口罩放于收衣桶内;再退回到一更后,穿回个人衣物,再穿戴好一般区的工作鞋、工作帽及工作服退出D级区;3、洁净服清洗轧盖及C、D级洁净区洗衣岗位人员将脱下的洁净服及连体洁净服服转移至D级区洗衣间,按照轧盖及C、D级洁净区洗衣岗位标准操作规程进行清洗;清洗结束后,轧盖区用的洁净服D级区卫生级灭菌柜内进行湿热灭菌;。
人员进出洁净区操作指导书1.0目的为了规范实验室的秩序,保证洁净区环境卫生符合相关规定。
2.0适用范围本规程适用于所有进出洁净区人员。
3.0职责3.1所有进出洁净区工作人员,必须严格按照本流程规定执行。
3.2相关负责人应对本流程的执行实施监督管理。
3.3相关负责人有权禁止违反本流程规定的人员进入洁净间。
4.0 作业内容4.1进入洁净区人员规定1. 洁净区的工作人员应严格控制在最少人数,无关人员不得进入洁净区。
2. 所有进出洁净区的人员均按规定登记进出时间、人数等。
3. 在洁净区的工作人员应养成良好的卫生习惯,如:勤洗澡、修指甲和理发等。
4. 洁净区人员不应戴手表与珠宝首饰,不能用散发颗粒的化装品。
5. 参与无菌洁净区工作的人员,应定期进行健康查体,有传染病、皮肤病、呼吸道系统疾病及对实验药品有过敏反应的人员不宜上岗操作。
6. 进入洁净区的人员人员应严格按照洁净路线和程序执行,穿戴洁净工作服、工作帽、口罩、工作鞋,头发、口鼻、内穿衣物不得外露。
4.2 人员刷门禁,进入总更,坐在鞋柜上,将自己的鞋脱下,整齐的放到鞋柜外侧,转身从鞋柜内侧取出并穿上写有编号的总更鞋,进入男或女总更。
在男或女总更,脱去外衣,折叠整齐,放置贮衣柜内,更换写有编号的白大褂,进入走廊。
4.3 由走廊进入C级总更,将白大褂脱下,折叠整齐,放置贮衣柜内。
4.4 在生物原料二车间洁净区入口处,坐在鞋柜上,将总更鞋脱下,整齐的放到鞋柜外侧,转身从鞋柜内侧取出并穿上写有编号的黄色一更鞋。
4.5 详细填写《人员进出洁净区登记表》(REC-PC-0054-1),进入C级洗手间。
4.6 进入C级洗手间人员进入C级洗手间,严格按照《洗手标准操作程序》(SOP-W-0001-1)洗手。
洗手完毕,打开更衣间门,进入更衣间,关闭更衣间门。
4.7进入更衣间4.7.1在更衣间内脱下黄色一更鞋,放在黄线外侧的鞋架上码放整齐,跨过黄线。
4.7.2按编号从黄线内侧架子上取洁净服并穿戴。
一、目的为确保洁净区内的生产环境和产品质量,防止污染,特制定本制度。
二、适用范围本制度适用于公司所有进入洁净区的人员。
三、职责1. 生产部门负责制定洁净区人员更衣管理制度,并对执行情况进行监督。
2. 设备部门负责提供洁净区所需的各类更衣设施。
3. 人力资源部门负责对洁净区人员进行培训。
4. 所有进入洁净区的人员应遵守本制度。
四、更衣流程1. 人员进入洁净区前,应先进入更鞋区,更换拖鞋,脱下鞋子并放在外侧鞋柜中。
2. 进入一更室,脱下一般生产区普通工作服,放入更衣柜内。
3. 洗手、擦干,进入二更室。
4. 换上洁净服,包括洁净鞋、帽、口罩等。
5. 在更衣镜前自我检视,确认着装是否规范。
6. 进入缓冲间,进行手部消毒。
7. 进入洁净区,进行相应岗位的工作。
五、更衣要求1. 所有进入洁净区的人员必须穿戴洁净服,不得混穿。
2. 洁净服应保持干净、整洁,不得破损。
3. 头发不得外露,需佩戴帽子。
4. 不得佩戴首饰、手表等物品。
5. 不得在洁净区内吸烟、吃东西等。
六、监督检查1. 生产部门负责对洁净区人员更衣情况进行监督检查。
2. 设备部门负责对更衣设施进行定期检查、维护。
3. 人力资源部门负责对洁净区人员进行定期培训,提高其遵守更衣制度的能力。
七、奖惩1. 对遵守本制度,表现良好的洁净区人员,给予表扬和奖励。
2. 对违反本制度,造成污染的人员,给予批评教育,并视情节轻重予以处罚。
八、附则1. 本制度由生产部门负责解释。
2. 本制度自发布之日起实施。
洁净区是保证产品质量和生产安全的重要环节,所有进入洁净区的人员必须严格遵守本制度,确保洁净区的生产环境和产品质量。
洁净区人员进出及更衣程序Personnel Pass in and Out and Change Dresses Procedure in Cleaning Areas部门Department 签名/日期Signature/Date1目的本SOP对微生物实验室洁净区人员进出及更衣进行规定,确保人员进出洁净区及更衣按规定程序进行.2范围适用于Superior Inhalation Pharmaceutical Co., Ltd 微生物实验室洁净区. 3术语N/A4责任微生物实验室所有人员以及其他进出人员负责该SOP的执行.5环境健康安全见SOP-QW-G023微生物实验室器具灭菌操作程序6程序6.1人员要求如有外来人员必须进入微生物实验室洁净区,则应得到微生物室负责人或其授权人的批准且在SOP-QW-G014-R03记录,并接受相关指导后才允许进入.6.2人员进入洁净区的路线:准备间:①一更→②D级更衣间→③准备间.其他D级区进入路线与准备间一致,其他D级区包括:清洗间、储存间1、培养间、记录区、物料暂存、菌种鉴定、天平室、储存间2、内毒素检测.微生物限度/灭菌后:①一更→②D级更衣间→③准备间→④C级更衣→⑤气锁→⑥C级走廊→⑦微生物限度1、微生物限度2、灭菌后.无菌检测:①一更→②D级更衣间→③准备间→④C级更衣→⑤缓冲间→⑥C级走廊→⑦气锁→⑧无菌检测.阳性菌室:①一更→②D级更衣间→③微生物准备间→④阳性菌操作间C级二更→⑤气锁→⑥阳性菌室.6.2.1准备间6.2.1.1人员进入洁净区一更,脱下外套放置柜子中,脱下鞋子跨过鞋柜,两脚不能沾地,穿上安全鞋.洗手,并烘干,打开D级更衣间门后进入D级更衣间.6.2.1.2进入D级更衣间后,从柜子中取出D级洁净服,穿上后在镜子前整理并戴上无菌口罩,确定无头发、眉毛外露后再进入准备间.其他D级区进入路线与准备间一致.6.2.2微生物限度/灭菌后6.2.2.1人员按照进入准备间6.2.2.2选择微生物限度室进入C级更衣,取出C级洁净服,在鞋柜进门侧穿戴.6.2.2.3脱下安全鞋跨过鞋柜,两脚不能沾地,穿上C级洁净鞋,应对着镜子进行自检或互检,以保证着装的规范.然后戴一次性的无菌手套,用消毒剂消毒双手后戴一次性无菌口罩,整理完毕后再用消毒剂消毒双手,开门进入气锁,经过C级走廊,再进入微生物限度1、微生物限度2或灭菌后.注意:在二更要以站立姿势穿洁净服,洁净服不能碰到地面、墙面等地方.6.2.3无菌检测6.2.3.1人员按照进入准备间6.2.3.2选择微生物限度室进入C级更衣,取出C级洁净服,在鞋柜进门侧穿戴.6.2.3.3脱下安全鞋跨过鞋柜,两脚不能沾地,穿上C级洁净鞋,应对着镜子进行自检或互检,以保证着装的规范.然后戴一次性的无菌手套,用消毒剂消毒双手后戴一次性无菌口罩,整理完毕后再用消毒剂消毒双手,开门进入气锁,经过C级洁净走廊后进入无菌检测缓冲间,再进入无菌检测.注意:在二更要以站立姿势穿洁净服,洁净服不能碰到地面、墙面等地方.6.2.4阳性菌室6.2.4.1人员按照进入准备间6.2.4.2选择阳性菌操作间进入C级更衣,取出C级洁净服,在鞋柜进门侧穿戴.6.2.4.3脱下安全鞋跨过鞋柜,两脚不能沾地,穿上C级洁净鞋,应对着镜子进行自检或互检,以保证着装的规范.然后戴一次性的无菌手套,用消毒剂消毒双手后戴一次性无菌口罩,整理完毕后再用消毒剂消毒双手,开门进入气锁,再进入阳性菌室.注意:在二更要以站立姿势穿洁净服,洁净服不能碰到地面、墙面等地方.6.3操作完毕后洁净区人员沿原路线退出6.3.1在C级更衣脱掉C级洁净服、无菌口罩、无菌手套,在鞋柜内侧脱下C级洁净鞋后换上安全鞋,退出C级更衣,并关好门.脱下的C级衣物放入待清洁整理箱,一天的最后一次实验结束后,将整理箱通过传递窗传入灭活间,准备清洁.一次性口罩及无菌手套丢入废弃桶,每天实验结束后传入灭活间待灭菌.6.3.2在一更脱掉D级洁净服,口罩等.在鞋柜处,换鞋子,退出洁净室,并关好门.脱下的D级衣物放入洗衣间待清洗,一次性口罩应丢入废弃桶.6.4每天实验完成后,应将用过的洁净服收集后统一清洗,烘干后整理好再灭菌.见SOP-QW-G015微生物实验室洁净服管理程序.7附件N/A8参考及引用文件SOP-QW-G015微生物实验室洁净服管理程序9版本修改历史。
人员进出B级洁净区更衣程序及注意事项11.1进入B级更鞋脱外衣室,坐在更鞋柜外侧,脱下一般生产区工作鞋,脚尖朝外放入更鞋柜外侧相应编码位置,保持脚不落地,将身体转到更鞋柜内侧,将更鞋柜内侧取出B级更衣区域的拖鞋并穿上,穿上拖鞋后不得跨越到更鞋柜外侧区域,起身。
1.2按照由下至上的顺序,依次脱一般生产区工作裤、工作上衣,工作帽。
里面向内折叠整齐后,按照工作裤在下,依次为工作上衣、工作帽的顺序将其放在衣柜内相应的编码位置。
22.1打开洗手室的门,进入洗手室,关门。
2.2走到洗手池旁,打开水龙头,将双手和前臂润湿。
2.3取洗手液适量于掌中,两手交互十指交叉搓洗,互握手腕旋转搓洗,特别是指缝、指甲缝、手背和掌纹处应加强搓洗。
2.4用流动的纯化水将洗手液冲洗干净, 直到无滑腻感为止,关闭水龙头。
2.5两手在水槽悬空轻轻抖落手上的水滴。
2.6将双手伸至自动烘手器风口下,不得碰触烘手器,双手互不接触,翻动,吹干。
33.1用肘压式的方法开门,进入穿洁净内衣室,关门。
3.2将双手放在消手器下方8 cm处,喷洒75%酒精消毒,掌心对掌心揉搓;手指交错,掌心对手背揉搓;手指交错,掌心对掌心揉搓;双手互握,互搓指背;拇指在掌中转动揉搓;指尖在掌心摩擦。
3.3戴眼镜的人员进入穿洁净内衣室后,将眼镜摘下,用镊子夹起浸润75%乙醇溶液的脱脂棉对眼镜进行充分擦拭消毒,将用过的脱脂棉放入垃圾桶内,将眼镜戴好。
3.4更衣前先在地托外侧脱下缓冲鞋,站在地托上。
按照编码进行取衣,打开无菌内衣袋,确认无菌内衣处于工作服状态标志牌上标示的有效期内;无菌内衣、工作帽、口罩、袜套是否齐全、配套;无菌内衣是否完好;检查无菌内衣编码,编码应专人专用。
3.5进行穿无菌内衣,穿衣时按照由上至下的顺序:戴工作帽(帽子应盖住眉毛,头发不得外露),戴口罩(取出口罩,手只能接触口罩的系带,先确定口罩的上下朝向,戴上后,调整好位置,注意手不要触碰到脸部,口罩应遮住口鼻,与脸部没有空隙),穿上衣(勿使上衣外表面接触到手部、墙壁及地面),穿裤子(将上衣的下摆塞入裤子中,勿使裤子外表面接触到手部、墙壁及地面),穿鞋套(鞋套应套住裤脚),从手套箱内取出一次性无菌手套并核对手套袋外注明的手套号码,打开包装,捏住手套套口翻折部,将手套取出。
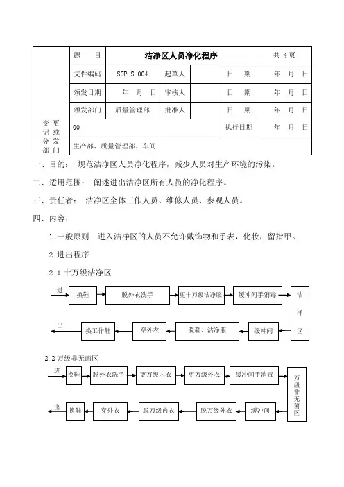
一、目的:规范洁净区人员净化程序,减少人员对生产环境的污染。
二、适用范围:阐述进出洁净区所有人员的净化程序。
三、责任者:洁净区全体工作人员、维修人员、参观人员。
四、内容:1 一般原则进入洁净区的人员不允许戴饰物和手表,化妆,留指甲。
2 进出程序2.1十万级洁净区2.2万级非无菌区2.3万级无菌区更衣操作程序:进入十万级区2.1.1进更鞋区坐在隔离凳上,脱下鞋子,放在鞋柜外侧,转身从隔离凳内侧取出一更拖鞋换上;2.1.2进入一更(脱外衣间),脱去一般生产区工作服,挂好或折叠整齐,放入衣柜内;洗手,洗手时应用液体皂少许,两手对搓、洗净手掌、手背和手腕,然后将手伸到干手器下烘干,进入十万级更衣室。
冻干车间需更换十万级拖鞋后进入十万级更衣室。
2.1.3从洁净服存放桶(或洁净服存放柜)内取出两连体套防静电工作服,先穿上衣,戴上帽子,后穿裤子,将上衣掖入裤子松紧带中,戴上口罩。
要求帽子必须覆盖所有的头发,口罩须覆盖整个鼻部和嘴巴。
2.1.4进入缓冲间手消毒后进入十万级洁净区走廊,进入各功能间。
2.1.5离开程序2.1.5.1在十万级更衣室脱去洁净工作服,工作服放在各自的衣袋中,带出。
(原料药车间放入不锈钢桶中由卫生员统一收回)2.1.5.2在脱衣间脱下洁净区鞋换上一更鞋,穿上一般生产区工作服。
2.1.5.3在更鞋区脱一更鞋,换上一般生产区工作鞋,出洁净区进入一般生产区走廊。
将洁净服放入收衣间传递窗内,交洗衣岗位清洗灭菌。
2.1.5.4在一般区更衣间换下一般区工作鞋穿上自己的鞋离去。
进入万级区2.2.1进更鞋区坐在隔离凳上,脱下鞋子,放在鞋柜外侧,转身从隔离凳内侧取出一更拖鞋换上;2.2.2进入一更,脱去一般生产区工作服,挂好或折叠整齐,放入衣柜内;洗手,洗手时应用液体皂少许,两手对搓、洗净手掌、手背和手腕,然后将手伸到干手器下烘干,进入万级更衣室。
2.2.3开门坐在隔离凳上,脱下一更拖鞋,放在鞋柜外侧,转身从隔离凳内侧取出洁净拖鞋换上,进入万级更内衣间,消毒剂洗手。
动物实验人员须知欢迎您到实验动物中心做实验。
实验动物中心全体工作人员将全心全意为您提供优质的服务,尽力为您提供专业的技术协助,给您提供一个满意的实验场所。
请您留下宝贵的意见和建议,我们会及时改正做好,达到您的要求。
同时也希望您能配合我们的工作,遵守规章制度。
1 实验动物中心位于生物楼十层与十一层,包括SPF级动物实验室,清洁级动物实验室和普通级动物实验室,分别用于SPF级大小鼠实验,清洁级大小鼠实验和普通级猕猴实验。
参见《实验动物中心平面图》。
2 凡在本中心进行实验,需由实验单位(乙方)和实验动物中心(甲方)签定协议。
参见《动物实验合作协议书》。
3本中心实行预缴费制度。
参见《实验动物中心收费制度》。
4请各位实验人员安排好实验时间。
参见《实验动物中心开放时间》。
5实验动物由本中心统一购买,实验人员不得自行购买。
请各位实验人员提前一周向实验动物中心提出购买要求。
欢迎各位提供动物供应信息。
参见《实验动物购买、运输、发放规范》。
6 尊重动物的权利与福利。
实验前认真考量动物实验的必要性,使用动物的数量,实验处理对动物可能造成的身体与心理的伤害。
实验过程中不得戏弄、虐待、惊吓动物。
应当采取适当的措施减少动物在实验中的痛苦。
实验结束后应采取适当的手段处死动物以减少其痛苦。
7重视实验中的自我保护。
采用正确的方法捉拿、固定动物,并做适当防护(如戴手套)以防止动物抓伤、咬伤。
如有抓伤、咬伤,应到医院接受治疗。
8注重对环境的保护,实验前应考虑到实验是否会危害环境,是否会感染人和动物,是否有放射性危害,是否会诱导人和动物癌变、畸变或突变,采取何种措施防止上述危害发生。
9爱护公物,不得损坏设施、设备、仪器、器具,如有损坏,照价赔偿。
10尊重他人劳动成果,不得有意或无意干扰他人实验与工作。
11只能在指定实验室(本中心实验室或自家实验室)对动物进行实验处理,不得在饲养室对动物进行实验处理。
不得在实验室(本中心实验室或自家实验室)饲养动物。
洁净区进出人员管理制度一、目的和范围1.目的:为了确保洁净区环境的净化程度,保护产品生产过程中不受外界污染,确保产品质量符合相关要求。
2.范围:本制度适用于洁净区进出人员的管理,包括员工、访客、供应商和承包商等。
二、进出人员分类和准入要求1.员工:进入洁净区前必须进行洁净区培训并持有相关证书,接受洁净区操作规程的指导和监管。
2.访客:访客需提前预约,并经过审核后方可进入洁净区。
进入洁净区前需穿戴洁净区专用服装,并接受洁净区操作规程的指导。
3.供应商和承包商:供应商和承包商需提前向洁净区管理部门申请,获得进入洁净区的许可。
进入洁净区前需接受洁净区操作规程的培训,并严格遵守相关要求。
三、进出人员准入控制1.进入洁净区前,所有人员须在洁净区门口接受体温检测,体温超过37.3℃者禁止进入。
2.进入洁净区的人员必须换穿洁净区专用服装和鞋套,并戴上口罩、手套等个人防护用品。
3.洁净区进入人员需采取洁净区进入程序,即刷卡签到,并将个人物品放入指定的存放柜中。
4.对于进入洁净区的人员,禁止携带食品、饮料等非必要物品,手机需关闭或设为静音。
5.进入洁净区的人员在洁净区内不得随意停留,必须按照规定的通道和时间限制进行活动。
四、洁净区内行为规范1.进入洁净区后,禁止改变洁净区内的设备、工具和布局等,禁止私自擅自调整、移动或更换设备。
2.进入洁净区的人员必须向洁净区管理员报备,并接受洁净区管理员的监督和指导。
3.在洁净区内禁止吸烟、吃零食、乱扔垃圾等行为,同时禁止使用洁净区以外的用水、用电设备。
4.进出洁净区的人员必须关闭门窗,保持洁净区的密封性,并注意降低环境噪音。
五、违规处理1.对于违反洁净区进出人员管理制度的人员,将受到相应的纪律处分,严重者将面临停职、辞退等处理。
2.对于违反洁净区内行为规范的人员,将被要求立即离开洁净区,并按照相关规定进行相应的处理。
3.如果进出洁净区的人员发现有违规行为的人员,应立即向洁净区管理员报告,协助进行处理。
洁净区更衣标准操作规程
目 的:制定进、出洁净区人员更衣的标准规程。
范 围:进、出洁净区人员更衣的全过程。
责任者:进、出洁净区的全体员工。
内 容: 1、进入洁净区: 1.1、进入生产车间洁净区
1.2、人员按《人员进入一般生产区SOP 》有关要求进入一般生产区。
1.3、穿过走道,进入更鞋室,关好门,脸朝外坐在鞋柜上,将一般区工作鞋脱下,放入鞋柜中,转身面向内侧,取出洁净区工作鞋穿上。
1.4、进入一更,关好门,将一般生产区工作服放入更衣柜中,洗净手烘干后,进入二更,按从上到下的顺序,穿洁净工作衣、帽(将头发全包裹在帽内),再穿洁净工作裤,并将上衣放于工作裤中,戴上口罩,进行手消毒,然后进行手烘干,戴上手套,面对进入缓冲室的门,推门进入缓冲间,对镜检查后,并随手关门。
1.5、规程图:
进
2。
编制:审核:批准:1. 目的建立洁净区人、物流管理规定,防止人员、物品对环境的污染。
2. 范围本规程适用于制盖车间万级洁净区的清洁,人流及物流的管理。
3. 职责3.1. 制盖车间负责本规程的贯彻执行。
3.2. 质量管理部负责本规程的监督考核。
4. 操作规程及要求4.1. 环境要求:4.1.1. 洁净室内墙壁、房顶、门窗、地面要无灰尘,无死角。
4.1.2. 设备表面要无油污、无灰尘,见本色。
4.1.3. 洁净室内禁止吸烟、禁止随地吐痰等不良行为。
4.1.4. 洁具要见本色。
4.1.5. 洁净工作服饰的衣柜不应采用木质材料,应与相关法律法规对设备选型的要求一致。
4.1.6. 操作人员禁止穿工作服出洁净区。
4.1.7. 洁净厂房应每周清洗消毒。
使用的消毒剂不得对设备、原材料、产品等产生污染。
(新洁尔灭0.1%)4.1.8. 洁净室内的工装设备、工位器具也应每周清洗消毒或清洁处理。
4.1.9. 洁净室于非洁净室内的工位器具应严格区分,标示明显,不得交叉使用。
4.1.10. 对于与产品或零件直接接触的设备及工作台面每次工作前应用消毒液浸过的洁净卫生不脱落纤维的抹布进行擦拭。
4.1.11. 每次停产投产前或连续工作一周,需提前1-2天打开紫外线灯照射各房间30分钟进行灭菌。
(紫外线灯每半年更换一次)4.1.12. 洁净区所有门窗户平时不许开,工作时门必须关紧,通道门的开关必须遵循前门不关后门不开的原则。
4.1.13. 洁净区内进行各种操作活动要稳、准、轻,不做与工作无关的动作,各种活动(操作)应限制在最低限度。
4.1.14. 禁止将与生产无关的物品带入洁净区。
生产过程中产生的废弃物应及时装入洁净的不产尘的容器或袋中,密闭放在洁净区内指定地点,并按规定在工作结束后将其及时清除出洁净区。
4.2. 清洁规程4.2.1. 清洁频次:每次生产前、生产结束后清洁;停产一星期清洁一次。
4.2.2. 清洁用品:a. 清洁工具:无尘毛巾、不锈钢桶、水托、毛刷等。
人员进出洁净间管理规程1目的为了规范实验室的秩序,保证洁净区环境卫生符合相关规定。
2范围本规程适用于所有进出洁净区人员.3职责1.所有进出洁净区工作人员,必须严格按照本流程规定执行.2.相关负责人应对本流程的执行实施监督管理3.相关负责人有权禁止违反本流程规定的人员进入洁净间.4程序4.1进入洁净区人员规定1.洁净区的工作人员应严格控制在最少人数,无关人员不得进入洁净区。
2.所有进出洁净区的人员均按规定登记进出时间、人数等。
3.在洁净区的工作人员应养成良好的卫生习惯,如:勤洗澡、修指甲和理发等。
4.洁净区人员不应戴手表与珠宝首饰,不能用散发颗粒的化装品。
5.参与无菌洁净区工作的人员,应定期进行健康查体,有传染病、皮肤病、呼吸道系统疾病及对实验药品有过敏反应的人员不宜上岗操作。
6.进入洁净区的人员人员应严格按照洁净路线和程序执行,穿戴洁净工作服、工作帽、口罩、工作鞋,头发、口鼻、内穿衣物不得外露。
4.2进入洁净区流程1.进入实验室后洗手,在一更更换拖鞋,戴一次性无菌帽子。
2.进入二更更衣,换鞋.在更衣前用酒精擦手。
●脱下普通工作服,放进更衣柜.●取出专用洁净服穿好,扣紧纽扣。
●戴上无菌口罩,口罩为一次性无菌口罩.●拿出个人专用的洁净鞋,放置于洁净区门口地面,穿上洁净鞋。
●戴上无菌手套,喷洒消毒液进行消毒.3.进入缓冲间风淋室:进入风淋室风淋30秒,将衣服表面浮尘吹散。
4. 进入洁净区。
4.3洁净区工作要求1. 凡进入洁净区的操作人员,首先必须进行洁净技术基本知识训练,使其懂得洁净技术和生物制品的生产关系,做到思想上重视、自觉的遵守洁净区的一切规章制度。
2. 严格控制进入洁净区的操作人员数,万级区操作人员数量限制为每人不得少于4平方米室内面积。
3. 在洁净室工作时,动作要轻,尽量减少说话和不必要的动作,一切操作必须按操作规程进行,严禁进行非生产活动。
4. 不准将与生产无关、容易产生尘末的物体,如铅笔、橡皮、钢笔等带入洁净室,记录应使用圆珠笔。
洁净区的更衣流程
洁净区的更衣流程是为了确保工作人员在进入洁净区时不会带入污染物,保护洁净区的环境和工作安全。
以下是一个典型的洁净区更衣流程:
1.进入更衣区前,应先在入口处的专用垫上蹭几下鞋底,以去除鞋底的污物。
2.坐在更鞋柜上,脱下一般区工作鞋放入外侧鞋柜内,转身从内侧鞋柜取出洁净区工作鞋穿上。
3.脱下一般区工作服,整理整齐后放到个人工作服橱内。
4.打开水龙头用水将手润湿,用液体皂清洁手部后用水冲洗干净,洗手应遵循六步洗手法要求。
洗手完成后,用饮用水将手冲洗干净,并在感应式烘手器下将手烘干。
5.打开洁净工作服橱,取出洁净服(包括口罩、发帽等),按照更衣顺序自上而下、从内到外进行穿戴。
确保头发完全包在帽内,上衣筒入裤腰,扣紧领口、袖口、裤腰、裤管口,内衣不得外露,口罩将口鼻完全遮盖。
6.在整衣镜前检查自己的穿戴,确保符合上述要求。
在更衣过程中,需要注意以下几点:
穿戴洁净服前,身上不应佩戴任何饰品,也不允许化妆,长发需要盘起。
洁净服的折叠方式要便于穿着,在打开时防止接触地面。
完成洗手后,应从指尖开始对手进行冲洗,一直冲洗到胳膊肘。
洗手的最后一步通常是使用杀菌类清洁溶液对手进行消毒。
请注意,不同洁净区的更衣流程可能略有不同,具体应根据实际需求和规定进行执行。
同时,应定期进行培训和检查,以确保工作人员能够正确执行更衣流程,维护洁净区的环境和工作安全。
人员进入小容量注射剂车间洁净区更衣程序验证
本文就人员进入小容量注射剂车间洁净区的更衣程序验证进行说明。
1.
在小容量注射剂车间洁净区,为确保生产操作过程中的卫生与洁净,对人员进入区域进行更衣和吹拂除尘是必要的,并且需要进行程序验证,以确保过程准确、安全。
2. 更衣程序验证步骤
以下是进入小容量注射剂车间洁净区的更衣程序验证步骤:
1.打开更衣室门,按照门上的指示扫描员工证件获取个人信息。
2.员工在更衣区脱去头发、皮带、手表、胸针等物品,并放置在指定区
域。
3.员工换穿新的防护服,并按照要求穿戴鞋套、手套、帽子等个人防护
用品,确保完全覆盖。
4.容许员工进入厕所,将口罩和眼镜取下,在正常情况下,不应更换防
护服、鞋套、帽子等个人防护用品。
5.更衣程序结束,员工进入准备区等待。
3. 注意事项
以下是更衣程序验证需要注意的事项:
1.员工在更衣区换防护服时,应注意防止衣服污染。
2.如防护服、鞋套、帽子等个人防护用品出现异物、破损或故障,应立
即更换,并通知相关人员处理。
3.进入洁净区后,员工应遵循公司规定的操作程序进行操作。
4.
本文简要介绍了人员进入小容量注射剂车间洁净区的更衣程序验证步骤与注意事项。
在进入洁净区前,需要严格按照规定程序进行更衣,以确保洁净区环境的卫生与洁净。
外来人员进出洁净区管理规程文件编号:版本:编制/日期:审核/日期:批准/日期:受控状态:批准实施1.目的:对外来人员进入洁净区,防止对环境、产品质量或安全造成影响。
2.适用范围适用于外来人员(包括参观人员、检查人员等)进入洁净区。
3.职责各部门:有责任对本部门的外来人员进行通报审批。
生技部负责人、品管部负责人:批准外来人员进入洁净区。
4.内容1.1.外来人员定义:除生技部、品管部人员外的所有人员。
1.2.进入洁净区需经相应区域负责人批准,填写《外来人员进入洁净区批准登记表》,并指定陪同人员。
1.3.陪同人员负责外来人员的安全,防止外来人员不按规定路线进入。
并应对外来人员进行相关消防、安全知识、卫生知识等讲解、示范,确保执行相关管理规程、操作规程。
1.4.传染病、皮肤病患者和体表有伤口者不得进入洁净区。
1.5.陪同人员陪同外来人员按照《人员进出洁净区管理规程》执行。
1.6.外来人员进入洁净区人数必须符合洁净区限进人数规定,并在洁净区门口做好人数控制标识,不得超限进入。
各洁净区限及功能房间限入人数规定如下:✧外来人员进入净化车间生产区限入人数: 5人✧外来人员进入净化车间质检区限入人数: 2人。
1.7.外来人员应遵循相应区域程序制度及陪同人员的指导。
1.8.不得携带食品,禁止吸烟,不随地吐啖。
1.9.不携带规定禁止带入的物品进入洁净区,如:手机、传呼机、手提包等随身物品。
1.10.未经接待人员许可,参观只能在一般区(洁净区)走廊进行,不应进入操作间。
1.11.未经接待人员许可,不应善自翻阅岗位现行文件,不得拍照。
1.12.进入洁净区必须服从接待人员统一安排,不应乱走乱动,影响生产操作。
5 相关文件《工作环境和污染控制程序》《人员进出洁净区标准操作规程》《物料进出洁净区标准操作规程》《洁净区空气消毒管理规定》《洁净区工作服、口罩、鞋管理规定》6 质量记录《洁净车间工作服/鞋清洗消毒发放记录》。
d级洁净区到c级洁净区流程下载温馨提示:该文档是我店铺精心编制而成,希望大家下载以后,能够帮助大家解决实际的问题。
文档下载后可定制随意修改,请根据实际需要进行相应的调整和使用,谢谢!并且,本店铺为大家提供各种各样类型的实用资料,如教育随笔、日记赏析、句子摘抄、古诗大全、经典美文、话题作文、工作总结、词语解析、文案摘录、其他资料等等,如想了解不同资料格式和写法,敬请关注!Download tips: This document is carefully compiled by theeditor. I hope that after you download them,they can help yousolve practical problems. The document can be customized andmodified after downloading,please adjust and use it according toactual needs, thank you!In addition, our shop provides you with various types ofpractical materials,such as educational essays, diaryappreciation,sentence excerpts,ancient poems,classic articles,topic composition,work summary,word parsing,copy excerpts,other materials and so on,want to know different data formats andwriting methods,please pay attention!D 级洁净区到 C 级洁净区的流程如下:1. 人员准备:进入D 级洁净区前,人员应按照规定的程序进行更衣,包括穿上洁净服、戴上口罩、帽子、手套等。
洁净区人员管理制度洁净区人员管理制度无尘洁净室洁净区环境卫生管理制度规范一、目的:在生产过程中做好卫生监测与管理,防止交叉污染,对产品质量起到重要的作用,因此特质定无尘洁净室洁净区工艺卫生管理制度。
二、范围:适用于洁净车间的人流,物流及车间的环境,设施洁净有关的其它元素的管理三、工作程序:1、进入洁净区工作的人员须经过体检,取得健康证后才能上岗,每年复查一次,如果不合格者,必须调出,患有感冒的工作人员不得进入洁净区工作。
2、洁净区每个人所占面积不得少于4平方米3、洁净区内工作服管理见《洁净区工作服管理制度》4、每天下班后洁净车间要用紫外灯消毒60分钟,并填好“紫外灯消毒记录”每月用甲醛熏蒸一次,时间半个小时,并填写“熏蒸消毒记录”5、人流出入洁净区必须按以下程序和要求进行。
人进-------换鞋-----脱外衣------洗手------穿洁净服-------手消毒-------风林洁净区------出门口------脱洁净服-------穿外衣-----换鞋-------人出6、消毒液的配制由专人负责,采用0.3?消毒液进行消毒7、物流进入洁净区必须按以下程序和要求进行:物品-----脱外包装室-----双层传递窗------洁净区-------双层传递窗------包装室8、进入洁净区的零件及原辅材料,必须脱外包装经双层传递窗,生产出来的产品需经包装封口后从传递窗流出9、每天下班后,操作工做好工作台面,地面,凳子的清洁工作,每周墙壁顶棚清洁一次,并填写“洁净车间卫生记录”10、凡进洁净区都不得留长指甲,不得涂指甲油,不得戴戒指,手镯,手表,项链,不准吃东西,不得大声喧哗,不得穿工作服离开洁净区或未穿工作服进入洁净区,口罩配戴必须规范11、洁净区的周转箱应用无孔带盖周转箱,不得与非洁净区内的周转箱交叉使用。
12、周转箱在保证其洁净度的前提下,每周清洗不少于1次,保证其洁净度,并填写“工作器具清洗消毒记录”13、洁净区的工装每天下班后操作工要做维护保养,保持工装洁净14、凡进入洁净区检测和生产用的压缩空气都需经过净化处理15、洁净车间在生产过程中,零配件掉在地上必须清洗后方可复用,装配时产品不得与拖地16、洁净区操作工每隔2个小时,须用酒精擦拭手消毒一次,以防止人手汗或表皮脱落对产品质量造成影响17、每天下班时,必须将制品放在周转箱内,并加盖,防止污染18、净化车间内的照明装置每二个月检查保养一次,以保证使用的完全,洁净和照明度19、紫外灯应每个编号,具体记录其开始使用时间,累计使用时间,使用超过800小时应更换,也可以每年检测一次紫外线强度,强度不到的应更换,灯具每周用酒精擦拭一次,并做好记录无尘洁净室洁净区环境卫生管理之洁净室管理制度:目录:1,洁净室管理的目的2,洁净室管理原则3,使用范围4,术语5,管理程序管理程序:1)洁净室施工管理制度2)洁净度定期检测制度,测量标准3)洁净室人员管理制度4)洁净服管理制度5)洁净室物流,洁净室内设备及工具管理制度6)洁净室清洁,清扫和灭菌管理7)洁净室安全管理洁净室管理的目的:(生产过程对车间有明确的洁净要求,为了满足生产工艺需要,保证产品质量,安全生产,必须对洁净室的环境,人员,物料,设备,生产过程等控制无尘洁净室洁净区环境卫生管理制度之洁净室管理的原则:1、进入洁净室的管理,包括对洁净室工作人员进入,物料进入,各类设备的搬入以及相关的'设备,管线的维护管理,应做到不得将微粒,微生物带人洁净室2、操作管理技术,对洁净室内人员用洁净工作的制作,穿着和其清洗,操作人员的移动和动作,室内设备及装修材料的选择和清扫,灭菌等,尽可能减少,防止洁净室内尘粒,微生物的产生,滞留,繁殖等3、严格各类设备,设施的维护管理,制定相应的操作规程,保证各类设备,设施按要求正常运转,包括净化系统,各类水,气,电系统,生产工艺设备和工具(工具夹)等,以确保产品生产工艺要求和空气洁净度级别4、清扫,灭菌管理,对洁净室内的各类设备,设施的清扫,灭菌以及方法,周期和检查明确的规定,防止,梢除洁净室内尘粒,微生物的生产,滞留,繁殖5、洁净室环境控制的内容包括:空气净化,洁净建筑,与产品直接接触的水或气体或化学品和生产设备,工具等的污染物控制以及微粒振动,噪音,静电的控制,防止等。
(一)人员进洁净区程序
(二)1、用手拧开换鞋室门,坐在入门口的横凳上,面对门外,用手取出
放在背对一侧横凳下鞋架内的洁净区工作鞋,整齐轻放于背后;将一般生
产区工鞋脱去,坐着转身180°,穿上洁净区工作鞋;侧身将一般生产区的
鞋整齐的放入横凳下规定的鞋架上。(整个过程双脚不能着地)
(三)2、由当班班长按《洁净区人员出入记录表》要求内容填写后,方能
进入一更。
(四)3、用手打开一更衣室柜门,脱去外衣、工作帽及私人物品,放入更
衣柜内,关柜门。
(五)4、洗手:走到洗手池旁,伸双手掌入水盆上方自动洗手器下方的位
置,让水冲洗双手掌及至腕上5cm处,手触摸自动给皂器,两手相互摩擦,
使手心、手背、手腕上5cm处的皮肤均匀充满泡沫,摩擦约10秒钟。
(六)5、伸双手至自动洗手器,让水冲洗双手,双手上下移动,相互摩擦、
冲洗至无滑腻感为止,再翻动双掌,至清洗干净为止。
(七)6、伸手到电热烘手机下约8—10cm处,烘干为止。 ?
(八)7、穿洁净衣服:
(九)(1)用手肘拧开二更衣室门,进入内更衣室,在洁净工作服架内取
出自己工号的洁净工作服袋。
(十)(2)取出连体洁净工作服穿上。
(十一) (3)戴口罩,口罩要罩住口和鼻。
(十二) (4)从前向后戴上工作帽,并全部包住头发。
(十三) 8、消毒手部:用手打开缓冲室门,在自动酒精喷雾器前伸出双
手喷均匀双手(或用1‰新洁尔灭消毒液浸泡约5分钟)进行手消毒(两种
消毒剂交替使用,每月更换一次)。消毒完毕,站立片刻后,再进入洁净区。
(十四) 9、在洁净区内,注意保持手的清洁,不能再接触与工作无关的
物品,不得裸手直接接触产品。
(十五) 10、 洁净区内,动作要稳、轻、少或不做与操作无关的动作,
及不必要的交谈。
(十六)
(二)人员出洁净区程序
(三)1、用手拧开缓冲室门,从缓冲室经内更衣室进入外一更衣室,脱
下洁净区工作服,放进有状态标识的桶内,盖好盖子,并穿上自已工号
的一般生产区工作服。
(四)2、用手拧开换鞋室门,背朝门外,脱下洁净区工鞋, 放进规定
鞋架内,注意此时脚不落地,转身180°,穿上一般生产区工作鞋,将
一次性口罩等杂物放入垃圾桶,此时由当班班长按《洁净区人员出入记
录表》内,再出洁净区。 ?
(五)
(三)物料进出洁净区程序
1、物料从一般生产区进入洁净区,必须经物净系统(包括缓冲室和传递窗)
在缓冲室脱去外包装,若不能脱去外包装的,应对外包装进行吸尘等洁净
处理后,经有出入门联锁的气闸室或传递窗(柜)进入洁净区,并按《洁
净区物料出入记录表》要求填写内容。
2、物料进入洁净区内,整齐码放于规定位置并挂上状态标识牌。
3、物料从300,000级洁净区到一般生产区,经过有出入门联锁的气闸室
或传递窗(柜)传出,并有记录。
注:“离开洁净区按进入洁净区更衣的逆向顺序进行更衣。”我建议实际操
作的时候离开洁净区更衣应该在一更,不应该在二更!因为人在脱洁净服
的时候会有很多皮毛掉落,二更与缓冲间最接近,故可能容易把皮毛带入
洁净区生产车间,影响产品的质量。所以我们公司在一更脱去洁净服,放
入专门盛装洁净服的容器里面!
人员类:
1.非无菌洁净区:换鞋---脱外衣,洗手----穿洁净工作服,手消毒----
气闸室----进入区域。
对于30万级净化,逗号隔开的操作范围可以在同一区域内,而横折号
隔开的操作范围必须在不同的区域,对于10万级净化,逗号与分折号所
隔开的范围都必须在不同区域。不设换鞋室的,可以在更衣室内增设换
鞋区。更衣室按照气闸室要求设计的,可以取消气闸室。手消毒也可以
在气闸室内进行。
2.无菌洁净区:换鞋---脱外衣,脱内衣,洗手/脸/腕部----穿无菌内
衣,手消毒,穿无菌外衣,穿无菌鞋,手消毒----气闸室---进入区域。
注意事项同上!
3.洁净区洗衣房及清洁工具:空气质量要求同配套的操作车间一致,并
有专门的的收集以及存放区域,且与生产区域不能产生交叉污染。
二:物料类
1.进入洁净区的物料需达到相应的净化级别,流体类通过管道,固体类
通过传送窗或者气闸室。
气闸式传送窗布局(由上及下):风机-高效过滤器-传送窗(两边有可
视玻璃窗,且能密闭并保证不被同时打开)-中效过滤器。空气流向;由
上及下。
2.原料入口与废弃物出口不可用同一个传送窗。
三:安全防护
1.防爆措施外墙做,必须内墙时,泻爆/压应考虑由屋顶泻压。
2.逃生门不得为吊门,推拉门,旋转门,电控自动门(本厂采用公交车
安全窗思路,逃生通道出口为玻璃门,撞即开)。
3.疏散门与净化进入路线不得为同一路线。
四:空气净化以及压差
1.初效,中效,高效空气过滤器进风。
2.不同空气洁净度的洁净区间空气静压差保持5Pa以上,洁净区与室外
大气压差需保持10Pa以上,并有相应压差指示装置。
3.空气气流流向:100级-单向流向,1万级/10万级/30万级?-非单项
流向。
4.回风口,一般下部,对于10万及30万级,可以采用上部回风,但是
有粉尘及有害物质产生的车间不可以。易产生污染的设备附近应有回风
口。
5,排风口需有防倒灌,防爆,防火,特殊的还要有必要的处理等措施
五:给水给料排水管道及工艺用水
1.管道:镀锌钢管/不锈钢
2.进水:自来水,纯水(纯水处理工艺:自来水---净化剂--石英砂滤
--活性炭滤---离子交换滤/微孔滤膜,中间还需要加反渗透装置,暂时
没搞懂)?
六:电器照明
荧光灯/防爆/易擦洗/不积灰/紧急照明装置/工作室300lx???