【范例】工程定位测量记录
- 格式:xls
- 大小:13.50 KB
- 文档页数:4
工程定位测量记录一、工程基本信息项目名称:XXX工程工程位置:XX市XX区XX路工程开始时间:XXXX年XX月XX日测量时间:XXXX年XX月XX日二、测量项目1.地理定位测量1.1测量基准点的设定及测量:使用GPS技术测定工程位置相对于全球导航卫星系统的经纬度坐标,并记录在下方表格中(表格略)。
1.2测量标志物的设置:在工程位置周围采用一定数量的地面标志物,包括里程碑、地形特征标志物等,以供后期测量使用。
2.高程定位测量2.1高程基准点的设定及测量:使用水平仪等测量工具对工程位置的高程进行测量,并记录在下方表格中。
2.2测量建筑物高度:对工程位置附近的建筑物高度进行测量,并记录在下方表格中。
3.其他定位测量3.1水平定位测量:使用光电测距仪等测量工具对工程位置内各个关键点的水平距离进行测量,并记录在下方表格中。
3.2竖直定位测量:使用水平仪等测量工具对工程位置内各个关键点的竖直距离进行测量,并记录在下方表格中。
三、测量结果1.地理定位测量结果:-经度:XXX度XX分XX秒-纬度:XXX度XX分XX秒2.高程定位测量结果:-高程:XXX米3.其他定位测量结果:-水平距离:-A点到B点:XXX米-A点到C点:XXX米-竖直距离:-A点到D点:XXX米-A点到E点:XXX米四、测量设备1.GPS测量设备2.水平仪3.光电测距仪五、测量记录人员及签名测量人员:XXX日期:XXXX年XX月XX日六、备注任何与测量过程相关的额外信息可以在此部分记录。
以上是关于工程定位测量的记录,该记录详细记录了工程位置的地理定位、高程定位以及其他定位测量结果。
这些测量结果将为工程的施工和后期维护提供重要依据,确保工程的准确性和稳定性。
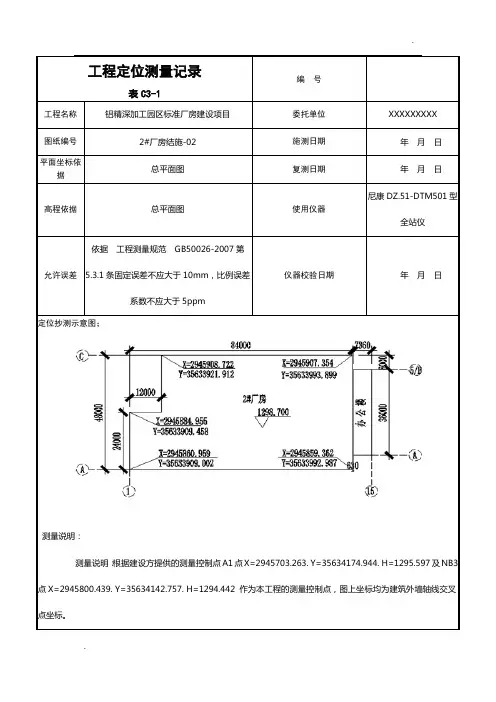
工程定位测量记录
编号
表C3-1
工程名称铝精深加工园区标准厂房建设项目委托单位XXXXXXXXX
图纸编号2#厂房结施-02 施测日期年月日
平面坐标依
据
总平面图复测日期年月日
高程依据总平面图使用仪器
尼康DZ.51-DTM501型
全站仪
允许误差
依据工程测量规范GB50026-2007第
5.3.1条固定误差不应大于10mm,比例误差
系数不应大于5ppm
仪器校验日期年月日
定位抄测示意图;
测量说明:
测量说明:根据建设方提供的测量控制点A1点X=2945703.263. Y=35634174.944. H=1295.597及NB3点X=2945800.439. Y=35634142.757. H=1294.442 作为本工程的测量控制点,图上坐标均为建筑外墙轴线交叉点坐标。
复测结果:
复测结果符合工程测量规范GB50026-93及施工测量方案要求。
签字栏建设(监理)单位
施工(测量)单
位
XXXXXXXXXX 测量人员
岗位证书号
XXXXXXX 专业技术负责
人
测量负责人复测人施测人
本表由建设单位、监理单位、施工单位、城建档案馆各保存一份。
工程定位测量记录表 C1 编号:工程名称湖北襄阳振华宇科科技有限公司外测量单位湖北新农垦建设工程有限公司包装生产中心图纸编号总施 00 施测日期2014 年 3 月 19 日坐标依照甲方供应复测日期2014 年 3 月 20 日高程依照甲方供应使用仪器ET-02 经纬仪闭合差-R 仪器检定日期2014 年 2 月 26 日定位抄测表示图:抄测结果:依照甲方供应的两个控制点详尽地址及坐标和高程,用全站仪引一点于场所门口处作为另一放样基准点引测切合设计要求。
施工单位湖北新农垦建设工程有限公司参加人员监理(建设)单位专业技术负责人测量负责人复测人施测人签字本表由测量单位供应,建设单位、施工单位和城建档案馆各保存一份。
工程定位测量记录表 C1 编号:湖北襄阳振华宇科科技有限公司1#测量单位湖北新农垦建设工程有限公司工程名称成品生产车间图纸编号总施 00 施测日期2014 年3 月 19 日坐标依照甲方供应复测日期2014 年3 月 20 日高程依照甲方供应使用仪器ET-02 经纬仪闭合差-R 仪器检定日期2014 年 2 月 26 日定位抄测表示图:抄测结果:依照甲方供应的两个控制点详尽地址及坐标和高程,用全站仪引一点于场所门口处作为另一放样基准点引测切合设计要求。
施工单位湖北新农垦建设工程有限公司参加人员监理(建设)单位专业技术负责人测量负责人复测人施测人签字本表由测量单位供应,建设单位、施工单位和城建档案馆各保存一份。
工程定位测量记录表 C1 编号:工程名称湖北襄阳振华宇科科技有限公司3#湖北新农垦建设工程有限公司成品检测车间测量单位图纸编号总施 00 施测日期2014 年 3 月19 日坐标依照甲方供应复测日期2014 年 3 月20 日高程依照甲方供应使用仪器ET-02 经纬仪闭合差-R 仪器检定日期2014 年 2 月26 日定位抄测表示图:抄测结果:依照甲方供应的两个控制点详尽地址及坐标和高程,用全站仪引一点于场所门口处作为另一放样基准点引测切合设计要求。
工程定位测量记录定位抄测示意图:
“工程定位测量记录”填写说明
1、工程名称与施工图纸一致
2、委托单位:建设单位或总承包单位总称
3、图纸编号:总平面图、首层建筑图等。
4、坐标依据、高程依据为当地规划部门提供
5、允许误差符合《工程测量规范》GB50026 的规定
6、使用仪器为仪器名称及型号
7、仪器效验日期为仪器检定时间
8、定位抄测示意图:坐标、高程依据要标出引出位置,并标出它与建筑物的关系;特殊情况下,可不按比例,只画示意图,但要标出主要轴线尺寸,并注明± 0.000 标高的绝对高程。
将建筑物平面位置线、重要控制轴线、尺寸及指北针方
向、±0.000标高的绝对高程、现场标准水准点、坐标点、红线桩、周边原有建
筑物、道路等采用适当比例绘制在此图内。
9、相关要求:
边长相对中误差1/15000,测角中误差±15〞按《工程测量规范》
GB/50026-2007 中8.3.2 条;
建筑物施工平面控制网,应根据建筑物的分布、结构、高度、基础埋深和机械设备传动的连接方式、生产工艺的连续程度,分别布设一级或二级控制网,其
主要技术要求,应符合下表的规定
建筑物控制网的主要技术要求
7″
15 ″
1、测角最大中误差2〞是现场实际误差值。
001工程名称街心花园(葫芦鼎大桥北)低影响开定位依据图纸坐标点发建设项目使用仪器水准仪、全站仪、卷尺控制方法坐标定位法图纸示意图:工程定位:1.利用图纸中的坐标点,在现场找出坐标点的位置,然后根据园路的中线位置依次找出园路边线位置进行放线,确定园路的位置,进行放线开挖。
2.完成放线后,进行复核,复核合格 !施工单位主测者:监理(建设)单位复核人:(章)(章)年月日年月日工程定位测量、放线、水准点监理复测记录002街心花园(葫芦鼎大桥北)低影响开工程名称定位依据图纸坐标点发建设项目使用仪器水准仪、全站仪、卷尺控制方法坐标定位法图纸示意图:工程定位:1.利用图纸中的坐标点,在现场找出坐标点的位置,然后根据园路的中线位置依次找出园路边线位置进行放线,确定园路的位置,进行放线开挖。
2.完成放线后,进行复核,复核合格 !施工单位主测者:监理(建设)单位复核人:(章)(章)年月日年月日工程定位测量、放线、水准点监理复测记录003街心花园(葫芦鼎大桥北)低影响开工程名称定位依据图纸坐标点发建设项目使用仪器水准仪、全站仪、卷尺控制方法坐标定位法图纸示意图:工程定位:1.利用图纸中的坐标点,在现场找出坐标点的位置,然后根据园路的中线位置依次找出园路边线位置进行放线,确定园路的位置,进行放线开挖。
2.完成放线后,进行复核,复核合格 !施工单位主测者:监理(建设)单位复核人:(章)(章)年月日年月日工程定位测量、放线、水准点监理复测记录004街心花园(葫芦鼎大桥北)低影响开工程名称定位依据图纸坐标点发建设项目使用仪器水准仪、全站仪、卷尺控制方法坐标定位法图纸示意图:工程定位:1.利用图纸中的坐标点,在现场找出坐标点的位置,然后根据园路的中线位置依次找出园路边线位置进行放线,确定园路的位置,进行放线开挖。
2.完成放线后,进行复核,复核合格 !施工单位主测者:监理(建设)单位复核人:(章)(章)年月日年月日。
工程定位测量放线记录范本1.工程的定位测量放线记录怎么做(1)测量工作开始前,应熟悉设计图纸及有关技术资料,根据设计图纸要求,结合现场实际情况,制定测量技术方案。
(2)建筑物定位测量、桩基定位测量、轴线及标高放线测量工作中,应注意内外业等复核检查,防止发生差错。
测量工作结束后,应及时整理原始资料,并应进行验收。
(3)根据施工场地控制点、水准点、城市规划部门确定的建筑红线桩等和有关设计图纸、技术资料,进行测量。
(4)当建筑区域范围较大、单位工程较多时,可根据设计总平面布置图和现场实际情况,在施工场地内布设平面控制网(点)和高程控制点,作为施工定位测量的依据。
(5)桩基应根据设计图纸进行定位测量,其桩位的放样允许偏差应符合国家现行标准《建筑地基基础工程施工质量验收规范》GB50202的规定。
(6)测量工具和测量人员应固定,测量前应严格校验仪器。
测量所使用的仪器应定期进行检定,并在检定有效期内使用。
(7)建筑物定位测量、桩基定位测量,可根据施工现场实际情况,分段进行验收。
轴线及标高放线测量每一楼(层)段均应进行验收。
(8)建筑物定位测量、桩基定位测量复核情况应以简图形式记录在验收表中,简图中应标明轴线控制桩的位置及标高、桩位偏差、轴线位置及偏差、轴线投测点、标高投测点等位置。
(9)建筑物轴线及标高放线测量复核情况应以简图形式记录在验收表中,简图中应标明轴线位置及偏差、轴线投测点、标高投测点的位置。
扩展资料核查办法(1)根据现场的具体条件,核查施工场地控制点、水准点、城市规划部门确定的建筑红线桩、平面控制网(点)和高程控制点的布设是否稳定可靠。
(2)根据建筑物形式,核查轴线控制桩、轴线投测点、标高投测点布置是否合理,位置、数量是否能满足测量的要求。
(3)核查记录是否完整、准确。
建筑物定位测量、桩基定位测量复核情况简图中是否标明轴线控制桩的位置及标高、桩位偏差、轴线位置及偏差、轴线投测点、标高投测点等位置。
山东工程定位测量记录填写范例一、引言在山东工程建设中,定位测量是非常重要的一环。
准确的定位测量记录对于工程的建设和后续的施工具有重要的指导作用。
本文将以山东工程定位测量记录填写范例为主题,介绍如何按照规范的要求填写定位测量记录。
二、测量对象和目的本次测量的对象为山东某工程的建设区域,目的是为了确定工程的位置、方向和坐标,以便后续的施工工作能够准确无误地进行。
三、测量仪器和方法本次测量使用的仪器为全站仪,测量方法为全站仪定位法。
在具体操作中,需要选择适当的测站点,设置仪器参数,进行测量角度和距离,最后计算出测点的坐标和高程。
四、测量记录填写范例以下是山东工程定位测量记录的填写范例:测点名称:A1测点坐标:X=100.00m,Y=200.00m,Z=50.00m测点高程:100.00m测点描述:A1测点位于工程建设区域的西北角,地势较高,无障碍物遮挡。
测点名称:B1测点坐标:X=150.00m,Y=200.00m,Z=50.00m测点高程:100.00m测点描述:B1测点位于工程建设区域的东北角,地势较高,有一栋建筑物遮挡。
测点名称:C1测点坐标:X=150.00m,Y=150.00m,Z=50.00m测点高程:100.00m测点描述:C1测点位于工程建设区域的东南角,地势较低,有一片树林遮挡。
测点名称:D1测点坐标:X=100.00m,Y=150.00m,Z=50.00m测点高程:100.00m测点描述:D1测点位于工程建设区域的西南角,地势较低,有一片湖泊遮挡。
五、测量结果分析根据测量记录填写范例中的测点坐标和高程,可以得出以下结论:1. 工程建设区域的四个角落均已测量并记录,可以准确确定工程的位置和方向。
2. A1测点位于西北角,地势较高,无障碍物遮挡,适合作为测量基准点。
3. B1测点位于东北角,地势较高,有一栋建筑物遮挡,需要注意建筑物对后续施工的影响。
4. C1测点位于东南角,地势较低,有一片树林遮挡,需要考虑树林对工程建设的影响。
本表由建设单位、监理单位、施工单位、城建档案馆各保存一份。
专业技术负责人测量负责人复测人施测人定位抄测示意图;复测结果:结构控制桩位置坐标与设计图一致,放样点平面坐标最大偏差2mm,测量闭合差为5",测量结果符合设计要求,测量误差在《 城市轨道交通工程测量规范》允许的限差范围内。
签字栏建设(监理)单位施工(测量)单位中铁电气化局集团有限公司北京地铁十号线二期06标项目经理部测量人员岗位证书号考037-0004503考037-0004494高程依据北京城建勘测设计研究院2010测量010-56号DT[10Ⅱ]71\DT[10Ⅱ]72\JM1\JM1使用仪器索佳1030R 允许误差 角度闭合差<11"; 全长相对闭合差<1/35000仪器校验日期2010年4月16日图纸编号BJM10II-02-10-02-01-01-SS-JG-005A 施测日期2010年9月1日平面坐标依据北京城建勘测设计研究院2010测量010-56号DT[10Ⅱ]71\DT[10Ⅱ]72\JM1\JM1复测日期2010年9月6日编 号表C3-1工程名称地铁10号线二期工程 草桥站委托单位本表由建设单位、监理单位、施工单位、城建档案馆各保存一份。
专业技术负责人测量负责人复测人施测人定位抄测示意图;复测结果:冠梁顶标高(+13.900)与设计图一致,抄测点高程最大偏差2mm,测量闭合差为3mm,测量结果符合设计要求,测量误差在《城市轨道交通工程测量规范》允许的限差范围内。
签字栏建设(监理)单位施工(测量)单位中铁电气化局集团有限公司北京地铁十号线二期06标项目经理部测量人员岗位证书号考037-0004503考037-0004494高程依据北京城建勘测设计研究院2010测量010-56号DT[10Ⅱ]71\DT[10Ⅱ]72\JM1\JM1使用仪器索佳1030R 允许误差 角度闭合差<3mm仪器校验日期2010年4月16日图纸编号BJM10II-02-10-02-01-01-SS-JG-005A 施测日期2010年9月1日平面坐标依据北京城建勘测设计研究院2010测量010-56号DT[10Ⅱ]71\DT[10Ⅱ]72\JM1\JM1复测日期2010年9月6日编 号表C3-1工程名称地铁10号线二期工程 草桥站委托单位。
第1篇一、前言在建筑工程施工过程中,定位测量是确保工程质量、进度和安全的关键环节。
准确的定位测量可以为施工提供可靠的依据,避免因定位错误导致的工程质量问题。
本文将详细介绍工程施工定位测量记录的编制方法和内容。
二、定位测量记录编制依据1. 国家测绘地理信息局发布的《工程测量规范》(GB 50026-2007)2. 项目设计文件及相关图纸3. 工程施工合同及施工组织设计4. 施工现场实际情况三、定位测量记录编制内容1. 工程概况(1)工程名称(2)工程地点(3)工程规模(4)施工单位及项目负责人(5)测量单位及测量负责人2. 测量仪器及设备(1)测量仪器型号、规格、数量(2)测量设备名称、型号、规格、数量(3)仪器设备校准情况3. 测量方法及步骤(1)测量方法:全站仪、水准仪、GPS等(2)测量步骤:1)建立控制网:根据设计文件和现场实际情况,确定控制点位置,进行控制点埋设和标记。
2)测量控制点坐标:使用全站仪或GPS进行测量,记录控制点坐标。
3)放样:根据控制点坐标,进行放样,确定建筑物、构筑物等主要部位的轴线、尺寸等。
4)复测:对放样结果进行复测,确保测量精度。
4. 测量结果(1)控制点坐标、高程(2)建筑物、构筑物等主要部位的轴线、尺寸等(3)测量误差分析5. 测量记录(1)测量时间(2)测量人员(3)测量仪器、设备(4)测量数据(5)测量结果分析6. 测量成果整理(1)绘制测量放样图(2)整理测量数据,编制测量报告(3)将测量成果提交给施工单位四、定位测量记录编制要求1. 内容完整、真实、准确2. 格式规范、清晰、易懂3. 字迹工整、美观4. 便于查阅、归档五、定位测量记录编制注意事项1. 测量前,应熟悉设计文件、施工图纸及相关规范,了解工程概况。
2. 测量过程中,应严格按照测量规范和操作规程进行,确保测量精度。
3. 测量数据应及时记录,避免遗漏。
4. 测量成果应及时整理、归档,便于查阅。
5. 测量记录应妥善保管,防止丢失、损坏。
定位测量放线记录范例在建筑工程中,定位测量放线是一项至关重要的工作,它为后续的施工提供了准确的基准和依据。
为了确保测量放线的准确性和可靠性,需要进行详细的记录。
下面将为您呈现一份定位测量放线记录的范例,以便您对这一工作有更清晰的了解。
一、工程概述工程名称:_____ 工程地点:_____ 建设单位:_____ 设计单位:_____ 施工单位:_____本工程为_____(建筑类型),建筑面积为_____平方米,结构形式为_____。
二、测量依据1、设计图纸:包括总平面图、平面图、立面图、剖面图等。
2、测量控制点成果:由测绘部门提供的控制点坐标和高程。
3、工程测量规范:(具体规范名称及编号)三、测量仪器及工具1、全站仪:型号_____,精度_____。
2、水准仪:型号_____,精度_____。
3、钢卷尺:50m,精度_____。
4、塔尺:5m。
5、其他辅助工具:如木桩、铁钉、红油漆等。
四、测量人员测量负责人:_____ 测量员:_____五、测量放线流程1、控制点交接与复测与测绘部门进行控制点的交接,并对控制点进行复测,确保其准确性。
2、建立施工控制网根据控制点和设计图纸,建立施工控制网,包括平面控制网和高程控制网。
3、建筑物定位放线(1)根据施工控制网,确定建筑物的主轴线。
(2)根据主轴线,放出建筑物的轮廓线。
4、基础放线(1)根据建筑物轮廓线,放出基础的开挖线。
(2)在基础施工过程中,进行基础轴线和标高的测量控制。
5、主体结构放线(1)在首层楼板施工完成后,将施工控制网向上传递,建立楼层控制网。
(2)根据楼层控制网,放出各层的轴线、墙柱边线、门窗洞口线等。
6、装饰装修放线(1)根据主体结构的控制线,放出装饰装修的控制线,如地面标高线、墙面阴阳角线等。
(2)在装饰装修施工过程中,进行测量控制,确保施工质量。
六、测量放线数据记录1、控制点复测数据控制点编号 X 坐标 Y 坐标高程K1 ____ ____ ____K2 ____ ____ ____K3 ____ ____ ____2、施工控制网测量数据控制点点号 X 坐标 Y 坐标高程A ____ ____ ____B ____ ____ ____C ____ ____ ____3、建筑物定位放线数据建筑物角点编号 X 坐标 Y 坐标1 ____ ____2 ____ ____3 ____ ____4 ____ ____4、基础放线数据基础类型开挖线尺寸(长×宽)轴线偏差独立基础____×____ ±____mm条形基础____×____ ±____mm5、主体结构放线数据楼层轴线偏差墙柱边线偏差层高偏差1 ±____mm ±____mm ±____mm2 ±____mm ±____mm ±____mm3 ±____mm ±____mm ±____mm6、装饰装修放线数据装饰项目控制线偏差标高偏差地面 ±____mm ±____mm墙面 ±____mm ±____mm七、测量放线成果验收1、自检测量完成后,测量人员进行自检,检查测量数据的准确性和完整性。