工程定位测量记录
- 格式:docx
- 大小:47.08 KB
- 文档页数:4
简 图
珠海市测绘院提供的施工
控制点
引入水准测量
经核对:坐标,规划总图、施工图、测绘成果一致,资料合格:自检误差在允许范围内,符合要求
(公章)
年 月 日
年 月 日
年 月 日
年 月 日
(公章)
(公章)
(公章)
允许误差 边长相对中误差1/500,测角中误差±20〞自检误差边长误差1/1000,角度误差+10"
建设单位意见: 监理单位意见: 设计单位意见: 施工单位意见:
相对标高
-0.35
-0.35
-0.6
-0.6
±0.00建筑物(±0.00)
绝对标高 5.55 5.55 5.8 5.8 5.2 定位依据
水准基点1234 测量单位XXXXXX有限公司
使用仪器、编号GTS-102N
测量人
XXX 单位工程坐标定位测量记录
GD-C4-6315
单位(子单位)工程名称
XXXXX
施工单位XXXX有限公司
项目负责人
XXX。
归档编号:C1--11工程定位(竣工)测量记录制表日期:2008年10月 02 日建设单位:沈阳碧桂园房地产开发有限公司工程名称:沈阳碧桂园·太阳城西区高层7#楼施工单位:大连金广建设集团有限公司图纸编号:结施--3 施测日期:2008年10月01 日坐标依据:规划院给已定高程依据:海拔49.153m测量技术负责人:.复核:抄测:质量检查员:施工员:归档编号:C1--11工程定位(竣工)测量记录制表日期:2008年10月 02 日建设单位:沈阳碧桂园房地产开发有限公司工程名称:沈阳碧桂园·太阳城西区高层8#楼施工单位:大连金广建设集团有限公司图纸编号:结施--3 施测日期:2008年10月01 日坐标依据:规划院给已定高程依据:海拔49.153m测量技术负责人:.复核:抄测:质量检查员:施工员:归档编号:C1--11工程定位(竣工)测量记录制表日期:2008年10月 02 日建设单位:沈阳碧桂园房地产开发有限公司工程名称:沈阳碧桂园·太阳城西区高层9#楼施工单位:大连金广建设集团有限公司图纸编号:结施--3 施测日期:2008年10月01 日坐标依据:规划院给已定高程依据:海拔49.153m测量技术负责人:.复核:抄测:质量检查员:施工员:工程定位(竣工)测量记录制表日期:2008年10月 02 日建设单位:沈阳碧桂园房地产开发有限公司工程名称:沈阳碧桂园·太阳城西区高层10#楼施工单位:大连金广建设集团有限公司图纸编号:结施--3 施测日期:2008年10月01 日坐标依据:规划院给已定高程依据:海拔49.153m使用仪器:定位仪闭合差:1mm测量技术负责人:.复核:抄测:质量检查员:施工员:人活着的意义,就是活得有价值,可惜很多的人把这种价值看得太浅了,认为拥有更多的财富、拥有社会地位、拥有名气就是价值的体现。
这种价值是一种虚伪的价值,更经不起时间的考验。
《工程开工前必须填写工程定位测量记录,
资料员必回技能!》
工程定位测量是工程施工前不可或缺的一项重要工作,它的作用是为施工提供准确的测量数据,确保工程的质量和安全。
在工程开工前,必须填写工程定位测量记录,在资料员的必回技能下,才能正式开展施工。
工程定位测量记录包括测量地点、测量日期、测量机构等相关信息。
在进行工程定位测量时,首先需要确认测量地点,并进行现场勘察,确定测量的基准点、控制点和实测点。
同时,还需要进行环境检查,确保测量点没有遮挡物、没有影响测量的干扰等情况。
在工程定位测量记录中,还需要详细记录测量的数据,包括测量方法、仪器型号、测量对象、测量结果等内容。
在测量过程中,应严格按照规范的测量步骤进行,每次测量后应仔细校验和核对数据,确保数据准确可靠。
最后,资料员必须及时审核与收集工程定位测量记录。
他们应具备严谨和专业的技能,熟悉相关法规和标准,才能做好数据的质量把控和管理。
同时,还需要确保工程定位测量记录的及时性和完整性,以便对施工过程进行实时监控和评估。
总之,工程定位测量记录是工程施工前至关重要的一步,它直接关系到整个工程的质量和安全。
在工程开工前,必须认真填写相关记录,并进行技能审核和管理,以确保工程施工的成功完成。
工程定位测量及复测记录本记录书主要对工程的定位测量及复测进行了详细的描述和记录。
下面将分为以下几个部分:工程背景、测量方法、测量装备和测量结果。
一、工程背景该工程高层建筑工程,地理位置位于市中心区域。
为了确保工程施工的准确性和安全性,需要进行工程定位测量,以确定建筑物地基的准确位置。
二、测量方法1.采用全站仪进行测量。
全站仪是一种精密的测量仪器,可以同时测量水平方向和垂直方向的角度和距离,并具有高度自动化和精确度高的特点。
2.测量人员先在场地中选择标志物,然后通过全站仪测量标志物的坐标和高程。
3.根据标志物的坐标和高程,确定建筑物地基的准确位置,并进行标记。
4.在地基标记后,对之前测量的结果进行复测,以确保测量的准确性和可靠性。
三、测量装备1.全站仪:型号为XXX,具有精确测量和自动化控制功能。
2.测量杆:用于支撑全站仪,以保证测量的稳定性和准确性。
3.标志物:选择一种明显的标志物,方便进行后续的测量和复测。
四、测量结果在测量过程中,我们首先选择了一座旁边的建筑物作为标志物,然后使用全站仪进行测量。
测量结果显示,该标志物的坐标为(X1,Y1,Z1)。
根据测量结果,我们确定了建筑物地基的准确位置,并进行了标记。
接下来,我们对之前的测量结果进行了复测。
复测结果显示,标志物的坐标为(X2,Y2,Z2)。
与初始测量结果进行对比,发现两组结果非常接近,差异很小。
因此,可以确定测量的准确性和精度。
经过定位测量和复测,我们确定了该建筑物的地基位置,并保证了工程施工的准确性和安全性。
总结:本工程定位测量及复测记录对高层建筑工程进行了详细测量,并确认了建筑物地基的准确位置。
通过测量和复测的结果对比,验证了测量的准确性和精度。
这为后续的工程施工提供了重要的数据支持,确保了工程的质量和安全。
4.1.6.1 工程定位测量检查记录Ⅰ基本要求和内容(1)工程定位测量前,应先由城建规划部门根据建筑红线以及城市规划要求,确定方位,提供建设各方以测量标志。
(2)施工单位应根据城建规划部门提供的水准点、坐标点以及施工红线图等,作出包括建筑位置线、现场标准水准点、坐标点(包括标准轴线桩、示意图)等,填写工程定位测量检查记录,见质控(建)表4.1.6.1,报监理单位(建设)单位确认。
(3)界桩点、红线点定位及高程测量,可按下列细部点测量技术进行:1)细部坐标,宜采用极坐标法施测。
水平角可采用经纬仪观测半测回,距离采用钢尺量距时,不宜超过一尺段,细部标高,可采用水准仪或经纬仪望远镜置平施测;2)采用速测仪或测距仪测细部点时,应进行测桩检查,仪器对中偏差不应大于5mm,归零差不宜大于1′;当采用经纬仪半测回测角时,测距的长度不应超过100m;同时施测细部标高时,垂直角范围应在±10°以内,并应观测1测回,测量仪器高和觇标高的取值精确至1mm;3)坐标及标高成果取值,均应精确至10mm,坐标展点误差不应大于图上0.3mm。
Ⅱ核查办法(1)核查有否城建规划部门提供的水准点及红线图。
(2)核查是否有工程定位测量记录。
Ⅲ核定原则凡出现下列情况之一,本项目核定为“不符合要求”。
(2)检查记录与施工规划红线图或与现场不符。
4.1.6.2 地基钎探记录Ⅰ基本要求和内容(1)对地质复杂的或重要的工程,对地基变形有特殊要求以及地基开挖后对地基土有疑义时,应根据设计要求或验槽磋商的意见进行钎探试验,并做好测试记录,钎探记录应填写清楚、真实,并有钎探记录人、施工员、项目技术负责人签字,钎探记录应附有打钎平面图以及钎探结果的分析。
(2)钎探打钎按平面图标定的钎探点顺序进行,记录每打入300mm (一步)深度的锤击数,填入地基钎探记录见质控(建)表4.1.6.2,钎探锤重、落距、钎径应符合规范规定。
(3)钎探完毕,要认真分析钎探记录,查明槽底以下土质的变化,分析孔深范围内基土坚硬程度是否均匀,如有异常需处理,应在打钎平面布点图上标明部位、区段、标高及处理方法。
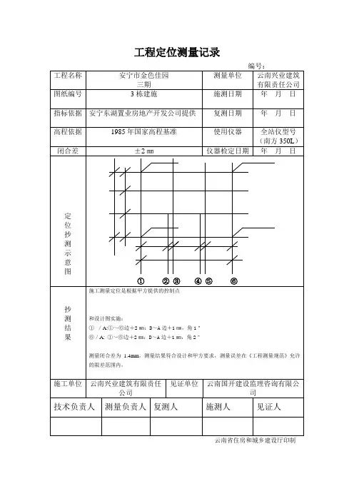
工程定位测量记录定位抄测示意图:
“工程定位测量记录”填写说明
1、工程名称与施工图纸一致
2、委托单位:建设单位或总承包单位总称
3、图纸编号:总平面图、首层建筑图等。
4、坐标依据、高程依据为当地规划部门提供
5、允许误差符合《工程测量规范》GB50026 的规定
6、使用仪器为仪器名称及型号
7、仪器效验日期为仪器检定时间
8、定位抄测示意图:坐标、高程依据要标出引出位置,并标出它与建筑物的关系;特殊情况下,可不按比例,只画示意图,但要标出主要轴线尺寸,并注明± 0.000 标高的绝对高程。
将建筑物平面位置线、重要控制轴线、尺寸及指北针方
向、±0.000标高的绝对高程、现场标准水准点、坐标点、红线桩、周边原有建
筑物、道路等采用适当比例绘制在此图内。
9、相关要求:
边长相对中误差1/15000,测角中误差±15〞按《工程测量规范》
GB/50026-2007 中8.3.2 条;
建筑物施工平面控制网,应根据建筑物的分布、结构、高度、基础埋深和机械设备传动的连接方式、生产工艺的连续程度,分别布设一级或二级控制网,其
主要技术要求,应符合下表的规定
建筑物控制网的主要技术要求
7″
15 ″
1、测角最大中误差2〞是现场实际误差值。
工程定位测量记录
工程定位测量记录
山东省建设工程质量监督总站监制工程定位测量记录
山东省建设工程质量监督总站监制工程定位测量记录
山东省建设工程质量监督总站监制工程定位测量记录
山东省建设工程质量监督总站监制工程定位测量记录
山东省建设工程质量监督总站监制工程定位测量记录
山东省建设工程质量监督总站监制工程定位测量记录
山东省建设工程质量监督总站监制工程定位测量记录
山东省建设工程质量监督总站监制工程定位测量记录
山东省建设工程质量监督总站监制工程定位测量记录
山东省建设工程质量监督总站监制工程定位测量记录
山东省建设工程质量监督总站监制工程定位测量记录
山东省建设工程质量监督总站监制工程定位测量记录
山东省建设工程质量监督总站监制工程定位测量记录
山东省建设工程质量监督总站监制工程定位测量记录
山东省建设工程质量监督总站监制工程定位测量记录
山东省建设工程质量监督总站监制工程定位测量记录
山东省建设工程质量监督总站监制工程定位测量记录
山东省建设工程质量监督总站监制。
工程定位测量记录工程定位测量记录是工程施工过程中的重要环节,它用于记录工程位置的准确测量结果和相关信息,确保工程施工的准确性和稳定性。
通过进行工程定位测量记录,可以有效地控制工程位置的偏差,减少施工中出现的错误和纠正工程问题的成本。
工程定位测量记录的主要目的是:1)提供准确的位置信息,确保工程按照设计要求进行施工;2)为工程质量控制和验收提供参考依据;3)为工程进度计划和资源调配提供必要数据;4)为工程变更和后续施工提供基础数据。
在进行工程定位测量记录时,应严格按照相关测量规范和要求进行操作,保证测量结果的准确性和可靠性。
同时,记录过程中应详细记录测量仪器和设备的型号、测量人员的姓名和资质、测量时间等信息,以便进行后续的查证和分析。
通过合理的工程定位测量记录,可以提高工程施工的质量和效率,保证工程的正常进行。
因此,对于每个工程项目来说,进行工程定位测量记录都是必要的且重要的一步。
工程名称:[工程名称]位置:[工程位置]日期:[测量日期]请提供工程的具体名称、位置和测量日期。
本文档旨在描述每个测量点的位置、测量工具和方法,包括使用的仪器设备和测量精度要求。
测量点1:位置:[描述测量点1的具体位置]测量工具和方法:[描述测量点1所使用的测量工具和方法]仪器设备:[列出测量点1所涉及的仪器设备]测量精度要求:[描述测量点1的测量精度要求]测量点2:位置:[描述测量点2的具体位置]测量工具和方法:[描述测量点2所使用的测量工具和方法]仪器设备:[列出测量点2所涉及的仪器设备]测量精度要求:[描述测量点2的测量精度要求]测量点3:位置:[描述测量点3的具体位置]测量工具和方法:[描述测量点3所使用的测量工具和方法]仪器设备:[列出测量点3所涉及的仪器设备]测量精度要求:[描述测量点3的测量精度要求]继续按照相同的格式描述其他测量点的位置、测量工具和方法,以及仪器设备和测量精度要求。
)注意:以上描述仅为示例,具体内容应根据实际情况进行填写。
工程定位测量记录云南省住房和城乡建设厅印制工程定位测量记录云南省住房和城乡建设厅印制工程定位测量记录云南省住房和城乡建设厅印制残阳渐逝,血红冲天。
半是夕阳余光,半是狰狞血雨。
是的,血,到处都是冷腥的鲜血。
整个皇宫之内,血流成河,白玉理石全被洗涮成黑红之色,到处是断壁残肢,尸横一片,到处是厮杀后的痕迹。
“为什么?”百里冰左手紧捂着胸口,瞪大着眼睛看着对面十米敌对方处,挥手点兵之人。
那是她的未婚夫,她倾尽一生所爱之人。
亦是绝杀她百里一族,将她迫入绝境之人。
她不懂,为何倾尽所有的爱,换来的是百里一族的灭顶之灾。
台下之人仍是一身儒雅白衣,清俊的脸上,就连平日里对她宠溺的笑容都没有变过。
冷逸辰就这样含笑相对,却不肯多说只字片语。
权利?利益?她虽是寒月帝国唯一的继承人,可是她早已与身为寒月帝国帝皇的外公达成协议,她与冷逸辰成婚后,冷逸辰为帝,她为后,她会做好他的贤内助,她从来不是他成功之路上的绊脚石,他为何要如此对她?冷逸辰仍是气定神闲的坐在不远处,手中的白羽扇仍旧轻摇着,完全不惧百里冰眼中的怒意,只是仿佛没有听到她的问话般,仍一派温和之笑,却坚定的吐出一个字,“杀!”百里冰怒上心头。
手中剑气如虹,眼看便要破势而出,却听到远处传来震天动地,撕心裂肺的愤然吼声,“冷逸辰,我百里一族与你不死不休!”“噗!”百里冰同一时刻,一口鲜血狂喷而出,心脏之处传来剧痛。
她突的单腿倒下。
是皇帝外公的声音。
百里冰痛苦的闭上眼睛。
果然,冷逸辰在派人围杀她的同时,也对她的皇帝外公与其他族人动手了,看来百里一族今日恐怕难逃灭族之祸了。
她看着惜日对她呵护倍至的爱人,指甲恨得深入掌心,却感觉不到半丝痛意。
血阳残光,打在百里冰的脸上,映红了她的眼,也血洗了她的心。
“冷逸辰,你借我生辰之名,将我百里一族全部聚此,竟是为了灭我全族。
你可知欺我百里者,杀无赦。
”明明落在下风,却仍是气度非凡,那轩昂之姿,百分不输男儿。
百里冰冷面肃目,冷冷怒视着冷逸辰。