单位工程定位测量记录—AB表(广西填写范例)
- 格式:doc
- 大小:38.50 KB
- 文档页数:3
.
A
单位工程定位测量记录表—日年月测量日期:江苏省盐阜建设集团有限公司施工单位:六安市规划局提供的定位点定位依据资料单位工程
名称建设单位楼工程杭淠湾小区52#引入导线平面定位标α<±26〃角度和长度准点
坐标
起点为建(构)轴~E1~10×A筑物的轴施工单位检查意见::简图(附指北针示意)施
工图上述楼座坐标、(1)经核对:规划总图、
一致;
3m经复测最大误差在实测楼座桩后以内,角度小于1〃测量员
项目专业技术负责人
;.
.
监理(或建设)单位检查意见:
监理工程师:
(或建设单位项目专业技术负责人)
日月年
A
单位工程定位测量记录表—
测量日期:年月日江苏省盐阜建设集团有限公司施工单位:定位依据资料六安市规划局提供的定位点单位工程名称建设单位杭淠湾小区53#楼工程平面定位标引入导线α<±26〃角度和长度准点坐标起点为建(构)1~10×A~E轴筑物的轴
简图(附指北针示意):施工单位检查意见:
施工图规划总图、(1)经核对:上述楼座坐标、
一致;
3mm经复测最大误差在±实测楼座桩后,(2)〃。
以内,角度小于±10测量员:
;.
.
;.。
简 图
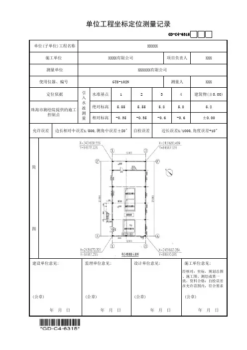
珠海市测绘院提供的施工
控制点
引入水准测量
经核对:坐标,规划总图、施工图、测绘成果一致,资料合格:自检误差在允许范围内,符合要求
(公章)
年 月 日
年 月 日
年 月 日
年 月 日
(公章)
(公章)
(公章)
允许误差 边长相对中误差1/500,测角中误差±20〞自检误差边长误差1/1000,角度误差+10"
建设单位意见: 监理单位意见: 设计单位意见: 施工单位意见:
相对标高
-0.35
-0.35
-0.6
-0.6
±0.00建筑物(±0.00)
绝对标高 5.55 5.55 5.8 5.8 5.2 定位依据
水准基点1234 测量单位XXXXXX有限公司
使用仪器、编号GTS-102N
测量人
XXX 单位工程坐标定位测量记录
GD-C4-6315
单位(子单位)工程名称
XXXXX
施工单位XXXX有限公司
项目负责人
XXX。
基槽验线记录
工程名称验收日期
验收依据及内容:
一、依据:(1)定位控制桩A、B、C、D、1、2、3、4 ;(2)基础平面图:结施G-03 ;
(3) 建筑工程施工测量规程;(4)施工组织设计。
二、内容:(1)基底外外轮廓线及外轮廓断面;(2)垫层标高。
基槽平面及剖面图:
检查意见:
经核对:控制桩、设计施工图尺寸无误。
经查验:1、基础外轮廓线;基础外边尺寸,误差均在±3mm以内。
2、垫层面标高-3.000m, 误差均在±5mm以内。
符合建筑工程施工测量规程的精度要求。
签字栏建设(监理)单位
施工单位广西建工集团第四建筑工程有限责任公司
技术负责人专业质检员施测人。
本表由建设单位、监理单位、施工单位、城建档案馆各保存一份。
专业技术负责人测量负责人复测人施测人定位抄测示意图;复测结果:结构控制桩位置坐标与设计图一致,放样点平面坐标最大偏差2mm,测量闭合差为5",测量结果符合设计要求,测量误差在《 城市轨道交通工程测量规范》允许的限差范围内。
签字栏建设(监理)单位施工(测量)单位中铁电气化局集团有限公司北京地铁十号线二期06标项目经理部测量人员岗位证书号考037-0004503考037-0004494高程依据北京城建勘测设计研究院2010测量010-56号DT[10Ⅱ]71\DT[10Ⅱ]72\JM1\JM1使用仪器索佳1030R 允许误差 角度闭合差<11"; 全长相对闭合差<1/35000仪器校验日期2010年4月16日图纸编号BJM10II-02-10-02-01-01-SS-JG-005A 施测日期2010年9月1日平面坐标依据北京城建勘测设计研究院2010测量010-56号DT[10Ⅱ]71\DT[10Ⅱ]72\JM1\JM1复测日期2010年9月6日编 号表C3-1工程名称地铁10号线二期工程 草桥站委托单位本表由建设单位、监理单位、施工单位、城建档案馆各保存一份。
专业技术负责人测量负责人复测人施测人定位抄测示意图;复测结果:冠梁顶标高(+13.900)与设计图一致,抄测点高程最大偏差2mm,测量闭合差为3mm,测量结果符合设计要求,测量误差在《城市轨道交通工程测量规范》允许的限差范围内。
签字栏建设(监理)单位施工(测量)单位中铁电气化局集团有限公司北京地铁十号线二期06标项目经理部测量人员岗位证书号考037-0004503考037-0004494高程依据北京城建勘测设计研究院2010测量010-56号DT[10Ⅱ]71\DT[10Ⅱ]72\JM1\JM1使用仪器索佳1030R 允许误差 角度闭合差<3mm仪器校验日期2010年4月16日图纸编号BJM10II-02-10-02-01-01-SS-JG-005A 施测日期2010年9月1日平面坐标依据北京城建勘测设计研究院2010测量010-56号DT[10Ⅱ]71\DT[10Ⅱ]72\JM1\JM1复测日期2010年9月6日编 号表C3-1工程名称地铁10号线二期工程 草桥站委托单位。
恒智天成广西建筑工程资料表格填写范例与指南一、、编制依据:《国家建筑工程施工质量验收规范广西应用手册》《广西住宅工程质量逐套验收管理规定》《建筑工程资料管理规程(JGJ/T185-2009)》二、配套资料软件:恒智天成广西建筑工程资料管理软件三、本书主要内容:本书共分5篇,内容如下:第1篇《建筑工程资料管理概述》:讲解资料管理的一般规定,给出范例工程“富卓花园广场8号楼”的工程概况、实际施工进度、参建人员等。
第2篇《质量管理与质量控制资料》:包含监理资料、施工管理资料、施工技术资料、施工测量记录、施工物资资料、施工记录、施工试验记录及检测报告的填表范例。
第3篇《建筑工程质量验收资料》:给出了实际工程“富卓花园广场8号楼”的全套质量验收资料,读者可以充分的感受实际工作中质量验收资料的编制过程。
第4篇《住宅工程逐套验收资料》:依据《广西住宅工程质量逐套验收管理暂行规定》的要求编制了“富卓花园广场8号楼”的逐套验收资料。
第5篇《资料管理信息化技术》:讲述广西建设工程质量安全监督总站与恒智天成(北京)软件技术有限公司联合开发的“广西建筑工程施工质量验收系统”第2代软件的功能及应用技巧。
目录第一篇建筑工程资料管理概述 (1)第1章建筑工程资料管理 (3)1.1 基本规定 (3)1.2 工程资料分类 (3)1.3 工程准备阶段文件 (4)1.4 监理资料 (6)1.5 施工资料 (7)1.5.1 施工资料的形成 (7)1.5.2 施工管理资料 (9)1.5.3 施工技术资料 (9)1.5.4 施工测量资料 (10)1.5.5 施工物资资料 (10)1.5.6 施工记录资料 (11)1.5.8 过程验收资料 (14)1.5.9 工程竣工质量验收资料 (14)1.6 竣工图编制 (15)1.7 工程资料收集、整理与组卷 (16)1.8 工程资料移交与归档 (17)第2章范例工程项目概况 (18)2.1 工程概况 (18)2.2 实际施工进度横道图 (23)2.3 建设工程质量人员从业资格审查表 (24)2.4 项目采用的企业标准 (27)第二篇质量管理与质量控制资料 (29)第1章工程准备阶段文件 (31)第2章监理资料 (33)2.1 承包单位用表 (34)2.1.1 工程开工复工报审表 (34)2.1.2 施工组织设计(方案)报审表 (37)2.1.3 分包单位资格报审表 (39)2.1.4 报验申请表 (41)2.1.5 工程款支付申请表 (48)2.1.6 监理工程师通知回复单 (50)2.1.7 工程临时延期申请表 (52)2.1.8 费用索赔申请表 (54)2.1.9 材料、构件、设备报审表 (56)2.1.10 工程竣工报验单 (58)2.1.11 砼浇筑申请报告单 (60)2.1.12 拆模申请报告 (62)2.1.13 工程变更单 (64)2.1.14 施工进度计划申报表 (66)2.1.15 施工测量放线报验单 (68)2.2 监理单位用表 (70)2.2.1 监理工程师通知单 (70)2.2.2 工程暂停令 (72)2.2.3 工程款支付证书 (74)2.2.4 工程临时延期审批表 (76)2.2.5 工程最终延期审批表 (78)2.2.6 费用索赔审批表 (80)2.2.7 监理工作联系单 (82)2.2.8 监理旁站记录 (84)2.2.9 竣工移交证书 (86)2.2.10 监理工作日记 (88)第3章施工资料 (90)3.1 施工管理资料 (90)3.1.2 施工日志 (93)3.1.3 建设工程质量事故报告单 (95)3.1.4 工程质量事故停工通知 (97)3.1.5 工程质量事故复工通知 (99)3.1.6 地基、基桩工程质量验收监督通知书 (101)3.1.7 基础工程质量验收监督通知书 (103)3.1.8 施工进度计划分析 (105)3.1.9 见证记录 (107)3.1.10 签证单 (109)3.2 施工技术资料 (111)3.2.1 图纸会审记录 (112)3.2.2 设计变更洽商记录 (114)3.2.3 设计交底会议纪要 (116)3.2.4 建筑工程技术交底单 (118)3.3 施工测量记录 (119)3.3.1 单位工程定位测量记录-A (120)3.3.2 单位工程定位测量记录-B (121)3.3.3 基槽验线记录 (123)3.3.4 混凝土垫层底(坑底)实测标高 (125)3.3.5 混凝土垫层(未作防水)面实测标高 (126)3.3.6 楼层平面放线记录 (127)3.3.7 楼层标高抄测记录 (133)3.3.8 建筑物室内高度测量记录 (135)3.3.9 建筑物垂直度、标高、全高测量记录 (137)3.3.10 单位工程垂直度测试记录 (140)3.3.11 沉降观测记录 (141)3.4 施工物资资料 (150)3.4.1 安装工程设备及主要材料产品质量证明文件汇总表 (151)3.4.2 安装工程分部(子分部)工程设备及主要材料进场监理检查记录 (153)3.4.3 安装工程重要材料进场抽检报告汇总表 (154)3.4.4 设备开箱检查记录 (155)3.4.5 安装工程检测计量器具一览表 (158)3.4.6 材料采购计划表 (159)3.4.7 钢材出厂合格证、试验报告汇总表 (161)3.4.8 钢筋焊接检验报告汇总表 (163)3.4.9 水泥出厂合格证、试验报告汇总表 (165)3.4.10 砌块(小型砌块、砖)出厂合格证、试验报告汇总表 (167)3.4.11 防水材料出厂合格证、试验报告汇总表 (169)3.4.12 管材出厂合格证汇总表 (171)3.4.13 预拌混凝土出厂合格证汇总表 (173)3.4.14 构件(配)件合格证汇总表 (175)3.5 施工记录 (177)3.5.1 隐蔽工程检查验收记录 (178)3.5.3 安装工程中间验收交接记录 (191)3.5.4 地基验槽记录 (193)3.5.5 地基处理记录 (195)3.5.6 地基钎探记录 (197)3.5.7 商品混凝土施工记录 (199)3.5.8 混凝土开盘鉴定记录 (200)3.5.9 混凝土搅拌测温记录 (202)3.5.10 混凝土养护测温记录 (204)3.5.11 大体积混凝土养护测温记录 (208)3.5.12 同条件养护试块测温记录 (211)3.5.13 焊接材料烘焙记录 (212)3.5.14 地下工程防水效果检查记录 (214)3.5.15 通风烟(道)、垃圾道检查记录 (216)3.5.16 补偿器安装记录 (218)3.6 施工试验记录及检测报告 (220)3.6.1 建筑与结构工程 (223)3.6.1.1 混凝土结构子分部工程结构实体钢筋保护层厚度验收记录 (223)3.6.1.2 混凝土结构子分部工程结构实体混凝土强度验收记录 (226)3.6.1.3 现浇混凝土板厚度检测及验收记录 (229)3.6.1.4 混凝土试块抗压强度统计及验收记录(非统计方法) (230)3.6.1.5 混凝土试块抗压强度统计及验收记录(统计方法) (231)3.6.1.6 砌筑砂浆试块抗压强度统计及验收记录 (235)3.6.1.7 混凝土试块试压报告汇总表 (236)3.6.1.8 结构实体同条件养护混凝土试块试压报告汇总表 (241)3.6.1.9 土工击实试验报告 (246)3.6.1.10 回填土试验报告 (248)3.6.2 给排水及采暖工程 (251)3.6.2.1 卫生器具满水和通水试验记录 (251)3.6.2.2 生活给水消毒记录 (253)3.6.2.3 室内消火栓试射试验记录 (255)3.6.2.4 管道通水试验记录 (257)3.6.2.5 室内给水管道通水试验记录 (258)3.6.2.6 室内暗装或埋地排水管道隐蔽前灌水试验记录 (260)3.6.2.7 室内雨水管道灌水试验记录 (261)3.6.2.8 室内排水管道灌水试验记录 (262)3.6.2.9 室内排水管道通球试验记录 (264)3.6.2.10 室外排水管道灌水及通水试验记录 (266)3.6.2.11 采暖管道系统试运行和调试记录 (269)3.6.2.12 系统清洗记录 (271)3.6.2.13 屋面淋水、蓄水试验记录 (274)3.6.2.14 厕所、阳台淋水、蓄水记录 (276)3.6.2.15 卫生器具数量及通水检查验收记录 (278)3.6.2.16 室内压力管道水压试验记录 (279)3.6.2.19 密闭水箱(罐)水压试验记录 (283)3.6.2.20 设备水压试验记录 (284)3.6.2.21 阀门安装前试验记录 (286)3.6.2.22 管道焊接检查记录 (288)3.6.2.23 管道水压试验记录 (290)3.6.2.24 管道系统冲洗记录 (291)3.6.2.25 水泵安装记录 (292)3.6.2.26 水泵检查试运转记录 (294)3.6.2.27 管道、设备强度试验记录 (296)3.6.2.28 锅炉封闭及烘炉(烘干)记录 (300)3.6.2.29 锅炉试运行记录 (301)3.6.3 建筑电气安装工程 (302)3.6.3.1 电缆敷设记录 (302)3.6.3.2 直埋电缆敷设记录 (304)3.6.3.3 高压电气装置交接试验记录 (306)3.6.3.4 漏电保护器模拟漏电测试记录 (308)3.6.3.5 防雷引下线连接记录 (310)3.6.3.6 电气绝缘电阻测试记录 (313)3.6.3.7 电气接地电阻测试记录 (315)3.6.3.8 大型灯具牢固性试验记录 (317)3.6.3.9 建筑物照明通电试运行记录 (319)3.6.3.10 电气设备送电验收记录 (321)3.6.3.11 电气器具数量及通电试运行检查验收记录 (323)3.6.3.12 电工巡视维修记录 (325)3.6.4 通风与空调安装工程 (326)3.6.4.1 风管制作检查记录 (326)3.6.4.2 风管安装检查记录 (328)3.6.4.3 风管系统漏风量测试及合格判别记录(风管式测试) (330)3.6.4.4 风管系统漏风量测试及合格判别记录(风室式测试) (331)3.6.4.5 制冷系统气密性、真空、充制冷剂及吹污试验记录 (333)3.6.4.6 风机盘管检查试验记录 (335)3.6.4.7 凝结水盘及管道充水试验记录 (337)3.6.4.8 冷却塔安装记录 (339)3.6.4.9 冷却塔检查试运转记录 (341)3.6.4.10 通风机、空调风机检查试运转记录 (343)3.6.4.11 制冷机组试运行记录 (345)3.6.4.12 防火(排烟)阀检查试验记录 (347)3.6.4.13 通风空调系统总风量测试记录 (349)3.6.4.14 风口风量测试调整记录 (351)3.6.4.15 消防加压送风系统测试记录 (353)3.6.4.16 室内空调空气参数测试记录 (355)3.6.4.17 净化空调系统测试记录 (357)3.6.4.18 空调水系统流量测试记录 (359)第三篇建筑工程质量验收资料 (363)第1章建筑工程质量验收表格填写说明 (365)1.1 施工现场质量管理检查记录 (365)1.2 检验批质量验收记录 (368)1.2.1 填写检验批质量验收记录 (368)1.2.2 检验批合格判定标准 (372)1.2.3 检验批评定过程举例 (374)1.3 分项工程质量验收记录 (377)1.4 子分部工程质量验收记录 (379)1.5 分部工程质量验收记录 (382)1.6 单位(子单位)工程质量竣工验收记录 (383)1.7 质量验收资料的时间交圈 (387)1.8 填写质量验收资料常见问题 (392)1.8.1 检验批施工执行标准名称和编号栏填写质量验收规范可以吗? (392)1.8.2 检验批表定性项目直接打“√”可以吗? (392)1.8.3 检验批表定量项目,无法填入实测数据,该怎么办? (394)1.8.4 检验批表定量项目10个格子都填满吗?不够用怎么办? (394)1.8.5 为什么模板安装、模板拆除检验批需要汇总到同一个分项工程? (396)1.8.6 模板分项是否参与分部子分部工程验收? (397)1.8.7 检验批等质量验收记录需要分包单位相关人员签字吗? (397)1.8.8 地下室结构是并入主体结构验收还是在地基基础分部验收? (398)1.9 检验批划分计划 (398)1.9.1 检验批划分原则 (398)1.9.2 检验批划分计划实例 (402)第2章某高层住宅工程全套质量验收资料实例 (431)2.1 单位(子单位)工程质量验收记录 (432)2.1.1 施工现场质量管理检查记录 (432)2.1.2 单位(子单位)工程质量竣工验收记录汇总表 (433)2.1.3 工程质量主要控制资料核查记录 (434)2.1.4 安全和功能检验资料核查及主要功能抽查记录 (436)2.1.5 观感质量检查记录 (437)2.2 地基与基础工程质量验收记录 (438)2.2.1 地基与基础分部工程质量验收记录 (438)2.2.2 有支护土方子分部工程质量验收记录 (439)2.2.3 土方开挖分项工程质量验收记录 (441)2.2.4 土方开挖检验批质量验收记录 (442)2.2.5 降水与排水分项工程质量验收记录 (443)2.2.6 1-20号轻型降水井点检验批质量验收记录() (444)2.2.7 (445)2.2.8 锚杆及土钉墙分项工程质量验收记录 (446)2.2.9 (-2.10至-3.55)检验批质量验收记录 (447)2.2.10 (-9.35至-10.80)检验批质量验收记录 (448)2.2.11 土方回填分项工程质量验收记录 (449)2.2.12 (-10.80至-2.90)检验批质量验收记录 (450)2.2.13 28灰土回填(-2.90至-2.30)检验批质量验收记录 (451)2.2.14 地基处理子分部工程质量验收记录 (452)2.2.15 水泥粉煤灰碎石桩复合地基分项工程质量验收记录 (454)2.2.16 1-44号CFG桩检验批质量验收记录 (455)2.2.17 257-300号CFG桩检验批质量验收记录 (456)2.2.18 地下防水子分部工程质量验收记录 (457)2.2.19 防水混凝土分项工程质量验收记录 (459)2.2.20 ①~⑩/ (460)2.2.21 负1/ (461)2.2.22 卷材防水层分项工程质量验收记录 (462)2.2.23 基础筏板下卷材水平防水层检验批质量验收记录 (463)2.2.24 负1层外墙卷材垂直防水层检验批质量验收记录 (464)2.2.25 地下防水细部构造分项工程质量验收记录 (465)2.2.26 基础筏板防水细部构造检验批质量验收记录 (466)2.2.27 负1层外墙卷材防水细部构造检验批质量验收记录 (467)2.2.28 混凝土基础子分部工程质量验收记录 (468)2.2.29 模板分项工程质量验收记录 (470)2.2.30 模板安装检验批质量验收记录(负2层①~⑩/) (471)2.2.31 模板安装检验批质量验收记录(负1/) (473)2.2.32 模板拆除检验批质量验收记录(负2层①~⑩/) (475)2.2.33 模板拆除检验批质量验收记录(负1/) (476)2.2.34 钢筋分项工程质量验收记录 (477)2.2.35 ①~⑩/ (478)2.2.36 负1/ (481)2.2.37 混凝土分项工程质量验收记录 (484)2.2.38 基础垫层砼检验批质量验收记录 (485)2.2.39 ①~⑩/ (487)2.2.40 负1/ (489)2.2.41 现浇基础分项工程质量验收记录 (491)2.2.42 基础垫层砼检验批质量验收记录 (492)2.2.43 ①~⑩/ (494)2.2.44 负1/ (496)2.3 主体结构工程质量验收记录 (498)2.3.1 主体结构分部工程质量验收记录 (498)2.3.2 混凝土结构子分部工程质量验收记录 (500)2.3.3 模板分项工程质量验收记录 (502)2.3.4 1层①~⑩/ (504)2.3.5 1层①~⑩/ (506)2.3.6 1层①~⑩/ (508)2.3.7 1层①~⑩/ (509)2.3.8 钢筋分项工程质量验收记录 (510)2.3.9 1层①~⑩/ (512)2.3.10 1层①~⑩/ (515)2.3.11 混凝土分项工程质量验收记录 (518)2.3.12 1层①~⑩/ (520)2.3.13 1层①~⑩/ (522)2.3.14 现浇结构分项工程质量验收记录 (524)2.3.15 1层①~⑩/ (526)2.3.16 1层①~⑩/ (528)2.3.17 砌体结构子分部工程质量验收记录 (530)2.3.18 填充墙砌体分项工程质量验收记录 (532)2.3.19 21-23层填充墙砌体检验批质量验收记录 (533)2.4 建筑装饰装修工程质量验收记录 (534)2.4.1 建筑装饰装修分部工程质量验收记录 (534)2.4.2 地面子分部工程质量验收记录 (535)2.4.3 找平层分项工程质量验收记录 (537)2.4.4 23-21层厨卫间地面找平层检验批质量验收记录 (538)2.4.5 隔离层分项工程质量验收记录 (539)2.4.6 23-21层厨卫间地面隔离层检验批质量验收记录 (540)2.4.7 实木复合地板面层分项工程质量验收记录 (541)2.4.8 1单元23-21层木地板检验批质量验收记录 (542)2.4.9 水泥混凝土面层分项工程质量验收记录 (543)2.4.10 23-21层卧室书房地面水泥砼面层(搓麻)检验批质量验收记录 (544)2.4.11 砖面层分项工程质量验收记录 (545)2.4.12 23-21层厨卫间地砖检验批质量验收记录 (547)2.4.13 23-21层客厅地砖检验批质量验收记录 (548)2.4.14 1单元23-16层楼梯间地砖检验批质量验收记录 (549)2.4.15 抹灰子分部工程质量验收记录 (550)2.4.16 一般抹灰分项工程质量验收记录 (552)2.4.17 23-21层顶棚普通抹灰检验批质量验收记录 (554)2.4.18 23-21层内墙面普通抹灰检验批质量验收记录 (556)2.4.19 门窗子分部工程质量验收记录 (558)2.4.20 木门窗制作与安装分项工程质量验收记录 (560)2.4.21 1单元23-21层木门安装检验批质量验收记录 (562)2.4.22 金属门窗安装分项工程质量验收记录 (564)2.4.23 1单元负1-负2层储藏间钢门检验批质量验收记录 (565)2.4.24 塑料门窗安装分项工程质量验收记录 (567)2.4.25 1单元23-21层塑料外窗安装检验批质量验收记录 (569)2.4.26 特种门安装分项工程质量验收记录 (571)2.4.27 1单元23-12层防火门、分户门检验批质量验收记录 (572)2.4.28 门窗玻璃安装分项工程质量验收记录 (573)2.4.29 1单元23-21层外窗玻璃安装检验批质量验收记录 (575)2.4.30 吊顶子分部工程质量验收记录 (576)2.4.31 暗龙骨吊顶分项工程质量验收记录 (578)2.4.32 1单元23-17层厨卫间金属板吊顶检验批质量验收记录 (579)2.4.33 轻质隔墙子分部工程质量验收记录 (580)2.4.34 玻璃隔墙分项工程质量验收记录 (582)2.4.36 饰面板(砖)子分部工程质量验收记录 (584)2.4.37 饰面砖粘贴分项工程质量验收记录 (586)2.4.38 23-21层厨卫间墙面砖检验批质量验收记录 (587)2.4.39 涂饰子分部工程质量验收记录 (588)2.4.40 水性涂料涂饰分项工程质量验收记录 (589)2.4.41 23-21层外墙面普通涂饰检验批质量验收记录 (591)2.4.42 1单元23-21层内墙面普通涂饰检验批质量验收记录 (592)2.4.43 裱糊与软包子分部工程质量验收记录 (593)2.4.44 裱糊分项工程质量验收记录 (594)2.4.45 1单元23-17层客厅电视背景墙壁纸检验批质量验收记录 (595)2.4.46 软包分项工程质量验收记录 (596)2.4.47 1单元23-17层客厅电视背景墙软包检验批质量验收记录 (597)2.4.48 细部子分部工程质量验收记录 (598)2.4.49 橱柜制作与安装分项工程质量验收记录 (600)2.4.50 1单元23-21层橱柜安装检验批质量验收记录 (601)2.4.51 窗帘盒、窗台板和散热器罩制作与安装分项工程质量验收记录 (602)2.4.52 1单元23-21层窗帘盒安装检验批质量验收记录 (604)2.4.53 门窗套制作与安装工程分项工程质量验收记录 (605)2.4.54 1单元23-21层门套安装检验批质量验收记录 (607)2.4.55 护栏和扶手制作与安装分项工程质量验收记录 (608)2.4.56 1单元楼梯栏杆和扶手制安检验批质量验收记录 (609)2.5 建筑屋面工程质量验收记录 (610)2.5.1 建筑屋面分部工程质量验收记录 (610)2.5.2 卷材防水屋面子分部工程质量验收记录 (611)2.5.3 屋面找平层分项工程质量验收记录 (613)2.5.4 / (614)2.5.5 屋面保温层分项工程质量验收记录 (615)2.5.6 / (616)2.5.7 卷材防水层分项工程质量验收记录 (617)2.5.8 / (618)2.5.9 细部构造分项工程质量验收记录 (619)2.5.10 / (620)2.6 建筑给水排水及采暖工程质量验收记录 (622)2.6.1 建筑给水排水及采暖分部工程质量验收记录 (622)2.6.2 室内给水系统子分部工程质量验收记录 (623)2.6.3 室内给水管道及配件安装分项工程质量验收记录 (625)2.6.4 1单元负1层给水水平干管安装检验批质量验收记录 (627)2.6.5 1单元低区给水立管DJL-1安装检验批质量验收记录 (629)2.6.6 1单元23-21层给水支管安装检验批质量验收记录 (631)2.6.7 室内消火栓系统安装分项工程质量验收记录 (633)2.6.8 1单元消火栓系统检验批质量验收记录 (634)2.6.9 室内排水系统子分部工程质量验收记录 (635)2.6.10 室内排水管道及配件安装分项工程质量验收记录 (637)2.6.12 1单元排水立管安装检验批质量验收记录 (642)2.6.13 1单元23-21层排水支管安装检验批质量验收记录 (645)2.6.14 雨水管道及配件安装分项工程质量验收记录 (648)2.6.15 1单元雨水管道及配件安装检验批质量验收记录 (649)2.6.16 室内热水供应系统子分部工程质量验收记录 (650)2.6.17 室内热水管道及配件安装分项工程质量验收记录 (652)2.6.18 1单元23-21层户内热水管道安装检验批质量验收记录 (653)2.6.19 卫生器具安装子分部工程质量验收记录 (654)2.6.20 卫生器具安装分项工程质量验收记录 (656)2.6.21 1单元23-21层卫生器具安装检验批质量验收记录 (658)2.6.22 卫生器具给水配件安装分项工程质量验收记录 (659)2.6.23 1单元23-21层卫生器具给水配件安装检验批质量验收记录 (661)2.6.24 卫生器具排水管道安装分项工程质量验收记录 (662)2.6.25 1单元23-21层卫生器具排水管道安装检验批质量验收记录 (664)2.7 建筑电气工程质量验收记录 (665)2.7.1 建筑电气分部工程质量验收记录 (665)2.7.2 电气动力子分部工程质量验收记录 (666)2.7.3 成套配电柜、控制柜(屏、台)和动力、照明配电箱(盘)安装分项工程质量验收记录 (668)2.7.4 负1层动力成套柜安装检验批质量验收记录 (669)2.7.5 低压电动机、电加热器及电动执行机构检查接线分项工程质量验收记录 (671)2.7.6 负1-负2层低压电动机接线检验批质量验收记录 (672)2.7.7 低压电气动力设备试验和试运行分项工程质量验收记录 (673)2.7.8 负1-负2层低压电动机试运行检验批质量验收记录 (674)2.7.9 电缆桥架安装和桥架内电缆敷设分项工程质量验收记录 (676)2.7.10 1单元电气竖井强电梯架及电缆检验批质量验收记录 (677)2.7.11 电线、电缆穿管和线槽敷线分项工程质量验收记录 (679)2.7.12 负1层钢导管内敷动力线检验批质量验收记录 (680)2.7.13 电缆头制作、接线和线路绝缘测试分项工程质量验收记录 (681)2.7.14 负1层动力成套柜及配电箱检验批质量验收记录 (682)2.7.15 插座、开关、风扇安装分项工程质量验收记录 (683)2.7.16 负1层强电间开关插座安装检验批质量验收记录 (684)2.7.17 电气照明安装子分部工程质量验收记录 (685)2.7.18 成套配电柜、控制柜(屏、台)和动力、照明配电箱(盘)安装分项工程质量验收记录. 687 2.7.19 1单元竖井内照明配电箱安装检验批质量验收记录 (689)2.7.20 电线导管、电缆导管和线槽敷设分项工程质量验收记录 (691)2.7.21 负1层①~⑩/ (693)2.7.22 电线、电缆穿管和线槽敷线分项工程质量验收记录 (695)2.7.23 1单元23-21层照明电线敷设检验批质量验收记录 (697)2.7.24 电缆头制作、接线和线路绝缘测试分项工程质量验收记录 (698)2.7.25 负1层照明成套柜检验批质量验收记录 (700)2.7.26 普通灯具安装分项工程质量验收记录 (701)2.7.27 1单元23-21层普通灯具安装检验批质量验收记录 (703)2.7.28 专用灯具安装分项工程质量验收记录 (705)2.7.30 建筑物景观照明灯、障碍标志灯和庭院灯安装分项工程质量验收记录 (708)2.7.31 屋顶航空标志灯检验批质量验收记录 (709)2.7.32 插座、开关、风扇安装分项工程质量验收记录 (710)2.7.33 1单元23-21层开关插座安装检验批质量验收记录 (712)2.7.34 建筑物照明通电试运行分项工程质量验收记录 (713)2.7.35 1单元照明通电试运行检验批质量验收记录 (714)2.7.36 防雷及接地安装子分部工程质量验收记录 (715)2.7.37 接地装置安装分项工程质量验收记录 (717)2.7.38 接地装置安装检验批质量验收记录 (718)2.7.39 避雷引下线和变配电室接地干线敷设分项工程质量验收记录 (719)2.7.40 1层①~⑩/ (720)2.7.41 建筑物等电位联结分项工程质量验收记录 (722)2.7.42 负1层强电间、弱电间等电位连接检验批质量验收记录 (723)2.7.43 接闪器安装分项工程质量验收记录 (724)2.7.44 屋面接闪器安装检验批质量验收记录 (725)2.8 智能建筑工程质量验收记录 (726)2.8.1 智能建筑分部工程质量验收记录 (726)2.8.2 火灾自动报警及消防联动系统子分部工程质量验收记录 (727)2.8.3 火灾自动报警及消防联动系统分项工程质量验收记录 (728)2.8.4 1单元火灾自动报警及消防联动检验批质量验收记录 (729)2.8.5 安全防范系统子分部工程质量验收记录 (730)2.8.6 访客对讲子系统分项工程质量验收记录 (732)2.8.7 1单元访客对讲系统检验批质量验收记录 (733)2.8.8 综合布线系统子分部工程质量验收记录 (734)2.8.9 综合布线安装分项工程质量验收记录 (736)2.8.10 负1层弱电间及弱电干线检验批质量验收记录 (738)2.8.11 综合布线性能检测分项工程质量验收记录 (741)2.8.12 1单元综合布线性能检测检验批质量验收记录 (742)2.8.13 家庭控制器子分部工程质量验收记录 (743)2.8.14 家庭控制器分项工程质量验收记录 (744)2.8.15 1单元家庭控制器检验批质量验收记录 (745)2.9 通风与空调工程质量验收记录 (746)2.9.1 通风与空调分部工程质量验收记录 (746)2.9.2 送排风系统子分部工程质量验收记录 (747)2.9.3 通风机安装分项工程质量验收记录 (749)2.9.4 1单元屋顶正压送风机检验批质量验收记录 (750)2.9.5 2单元屋顶正压送风机检验批质量验收记录 (751)2.9.6 系统调试分项工程质量验收记录 (752)2.9.7 1、2单元屋顶正压送风机调试检验批质量验收记录 (753)2.9.8 防排烟系统子分部工程质量验收记录 (756)2.9.9 通风机安装分项工程质量验收记录 (758)2.9.10 1单元负1层排烟风机检验批质量验收记录 (759)2.9.11 1单元负2层排烟风机检验批质量验收记录 (760)2.9.13 2单元负2层排烟风机检验批质量验收记录 (762)2.9.14 系统调试分项工程质量验收记录 (763)2.9.15 地下室排烟风机调试检验批质量验收记录 (764)2.10 电梯工程质量验收记录 (767)2.10.1 电梯分部工程质量验收记录 (767)2.10.2 电力驱动的曳引式或强制式电梯安装子分部工程质量验收记录 (768)2.10.3 1#电梯设备进场质量验收记录 (770)2.10.4 1#电梯土建交接检验质量验收记录 (771)2.10.5 1#电梯驱动主机安装质量验收记录 (773)2.10.6 1#电梯导轨安装质量验收记录 (774)2.10.7 1#电梯门系统安装质量验收记录 (775)2.10.8 1#电梯轿厢安装质量验收记录 (776)2.10.9 1#电梯安全部件安装质量验收记录 (777)2.10.10 1#电梯悬挂装置、随行电缆、补偿装置质量验收记录 (778)2.10.11 1#电梯电气装置安装质量验收记录 (779)2.10.12 1#电梯整机安装质量验收记录 (780)2.11 建筑节能工程质量验收记录 (782)2.11.1 建筑节能分部工程质量验收记录 (782)2.11.2 墙体节能子分部工程质量验收记录 (783)2.11.3 23-16层外墙面保温材料检验批质量验收记录 (786)2.11.4 23-21层外墙面保温板安装检验批质量验收记录 (787)2.11.5 23-21层外墙面饰面检验批质量验收记录 (788)2.11.6 门窗节能子分部工程质量验收记录 (790)2.11.7 23-21层外窗节能检验批质量验收记录 (792)2.11.8 屋面节能子分部工程质量验收记录 (794)2.11.9 屋面保温隔热层检验批质量验收记录 (796)2.11.10 通风与空调节能子分部工程质量验收记录 (798)2.11.11 地下室排烟机及屋顶正压风机检验批质量验收记录 (800)2.11.12 配电与照明节能子分部工程质量验收记录 (801)2.11.13 1单元配电与照明节能检验批质量验收记录 (803)第四篇住宅工程逐套验收资料 (805)第1章住宅工程质量逐套验收有关规定 (807)1.1 逐套验收的意义 (807)1.2 逐套验收有关规定 (807)第2章编制单位工程质量逐套验收实施方案 (811)2.1 编制依据 (811)2.2 工程概况 (811)2.2.1 工程概况表 (811)2.2.2 标准层平面图及单元户型编号说明 (812)2.3 逐套质量验收组织机构及专业检查组分工表 (813)2.3.1 逐套质量验收组织机构 (813)2.3.2 专业检查组项目逐套验收工作任务分工表 (813)2.4 逐套验收人员岗位责任制 (814)2.4.1 项目逐套验收领导小组有关人员岗位责任制 (814)2.4.2 项目逐套验收专业检查组有关人员岗位责任制 (814)2.5 户型设计做法表 (815)2.5.1 E1户型设计做法表 (815)2.5.2 A2、A2’户型设计做法表 (816)2.5.3 F2户型设计做法表 (817)2.5.4 E2户型设计做法表 (818)2.5.5 C2、C2’户型设计做法表 (818)2.5.6 D4户型设计做法表 (819)2.6 逐套验收分项内容和抽查点平面图绘制计划 (820)2.6.1 土建工程逐套验收检验批项目和抽查点平面图制计划 (820)2.6.2 水电工程逐套验收检验批项目和抽查点平面图制计划 (821)2.6.3 各户型逐套验收检查项目及工作量 (821)2.7 住宅工程质量逐套验收操作基本程序和要求 (822)2.8 逐套验收质量与安全保证措施 (823)2.8.1 住宅工程质量逐套验收质量保证措施 (823)2.8.2 住宅工程质量逐套验收安全保证措施 (823)2.9 逐套验收质量监督措施 (824)2.10 逐套验收进度计划 (824)2.11 逐套验收测量工具准备计划 (825)2.11.1 土建组逐套验收工具计划 (825)2.11.2 水电组检查逐套验收工具计划 (825)2.12 工程装修部位设计要求和施工验收条件 (826)第3章住宅工程质量逐套验收资料实例 (828)3.1 单位工程质量逐套验收资料封面 (829)3.2 单位工程质量逐套验收资料卷内目录 (830)3.3 单位工程质量逐套验收实施方案 (831)3.4 单位工程逐套验收汇总表(表三) (832)3.5 (8-1-301)套住宅质量逐套验收资料 (833)3.5.1 封面 (833)3.5.2 (8-1-301)套住宅工程质量逐套验收表(表一) (834)3.5.3 (8-1-301)套住宅逐套验收汇总表(表二) (835)3.5.4 (8-1-301)套住宅工程质量逐套验收记录表 (836)3.5.4.1 表1-1室内净高、开间净尺寸逐套验收记录表 (836)3.5.4.2 表2-2 塑料门窗及玻璃安装质量逐套验收记录表 (839)3.5.4.3 表2-3 木门窗及玻璃安装质量逐套验收记录表 (842)3.5.4.4 表3-1 一般抹灰工程施工质量逐套验收记录表 (845)3.5.4.5 表3-3 地面砖面层施工质量逐套验收记录表 (849)3.5.4.6 表3-4 饰面砖粘贴工程质量逐套验收记录表 (852)3.5.4.7 表3-5 实木复合地板面层质量逐套验收记录表 (855)3.5.4.8 表4-1 防水工程施工质量逐套验收记录表 (858)3.5.4.9 表5-1 室内给排水管道、卫生间具及配件安装质量逐套验收记录表 (861)3.5.4.10 表6-1 开关、插座、照明配电箱安装质量逐套验收记录表 (865)3.5.4.11 表7-1 护栏和扶手制作与安装质量逐套验收记录表 (869)。
单位工程定位测量记录按以下要求填写:1、坐标依据:填写由设计给定的建筑物与周边相邻建(构)筑物的位置尺寸关系,或新旧建筑物的角点坐标数值。
高程填写依据由设计给定的高程控制水准点表示。
2、使用仪器:应填写仪器名称和计量检测编号及有效日期。
3、定位示意图:图的右上方标注出方向指示标志,一般情况下按上北下南标注。
同时标注高程测量据点BM点或某指定点距待测建筑物的纵横向距离.如采用与相邻建(构)筑物作工程定位时,应标注出待测建筑物与原有建筑物的纵横向距离尺寸,一般均以边线—边线作为定位尺寸。
待测建筑物轮廓线以粗实线表示,其他均以细实线表示。
待测建筑物轮廓线内应标注±0.00=(绝对标高)。
待测建筑物应标注两个方向的轴线及尺寸线.4、“水准点编号与标高"栏“相对”与“绝对”分别填写水准点相对于待测建筑物±0.00的相对高和水准点绝对标高。
“设计标高”栏中“相对"填写±0。
00,“绝对"填写待测建筑物绝对标高。
“纵横向尺寸表示方法”栏填写“外边线~外边线(或轴线~外边线、轴线~轴线)。
奖励施工测量记录填写要求-工程定位测量记录Izzie 发布于2012—09—25 浏览191人次A、工程定位测量主要有建筑物位置线、现场标准水准点、坐标点(包括场地控制网或建筑物控制网、标准轴线桩等).测绘部门根据建设工程规划许可证(含附件、附图)批准的建筑工程位置及标高依据,测定出建筑物红线桩。
有关测量的规定:1)、建筑物位置线:施工测量单位(指专业测量单位)应根据测绘部门提供的放线成果、红线桩及场地控制网(或建筑物控制网),测定建筑物的位置,主控轴线及尺寸,作出平面控制网,绘制成图。
2)、标准水准点:标准水准点由规划部门提供,用来作为引入拟建建筑标高的水准点,一般为2~3点,在使用前必须进行校核,测定建筑物±0。
000绝对高程。
定位测量检查内容含:a、校核标准轴线桩点、平面控制网;b、校核引进现场施工用水准点;c、检查计算资料及成果,填写工程定位测量记录报监理单位审核.B、填写要求:1)、工程定位测量必须附加计算成果、依据资料、标准轴线桩及平面控制网示意图。
本表由建设单位、监理单位、施工单位、城建档案馆各保存一份。
专业技术负责人测量负责人复测人施测人定位抄测示意图;复测结果:结构控制桩位置坐标与设计图一致,放样点平面坐标最大偏差2mm,测量闭合差为5",测量结果符合设计要求,测量误差在《 城市轨道交通工程测量规范》允许的限差范围内。
签字栏建设(监理)单位施工(测量)单位中铁电气化局集团有限公司北京地铁十号线二期06标项目经理部测量人员岗位证书号考037-0004503考037-0004494高程依据北京城建勘测设计研究院2010测量010-56号DT[10Ⅱ]71\DT[10Ⅱ]72\JM1\JM1使用仪器索佳1030R 允许误差 角度闭合差<11"; 全长相对闭合差<1/35000仪器校验日期2010年4月16日图纸编号BJM10II-02-10-02-01-01-SS-JG-005A 施测日期2010年9月1日平面坐标依据北京城建勘测设计研究院2010测量010-56号DT[10Ⅱ]71\DT[10Ⅱ]72\JM1\JM1复测日期2010年9月6日编 号表C3-1工程名称地铁10号线二期工程 草桥站委托单位本表由建设单位、监理单位、施工单位、城建档案馆各保存一份。
专业技术负责人测量负责人复测人施测人定位抄测示意图;复测结果:冠梁顶标高(+13.900)与设计图一致,抄测点高程最大偏差2mm,测量闭合差为3mm,测量结果符合设计要求,测量误差在《城市轨道交通工程测量规范》允许的限差范围内。
签字栏建设(监理)单位施工(测量)单位中铁电气化局集团有限公司北京地铁十号线二期06标项目经理部测量人员岗位证书号考037-0004503考037-0004494高程依据北京城建勘测设计研究院2010测量010-56号DT[10Ⅱ]71\DT[10Ⅱ]72\JM1\JM1使用仪器索佳1030R 允许误差 角度闭合差<3mm仪器校验日期2010年4月16日图纸编号BJM10II-02-10-02-01-01-SS-JG-005A 施测日期2010年9月1日平面坐标依据北京城建勘测设计研究院2010测量010-56号DT[10Ⅱ]71\DT[10Ⅱ]72\JM1\JM1复测日期2010年9月6日编 号表C3-1工程名称地铁10号线二期工程 草桥站委托单位。
本表由建设单位、监理单位、施工单位、城建档案馆各保存一份。
专业技术负责人测量负责人复测人施测人定位抄测示意图;复测结果:结构控制桩位置坐标与设计图一致,放样点平面坐标最大偏差2mm,测量闭合差为5",测量结果符合设计要求,测量误差在《 城市轨道交通工程测量规范》允许的限差范围内。
签字栏建设(监理)单位施工(测量)单位中铁电气化局集团有限公司北京地铁十号线二期06标项目经理部测量人员岗位证书号考037-0004503考037-0004494高程依据北京城建勘测设计研究院2010测量010-56号DT[10Ⅱ]71\DT[10Ⅱ]72\JM1\JM1使用仪器索佳1030R 允许误差 角度闭合差<11"; 全长相对闭合差<1/35000仪器校验日期2010年4月16日图纸编号BJM10II-02-10-02-01-01-SS-JG-005A 施测日期2010年9月1日平面坐标依据北京城建勘测设计研究院2010测量010-56号DT[10Ⅱ]71\DT[10Ⅱ]72\JM1\JM1复测日期2010年9月6日编 号表C3-1工程名称地铁10号线二期工程 草桥站委托单位本表由建设单位、监理单位、施工单位、城建档案馆各保存一份。
专业技术负责人测量负责人复测人施测人定位抄测示意图;复测结果:冠梁顶标高(+13.900)与设计图一致,抄测点高程最大偏差2mm,测量闭合差为3mm,测量结果符合设计要求,测量误差在《城市轨道交通工程测量规范》允许的限差范围内。
签字栏建设(监理)单位施工(测量)单位中铁电气化局集团有限公司北京地铁十号线二期06标项目经理部测量人员岗位证书号考037-0004503考037-0004494高程依据北京城建勘测设计研究院2010测量010-56号DT[10Ⅱ]71\DT[10Ⅱ]72\JM1\JM1使用仪器索佳1030R 允许误差 角度闭合差<3mm仪器校验日期2010年4月16日图纸编号BJM10II-02-10-02-01-01-SS-JG-005A 施测日期2010年9月1日平面坐标依据北京城建勘测设计研究院2010测量010-56号DT[10Ⅱ]71\DT[10Ⅱ]72\JM1\JM1复测日期2010年9月6日编 号表C3-1工程名称地铁10号线二期工程 草桥站委托单位。
1.工程定位测量记录表中,抄测结果怎样填写工程定位测量主要包括测设建筑物位置线、现场标准水准点、坐标点(包括场地控制网或建筑物控制网、标准轴线桩等)。
测绘部门根据《建设工程规划许可证》(含附件、附图)批准的建筑工程位置及标高依据,测定出建筑物红线桩。
施工测量单位应根据测绘部门提供的放线成果、红线桩及场地控制网(或建筑物控制网),测定建筑物位置、主控轴线及尺寸,做出平面控制网并绘制成图。
①校核标准轴线桩点、平面控制网。
②校核引进现场施工用水准点。
2.求“单位工程坐标定位测量记录表”填写范例,要有图哦工程定位测量记录填表说明:1、平面坐标依据、高程依据:应由规划部门提供,以规划部门钉桩坐标为水准点、坐标点、红线桩、周边原有建筑物等采用适当比例绘制在此栏内。
(2)坐标、高程依据要标注引出位置,并标出它与建筑物的关系。
(3)特殊情况下,可不按比例,只画示意图,但要标出主要轴线尺寸。
同时注明±0.000绝对高程。
4、复测结果:此栏必须填写复测的具体数字,不能只写"合格"或"不合格"。
3.建筑工程定位测量记录填写要求有哪些总的来说工程测量一般要的数据是X,Y,Z,即坐标x,y和高程z。
不同的测量工作记录的内容也不同。
水准测量手簿记录如果用的是铟钢尺测的话,记录的是主尺和辅尺的读数,点号。
测斜记录则要记录倾斜的方向和长度。
全站仪测量则是记录坐标x,y和高程z,以及水平距离,斜距,仪器高,镜高,天顶距,点号等有用数据。
钢尺测量主要记录钢尺读数角度测量记录的是盘左观测和盘右观测的观测值等等···。
单位工程定位测量记录表—A
测量日期:年月日
单位工程名称杭淠湾小区52#楼工程建设单位定位依据资料六安市规划局提供的定位点
平面定位标准点坐标
引入导线
角度和长度
α<±26〃
起点为建(构)
筑物的轴
1~10×A~E轴
简图(附指北针示意):
测量员:施工单位检查意见:
(1)经核对:上述楼座坐标、规划总图、施工图一致;
(2)实测楼座桩后,经复测最大误差在±3mm 以内,角度小于±10〃。
项目专业技术负责人:
年月日
精选文档
监理(或建设)单位检查意见:
监理工程师:
(或建设单位项目专业技术负责人)
年月日
单位工程定位测量记录表—A
施工单位:江苏省盐阜建设集团有限公司测量日期:年月日
单位工程名称杭淠湾小区53#楼工程建设单位定位依据资料六安市规划局提供的定位点
平面定位标准点坐标
引入导线
角度和长度
α<±26〃
起点为建(构)
筑物的轴
1~10×A~E轴
简图(附指北针示意):
测量员:施工单位检查意见:
(1)经核对:上述楼座坐标、规划总图、施工图一致;
(2)实测楼座桩后,经复测最大误差在±3mm 以内,角度小于±10〃。
精选文档
精选文档。