C3-1工程定位测量记录
- 格式:pdf
- 大小:174.64 KB
- 文档页数:1
***监制
工程定位测量记录
签 字 栏
监理(建设)单位
专业技术负责人
测量负责人复测人施测人×××
×××
×××
×××
××× 定位抄测示意图: 复测结果:
1.1/G:1~20边+2mm,G~A边+1mm,角+5″。
2.20/A:20~1边+1mm, A~G边+1mm,角+6″。
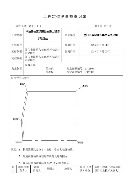
测量结果符合要求,测量误差在《工程测量规范》(GB 50026-2007)允许的限差范围内。
施工(测量)单位
××建设集团有限
公司测量人员岗位
证书号×××高程依据××测绘院××普测××号使用仪器电子全站仪(DT202C)
水准仪(S3)允许误差角度闭合差<5
全长相对闭合差≤1/35000
仪器校验日期
201×年××月××日
图纸编号总平面图、首层建筑平面图施测日期201×年××月××日平面坐标依据××测绘院××普测××号复测日期201×年××月××日JJ-043-001
工程名称工程资料样表
委托单位××建设集团有限公司。
消防材料库工程定位测量放线记录日期:20XX年XX月XX日地点:XXXX省XX市XXX区XX路XX号消防材料库工程一、背景:本次测量放线是为了消防材料库工程的定位,确保建设过程中的准确性和精度。
二、测量目的:1.确定消防材料库工程的实际位置和边界。
2.为消防材料库工程的施工提供参考基点和线。
3.放线后,对实际位置进行验证。
三、测量工具和设备:1.全站仪:用于测量角度和距离。
2.五米测杆:用于测量高度差。
3.钉子和线:用于放线。
四、测量方法:1.将全站仪设置在测量基点,进行初始校正。
2.根据工程设计图纸,确定起点和放线方向。
3.在起点处使用钉子固定标示点,并使用全站仪进行测量定位。
4.根据设计要求,测量出基点之间的距离,并在地面上使用线进行标注。
5.按照设计要求,放线出消防材料库工程的边界,并使用钉子固定标示点。
6.测量各个角点的坐标和高程,并进行记录。
7.确定放线结果是否符合设计要求。
五、测量数据记录:1.基点测量数据:基点1:X=XXXX.X米,Y=XXXX.X米,Z=XXXX.X米基点2:X=XXXX.X米,Y=XXXX.X米,Z=XXXX.X米基点3:X=XXXX.X米,Y=XXXX.X米,Z=XXXX.X米2.边界测量数据:边界1:X=XXXX.X米,Y=XXXX.X米,Z=XXXX.X米边界2:X=XXXX.X米,Y=XXXX.X米,Z=XXXX.X米边界3:X=XXXX.X米,Y=XXXX.X米,Z=XXXX.X米六、测量结果分析:1.根据测量数据,测量结果与设计要求相符。
2.放线结果的准确性得到验证。
七、存在问题与改进:1.测量过程中存在测量误差,应增加对测量仪器的准确性检查和校准。
2.放线过程中,应加强标示点的固定,避免受到外界干扰。
八、结论:本次消防材料库工程的定位放线工作顺利完成,测量结果符合设计要求,为后续的施工提供了参考基点和线。
同时,对测量仪器的准确性和放线过程中的固定松弛问题也有所认识,将在后续的工作中加以改进。
本表由建设单位、监理单位、施工单位、城建档案馆各保存一份。
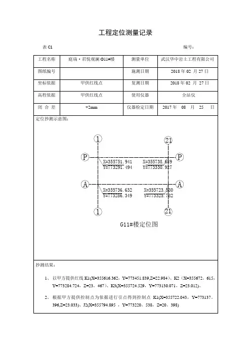
专业技术负责人测量负责人复测人施测人定位抄测示意图;复测结果:结构控制桩位置坐标与设计图一致,放样点平面坐标最大偏差2mm,测量闭合差为5",测量结果符合设计要求,测量误差在《 城市轨道交通工程测量规范》允许的限差范围内。
签字栏建设(监理)单位施工(测量)单位中铁电气化局集团有限公司北京地铁十号线二期06标项目经理部测量人员岗位证书号考037-0004503考037-0004494高程依据北京城建勘测设计研究院2010测量010-56号DT[10Ⅱ]71\DT[10Ⅱ]72\JM1\JM1使用仪器索佳1030R 允许误差 角度闭合差<11"; 全长相对闭合差<1/35000仪器校验日期2010年4月16日图纸编号BJM10II-02-10-02-01-01-SS-JG-005A 施测日期2010年9月1日平面坐标依据北京城建勘测设计研究院2010测量010-56号DT[10Ⅱ]71\DT[10Ⅱ]72\JM1\JM1复测日期2010年9月6日编 号表C3-1工程名称地铁10号线二期工程 草桥站委托单位本表由建设单位、监理单位、施工单位、城建档案馆各保存一份。
专业技术负责人测量负责人复测人施测人定位抄测示意图;复测结果:冠梁顶标高(+13.900)与设计图一致,抄测点高程最大偏差2mm,测量闭合差为3mm,测量结果符合设计要求,测量误差在《城市轨道交通工程测量规范》允许的限差范围内。
签字栏建设(监理)单位施工(测量)单位中铁电气化局集团有限公司北京地铁十号线二期06标项目经理部测量人员岗位证书号考037-0004503考037-0004494高程依据北京城建勘测设计研究院2010测量010-56号DT[10Ⅱ]71\DT[10Ⅱ]72\JM1\JM1使用仪器索佳1030R 允许误差 角度闭合差<3mm仪器校验日期2010年4月16日图纸编号BJM10II-02-10-02-01-01-SS-JG-005A 施测日期2010年9月1日平面坐标依据北京城建勘测设计研究院2010测量010-56号DT[10Ⅱ]71\DT[10Ⅱ]72\JM1\JM1复测日期2010年9月6日编 号表C3-1工程名称地铁10号线二期工程 草桥站委托单位。
工程定位测量记录
工程定位测量记录
山东省建设工程质量监督总站监制工程定位测量记录
山东省建设工程质量监督总站监制工程定位测量记录
山东省建设工程质量监督总站监制工程定位测量记录
山东省建设工程质量监督总站监制工程定位测量记录
山东省建设工程质量监督总站监制工程定位测量记录
山东省建设工程质量监督总站监制工程定位测量记录
山东省建设工程质量监督总站监制工程定位测量记录
山东省建设工程质量监督总站监制工程定位测量记录
山东省建设工程质量监督总站监制工程定位测量记录
山东省建设工程质量监督总站监制工程定位测量记录
山东省建设工程质量监督总站监制工程定位测量记录
山东省建设工程质量监督总站监制工程定位测量记录
山东省建设工程质量监督总站监制工程定位测量记录
山东省建设工程质量监督总站监制工程定位测量记录
山东省建设工程质量监督总站监制工程定位测量记录
山东省建设工程质量监督总站监制工程定位测量记录
山东省建设工程质量监督总站监制工程定位测量记录
山东省建设工程质量监督总站监制。