接触网拉出值 [接触网工程管理概预算]
- 格式:doc
- 大小:17.00 KB
- 文档页数:3
接触网拉出值测量和调整的流程下载温馨提示:该文档是我店铺精心编制而成,希望大家下载以后,能够帮助大家解决实际的问题。
文档下载后可定制随意修改,请根据实际需要进行相应的调整和使用,谢谢!并且,本店铺为大家提供各种各样类型的实用资料,如教育随笔、日记赏析、句子摘抄、古诗大全、经典美文、话题作文、工作总结、词语解析、文案摘录、其他资料等等,如想了解不同资料格式和写法,敬请关注!Download tips: This document is carefully compiled by theeditor. I hope that after you download them,they can help yousolve practical problems. The document can be customized andmodified after downloading,please adjust and use it according toactual needs, thank you!In addition, our shop provides you with various types ofpractical materials,such as educational essays, diaryappreciation,sentence excerpts,ancient poems,classic articles,topic composition,work summary,word parsing,copy excerpts,other materials and so on,want to know different data formats andwriting methods,please pay attention!接触网拉出值是指接触线在定位点处相对于受电弓中心的偏移量。
接触网导高与拉出值测量一、接触网导高与拉出值测量的工程意义:接触网导高与拉出值作为接触网的基本参数,工程上有着重要作用,具体表现在:1、承力索架设后的测量:核实悬挂点处承力索的实际高度与相对于线路中心线的偏移值,检查支柱装配的结果是否符合要求,为接触线架设创造条件。
2、接触线架设后的测量:核实悬挂点处承力索的实际高度与相对于线路中心线的偏移值,检查支柱装配的结果是否符合要求,为悬挂调整提供基础参数,尤其是为整体吊弦的预制与安装提供计算依据。
3、悬挂调整后的测量:核实悬挂点处承力索的实际高度与相对于线路中心线的偏移值,检查悬挂调整结果是否符合要求。
二、接触网导高与拉出值测量方法:1、直接测量法:较为简单,实训时采用;2、间接测量法:工程检测时采用,具体有两种方法:TR-2型测距器配专用计算器三角形测量法与接触网参数激光测量法。
三、接触网导高与拉出值测量工程方法原理:如图1所示,在现场采集悬挂点处承力索到2条钢轨内缘的距离A、B及2个相邻支柱间的跨距L并将测量数据记录下来。
(1)根据式(1)计算承力索对线路中心的水平偏移距离a′,单位mm:a′= (B2-A2)/(2×1435)。
(1)(2)根据式(2)计算承力索对轨面的垂直距离H1′,单位mm:H1′={A2-[14352-(B2-A2)]2/(4×14352)}1/2。
(2)(3)根据公式(3)计算该悬挂点处承力索的结构高度:h = [ (H1′- H )2+(a′- a )2 ]1/2,(3)式中,H为设计导线高度,单位mm;a为设计拉出值,单位mm。
说明:1、以上计算过程,是先计算的挂点处承力索的高度H1′,如将其定义为接触线高度H1′,测量原理相同,仅需将A、B值的测量起点改为到接触线处即可。
2、计算公式(1)所得结果,在直链型悬挂中即为拉出值(或称之字值)。
四、TR型测距器配专用计算器接触网导高与拉出值测量法TR型测距器是唯一的把三角法测量原理和电子计算器结合在一起的用于电气化铁路接触线几何参数地面测量的计测工具。
曲线区段接触线拉出值分析摘要随着电气化铁路的高速发展,接触网设备的稳定性对其各项技术参数的要求越来越高。
为了保证受电弓和接触线的可靠接触、不脱线和保证受电弓磨耗均匀,要求接触线在线路上按技术标准固定位置,这个固定位置在曲线区段有着特殊的要求。
本文同时分析了曲线区段接触线拉出值超标的原因,并提出了相应的解决办法。
关键词:曲线;接触线;拉出值;分析0 引言接触线拉出值是接触网自身结构参数,其取值的大小直接关系到弓网运行安全。
在运营中发现曲线区段拉出值易超标,这是因为在拉出值的设置,如未考虑受电弓中心线在气象条件、线路参数、机车及受电弓型号及参数、运营方式、运行速度等多种因素影响下的动态变化,容易出现几何尺寸不符导致设备侵入受电弓动态。
基于此种情况,有必要对曲线区段拉出值进行分析,提出解决措施,确保机车良好受流。
1 接触线拉出值的基本知识1.1 拉出值的作用接触线的拉出值(之字值)可以使在运行中的电力机车受电弓滑板工作面与接触线摩擦均匀(否则会使滑板工作面某些部分磨出沟槽,降低受电弓使用寿命),保证接触线与受电弓接触,不发生脱弓,避免因脱弓造成的弓网事故。
1.2 拉出值的大小接触线的拉出值的大小由电力机车受电弓最大允许工作范围(950mm)、线路情况、行车速度等因素决定。
在直线区段,线路中心线与机车受电弓中心线重合,接触线沿线路中心线上空成“之”字形对称布置,即所谓直线区段,接触线拉出值也称“之”字值的原因,一般情况下其标准值为士300mm(当定位点位于线路中心和支柱之间时,记为正,否则记为负),在线路行车速度大120km/h线路上,考虑到车速提高后机车受电弓左右摇摆量及高速下接触线的摆动量的增加,“之”字值一般选定为士200mm,允许误差范围为士30mm。
曲线区段电力机车车身随线路的外轨超高向曲线内侧倾斜,受电弓也呈倾斜状,线路中心线与受电弓中心不重合,曲线区段上随曲线半径不同拉出值有差异,一般在150-400mm之间。
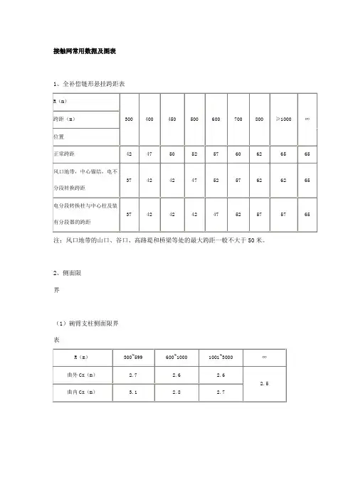
接触网常用数据及图表1、全补偿链形悬挂跨距表注:风口地带的山口、谷口、高路堤和桥梁等处的最大跨距一般不大于50米。
2、侧面限界(1)碗臂支柱侧面限界表(2)桥支柱侧面限界表(3)道岔柱侧面限界(如图)(4)R=200m线路无超高时,曲内外侧面限界Cx均采用2.8m 。
(5)软横跨支柱侧面限界:一般采用3m,基本站台应加大到5m。
3、砼标号经验批配比表每m3砼应用材料混凝土标号水泥(kg)砂(m3)石(m3)110级280 0.45 0.9 170级330 0.48 0.854、全补偿砼柱横卧板选用表:支柱型号区段土壤安息角Φ位置及型号上下38/8.2+2.6路堤(+)17°-22°2-II 1-I30°-32°2-I33°-37°1-I38°以上路堑(—)17°-22°2-I30°-32°1-I33°-37°38°以上60/8.7+3.0路堤(+)17°-22°2-I30°-32°33°-37°38°以上路堑(—)17°-22°1-I30°-32°1-I33°-37°38°以上78/8.2+3.0 路堤(+)17°-22°3-II 1-I 30°-32°2-II33°-37°1-II38°以上路堑(—)17°-22°2-II 1-I 30°-32°1-I33°-37°38°以上注:1.符号“1-I”前面的数字为横卧板安装数量,后一个数字为横卧板的型号。
2.Φ角为12°按17°,27°按30°,24.5°-25.5按22°,27°按30°选用。
浅谈接触网导高及拉出值测量方法摘要:针对我国电气化铁路施工和日常运营维护中需要对接触网重要的静态参数导高、拉出值进行大量的测量的特点,系统地介绍和总结了几种测量方法的测量原理、优缺点。
引言接触网是电气化铁路的主要设备之一,随着我国电气化铁路运营速度的不断提高,确保接触网处于良好状态,保障不间断供电,维持良好的弓网关系动态特性成为保证高速或快速列车安全稳定运行的重要前提,接触网的各种静态参数能否满足设计的要求是获得良好的接触网弓网关系的基础,因此在新建或扩建电气化铁路以及在电气化铁路日常运营维护中,常常需要对一些主要的接触网静态参数进行测量,它们包括接触线高度、接触线拉出值、定位管坡度、支柱位置、线岔数据、锚段关节数据等,通过检测获得的接触悬挂基础数据进行分析或处理,一方面可以在常规巡检时及时发现接触网隐患,消除各种故障,保障线路安全运行;另一方面在建设或更换接触网导线时,可将数据输入专用计算软件获得其他安装数值,使施工质量得到保证。
一、接触网导高、拉出值的定义及测量在电气化铁路的建设和日常运营维护中,接触网的导线和承力索的高度和拉出值是两个最为重要的接触网参数。
其定义如图1所示导线受电弓中心拉出值导高图1 接触网导高、拉出值的定义接触导线的高度(简称导高)是指导线相对于钢轨面连线的垂直长度。
如果接触导线高度过高则会使受电弓离线产生电弧烧损接触线和受电弓,过低则会危及人员和超限货物的安全,另外很小的距离内接触导线高度(即导线坡度)变化过大时,易产生电弧而影响弓网受流质量,加大滑板的导线的磨耗。
在直线区段上,接触线在定位点处相对于线路中心的偏移距离,称为拉出值(或之字值);在曲线区段导线则被布置成折线的形式,此折线一般与受电弓中心的行迹相割或相切,这种在定位点处接触线距受电弓中线行迹的距离称为拉出值。
电气化铁路上接触线的拉出值的设计是为了使电力机车在运行时使受电弓与接触导线在一定范围内均匀接触摩擦,使受电弓滑板磨耗均匀,延长其使用寿命。
接触线拉出值(之字值)检测检调记录车间网工区年广州供电段工长(签字):车间主任(签字):接触线拉出值(之字值)检测检调记录填写说明注:m——接触线水平投影与线路中心之间的距离。
C——受电弓中心的水平投影与线路中心之间距离(导高×超高÷轨距);经验值C≈4ha——实测拉出值:即a=±m+C,当m在线路中心至外轨间时取+,反之取-。
表中标准拉出值按竣工图中设计值:1、“区间(车站)”栏:填写检测检调设备所在的区间(车站)的全称。
“年”栏:检修当年的全称,如“2008年”。
2、“支柱(隧道及悬挂点)”栏:填写所检测检调的支柱(隧道及悬挂点)号,站场测量检修时应注明╳╳股道╳╳柱。
3、“曲线半径”栏:按接触网平面图上或现场曲线半径填写,图纸与现场不符时,以现场为准,直线区段填写“/”。
4、“标准拉出值”栏:填写接触网平面图上设计的拉出值。
5、“检测检调日期(日/月)”栏:填写检测或检调当天的日期,如检测日期为8月2日,则填写2/8。
6、“检测检调栏”对应的“接触线高度”、“线路外轨超高”、“m值”、“c值”、“a值”、“跨中偏移”栏,填写对应的检测或检调项目,如检测的参数符合标准无需检调,则对应的项目填写“/”,如检测的参数不符合标准需检调,则对应的项目填写检调后的数据。
7、“接触线高度”栏:填写现场测量的接触线高度,而不是设计高度。
8、“线路外轨超高”栏:填写现场实际测量的外轨超高值,而不是线路设计时的设计超高;直线区段填写“/”。
9、“m”栏:填写现场测量的定位点处接触线垂直投影至线路中心线之间的距离。
“m”值有“正(+)”、“负(—)之分。
10、“c”栏:填写受电弓中心与线路中心的距离(偏移值),计算公式C=H*h/L,现场经验计算C≈4h,直线区段填写“/”。
11、“a”栏:填写现场实际拉出值(之字值);即“m”栏+“c”栏=“a”栏值。
12、“跨中偏移”栏:填写跨中拉出值,即测出跨中处接触线对线路中心的距离m值和跨中处偏移值C值,再将两者相加所得数值即为跨中偏移。
接触网拉出值偏差的原因分析和调整方法 葛曙光 接触网技术DOI :10.19587/ki.1007-936x.2020z2.053接触网拉出值偏差的原因分析和调整方法葛曙光摘 要:动检车检测发现的接触网拉出值超标缺陷除由检测装置本身产生的误差外,还包括因施工、线索张力增量、风偏引起的偏差,以及不同气温下因腕臂偏移引起的偏差。
本文重点分析不同温度下拉出值的变化规律,从接触网设备本身分析动检车检测发现拉出值超标而静态数据达标的原因,并提出偏差调整方法。
关键词:拉出值;腕臂偏移;温度;偏差;调整Abstract: In addition to the errors generated by the inspection device itself, the defects of out-of-limit of the OCLstaggers found by the EMU inspection car still include the deviations caused by the construction, the increment of tensions of wires and the wind deflection. The paper analyzes with emphasis the variation regularities of staggers under different temperatures, analyzes in terms of the OCL equipment itself the causes that there is out-of-limit of dynamic stagger values inspected by the EMU inspection car but there is no out-of-limit of the static stagger values, and puts forward the deviation adjustment method accordingly.Key words: stagger; deflection of cantilever; temperature; adjustment中图分类号:U225.5 文献标识码:B 文章编号:1007-936X (2020)z2-0229-031 腕臂偏移和拉出值偏差的对应关系分析高铁接触网采用旋转腕臂结构,接触线和承力索连线垂直于水平面。
接触网拉出值智能检测方法摘要电力机车受电弓在规定范围内对接触线滑动接触,拉出值是影响受电弓平滑取流的关键因素。
需要对接触网拉出值的状态进行智慧化、智能化的检测。
通过信息化手段进行实时检测为拉出值的调整提供及时的调整信息。
关键词:接触网拉出值检测引言接触网是沿铁路上空架设的一条特殊形式的输电线路。
在轨道上空呈“之”字形架设,其主要功能是提高受电弓使用寿命,保证受电弓与接触线的良好接触和平滑取流。
接触线在受电弓上的运动示意图如图1受电弓、接触线运行图所示。
图1受电弓、接触线运行铁路接触网长期处于自然环境中,在风雪雨覆冰的天气以及在列车行驶过程中受电弓的冲击作用,拉出值就可能超出规定范围引发弓网故障,危及行车安全。
目前,拉出值测量工作通过人工现场测量的方式进行,这种方式工作量大,而且很难保证检测质量.因此,拉出值智能检测技术能够提供简洁、有效的验证手段。
1.接触线拉出值的确定拉出值是指定位点处接触线到受电弓滑板中心的距离,在曲线区段拉出值为:a=m+c(1)c=h×H/L(2)式中:a为接触线拉出值(单位:mm);m为定位点处接触线到线路中心的水平距离;c为定位点处受电弓中心到线路中心的水平距离;h为外轨超高;H为接触线高度;L为轨距。
接触线的拉出值是行车安全的重要因素之一。
由式(1)和式(2)可知,根据以上公式所确定的拉出值在动态取流的情况下常拉出值发生变化情况。
采用智能检测技术可作为一种预警手段,预防行车故障发生,提高行车安全效率。
1.拉出值智能检测模块设计2.1接近传感器应用原理接近传感器是代替接触式检测式检测方法,无需接触被检测对象为目的的传感器的总称,它能检测对象的位移以及把采集信息并转化成电信号。
是广泛用于测量位移、速度、加速度的测量。
对接触网拉出值测量,难点在于需在接触网的接触线与受电弓接触下进行,目前现有传感器和匹配的处理系统体积均过大,造成很多标准传感器无法在接触网定位器上安装使用。
接触网工程管理概预算接触网拉出值姓名班级电化班班号北京至上海铁路电气化改造铁路工程中上海枢纽站接触网工程个别概(预)算表建设名称北京至上海铁路电气化改造工程电力牵引供电概算编号SHGBGS-18-01工程名称第一部分:静态投资所属章节第七章第19节概算价值XXXXXX.元工程地点上海枢纽站编制依据编制说明概算指标YYYYY.元/条公里定额编号设备及安装工程名称单位数量设备费(元)安装工程(元)工程总量201.02条公里定额直接费用其中:人工费其中:材料费其中:机械费单价合价单价合价单价合价单价合价单价合价一、接触网正线公里(一)接触导线条公里201.019I、建筑工程(上海枢纽站)正线公里1.砼柱钢柱下部工程元HY-7人工开挖硬土基础坑(J13-1K-8)个647148.3095950.159.6638600.0288.6457350.080.000.00HY-31人工开挖流沙坑(H90)个32279.278936.64270.018640.329.26296.320.000.00HY-33人工打眼,爆破开挖乱石坑(H78)个500206.76103380120.656032586.1130550.000.00HY-58人工打眼,爆破开挖次坚石(H78)个35379.2413273.4273.359567.25105.893706.150.000.00HY-84机械大眼,爆破开挖坚石(H90)个60762.7645765.6415.3724922.2157.349440.4190.0511403HY-13钢柱基础土坑J15-10(II-6)个72358.3727746.64222.1515994.8136.229807.840.000.002.立杆工程HY-147机械性安装(H78)根5351653.87884820.456.463456.11564.54837028.982.8744335.45HY-151机械安装(H90)根922736.45251753.411.131023.962582.60237599.2142.7213130.24HY-183机械安装(GQ80)根9982948.252842553.514.0213991.962754.682749170.64179.55179190.9HY-6支柱防护处302.9789.12.6780.10.3090.000.00HY-28电缆防护处1440149.33215035.28.2411873.84141.0920316960.000.00HY-29电缆移设处1080100.06108064.876.1382220.424.4726427.60.000.00HY-39人挖软石沟(改移侧沟)处34869.1624067.6827.389528.2441.7814539.440.000.00HY-206腕臂柱个3216761.582170467.1812.023858.426595.332117100.93154.2349507.83HY-216软横跨柱个92891.4982017.086.23573.16788.6972559.4896.578884.44以上合计序号费用名称单位数量单价合价计算式1基期人工费元284655.77按设计工程量和基期价格水平计列2基期材料费元8169786.983基期施工机械费用费元306451.824定额直接工程费元8760894.57(1)+(2)+(3)5运杂费2%163395.7396按材料费的2%计算6人工费价差工日22772.4616基期至编制期价差按有关规定计列7材料费价差元17555348施工机械使用费价差元1075.009价差合计元1779381.4616(6)+(7)+(8)10填料费元3680车15.3656524.8按设计数量和购买价计算11直接工程费元10760196.5712(4)+(5)+(9)+(10)12施工措施费25.4%150141.32786[(1)+(3)]×25.4%13特殊施工增加费3%8539.6731(编制期人工费+编制期施工机械使用费)×费率或编制期人工费×3%14大型临时设施和过渡工程费元015直接费元1234700.00096(11)+(12)+(13)+(14)16间接费元410819.77505[(1)+(3)]×69.5%17税金元267728.709288[(4)+(5)]×3%18单项概(预)算价值元1913248.485298(15)+(16)+(17)。
高速铁路接触网拉出值和定位器坡度优化研究罗健;蒋冀龙【摘要】高速铁路接触网定位器与受电弓的相对位置关系直接影响弓网运行安全。
通过合理设置拉出值和定位器坡度,既能保证弓网受流性能和弓网安全,又能降低受电弓滑板的损耗。
通过对直线、曲线区段跨距值、拉出值、定位器坡度、第一吊弦点位置之间的相互关系进行详细研究,为高铁接触网设计优化提供依据。
通过研究,在接触网其他主要设计参数一定的情况下,得出针对直线、曲线区段的不同跨距下拉出值的推荐设置,在保证定位器具有合理坡度值的同时,使得受电弓与定位器的匹配关系更加安全可靠,可指导工程设计。
%The correlation between steady arm and pantograph of high speed railway is crucial to the safety of railway operation. Rational stagger and steady arm slope play an important role in obtaining good current-collection and safe operation of the pantograph-catenary system and reducing the wear of the pantograph strip. This paper conducts a detailed study on the span length, the stagger, the slope of steady arms and the first dropper position in both tangentand curve lines, providing references for the design and optimization of high speed railway catenary. Given the major design parameters of catenary system, the paper offers recommended stagger values with respect to different curvature radiuses and different spans, which makes it possible to achieve proper slope of steady arm and better matching performance of steady arm and pantograph. The solution may guide the engineering design.【期刊名称】《铁道标准设计》【年(卷),期】2016(060)012【总页数】6页(P140-144,145)【关键词】高速铁路;接触网;定位器;坡度控制;拉出值【作者】罗健;蒋冀龙【作者单位】铁道第三勘察设计院集团有限公司,天津 300251;铁道第三勘察设计院集团有限公司,天津 300251【正文语种】中文【中图分类】U238;U225在高速铁路中,弓网关系的好坏不仅关系到列车的安全、稳定、高速运行,而且还在很大程度上影响着接触网、受电弓的使用寿命。
接触网拉出值选用对弓网运行关系的改善李健摘要:本文就拉出值选用在弓网关系中的作用进行了深入分析,找出了影响弓网关系的原因,提出了运行拉出值选用建议并加以实施,取得了较好效果,对运营线路减少弓网故障,具有一定的参考意义。
关键词:拉出值;弓网故障;原因分析;改造建议Abstract:The paper deeply analyzes the functions of stagger in relation between OCS and pantograph. It finds out the reason for them and raises some advices and implementation of it, which has obtained the good results. It has some certain value for reference in reducing the faults of pantograph and OCS in operating line.Key words: stagger; faults of pantograph and OCS; analysis of causes; advise for modification中图分类号:U225.5文献标识码:B文章编号:1007-936X(2005)06-0035-040 前言电气化铁道投运以来,拉出值作为接触网运行中的一个重要参数,在弓网关系中起着重要作用。
但在实际运营管理过程中,拉出值数值的选用通常遵循设计规范的相关规定,一般在线路交付使用后就作为标准固定下来,运行中拉出值取值范围的合理选择在改善弓网运行关系中所起的作用往往没有得到重视。
本文就拉出值在弓网关系中的现状作一分析,并对拉出值的具体选择提出一些建议。
1 拉出值的作用在弓网关系中的现状分析1.1 拉出值的作用及一般设计规定拉出值的作用是使电力机车受电弓的滑板磨损均匀。
接触网导高与拉出值测量一、接触网导高与拉出值测量的工程意义:接触网导高与拉出值作为接触网的基本参数,工程上有着重要作用,具体表现在:1、承力索架设后的测量:核实悬挂点处承力索的实际高度与相对于线路中心线的偏移值,检查支柱装配的结果是否符合要求,为接触线架设创造条件。
2、接触线架设后的测量:核实悬挂点处承力索的实际高度与相对于线路中心线的偏移值,检查支柱装配的结果是否符合要求,为悬挂调整提供基础参数,尤其是为整体吊弦的预制与安装提供计算依据。
3、悬挂调整后的测量:核实悬挂点处承力索的实际高度与相对于线路中心线的偏移值,检查悬挂调整结果是否符合要求。
二、接触网导高与拉出值测量方法:1、直接测量法:较为简单,实训时采用;2、间接测量法:工程检测时采用,具体有两种方法:TR-2型测距器配专用计算器三角形测量法与接触网参数激光测量法。
三、接触网导高与拉出值测量工程方法原理:如图1所示,在现场采集悬挂点处承力索到2条钢轨内缘的距离A、B及2个相邻支柱间的跨距L并将测量数据记录下来。
(1)根据式(1)计算承力索对线路中心的水平偏移距离a′,单位 mm:a′= (B2-A2)/(2×1435)。
(1)(2)根据式(2)计算承力索对轨面的垂直距离H1′,单位 mm:H1′={A2-[14352-(B2-A2)]2/(4×14352)}1/2。
(2)(3)根据公式(3)计算该悬挂点处承力索的结构高度:h = [ (H1′- H )2+(a′- a )2 ]1/2,(3)式中,H为设计导线高度,单位 mm;a为设计拉出值,单位 mm。
说明:1、以上计算过程,是先计算的挂点处承力索的高度H1′,如将其定义为接触线高度H1′,测量原理相同,仅需将A、B值的测量起点改为到接触线处即可。
2、计算公式(1)所得结果,在直链型悬挂中即为拉出值(或称之字值)。
四、TR型测距器配专用计算器接触网导高与拉出值测量法TR型测距器是唯一的把三角法测量原理和电子计算器结合在一起的用于电气化铁路接触线几何参数地面测量的计测工具。
接触网拉出值 [接触网工程管理概预算]
姓名班级电化班班号北京至上海铁路电
气化改造铁路工程中上海枢纽站接触网工程个别概(预)算表建设
名称北京至上海铁路电气化改造工程电力牵引供电概算编号SHGBGS-18-01 工程名称第一部分:静态投资所属章节第七章第
19节概算价值 XXXXXX.元工程地点上海枢纽站编制依据编制
说明概算指标 YYYYY.元/条公里定额编号设备及安装工程
名称单位数量设备费(元) 安装工程(元)工程总量 201.02条
公里定额直接费用其中:人工费其中:材料费其中:机械费
单价合价单价合价单价合价单价合价单价合价
一、接触网正线公里 (一)接触导线条公里 201.019
I、建筑工程(上海枢纽站) 正线公里 1.砼柱钢柱下部工程
元HY-7 人工开挖硬土基础坑(J13-1 K-8) 个647
148.30 95950.1 59.66 38600.02 88.64 57350.08 0.00 0.00 HY-31
人工开挖流沙坑(H90)个 32 279.27 8936.64 270.01 8640.32
9.26 296.32 0.00 0.00 HY-33 人工打眼,爆破开挖乱石坑(H78)个
500 206.76 103380 120.65 60325 86.11 3055 0.00 0.00 HY-58 人
工打眼,爆破开挖次坚石(H78)个 35 379.24 13273.4 273.35
9567.25 105.89 3706.15 0.00 0.00 HY-84 机械大眼,爆破开挖坚石
(H90)个 60 762.76 45765.6 415.37 24922.2 157.34 9440.4 190.05 11403 HY-13 钢柱基础土坑J15-10(II-6)个 72 358.37 27746.64 222.15 15994.8 136.22 9807.84 0.00 0.00 2.立杆工程HY-147 机械性安装(H78) 根535 1653.87 884820.45 6.46 3456.1 1564.54 837028.9 82.87 44335.45 HY-151 机械安装(H90)根 92 2736.45 251753.4 11.13 1023.96 2582.60 237599.2 142.72 13130.24 HY-183 机械安装(GQ80)根 998 2948.25 2842553.5 14.02 13991.96 2754.68 2749170.64 179.55 179190.9 HY-6 支柱
防护处 30 2.97 89.1 2.67 80.1 0.30 9 0.00 0.00 HY-28 电
缆防护处 1440 149.33 215035.2 8.24 11873.84 141.09 2031696 0.00 0.00 HY-29 电缆移设处 1080 100.06 108064.8 76.13 82220.4 24.47 26427.6 0.00 0.00 HY-39 人挖软石沟(改移侧沟)
处 348 69.16 24067.68 27.38 9528.24 41.78 14539.44 0.00 0.00 HY-206 腕臂柱个321 6761.58 2170467.18 12.02 3858.42 6595.33 2117100.93 154.23 49507.83 HY-216 软横跨柱个92 891.49 820xx.08 6.23 573.16 788.69 72559.48 96.57 8884.44 以
上合计序号费用名称单位数量单价合价计算式 1 基
期人工费元 284655.77 按设计工程量和基期价格水平计列 2 基
期材料费元8169786.98 3 基期施工机械费用费元306451.82 4 定额直接工程费元 8760894.57 (1)+(2)+(3)5 运杂费 2% 163395.7396 按材料费的2%计算 6 人工费价差工
日 22772.4616 基期至编制期价差按有关规定计列 7 材料费价差
元 1755534 8 施工机械使用费价差元 1075.00 9 价差合计元1779381.4616 (6)+(7)+(8) 10 填料费元 3680车 15.36 56524.8 按设计数量和购买价计算11 直接工程费元10760196.5712 (4)+(5)+(9)+(10) 12 施工措施费 25.4% 150141.32786 [(1)+(3)]×25.4% 13 特殊施工增加费 3% 8539.6731 (编制期人工费+编制期施工机械使用费)×费率或编
制期人工费×3% 14 大型临时设施和过渡工程费元 0 15 直接
费元 1234700.00096 (11)+(12)+(13)+(14) 16 间接
费元410819.77505 [(1)+(3)]×69.5% 17 税金元267728.709288 [(4)+(5)]×3% 18 单项概(预)算价值元1913248.485298 (15)+(16)+(17)。