接触网拉出值的简介
- 格式:doc
- 大小:84.00 KB
- 文档页数:4
接触网技术参数统计1刚性接触网1.1锚段及跨距每个锚段一般不超过250米。
1.2锚段关节(1)关节中间处两接触线等高。
(2)转换悬挂点处非工作支不得低于工作支,可以比工作支高出0~8mm(0~4mm),困难情况下不超过10mm。
(3)受电弓在双向通过时应平滑无撞击和拉弧现象。
(4)非绝缘锚段关节两支接触悬挂的拉出值均为±100mm(75mm),汇流排中心线之间距离为200mm(150??),允许误差±20mm。
接触线外露长度为150mm。
(5)绝缘锚段关节两支接触悬挂的拉出值均为±150mm(130mm),汇流排中心线之间距离为300mm(260??),允许误差±20mm。
接触线外露150mm。
绝缘貌端关节示意图1.3线岔(1)在受电弓可能同时接触两支接触线围的两支接触线应等高。
(2)在受电弓始触点后至岔尖方向,渡线接触线应比正线接触线高出0~10mm(0~4)。
(3)在受电弓双向通过时应平滑无撞击及不应出现固定拉弧点。
(4)单开道岔悬挂点的拉出值距正线汇流排中心线为200mm,允许误差±20mm。
平行段距离为2000mm。
(5)交叉渡线道岔处的线岔,在交叉渡线处两线路中心的交叉点处,两支悬挂的汇流排中心线均距交叉点100mm,允许误差±20mm。
(6)侧线端部向上弯70mm左右。
(7)线岔处电连接线、接地线应完整无遗漏,连接牢固。
道岔分类刚性悬挂线岔示意图1.4刚柔过度(1)两根柔性接触网等高并列运行进入刚柔过渡元件约500mm后,在过渡原件外面的导线逐渐抬高脱离接触,其最终的抬高量不应小于35mm。
(2)刚柔过渡处刚性悬挂应比柔性悬挂高20~50mm。
(3)柔性悬挂升高下锚处绝缘子边缘应距受电弓包络线不得小于75mm。
(4)刚性悬挂带电体距柔性悬挂下锚底座、下锚支悬挂等接地体不应小于150mm。
(5)受电弓距柔性悬挂下锚底座、下锚支悬挂等接地体不应小于100mm。
曲线区段接触线拉出值分析摘要随着电气化铁路的高速发展,接触网设备的稳定性对其各项技术参数的要求越来越高。
为了保证受电弓和接触线的可靠接触、不脱线和保证受电弓磨耗均匀,要求接触线在线路上按技术标准固定位置,这个固定位置在曲线区段有着特殊的要求。
本文同时分析了曲线区段接触线拉出值超标的原因,并提出了相应的解决办法。
关键词:曲线;接触线;拉出值;分析0 引言接触线拉出值是接触网自身结构参数,其取值的大小直接关系到弓网运行安全。
在运营中发现曲线区段拉出值易超标,这是因为在拉出值的设置,如未考虑受电弓中心线在气象条件、线路参数、机车及受电弓型号及参数、运营方式、运行速度等多种因素影响下的动态变化,容易出现几何尺寸不符导致设备侵入受电弓动态。
基于此种情况,有必要对曲线区段拉出值进行分析,提出解决措施,确保机车良好受流。
1 接触线拉出值的基本知识1.1 拉出值的作用接触线的拉出值(之字值)可以使在运行中的电力机车受电弓滑板工作面与接触线摩擦均匀(否则会使滑板工作面某些部分磨出沟槽,降低受电弓使用寿命),保证接触线与受电弓接触,不发生脱弓,避免因脱弓造成的弓网事故。
1.2 拉出值的大小接触线的拉出值的大小由电力机车受电弓最大允许工作范围(950mm)、线路情况、行车速度等因素决定。
在直线区段,线路中心线与机车受电弓中心线重合,接触线沿线路中心线上空成“之”字形对称布置,即所谓直线区段,接触线拉出值也称“之”字值的原因,一般情况下其标准值为士300mm(当定位点位于线路中心和支柱之间时,记为正,否则记为负),在线路行车速度大120km/h线路上,考虑到车速提高后机车受电弓左右摇摆量及高速下接触线的摆动量的增加,“之”字值一般选定为士200mm,允许误差范围为士30mm。
曲线区段电力机车车身随线路的外轨超高向曲线内侧倾斜,受电弓也呈倾斜状,线路中心线与受电弓中心不重合,曲线区段上随曲线半径不同拉出值有差异,一般在150-400mm之间。
接触网常用参数标准及测量计算接触网常用参数标准及测量计算一、拉出值(跨中偏移值)1、技术标准160km/h及以下区段:标准值:直线区段200-300mm;曲线区段根据曲线半径不同在0-350mm之间选用。
安全值:之字值≤400mm;拉出值≤450mm。
限界值:之字值450mm;拉出值450mm。
160km/h以上区段:标准值:设计值。
安全值:设计值±30mm。
限界值:同安全值。
2、测量方法利用DJJ多功能激光接触网检测仪进行拉出值测量:受电弓滑板平面与两钢轨平面平行,检测仪与两钢轨平面平行,测量时无需考虑外轨超高,直接校准定位点在检测仪上的投影位置,此位置与检测仪中心点的距离就是拉出值。
二、导线高度1、技术标准标准值:区段的设计采用值。
安全值:标准值±100mm。
限界值:小于6500mm;任何情况下不低于该区段允许的最低值。
当隧道间距不大于1000m时,隧道内、外的接触线可取同一高度。
2、测量方法利用DJJ多功能激光接触网检测仪进行导高测量:将测量仪置于两钢轨之上与两轨面平行,利用测量仪上的观察窗校准定位点位置,测出定位点至两轨面的垂直距离即为导高。
三、导线坡度及坡变率1、技术标准标准值: 120km/h及以下区段≤3‰;120-160km/h区段≤2‰;200km/h区段≤2‰,坡度变化率不大于1‰;200-250km/h区段≤1‰,坡度变化率不大于1‰。
安全值:120km/h及以下区段≤5‰;120-160km/h区段≤4‰。
其他同标准值。
限界值:120km/h及以下区段≤8‰;120-200km/h区段≤5‰;200km/h及以上区段同安全值。
160km/h及以上区段,定位点两侧第一根吊弦处接触线高度应相等,相对该定位点的接触线高度允许误差±10mm,但不得出现V字型。
2、测量与计算方法定位点A与定位点B之间的坡度测量:1、测出A点的导高h a;2、测出B点的导高h b;3、测出或计算出A、B之间的距离H;4、计算出A、B两点之间的导线坡度P ab=(h b -h a)/H×1000‰;5、将P ab记入定位点B的导线坡度P b,即P ab=P b。
曲线区段接触线拉出值计算浅析摘要随着电气化铁路的高速发展,接触网设备的稳定性对其各项技术参数的要求越来越高。
为了保证受电弓和接触线的可靠接触、不脱线和保证受电弓磨耗均匀,要求接触线在线路上按技术标准固定位置,这个固定位置在曲线区段有着特殊的要求。
本文同时分析了曲线区段接触线拉出值超标的原因,并提出了相应的解决办法。
关键词:曲线;接触线;拉出值;0 引言接触线拉出值是接触网自身结构参数,其取值的大小直接关系到弓网运行安全。
在运营中发现曲线区段拉出值易超标,这是因为在拉出值的设置,如未考虑受电弓中心线在气象条件、线路参数、机车及受电弓型号及参数、运营方式、运行速度等多种因素影响下的动态变化,容易出现几何尺寸不符导致设备侵入受电弓动态。
基于此种情况,有必要对曲线区段拉出值进行分析,提出解决措施,确保机车良好受流。
1 接触线拉出值的基本知识1.1 拉出值的作用接触线的拉出值(之字值)可以使在运行中的电力机车受电弓滑板工作面与接触线摩擦均匀(否则会使滑板工作面某些部分磨出沟槽,降低受电弓使用寿命),保证接触线与受电弓接触,不发生脱弓,避免因脱弓造成的弓网事故。
1.2 拉出值的大小接触线的拉出值的大小由电力机车受电弓最大允许工作范围(950mm)、线路情况、行车速度等因素决定。
在直线区段,线路中心线与机车受电弓中心线重合,接触线沿线路中心线上空成“之”字形对称布置,即所谓直线区段,接触线拉出值也称“之”字值的原因,一般情况下其标准值为士300mm(当定位点位于线路中心和支柱之间时,记为正,否则记为负),在线路行车速度大120km/h线路上,考虑到车速提高后机车受电弓左右摇摆量及高速下接触线的摆动量的增加,“之”字值一般选定为士200mm,允许误差范围为士30mm。
曲线区段电力机车车身随线路的外轨超高向曲线内侧倾斜,受电弓也呈倾斜状,线路中心线与受电弓中心不重合,曲线区段上随曲线半径不同拉出值有差异,一般在150-400mm之间。
阐述以下接触网常用基本专业术语具体含义:⒈结构高度:是用来说明中心锚结点和补偿装置间接触网长度的术语。
⒉限界门:是用来说明中心锚结点和补偿装置间接触网长度的术语。
3.拉出值:是用来说明中心锚结点和补偿装置间接触网长度的术语。
4.锚段及锚段关节:锚段指是用来说明中心锚结点和补偿装置间接触网长度的术语。
锚段关节是指是用来说明中心锚结点和补偿装置间接触网长度的术语。
5.分速供电:在枢纽(含大型客站及区段站)的各分场中,为了方便供电和检修的需要,按电化股道群不同供分区进行供电。
6.分相装置:接触网中用于两段不同电压或不同相位处,避免接触网在受电弓通过时被连通的装置。
自动过分相:电力机车或电力动车组通过电分相时采用自动装置实现“断”、“合”主断路器的过程。
7.电分相中性区段:由接触网无电区及无电区两侧的过度区组成的一个禁止电力机车或电力动车组带点通过的区段。
对于器件式分相绝缘器来说,其中性区段和无电区段是重合的。
对于锚段关节空气绝缘间隙式电分相来说,其无电区长度,是指靠近中性段中心的两绝缘转换柱绝缘子外侧的距离;其中性区段长度是指远离中性区段中心的两绝缘子转换柱绝缘子外侧间的距离。
8.电分段:是用来说明中心锚结点和补偿装置间接触网长度的术语。
9.受电弓动态包络线:是指运行中的受电弓在最大抬升及摆动时可能达到的最大轮廓线。
动态包络线范围内不得有任何障碍影响受电弓运行。
10.V型天窗作业:双线电化区段,上下行接触网一行停电进行的接触网作业。
实行V行形天窗的双线区段应满足:上下行接触网带电部分之间的距离不小于2000mm困难时不小于1600mm;上下行接触网距上下行通过的电力机车受电弓的瞬间距离应不小于2000mm困难时不小于1600mm。
11.锤直天窗作业:双线电气化区段,上下行接触网同时停电进行的接触网作业。
12.接触网类型(详细说明各种类型的具体组成,如简单悬挂、链型悬挂等):是根据设计特性和性能对接触网的说明13.纵向跨距或跨距:是指沿行驶轨道方向上相邻两支柱间的距离。
接触线拉出值(之字值)检测检调记录车间网工区年广州供电段工长(签字):车间主任(签字):接触线拉出值(之字值)检测检调记录填写说明注:m——接触线水平投影与线路中心之间的距离。
C——受电弓中心的水平投影与线路中心之间距离(导高×超高÷轨距);经验值C≈4ha——实测拉出值:即a=±m+C,当m在线路中心至外轨间时取+,反之取-。
表中标准拉出值按竣工图中设计值:1、“区间(车站)”栏:填写检测检调设备所在的区间(车站)的全称。
“年”栏:检修当年的全称,如“2008年”。
2、“支柱(隧道及悬挂点)”栏:填写所检测检调的支柱(隧道及悬挂点)号,站场测量检修时应注明╳╳股道╳╳柱。
3、“曲线半径”栏:按接触网平面图上或现场曲线半径填写,图纸与现场不符时,以现场为准,直线区段填写“/”。
4、“标准拉出值”栏:填写接触网平面图上设计的拉出值。
5、“检测检调日期(日/月)”栏:填写检测或检调当天的日期,如检测日期为8月2日,则填写2/8。
6、“检测检调栏”对应的“接触线高度”、“线路外轨超高”、“m值”、“c值”、“a值”、“跨中偏移”栏,填写对应的检测或检调项目,如检测的参数符合标准无需检调,则对应的项目填写“/”,如检测的参数不符合标准需检调,则对应的项目填写检调后的数据。
7、“接触线高度”栏:填写现场测量的接触线高度,而不是设计高度。
8、“线路外轨超高”栏:填写现场实际测量的外轨超高值,而不是线路设计时的设计超高;直线区段填写“/”。
9、“m”栏:填写现场测量的定位点处接触线垂直投影至线路中心线之间的距离。
“m”值有“正(+)”、“负(—)之分。
10、“c”栏:填写受电弓中心与线路中心的距离(偏移值),计算公式C=H*h/L,现场经验计算C≈4h,直线区段填写“/”。
11、“a”栏:填写现场实际拉出值(之字值);即“m”栏+“c”栏=“a”栏值。
12、“跨中偏移”栏:填写跨中拉出值,即测出跨中处接触线对线路中心的距离m值和跨中处偏移值C值,再将两者相加所得数值即为跨中偏移。
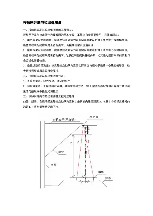
接触网导高与拉出值测量一、接触网导高与拉出值测量的工程意义:接触网导高与拉出值作为接触网的基本参数,工程上有着重要作用,具体表现在:1、承力索架设后的测量:核实悬挂点处承力索的实际高度与相对于线路中心线的偏移值,检查支柱装配的结果是否符合要求,为接触线架设创造条件。
2、接触线架设后的测量:核实悬挂点处承力索的实际高度与相对于线路中心线的偏移值,检查支柱装配的结果是否符合要求,为悬挂调整提供基础参数,尤其是为整体吊弦的预制与安装提供计算依据。
3、悬挂调整后的测量:核实悬挂点处承力索的实际高度与相对于线路中心线的偏移值,检查悬挂调整结果是否符合要求。
二、接触网导高与拉出值测量方法:1、直接测量法:较为简单,实训时采用;2、间接测量法:工程检测时采用,具体有两种方法:TR-2型测距器配专用计算器三角形测量法与接触网参数激光测量法。
三、接触网导高与拉出值测量工程方法原理:如图1所示,在现场采集悬挂点处承力索到2条钢轨内缘的距离A、B及2个相邻支柱间的跨距L并将测量数据记录下来。
(1)根据式(1)计算承力索对线路中心的水平偏移距离a′,单位 mm:a′= (B2-A2)/(2×1435)。
(1)(2)根据式(2)计算承力索对轨面的垂直距离H1′,单位 mm:H1′={A2-[14352-(B2-A2)]2/(4×14352)}1/2。
(2)(3)根据公式(3)计算该悬挂点处承力索的结构高度:h = [ (H1′- H )2+(a′- a )2 ]1/2,(3)式中,H为设计导线高度,单位 mm;a为设计拉出值,单位 mm。
说明:1、以上计算过程,是先计算的挂点处承力索的高度H1′,如将其定义为接触线高度H1′,测量原理相同,仅需将A、B值的测量起点改为到接触线处即可。
2、计算公式(1)所得结果,在直链型悬挂中即为拉出值(或称之字值)。
四、TR型测距器配专用计算器接触网导高与拉出值测量法TR型测距器是唯一的把三角法测量原理和电子计算器结合在一起的用于电气化铁路接触线几何参数地面测量的计测工具。
1导线高度:接触网导线高度(简称导高),是指悬挂定位点处接触线距轨面的垂直高度,设计规范规定如下:最高高度:不大于6500mm。
最低高度:(1)区间、站场:①一般中间站和区间不小于5700mm。
②编组站、区段站及配有调车组的大型中间站,一般情况不小于6200mm。
确有困难时可不小于5700mm。
(2)隧道内(包括按规定降低高度的隧道口外及跨线建筑物范围内):①正常情况(带电通过5300mm超限货物)不小于5700mm。
②困难情况(带电通过5300mm超限货物)不小于5650mm。
③特殊情况不小于5250mm。
接触线高度的允许施工偏差为±30mm。
2跨距及拉出值:取决与线路曲线半径、最大风速和经济因素等,我国高速铁路一般在保证跨中导线及定位点在最大风速下均不超过距受电弓中心300mm的条件下,确定跨距长度和拉出值。
3锚段长度:是指接触网相邻的两终端间的距离。
4.绝缘距离:是指接触网的带电部分,与接触网的非带电部分的金属和非金属零件之间的最小直线距离5吊弦分布及间距:吊弦间距指一跨内两相邻吊弦之间的距离,吊弦间距对接触网的受流性能有一定的影响,改变吊弦的间距可以调整接触网的弹性均匀度,吊弦分布有等距分布、对数分布、正弦分布等几种形式,为了设计施工和维护的方便,一般采用最简单的等距分布,一般掌握在8--12米。
6.接触导线预留驰度:指在接触导线安装时,是接触导线在跨内,保持一定弛度,以减少受电弓在跨中对接触导线的抬升量,改善弓网的震动,对高速接触网,简单链型悬挂设预留弛度,弹性链型悬挂一般不设预留弛度。
锚段关节安装要求:锚段关节是接触网的张力的机械转换关节,是接触网的薄弱环节,其设计和安装质量对受流影响较大,高速接触网一般采用两种形式的锚段关节:①非绝缘锚段关节采用三跨锚段关节②绝缘锚段关节采用,四跨,五跨锚段关节,安装处理上,尽量缩短接触导线工作支和非工作支同时接触受电弓滑板的长度,提高非工作支的坡度,并保证过度平滑,避免出现硬点和刮弓8.接触导线(承力索)张力:锚段两端的补偿装置,通过坠砣的重力与补偿滑轮的变比后对接触线(承力索)的拉力。
浅谈接触网导高及拉出值测量方法摘要:针对我国电气化铁路施工和日常运营维护中需要对接触网重要的静态参数导高、拉出值进行大量的测量的特点,系统地介绍和总结了几种测量方法的测量原理、优缺点。
引言接触网是电气化铁路的主要设备之一,随着我国电气化铁路运营速度的不断提高,确保接触网处于良好状态,保障不间断供电,维持良好的弓网关系动态特性成为保证高速或快速列车安全稳定运行的重要前提,接触网的各种静态参数能否满足设计的要求是获得良好的接触网弓网关系的基础,因此在新建或扩建电气化铁路以及在电气化铁路日常运营维护中,常常需要对一些主要的接触网静态参数进行测量,它们包括接触线高度、接触线拉出值、定位管坡度、支柱位置、线岔数据、锚段关节数据等,通过检测获得的接触悬挂基础数据进行分析或处理,一方面可以在常规巡检时及时发现接触网隐患,消除各种故障,保障线路安全运行;另一方面在建设或更换接触网导线时,可将数据输入专用计算软件获得其他安装数值,使施工质量得到保证。
一、接触网导高、拉出值的定义及测量在电气化铁路的建设和日常运营维护中,接触网的导线和承力索的高度和拉出值是两个最为重要的接触网参数。
其定义如图1所示导线受电弓中心拉出值导高图1 接触网导高、拉出值的定义接触导线的高度(简称导高)是指导线相对于钢轨面连线的垂直长度。
如果接触导线高度过高则会使受电弓离线产生电弧烧损接触线和受电弓,过低则会危及人员和超限货物的安全,另外很小的距离内接触导线高度(即导线坡度)变化过大时,易产生电弧而影响弓网受流质量,加大滑板的导线的磨耗。
在直线区段上,接触线在定位点处相对于线路中心的偏移距离,称为拉出值(或之字值);在曲线区段导线则被布置成折线的形式,此折线一般与受电弓中心的行迹相割或相切,这种在定位点处接触线距受电弓中线行迹的距离称为拉出值。
电气化铁路上接触线的拉出值的设计是为了使电力机车在运行时使受电弓与接触导线在一定范围内均匀接触摩擦,使受电弓滑板磨耗均匀,延长其使用寿命。
接触网常用基本专业术语1.导线高度:接触网导线高度(简称导高),是指悬挂定位点处接触线距轨面的垂直高度,设计规范规定如下:最高高度:不大于6500mm。
最低高度:(1)区间、站场:①一般中间站和区间不小于5700mm。
②编组站、区段站及配有调车组的大型中间站,一般情况不小于6200mm。
确有困难时可不小于5700mm。
(2)隧道内(包括按规定降低高度的隧道口外及跨线建筑物范围内):①正常情况(带电通过5300mm超限货物)不小于5700mm。
②困难情况(带电通过5300mm超限货物)不小于5650mm。
③特殊情况不小于5250mm。
接触线高度的允许施工偏差为±30mm。
2.跨距及拉出值:取决与线路曲线半径、最大风速和经济因素等,我国高速铁路一般在保证跨中导线及定位点在最大风速下均不超过距受电弓中心300mm的条件下,确定跨距长度和拉出值。
3.锚段长度:是指接触网相邻的两终端间的距离。
4.绝缘距离:是指接触网的带电部分,与接触网的非带电部分的金属和非金属零件之间的最小直线距离5.吊弦分布及间距:吊弦间距指一跨内两相邻吊弦之间的距离,吊弦间距对接触网的受流性能有一定的影响,改变吊弦的间距可以调整接触网的弹性均匀度,吊弦分布有等距分布、对数分布、正弦分布等几种形式,为了设计施工和维护的方便,一般采用最简单的等距分布,一般掌握在8--12米。
6.接触导线预留驰度:指在接触导线安装时,是接触导线在跨内,保持一定弛度,以减少受电弓在跨中对接触导线的抬升量,改善弓网的震动,对高速接触网,简单链型悬挂设预留弛度,弹性链型悬挂一般不设预留弛度。
7.锚段关节安装要求:锚段关节是接触网的张力的机械转换关节,是接触网的薄弱环节,其设计和安装质量对受流影响较大,高速接触网一般采用两种形式的锚段关节:①非绝缘锚段关节采用三跨锚段关节②绝缘锚段关节采用,四跨,五跨锚段关节,安装处理上,尽量缩短接触导线工作支和非工作支同时接触受电弓滑板的长度,提高非工作支的坡度,并保证过度平滑,避免出现硬点和刮弓。
接触网导高与拉出值测量
一、接触网导高与拉出值测量的工程意义:
接触网导高与拉出值作为接触网的基本参数,工程上有着重要作用,具体表现在:
1、承力索架设后的测量:核实悬挂点处承力索的实际高度与相对于线路中心线的偏移值,检查支柱装配的结果是否符合要求,为接触线架设创造条件。
2、接触线架设后的测量:核实悬挂点处承力索的实际高度与相对于线路中心线的偏移值,检查支柱装配的结果是否符合要求,为悬挂调整提供基础参数,尤其是为整体吊弦的预制与安装提供计算依据。
3、悬挂调整后的测量:核实悬挂点处承力索的实际高度与相对于线路中心线的偏移值,检查悬挂调整结果是否符合要求。
二、接触网导高与拉出值测量方法:
1、直接测量法:较为简单,实训时采用;
2、间接测量法:工程检测时采用,具体有两种方法:TR-2型测距器配专用计算器三角形测量法与接触网参数激光测量法。
三、接触网导高与拉出值测量工程方法原理:
如图1所示,在现场采集悬挂点处承力索到2条钢轨内缘的距离A、B及2个相邻支柱间的跨距L并将测量数据记录下来。
(1)根据式(1)计算承力索对线路中心的水平偏移距离a′,单位mm:
a′= (B2-A2)/(2×1435)。
(1)
(2)根据式(2)计算承力索对轨面的垂直距离H1′,单位mm:
H1′={A2-[14352-(B2-A2)]2/(4×14352)}1/2。
(2)
(3)根据公式(3)计算该悬挂点处承力索的结构高度:
h = [ (H1′- H )2+(a′- a )2 ]1/2,(3)
式中,H为设计导线高度,单位mm;a为设计拉出值,单位mm。
说明:
1、以上计算过程,是先计算的挂点处承力索的高度H1′,如将其定义为接触线高度H1′,测量原理相同,仅需将A、B值的测量起点改为到接触线处即可。
2、计算公式(1)所得结果,在直链型悬挂中即为拉出值(或称之字值)。
四、TR型测距器配专用计算器接触网导高与拉出值测量法
TR型测距器是唯一的把三角法测量原理和电子计算器结合在一起的用于电气化铁路接触线几何参数地面测量的计测工具。
由郑州铁路局西安科研所独家研制、生产、经销和服务。
获郑州铁路局科技成果奖、科技成果推广奖并被陕西省标准标准情报研究所编入近10年来全国范围内的《计量测试技术成果选编》。
郑州、成都、兰州、北京、广州、上海等铁路局、电化工程局、铁道部第二、三、十二等工程局和煤矿部门60多个单位已使用近两千套,深受运营、施工现场的欢迎。
郑州铁路局西安科研所竭诚为电气化铁路各单位提供优质的产品和优良的服务。
使用方法及步骤:
1、将绝缘测杆依次联接牢固后,悬挂在接触线扬测点上。
2、松动端头,拉出刻尺,使端头密贴钢轨内侧面,读取刻度值(注意要读到毫米级),此值为接触线至钢轨内侧面的距离。
3、再将测杆移至另一钢轨,与第二步相同,读取另一刻度值。
4、将专用电子计算器电源开关打至ON/C
5、按comp键,此时显示器的右边显示[1]。
将所测的一个刻度值输入给计算器(按下相应的数字键)。
6、按comp键,显示器的右边显示[2]。
将所测的另一个刻度值输入给计算器。
7、按comp键,显示器的右边显示[3],将1440输入给计算器。
[轨距对计算影响较小,为操作上方便,用1440代替轨距平均值1435]
8、按comp键,显示之字值(拉出值)。
9、按comp键,3秒钟后显示接触线高度值。
注意事项:
1、绝缘测杆系绝缘工具,使用和保管均应按绝缘工具的有关要求进行.
2、在测量时,钢轨上的两点应使棒连线尽可能垂直钢轨,为了减少测量误差,手扶测杆即可,不要用力下拉。
3、测量的计算程序已被严密保护在程序存储器中,只要按上面操作步骤,任何时间都能重新取出使用。
4、严禁连续按2ndF、comp键,否则程序将失去。
万一程序丢失,可按以下步骤输入。
依次按下述各键:
当程序输入后,可按操作步骤依次输入9,7,8显示2和7,则程序正确。
*2ndF键为面板左上方的红色键。
五、接触网导高与拉出值实训测量方法:
1.测量工具:
道尺
线坠
测杆
钢卷尺
记录本
2. 测量方法:
将道尺防止于钢轨上,注意道尺与钢轨垂直。
将测杆拉开挂与承力索钩头鞍子上,线坠绑在测杆上,用钢卷尺垂直测量钢轨连线到测杆的距离。
3. 安全事项:
测杆必须干燥
测量前需测试导线是否带电
测量规程中需注意来往车辆。
测量后及时记录
测量中禁止登杆
六、导线调整方法
1.调整工具:
道线线夹
梯车
接触网工具
木锤
线路图
2.调整方法
将弹性吊弦和环节吊弦的长度缩短或伸长,使导线高度符合要求。
3.安全事项:
注意梯车推速度不超过5KM/H,不急开急停。
工作人员站于接触线不受力侧。
调整后进行复测。
小结:安全注意事项、检修程序。