铁矿球团工程设计规范标准
- 格式:doc
- 大小:176.00 KB
- 文档页数:20
铁矿粉制备球团生产铁的技术综述-冶金工程论文-工程论文简介本文对铁矿粉制备球团生产铁的技术进行综述,主要分析了球团制备工艺、球团烧结工艺以及球团在生产铁过程中的应用。
球团制备工艺铁矿粉制备球团是将铁矿粉与添加剂混合,并通过湿法制备成球团的工艺。
球团制备工艺的关键环节包括矿渣处理、细粉分散、粘结剂选择以及球团化机理等。
矿渣处理采用了加湿、破碎、磨矿等方法,能够降低矿渣的粉末粒度,提高其矿石烧结活性。
细粉分散主要通过磨矿机实现,磨矿可有效提高铁矿粉与添加剂的混合程度,促进球团化反应。
粘结剂的选择对于球团制备工艺至关重要,常用的粘结剂有煤焦沥青、发泡焦等,具体选择应根据铁矿粉的性质和生产要求来确定。
球团化机理研究指出,球团化反应是一个严格的物理化学过程,涉及到湿法粒子聚结、粘结剂润湿、发泡膨胀、晶格变形等多个阶段。
球团烧结工艺球团烧结是将球团在高温下进行加热,使其形成坚硬的球团矿的过程。
球团烧结工艺的关键环节包括烧结温度、烧结速度、固相反应以及气固相反应等。
烧结温度是球团烧结工艺中的重要参数,直接影响到球团的硬度和结构稳定性。
较高的烧结温度有助于提高球团的强度和耐磨性。
烧结速度是指球团烧结过程中的升温速率,过快的烧结速度会导致球团表面温度过高,从而产生过烧现象。
适当的烧结速度可保证球团的烧结质量。
固相反应主要是指球团中的铁矿石在高温下与添加剂之间的化学反应。
固相反应能够形成新的化合物,提高球团的强度和耐火性。
气固相反应主要是指球团与烧结气体之间的化学反应。
气固相反应能够形成富氧气氛,促进球团的烧结反应。
球团在生产铁中的应用球团在生产铁过程中起到了至关重要的作用。
它能够提高矿石利用率、减少废料排放、改善燃料利用效率等。
球团能够增加矿石表面积,提高矿石还原反应速率,从而降低还原时间,提高炉内产铁效率。
球团还能够减少废料排放,降低对环境的污染。
球团在高温下烧结时,能够发生矿渣化合物的转变和还原反应,减少了废料产生。
矿产资源开发利用方案编写内容要求及审查大纲
矿产资源开发利用方案编写内容要求及《矿产资源开发利用方案》审查大纲一、概述
㈠矿区位置、隶属关系和企业性质。
如为改扩建矿山, 应说明矿山现状、
特点及存在的主要问题。
㈡编制依据
(1简述项目前期工作进展情况及与有关方面对项目的意向性协议情况。
(2 列出开发利用方案编制所依据的主要基础性资料的名称。
如经储量管理部门认定的矿区地质勘探报告、选矿试验报告、加工利用试验报告、工程地质初评资料、矿区水文资料和供水资料等。
对改、扩建矿山应有生产实际资料, 如矿山总平面现状图、矿床开拓系统图、采场现状图和主要采选设备清单等。
二、矿产品需求现状和预测
㈠该矿产在国内需求情况和市场供应情况
1、矿产品现状及加工利用趋向。
2、国内近、远期的需求量及主要销向预测。
㈡产品价格分析
1、国内矿产品价格现状。
2、矿产品价格稳定性及变化趋势。
三、矿产资源概况
㈠矿区总体概况
1、矿区总体规划情况。
2、矿区矿产资源概况。
3、该设计与矿区总体开发的关系。
㈡该设计项目的资源概况
1、矿床地质及构造特征。
2、矿床开采技术条件及水文地质条件。
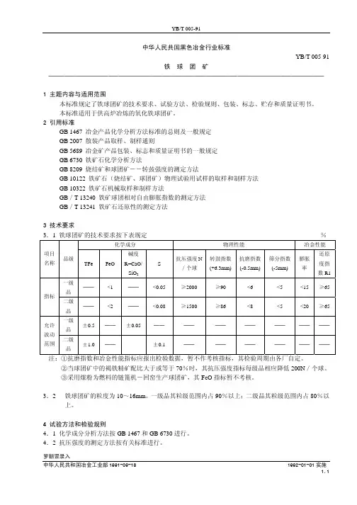
中华人民共国黑色冶金行业标准YB/T 005-91铁 球 团 矿───────────────────────────────────────────────────1 主题内容与适用范围本标准规定了铁球团矿的技术要求、试验方法、检验规则、包装、标志、贮存和质量证明书。
本标准适用于供高炉冶炼的氧化铁球团矿。
2 引用标准GB 1467 冶金产品化学分析方法标准的总则及一般规定GB 2007 散装产品取样、制样通则GB 5689 冶金矿产品包装、标志和质量证明书的一般规定GB 6730 铁矿石化学分析方法GB 8209 烧结矿和球团矿――转鼓强度的测定方法GB 10122 铁矿石(烧结矿、球团矿)物理试验用试样的取样和制样方法GB 10322 铁矿石机械取样和制样方法GB/T 13240 铁矿球团相对自由膨胀指数的测定方法GB/T 13241 铁矿石还原性的测定方法3 技术要求3.1 铁球团矿的技术要求按下表规定%化学成分物理性能冶金性能项目名称品级TFe FeO碱度R=CaO/SiO2S抗压强度N/个球转鼓指数(+6.3mm)抗磨指数(-0.5mm)筛分指数(-5mm)膨胀率还原度指数R1一级品──<1 ──<0.05 ≥2000 ≥90 <6 <5<15≥65指标二级品──<2 ──<0.08 ≥1500 ≥86 <8 <5<20≥65一级品±0.5 ──±0.05 ──────────────允许波动范围二级品±1.0 ──±0.1 ────────────注:①抗磨指数和冶金性能指标应报出检验数据,暂不作考核指标,其检验周期由各厂自定。
②当球团矿中的褐铁精矿配比大于或等于70%时,其抗压强度指标每级品相应降低200N/个球。
③采用煤粉为燃料的链篦机-回窑生产球团矿,其FeO指标暂不考核。
3.2铁球团矿的粒度为10~16mm。
球团矿相关标准规X 本标准规定了铁球团矿的技术要求、试验方法、检验规则、包装、标志、运输、贮存和质量证明书。
本标准适用于供高炉冶炼用的氧化铁球团矿。
优质铁烧结矿主题内容与适用X围本标准规定了优质铁烧结矿的技术要求、试验方法、检验规则、包装、标志、运输、贮存和质量证明书。
本标准适用于高炉冶炼用的优质铁烧结矿。
冶金产品化学分析方法标准的总则及一般规定散装矿产品取样、制样通则冶金矿产品包装、标志和质量证明书的一般规定铁矿石化学分析方法烧结矿和球团矿一转鼓强度的测定方法铁矿石(烧结矿、球团矿)物理试验用试样的取样和制样方法铁矿石机械取样和制样方法(铁矿石还原性的测定方法铁矿石低温粉化试验静态还原后用冷转鼓的方法本标准是根据我国资源特点、生产工艺条件和满足使用要求制定的。
本标准为推广应用高炉炉炉料开辟新途径,对强化高炉冶炼起到重要作用。
本标准由冶金工业部信息标准研究院提出并归口。
本标准由XX钢铁公司、XX市华锋冶固球团厂、冶金部信息标准研究院负责起草。
本标准规定了铁球团矿的技术要求、试验方法、检验规则、包装、标志、运输、贮存和质量证明书。
本标准适用于供高炉冶炼用的氧化铁球团矿。
优质铁烧结矿主题内容与适用X围本标准规定了优质铁烧结矿的技术要求、试验方法、检验规则、包装、标志、运输、贮存和质量证明书。
本标准适用于高炉冶炼用的优质铁烧结矿。
冶金产品化学分析方法标准的总则及一般规定散装矿产品取样、制样通则冶金矿产品包装、标志和质量证明书的一般规定铁矿石化学分析方法烧结矿和球团矿一转鼓强度的测定方法铁矿石(烧结矿、球团矿)物理试验用试样的取样和制样方法铁矿石机械取样和制样方法(铁矿石还原性的测定方法铁矿石低温粉化试验静态还原后用冷转鼓的方法本标准是根据我国资源特点、生产工艺条件和满足使用要求制定的。
本标准为推广应用高炉炉炉料开辟新途径,对强化高炉冶炼起到重要作用。
本标准由冶金工业部信息标准研究院提出并归口国标gb8209 87烧结矿和球团矿转鼓强度的测定方法高炉炼铁精料技术的内涵高炉精料技术的内涵是“高、熟、净、均、小、稳、少、好”八个字。
附件二:中华人民共和国污染防治最佳可行技术导则钢铁行业污染防治最佳可行技术导则——烧结及球团工艺(征求意见稿)XXXX-XX-XX 发布XXXX-XX-XX 实施环境保护部发布内容摘要近几年来,我国烧结行业得到了飞速发展,据2005年数据统计,全国有烧结机400多台(其中大型烧结机(200~495m2)27台),年产烧结矿3.7亿t,已成为世界烧结矿生产大国。
烧结(球团)厂是钢铁企业的污染大户,主要的污染物有颗粒物(烟粉尘)、SO2、NOx、CO2、CO、二噁英、氟化物、氯化物及重金属等。
工业烟粉尘、SO2是烧结(球团)厂的主要污染物,其中,SO2占钢铁工业总排放量的60%左右,工业粉尘占钢铁工业总排放量的25%左右,烟尘占钢铁工业总排放量的20%左右,因此做好烧结(球团)厂的污染防治工作是钢铁企业整体污染防治工作的重点之一。
“十一五”期间,国家对钢铁企业的环境保护工作提出了新的目标,其中烧结烟气脱硫还被列入“十一五”环境保护重点工程。
编制本导则主要目的是为了帮助企业选择合理的污染防治技术,为钢铁行业全面提升环境保护水平、实现节能减排目标提供技术支撑。
本导则的内容共分五章。
导言,主要介绍编制本导则的背景、目标、定义、作用和使用说明;第一章,烧结(球团)工艺的生产技术现状及主要环境问题,简要描述目前我国烧结(球团)生产的技术发展和装备水平,生产过程中的资源、能源消耗情况、主要污染物的产生、排放和控制措施;第二章,烧结(球团)污染控制的备选适用技术,从防与治两个方面阐述国内外实用有效的各项控制技术,着重于它们的技术特点、适用范围、技术指标和经济性,以及工程实例;第三章,烧结(球团)污染控制的最佳可行技术,在上述内容的基础上立足于四个层面确定并推荐若干项最佳可行的控制技术,即贯彻国家有关政策、法规,遵循清洁生产和循环经济理念,满足环保排放标准要求,瞄准先进、高效、经济和高水平;第四章,烧结(球团)污染控制新技术。
目录第一章综合说明 2第一节编制说明 2第二节工程概况 2第二章施工布署 4第一节施工指导思想 4第二节施工布署 4第三章具体吊装方案 5第一节事故浆液箱+烟囱吊装方案 5第二节吸收塔吊装方案 16第四章安全保证措施 36第一节安全生产方针及目标 36第二节安全防范重点 36第三节项目安全措施 37第五章吊装作业应急预案 38第一节应急组织机构 38第二节紧急联系方式 39第三节应急措施 39第四节工作危险性分析 39第五节控制危害方法 41第一章综合说明第一节编制说明一、编制说明1、本施工方案的编制遵循科学性、先进性、针对性、指导性的原则,力求方案“先进、可靠,经济合理”,为本标段工程施工提供可靠的工程技术指导性文件。
二、施工执行的规范、规程及标准第二节工程概况一、工程简介1、武汉钢铁集团矿业有限责任公司大冶铁矿球团厂,现有2座竖炉,其中一期工程为一座实际焙烧面积9.03m2竖炉,设计年产球团矿30万吨;二期工程为一座实际焙烧面积10.55m2竖炉,设计年产球团矿50万吨,实际能年产球团矿60万吨。
二台竖炉的烟气分别经电除尘器除尘净化后,由引风机经烟囱排入大气。
二台竖炉的烟气排放共用一座烟囱。
2、本项目配套建设烟气脱硫设施,脱硫设施采用石灰石—石膏法脱硫工艺方案。
3、大冶铁矿位于湖北省黄石市铁山区,西距武汉市60公里,东距黄石市25公里,东南距大冶15公里,矿区交通非常便利,公路与武黄高速公路相接,标准轨铁路与京广线相连,南经大冶沿大沙铁路可直通福州,上海,东至黄石城区与长江相通,直连国际航道。
4、我方主负责的钢结构工程,总重约254吨,其中事故浆液箱+烟囱安装高度为60米,吸收塔安装高度为34.22米。
具体工作量如下:二、工程名称工程名称:武钢矿业有限责任公司大冶铁矿球团烟气脱硫项目三、工程工期2014年8月3日正式进场施工,2014年10月15日吊装完毕,具备防腐施工条件。
第二章施工布署第一节施工指导思想工程施工质量、进度及场容场貌,对业主、总承包单位都具有重要的现实意义。
铁矿球团检测标准解释说明以及概述1. 引言1.1 概述铁矿球团是一种在钢铁制造过程中广泛应用的关键原材料。
球团质量的稳定性和检测标准的准确性对于保证钢铁生产的连续性、高效性以及产品质量起着重要作用。
因此,建立一套科学可行的铁矿球团检测标准显得尤为必要。
本文将深入探讨铁矿球团检测标准,从定义和背景、标准制定过程、标准内容及要点等方面进行解释说明和概述,旨在提供一个全面而系统的了解。
1.2 文章结构本文分为四个主要部分来介绍铁矿球团检测标准。
首先是引言部分,本节将简要介绍全文内容并概括各个章节的主题。
随后是第二部分,详细解释和说明铁矿球团检测标准的定义和背景、标准制定过程以及其中涵盖的内容和要点。
接下来是第三部分,对铁矿球团检测标准进行概述,并进行国内外标准对比分析,同时展望其发展趋势与前景。
最后是结论与总结部分,总结文章主要的发现和贡献,并提供对行业和实践的启示,同时也指出本研究的局限性以及未来的研究方向。
1.3 目的本文旨在全面介绍铁矿球团检测标准,为相关领域从业人员提供基础理论知识和实践指南。
通过对标准制定过程、内容及要点进行解释说明和概述,读者可以更好地了解铁矿球团的检测标准体系,并认识到其在钢铁生产中的重要性。
此外,国内外标准对比分析可帮助人们了解不同地区或国家对该领域标准制定的异同,并为未来发展提供参考。
最终,本文旨在推动铁矿球团检测技术及相关领域的进一步发展和完善。
2. 铁矿球团检测标准解释说明:2.1 定义和背景:铁矿球团检测标准是用于评估铁矿球团品质和质量的一套规定。
铁矿球团是将经过粉碎、混合、加水和压力成型等工艺处理的铁矿石形成的小颗粒团块,也被广泛应用于钢铁业。
由于不同地区和企业制备的铁矿球团具有不同的物理特性和化学成分,因此需要制定相应的检测标准来确保产品质量,并为相关行业提供可比较性和统一的技术要求。
2.2 标准制定过程:铁矿球团检测标准制定是一个系统性的过程,通常由国际标准化组织(ISO)或国家标准化机构牵头负责。
⼈造块矿(烧结矿、球团矿)⽣产指标第⼀节⼈造块矿⽣产概述⼈造块矿⼯业的产⽣和发展,完全是由铁矿⽯资源条件所促成的。
随着钢铁⼯业的发展,矿⽯的需要量不断增长,天然富矿⽇益减少,不得不对贫矿和多种元素共⽣复合矿进⾏开采,为炼,由此产⽣了造块⼯业。
经过⼈⼯造块并可⽤于冶炼的矿料称为⼈造块矿,也称⼈造富矿或熟料。
了满⾜品位的要求,对这些铁矿⽯需经破碎、选矿处理,以获得⼀定品位的细精矿粉。
选出的精粉品位越⾼,粒度磨得越细,单体分离的程度也就越好。
另外,富矿开采、破碎过程中也会产⽣⼤量的粉料,粒度过细的矿粉必须经过⼈⼯造块,达到⼀定粒度后才能进⾏⾼炉冶随着⾼炉向⼤型化发展,对⼊炉原料的要求越来越⾼,⽆论是化学成分、冶⾦性能,还是粒度组成,都需要进⼀步改进。
各钢铁⼯业发达国家都在认真进⾏炼铁的原料准备,提供优质⼈造块矿,以保证⾼炉)顺⾏,降低焦⽐,提⾼利⽤系数。
⼈造块矿在造块过程中,除了能改变矿料的粒度组成、机械强度之外,还可以去除⼀部分对冶炼有害的元素,提⾼矿料质量,改善矿相结构和冶⾦性能,因⽽使⽤⼈造块矿有利于强化⾼炉冶炼,获得良好的⽣产指标。
⼤⼯业⽣产易产⽣许多副产品和废弃物,如⾼炉炉尘、轧钢⽪、铁屑、硫酸渣、钢渣、炼钢除尘灰及破碎后的其它含铁粉料等,这些东西都是弃之可惜、⽤之费⼒。
把它们利⽤起来,可以降低成本,扩⼤炼铁资源,并收到变害为利、变废为宝的效果。
另外,造块的燃料可以⽤⽆烟煤和焦末,节约冶⾦焦,合理利⽤能源。
因此,国内外钢铁⼯业都很重视⼈造块矿的⽣产。
⼈造块矿的⽣产⽅法较多,可分为烧结法、球团法、⽅团矿、铁焦等等。
⽬前世界上应⽤最⼴泛的是烧结法和球团法。
⼀、烧结法烧结法是将矿粉(包括富矿粉、精矿粉以及其它含铁细粒状物料)、熔剂(⽯灰⽯、⽩云⽯、⽣⽯灰等粉料)、燃料(焦粉、煤粉)按⼀定⽐例配合后,经混匀、造粒、加温(预热)、布料、点⽕,借助炉料氧化(主要是燃料燃烧)产⽣的⾼温,使烧结料⽔分蒸发并发⽣⼀系列化学反应,产⽣部分液相粘结,冷却后成块,经合理破碎和筛分后,最终得到的块矿就是烧结矿。
外购竖炉球团矿2004-08-03发布2004-08-10实施本溪钢铁(集团)有限责任公司发布Q/BB631-2004前言本标准主要修订内容:——规范检验方法;——调整二级品理化指标;——增加含粉指标;——修改检验批次;——增加附录A:球团矿转鼓强度试验方法。
本标准由本溪钢铁(集团)有限责任公司技术中心提出。
本标准由本溪钢铁(集团)有限责任公司技术中心归口。
本标准起草单位:本溪钢铁(集团)有限责任公司技术中心。
本标准主要起草人:张险峰本标准2003年5月首次发布,2004年8月第一次修订外购竖炉球团矿1范围本标准适用于本钢铁业公司炼铁用外购竖炉球团矿(以下简称球团矿)的采购和验收。
2规范性引用文件下列文件中的条款通过本标准的引用而成为本标准的条款。
凡是注日期的引用文件,其随后所有的修改单(不包括勘误的内容)或修订版均不适用于本标准,然而,鼓励根据本标准达成协议的各方研究是否可使用这些文件的最新版本。
凡是不注日期的引用文件,其最新版本适用于本标准。
ISO4701铁矿石——粒度筛分的测定GB/T6730.5-1998铁矿石化学分析方法三氯化钛-重铬酸钾容量法测定全铁量GB/T6730.8-1998铁矿石化学分析方法重铬酸钾容量法测定亚铁量GB/T6730.9-1998铁矿石化学分析方法硅钼蓝光度法测定硅量GB/T6730.13-1998铁矿石化学分析方法高锰酸钾容量法测定钙量3技术要求3.1球团矿的理化性能指标应符合表1的规定。
3.2球团矿的粒度应符合表2的规定。
表2允许波动范围%粒度范围(mm)大于上限小于下限允许最大粒度mm8~20<5<530 3.3球团矿中不得混入泥土、碎石等杂物。
4试验方法4.1取样在球团矿卸入原料场地前车上采取,车车采样。
汽车进货按图1进行取样,火车进货按图2进行。
L—车长、W—车宽图1汽车进货取样位置1.5m 1.5mL—车长、W—车宽图2火车进货取样位置4.1.2取样量每点取1个子样,不少于2Kg,取样深度不小于300mm。
冶金企业安全生产标准化评定标准(烧结球团)考评说明1.本评定标准所称烧结球团企业包括钢铁联合企业中的烧结球团单元及独立烧结球团生产企业。
本评定标准适用于烧结球团企业开展安全生产标准化自评、申请、外部评审及安全监管部门监督审核等相关工作。
2.依法生产的烧结球团企业,在考核年度内未发生较大及以上生产安全事故的,可以参加安全生产标准化等级考评。
3.本评定标准分为13项考评类目(A级元素)、47项考评项目(B级元素)和224条考评内容(核心内容)。
4.在评定标准表中的自评、评审描述列中,企业及评审单位应根据评定标准的有关要求,针对企业实际情况,如实进行得分及扣分点说明、描述,并在自评扣分点及原因说明汇总表(见附表)中逐条列出。
5.本评定标准中累计扣分的,直到该考评内容分数扣完为止,不得出现负分。
有特别说明扣分的(在考评办法中加粗的内容),应在该类目内进行扣分。
6.本标准共计700分,最终标准化得分换算成百分制。
换算公式如下:标准化得分(百分制)=标准化工作评定得分÷(700-不参与考评内容分数之和)×100。
最后得分采用四舍五入,取小数点位后一位数。
7.标准化等级共分为一级、二级、三级,其中一级为最高。
评定所对应的等级应同时满足标准化得分和安全绩效要求,取其中较低的等级确定最后标准化等级(见下表)。
8.烧结球团企业安全生产标准化考评程序、有效期、等级证书和牌匾等按照《冶金企业安全标准化考评办法(试行)》(安监总管一〔2008〕23号)中第六至十条的有关要求执行。
冶金企业安全生产标准化评定标准(烧结球团)自评/评审单位:自评/评审时间:从年月日到年月日自评/评审组组长:自评/评审组主要成员:— 5 —— 6 ——7 ——8 ——9 ——10 ——11 ——12 —附表自评扣分点及原因说明汇总表。
第4部分:球团车间工艺技术规程 QJ/AG XG 0203.02.04 –2005炼铁总厂工艺技术标准第4部分:球团车间工艺技术规程1范围本规程规定了铁球团矿生产的工艺技术内容及要求。
本规程适用于炼铁总厂球团车间。
2规范性引用文件下列文件的条款通过本标准的引用而成为本标准的条款。
凡是注日期的引用文件,其随后所有的修改单(不包括勘误的内容)或修订版均不适用于本标准,然而鼓励根据本标准达成协议的各方研究是否使用这些文件的最新版本。
凡是不注日期的引用文件,其最新版本适用于本标准。
QJ/AG6305-01-10.6.1-97 球团矿中的TFe、SiO2、CaO、MgO、同步测定—X射线荧光光谱法GB 6730/T.8 球团矿化学分析方法重铬酸钾容量法测定亚铁量GB/T 13241 球团矿还原性的测定方法GB/T 13242 球团矿低温粉化试验静态还原后使用冷转鼓的方法YB/T 5166 球团矿转鼓强度的测定方法Q/ASB 11 球团矿Q/ASB 4 铁精矿矿第4部分:球团车间工艺技术规程 QJ/AG XG 0203.02.04 –20054 原、燃料4.1 原料技术条件4.1.1 铁精矿技术条件执行Q/ASB 4标准,见表14.2.1 贮矿仓主要参数,见表3。
4.3.1 工艺参数精矿干燥工艺参数,见表5。
4.3.2.1球团生产使用两种精矿,但仅可干燥一种精矿。
根据原始水分大小和供料情况可任意选择,改变干料种需车间同意,同时要通知配料矿槽岗位做好接料准备,避免混料。
4.3.2.2为了保证铁精矿的干燥效果,在雨季或来料特别潮湿的情况下可采用适当减少给料量、提高干燥介质温度和增加干燥介质流量等强化措施。
4.3.2.3正常情况下煤气总管压力大于4000Pa。
支管压力大于2000Pa。
当煤气支管压力小于1500Pa时,发出低压警报,应及时关闭烧嘴、停止供料,并通知主控室。
4.3.2.4新砌炉体必须按特定的烘炉曲线严格控制炉温。
球团生产工艺流程图16mm≥9mm球团车间工艺技术操作标准1、目的:合理科学安排组织生产,确保炼铁厂使用优质合格的球团矿。
2、适用范围:适用于球团车间球团矿生产。
3、职责:3.1 组织协调球团车间生产经营活动,按计划完成生产计划部下达的各项生产任务。
3.2 积极实施生产组织方案,确保科学有序进行生产。
3.3 制订安全、设备、现场管理制度,并组织实施;配合技术质检科搞好生产创新。
4、岗位工艺技术操作标准4.1 仓上岗位工艺技术操作标准4.1.1 操作工应随时掌握各料仓存料情况及配比,并及时通知铲车上料,保证铁粉仓存达到大于1/3,小于2/3,膨润土仓存达到1/2以上。
4.1.2 清理仓上的散落料,严禁错料、混料,必须保证仓篦通透良好,及时清理铁粉中杂物。
4.2 配料岗位工艺技术操作标准4.2.1 认真执行厂、车间下达的各项配比,不得随意大幅度变更,为保证配料的准确性,配比调整后配比总和应保证在100±5%范围之内。
4.2.2 配料岗位工必须保证准确的给料量,每小时对膨润土,铁粉实际下料量测定一次,并做好记录,通知PLC室,要求铁精粉偏差±0.5 kg/m, 膨润土偏差±0.02kg/m。
4.2.3 发现物料中有杂物,立即捡出,不允许有大块杂物进入烘干机。
4.3 PLC工艺技术操作标准4.3.1 检查各处设备是否良好,线路有无断开及短路现象。
4.3.2 接到指令进行配比调整,5分钟之内准确输入完成。
4.3.3 PLC所控设备操作要准确无误,上、停、变料做到料头、料尾整齐。
4.3.4单仓不下料,及时切换至另一相同物料仓;单仓下料量波动超出范围,及时零点校准。
4.3.5 每小时在电子称小皮带上取样,检测物料水份、粒度并报相关岗位。
4.3.6 料批调整前要通知烘干,然后再做调整,根据炉况稳定料批,不得大幅度加减料批。
4.3.7 原始记录及统计计算,做到记录清楚无误准时。
4.4 烘干工艺技术操作标准4.4.1 烘干岗位工应加强上、下工序的联系,及时掌握进烘干筒物料水份、亲水性。
球团矿质量应包括化学成分、物理性能和冶金性能等三个方面。
具体要求如下表:各指标含义及测定方法:1)抗压强度球团矿抗压强度的检测标准和国际标准ISO 700相同。
国标(GB/T14201-93)。
随即取样大约1公斤,每次试验应区直径12.5~10.0mm成品球60各进行试验。
2)筛分指数筛分指数的测定方法:取100kg试样,分成五分,每分20kg,用5mm×5mm的筛子筛分,受筛往复10次,称量大雨5mm筛上物出量A,以小于5mm占试样质量的百分数作筛分指数%。
筛分指数 =(100-A) ×100/100我国要求球团矿筛分指数不大于5%。
3)转鼓指数转鼓强度是评价球团矿抗冲击和耐磨性能的一项重要指标。
因为耐磨性能代表乐球团矿形成粉末的倾向。
世界各国采用的测定方法尚未统一,但我国已参考国际标准(ISO3271-1975)作为现行国家标准方法。
4)球团矿还原性还原性是指球团矿被还原气体CO 和H2还原的难易程度,还原性好,有利于降低焦比。
影响还原性的因素主要有矿物组成、结构、致密程度、粒度、和气孔率等。
目前采用热天平减重法测定还原性,国标(GB/T13241-91)。
还原度指数 RI=100]10043.043.011.0[2011⨯⨯⨯--w m m m w w t m 0:试样质量m 1:还原开始前试样质量,g m t :还原后的试样的质量,g w 1:还原前试样中FeO 的含量 w 2:试验前试样的全铁含量% 5)球团矿低温还原粉化性能球团矿进入高炉炉身上部在500~600℃区间,由于受气流冲击及Fe 2O 3->Fe 3O 4->FeO 还原过程发生晶形 ,导致球团矿粉化,直接影响高炉内气流分布和炉料顺性。
低温还原粉化测定主要有静态法和动态法,我国大部分研究者和生产企业倾向于采用静态法还原粉化指标,而且把静态法作为国家标准(GB/T13242-91)。
低温还原粉化指数RDI 分别用RDI +6.3RDI +3.15和RDI -0.5表示。
目录第一部分编制说明································错误!未定义书签。
1.编制目的、宗旨错误!未定义书签。
2.编制依据错误!未定义书签。
3.适用范围错误!未定义书签。
第二部分施工方案································错误!未定义书签。
1.工程概况错误!未定义书签。
2.施工准备错误!未定义书签。
2.1技术准备·······················错误!未定义书签。
2.2物资准备错误!未定义书签。
2.3劳动力准备错误!未定义书签。
3.总体施工部署错误!未定义书签。
4.施工总体进度计划及保证措施错误!未定义书签。
4.1施工进度安排原则···················错误!未定义书签。
球团矿生产对铁精矿的要求球团矿生产所用的原料主要是精矿,一般占造球混合料的90%以上,因此精矿的质量如何对生球、成品球团矿的质量起着决定性的作用。
不言而愈,它直接左右着球团生产过程的经济技术指标。
球团生产对铁精矿的要求是:一定的粒度、适宜的水分和均匀的化学性质是生产优质球团矿的三项基本要求。
(一)粒度有人作过试验,要使物料(铁矿物)能成球其320目(-0.045毫米)粒级的必须达35%以上,否则,不论采取什么措施企图借滚动成球都是办不到的。
可见一定的细度是物料成球必要条件。
理论与生产实践都证明,为了稳定造球过程和获得足够强度的生球,精矿必须有足够细的粒度和一定的粒度组成。
据国外生产经验介绍适合造球的精矿其-0.044毫米(325目)部分应在60~85%之间,或-0.074毫米(200目)部分应在90%以上,尤其是其中-20μ部分不得少于20%。
而且精矿的粒度组成还必须保持相对稳定。
据试验所得,所控制的粒度(-0.044、-0.053、-0.074毫米),其波动不得超过±1.5%。
对于粉状物料的细度的表示方法我们通常也采用比表面积。
对于造球而言,有些专家认为比表面积较之粒度组成(粒度筛分)能更好地反映原料的成球性能。
事实上粒度与比表面积并不成直接关系。
目前国外球团厂家所使用的含铁原料的比表面积,一般控制在1300~2100cm2/g之间,绝大多数控制在1500~1900cm2/g之间。
应该指出的是,对球团整个生产过程来说,精矿的粒度也并不是越细越好,第一,粒度过细,造成脱水困难,因而需要干燥,带来工艺复杂化;第二,粒度过细必然加大磨矿过程的能量消耗。
因此,粒度过细反会使生产的费用增大,经济收益减少。
(二)水分水分的控制和调节对造球是极其重要的。
水分的变化不但影响生球质量(粒度、强度)和产量,也影响下步干燥、焙烧工艺过程,严重时还影响到设备(如造球系统)的正常运转。
精矿的最佳水分与其物理特性(粒度、密度、亲水性、颗粒孔隙率等)、混合料的组成、造球机的生产率及成球条件等有关,最佳水分值必须通过试验确定。
铁矿球团工程设计规目录1 总则 (1)2 术语 (2)3 基本规定 (5)4 原料要求及原料的准备和加工 (6)4.1 工艺原则 (6)4.2 铁矿粉 (6)4.3 粘结剂和添加剂 (6)4.4 燃料 (7)5 配料和混合 (8)5.1 工艺原则 (8)5.2 配料 (8)5.3 混合 (8)6 造球和生球筛分 (9)6.1 工艺原则 (9)6.2 造球 (9)6.3 生球筛分 (9)6.4 生球质量 (9)7 布料和焙烧 (10)7.1 工艺原则 (10)7.2 布料 (10)7.3 焙烧 (10)8 成品的筛分、贮运和粉料的处理 (14)9 电力和自动化 (15)9.1 电力 (15)9.2 自动化 (15)10 辅助设施 (17)10.1 总图运输 (17)10.2 除尘、通风、空调采暖 (17)10.3 给水、排水 (18)10.4 压缩空气及其他气体的供应 (18)10.5 建筑和结构 (19)11 计量、检化验和试验 (20)11.1 计量 (20)11.2 检化验 (20)11.3 试验 (20)12 维修检修 (21)13 节能与循环经济 (22)14 环境保护 (23)15 安全、工业卫生与消防 (24)15.1 安全、工业卫生 (24)15.2 消防 (24)1 总则1.0.1 为在铁矿球团工程设计中更好地贯彻执行国家的产业政策,做到技术先进、经济合理、节能减排、安全环保而制定本工程设计规。
1.0.2 本规适用于各种类型铁矿球团工厂的新建、扩建和改造的工程设计。
1.0.3铁矿球团工程设计除应符合本规外,尚应符合国家现行有关标准规的要求。
2 术语2.0.1 原料 raw materials为生产球团矿所使用的铁矿粉、铁精矿及其他含铁物料的总称。
2.0.2燃料 fuel为球团焙烧提供热能的物料,如天然气、焦炉煤气、重油、煤等的总称。
分为气体燃料、液体燃料和固体燃料三大类。
2.0.3 粘结剂 binder为提高铁精矿的成球性能,在铁原料配加的膨润土、生石灰或消石灰以及相关有机物的总称。
分为有机粘结剂和无机粘结剂两种。
2.0.4添加剂 additive为满足球团矿的不同质量要求,在铁原料中加入的一定量的石灰石、白云石等物料的总称。
粘结剂和多种添加剂混匀后,再配入到铁原料中,称为复合添加剂。
2.0.5 配碳 internal carbon在造球前配入的少量无烟煤、焦和石油焦等的含碳粉料。
2.0.6 料场 stockyard铁原料、煤和成品球团矿的堆贮设施。
分为原料堆场和成品堆场。
2.0.7 球团 pelletizing铁精矿粉配加粘结剂、添加剂后造成球,经过干燥、预热、高温焙烧、冷却,达到一定强度的工艺过程。
2.0.8 再磨 re-grinding当磨选后的铁精矿细度和比表面积不能满足造球要求时,对铁精矿采取的干磨、湿磨、润磨、高压辊磨等工艺过程。
2.0.9精矿干燥 concentrate drying当铁精矿的水分不能满足高压辊磨或造球要求时,对铁精矿进行加热以挥发水分的过程。
2.0.10自动重量配料 automatic weight proportioning所需的铁精矿、粘结剂、添加剂、配碳等,按重量配比进行自动调节各种物料给定量的过程。
2.0.11 混合料 mixture铁精矿、粘结剂和各种添加剂进行充分混匀后的物料。
2.0.12 造球 balling混合料在造球机成球的过程。
2.0.13生球 green ball由造球机制成的、未经干燥的中间产品。
2.0.14 焙烧 induration将生球加热升温,使其充分氧化、再结晶和晶体长大,实现固结的过程。
2.0.15 铺底和铺边料 hearth and side layer在带式焙烧机台车的底部和两边侧所铺设的一定厚度的成品球团矿。
2.0.16料层厚度 bed depth链箅机或带式焙烧机台车上所铺生球的厚度。
2.0.17 料层透气性 bed permeability在—定的料层厚度和一定的风压情况下,单位面积通过风量的能力。
2.0.18带式焙烧机面积利用系数 SG machine productivity带式焙烧机单位有效面积每天的成品球团矿产量。
单位:t/(m2.d)。
2.0.19 链箅机面积利用系数 grate machine productivity链箅机单位有效面积每天通过的成品球团矿产量。
单位:t/(m2.d)。
2.0.20 回转窑容积利用系数 kiln productivity回转窑单位有效容积每天的成品球团矿产量。
单位:t/(m3.d)。
2.0.21 竖炉容积利用系数 shaft furnace productivity竖炉单位有效容积每天的成品球团矿产量。
单位:t/( m2.d)。
2.0.22 热工系统 heating process system球团焙烧的供热和传热系统。
2.0.23 焙烧制度 induration regime生球加热过程中,根据不同的原料和生球的性质而采用的不同温度、时间和气氛、供热强度等热工参数的总称。
2.0.24生球干燥 green ball drying生球加热升温脱除水分的过程。
2.0.25抽风干燥 down draft drying (DDD)热风自上而下通过料层使生球脱除水分的过程。
2.0.26鼓风干燥 up draft drying (UDD)热风自下而上通过料层使生球脱除水分的过程。
2.0.27 过渡预热 tempered preheating (TPH)生球经干燥后继续升温,进一步脱除水分和自由硫,开始碳酸盐和部分硫酸盐的分解和脱除的过程。
2.0.28预热 preheating(PH)料层在一定预热温度气体作用下,碳酸盐全部分解脱除和硫酸盐部分分解,生球部晶粒经氧化和再结晶,达到固结并具有一定强度的过程。
2.0.29回热 circulation of heat将焙烧工艺中的热气流循环利用的过程。
2.0.30调温 temperature adjustment根据球团焙烧过程不同的温度要求,对回热气流进行升温或降温的措施。
2.0.31物料平衡 mass balance球团焙烧过程中各种物料进、出的重量平衡计算。
2.0.32 热平衡 heat balance球团焙烧过程中各项热量进、出的平衡计算。
2.0.33 风平衡 flow balance球团焙烧过程中风量进、出的平衡计算。
2.0.35 放散烟囱 bleed-off stack当焙烧高温气体超常或设备出现事故时,为保护高温设备不受损坏,而设置的能立即把高温气体快速放散的装置。
2.0.36 管道热风炉 duct air heater furnace在回热风管上设置的供热装置。
3 基本规定3.0.1开展铁矿球团工程设计应具备下列条件:1 应有确定的厂址和工程围,、外部条件及相关的基础资料。
2应有可供确定主工艺流程和产品方案的模拟工业性试验报告。
3应有经充分论证确定的建设规模。
3.0.2铁矿球团工程规模的划分应符合下列规定:1大型:主机(窑、炉)单系统年产量等于或大于300万t。
2中型:主机(窑、炉)单系统年产量等于或大于120万t至小于300万t。
3 小型:主机(窑、炉)单系统年产量小于120万t。
3.0.3对不同的原料、燃料、辅料必须进行模拟工业性试验研究,其结果应作为工程设计的依据。
3.0.4铁矿球团工厂的工作制度应为连续工作制。
3.0.5 中型球团工厂的年日历作业率应等于或大于90.4%。
3.0.6 工艺和设备选择应符合下列要求:1 工艺和设备选择,特别是主工艺和主要设备,应采用国先进、高效可靠、安全节能和环境友好型的设备。
当国工艺和国产设备不能满足产品质量、节能减排要求时,应考虑引进先进的工艺和设备。
2辅助系统设备的规格和性能应与主系统匹配,并应留有一定的富余。
3严重影响主机作业率的设备,可设备用机或备用系统。
4禁止采用国外淘汰的二手设备。
对国现有的落后工艺和设备应加快淘汰的步伐。
4 原料要求及原料的准备和加工4.1 工艺原则4.1.1 各种原料、燃料和辅料的准备和加工的质量应满足球团矿生产的要求。
4.1.2各种原料、燃料和辅料的供应量应能满足生产的要求,并应有富余。
4.1.3 各种物料应分类堆存,不可发生混料现象。
4.2 铁矿粉4.2.1 铁矿粉的物理化学性质应符合下列要求:1铁精矿中TFe含量宜大于66.5%,波动允许偏差为±0.5%;SiO2含量应小于4.5%,波动允许偏差为±0.2%。
2铁精矿的水分含量应小于10%。
3铁精矿的比表面积根据矿石性质和造球工艺的不同,圆盘造球工艺宜为1800~2000cm2/g,圆筒造球工艺应为2000~2200cm2/g。
4.2.2 铁矿粉的准备和加工应符合下列规定:1当采用多种铁矿粉生产球团矿时,应设铁矿粉的混匀设施。
但铁精矿的种类不宜超过三种。
当采用两种及以上铁精矿时,宜设预配料工艺。
2铁矿粉入厂后应有5~7天的储量。
如采用进口铁矿粉则储量应有35天以上,并应设专用料场。
3当铁精矿含水量高于造球水分时应设干燥系统;干燥后铁精矿的水分应低于生球水分的5%~10%;当后续设有高压辊磨机时,铁精矿干燥后的水分宜为8%。
4铁精矿干燥宜采用圆筒干燥机,并应采用顺流式配置方式。
进入干燥收尘系统的烟气温度应高于露点温度。
5干燥机能力的配备可根据原料条件不同采用全干或半干两种方式,同时应设有旁路系统。
未经干燥的铁精矿贮运设施应设有防粘和防堵设施。
6当铁精矿的细度不能满足造球要求时应设再磨工艺。
再磨工艺的类型应根据铁矿粉原始粒度的粗细和性能来选择。
对大、中型球团工程,宜采用湿球磨工艺、高压辊磨工艺或这两种工艺的组合;对小型球团厂可采用润磨或其他磨矿工艺。
再磨工艺中应设筛除铁块和杂物的处理设施。
7采用湿磨工艺时,再磨矿细度宜达到比表面积1500~1800cm2/g。
8高压辊磨机的规格、型号应由制造商经过试验后确定。
4.3 粘结剂和添加剂4.3.1选用膨润土作粘结剂时,应对其造球性能的优劣进行比较,应选用造球性能好的膨润土,且应经模拟工业性试验证实。
应优先采用纳基膨润土,其次是活化钙基膨润土。
在满足生球质量的前提下,应减少膨润土用量。
在使用国产膨润土作粘结剂时,其用量宜小于或等于干基混合料量的1.2%。
4.3.2 有机粘结剂和复合粘结剂的使用应根据其来源、价格和性能、效果等因素综合评价后确定。
4.3.3粘结剂的进厂方式和贮存应符合下列条件:1外部运输距离短时,宜采用密封罐车进厂,然后用气力输送的方式送入配料仓储存,储存时间宜为2~3天。
2运输距离较远时,宜采用袋装方式入厂,并应设膨润土储存间,储存量宜满足15天的用量。
4.3.4生产熔剂性球团矿和含镁球团矿时,宜配加石灰石、白云石等添加剂,其中-325目的含量宜等于或大于90%。