汽车制动试验台说明书 - 副本
- 格式:doc
- 大小:71.50 KB
- 文档页数:9
汽车制动检测台操作规程一、基本概念汽车制动检测台是一种用于测试汽车制动系统的设备。
其工作原理是利用制动力计和测力计等设备来测试车辆制动系统的性能指标,如制动距离、制动平衡性和制动功效等。
二、检测前准备1. 车辆准备(1)关闭车辆引擎,挂档空挡并拉紧手刹。
(2)放置车辆稳定器,使其停放在制动平面上。
(3)将车轮轮胎充气至规定压力,并确保轮胎没有轮胎气泄漏情况。
2. 检测设备准备(1)检查制动检测设备的电源线,指示灯和接线端子等是否正常。
(2)检查电缆线和传感器等连接是否牢固。
(3)检查制动力计和测力计等设备是否校准准确。
三、检测程序1. 第一步:制动器检测(1)将检测设备上提升点取下并放置在车轮上。
(2)将设备上的操作面板设置为制动器检测模式,并根据车辆型号和车轮数量选取相应的制动器检测程序。
(3)按指示操作,将车辆推进至制动平面,等待制动器信号灯亮起并测试结束后,移下提升点,以便后续检测。
2. 第二步:制动力检测(1)按照车辆型号和车轮数量设置制动力检测模式。
(2)按照设备操作说明,开始制动力检测,记录下制动力数据。
3. 第三步:制动平衡性检测(1)按照车辆型号和车轮数量设置制动平衡性检测模式。
(2)启动检测程序后,将车轮轮胎轻轻推动,记录下制动平衡性数据。
4. 第四步:底盘侧滑检测(1)将车辆推进到底盘侧滑检测位置。
(2)按照设备操作说明,开始底盘侧滑检测,记录下侧滑度数据。
5. 第五步:打印测试报告根据检测结果,打印测试报告,并对车辆制动系统进行分析和评估。
四、检测注意事项1. 检测车辆前,应确保其制动系统处于正常工作状态,如制动液液位和制动片磨损等。
2. 检测过程中,应确保车辆不会滑动或撞击到周围物体。
3. 检测完毕后,及时关闭设备,断开电源和电缆线等连接。
五、检测结果和评估根据检测结果和测试报告,可以评估车辆制动系统的性能和可靠性,并及时进行维修和保养,以保证车辆制动性能的稳定和安全。
JF122H(JB)型制动器惯性试验台使用说明书吉林大学机电设备研究所吉林省吉大机电设备有限公司2011年11月28 日目录1. JF122H制动器试验台的用途及特点........ ............ . (3)2. JF122H制动器试验台的主要技术参数.............. . (4)3. JF122H制动器试验台的结构及工作原理............ . (7)4. JF122H制动器试验台的安装与调试................ .. (10)5. JF122H制动器试验台的标定及试验准备............ .. (14)6. JF122H制动器试验台的试验台的维护保养........ .. (19)7. JF122H制动器试验台的常见故障及处理方法.... .. (21)8. JF122H制动器试验台的易损外购件明细表. ............... (22)9附图1.试验机结构图2.被试制动器联结件图3.液压原理图及零件表4.气动原理图及零件表5.电气原理及接线图※本试验台的计算机,绝对不允许运行与此设备无关的软件;以免感染病毒, 影响设备的正常运行。
否则,引起一切后果自负。
1. JF122H型制动器惯性试验台用途及特点1.1用途JF122H型制动器试验台,其试验原理是根据制动副摩擦力矩与压力成正比的特性而确定的;其试验原理是目前全世界摩擦材料和汽车制造商所公认的。
JF122H型制动器试验台应用于生产质量控制和摩擦材料的开发;测试摩擦材料的摩擦系数及制动器摩擦衬片与压力,速度,温度的相关特性及耐磨损性能等;还可用于制动器的噪声测试。
适用于载重量小于3.0吨的盘式制动器及摩擦衬片及鼓式制动器及摩擦衬片。
1.2特点JF122H型制动器试验台是制动器及摩擦衬片的摩擦性能惯性试验设备。
在惯性飞轮的设置形式上,参照了德国申克公司的等比法兰固定式( 5.0kg.m2, 2.5 kg.m2, 1.25 kg.m2)和美国LINK公司的等分锥轴固定式(80.0 kg.m2, 40 kg.m2×3,20.0 kg.m2 , 10 kg.m2×2)) 设计。
ZD-10汽车制动试验台操作规程及维护保养
1.操作规程
1.1打开仪表电源开关,接通电源,确认仪表显示为零,进入工作状态,否则按复位键清零。
1.2打开电机控制箱电源开关,接通电源。
1.3需要检测的汽车以4千米/小时的速度驶上试验台,汽车车轮应清洁干净,不得有石子和铁钉。
检测的车轮支承在两滚筒之间,汽车中心线应与滚筒轴线垂直,停稳后确定汽车处于空挡状态。
1.4按下“双轮”键,左右台架滚筒正向转动,2秒钟后仪表箱两侧指示灯开始闪烁,此时司机踏下制动踏板进行制动,车轮停止转动,滚筒也停止转动。
1.5仪表显示出左右轮的制动力数值,不对称数值,按一下“打印”键,即打印出当前左右轮制动力数值、制动过程曲线。
1.6按下驱车按钮,左右台架的滚筒反向转动,同时开动汽车驶出试验台。
1.7在试验时如果发生意外情况需要停止测试时,可按仪表上的“急停”按钮。
1.8汽车轴重不得超过10吨。
2.设备的维护保养
2.1要经常清扫,保持试验台清洁,滚筒上不得沾有油污。
2.2每月须给传动链条和链轮加40号机油润滑(可加黄油)。
2.3每半年须给轴承加润滑脂一次。
2.4每年须对设备标定一次。
2.5减速箱每年换油一次。
2.6发现链条松紧不当,应进行调整,带座轴承边上张紧螺栓调整是链条松紧用的,一般链条松紧程度以松边中间处下垂量为8-10mm。
平板式制动试验台操作规程
1、开机
(1)接通控制柜电源,220V A
(2)打开控制计算机电源开关
(3)启动检测软件,进入待命检测状态
2、检测操作
(1)引车员根据提示,以5~15km/h速度驶上平板,置变速器于空档,当前轮驶入前检测板,后轮已驶入后检测板时紧急制动,此时检测出前后制动力及动态轮荷。
(2)制动完毕后稍停一会,系统测试出检测车辆的静态轮荷。
(3)车辆继续前进,等后轮驶上前面的平板时(四板检测)或后轮驶上检测平板(两板检测),置变速器于空挡并驻车制动,系统测试出驻车制动力。
(4)检测完毕车辆驶出检测台。
3、注意事项
(1)轴重大于检验台允许重量的汽车,请勿开上检验台。
(2)车辆进入检验台时,轮胎不得夹有泥、砂等杂物;不应让油水、
泥砂等进入试验台内。
禁止在检验台上进行车辆维修作业。
保持门窗干净、无尘土、玻璃清洁、透明。
(3)。
汽车制动检测台操作规程范本一、引言本操作规程旨在确保汽车制动检测台的正常运行,保障操作人员的安全,提升检测结果的准确性和可靠性。
操作人员在进行汽车制动检测过程中,应严格按照本规程的要求进行操作。
二、设备准备1. 确保汽车制动检测台的设备完好,无故障。
2. 根据车辆型号和制动配置,调整和校正相应的传感器和仪器。
3. 检查测量系统的精确度和稳定性,确保测试数据的准确性。
4. 确保液压系统和控制系统的工作正常。
三、操作流程1. 操作人员应穿着合适的工作服,并佩戴安全帽和防护手套。
2. 将待检车辆停放在汽车制动检测台上,并确保车辆稳定静止。
3. 操作人员应仔细检查车辆的制动系统,确保制动系统没有渗漏、磨损等问题。
4. 操作人员按照车辆制动检测程序的要求,选择适当的检测模式。
5. 在检测过程中,操作人员要时刻密切关注汽车制动检测台上的显示屏,确保读数准确。
6. 在进行刹车过程中,操作人员应保持稳定和均匀的刹车力。
刹车时不得突然松开或踩下制动踏板。
7. 检测完成后,操作人员应仔细记录测试结果,并对结果进行分析和解读。
8. 根据检测结果,及时提出相应的建议和处理措施,保障汽车制动系统的安全性和可靠性。
四、安全措施1. 操作人员在操作过程中必须严格遵守安全规则和要求,确保自身安全。
2. 操作人员应遵守防护用具的使用规定,佩戴全部安全装备。
3. 在操作过程中,要保持良好的工作状态,不得饮酒、吸烟等影响操作安全的行为。
4. 操作人员发现设备故障或异常情况时,应立即停止操作,并向单位负责人报告。
5. 严禁将非相关人员进入操作区域,保障操作过程的安全性和秩序性。
五、设备维护1. 汽车制动检测台的设备维护由专业人员负责,操作人员应定期检查设备的工作状态,及时发现问题并报告。
2. 定期对液压系统和控制系统进行检查和维护,确保其正常工作。
3. 检查并更换传感器和仪器中的磨损部件,保障检测结果的准确性。
4. 定期清洗和保养汽车制动检测台,保障设备的正常运行。
制动检验台安全操作规程范本一、总则为了确保制动检验台的安全操作,保护操作人员的人身安全和设备的完好性,制订本操作规程。
所有使用制动检验台的操作人员必须严格遵守本规程。
二、操作人员的基本要求1. 操作人员必须经过相应岗位的专业培训,并获得操作证书。
2. 操作人员应熟悉制动检验台的结构、工作原理和操作方法,了解常见故障处理方法。
3. 操作人员应具备良好的职业道德和安全意识,不能酗酒、违禁药物或疲劳驾驶。
三、操作前准备工作1. 操作人员应仔细检查制动检验台的工作状态,包括电源、仪表、传感器等是否正常。
2. 确保制动检验台四周的工作环境整洁、安全,没有杂物堆放。
四、操作步骤1. 操作人员应先戴好防护用具,包括手套、安全鞋等。
2. 根据车辆的类型选择合适的制动检验台工作模式,确保将要检验的车辆无误进入台内。
3. 根据制动检验台的工作模式,操作人员应按照仪表的指示进行相应的操作,切勿随意更改设置。
4. 在进行制动检验时,操作人员应站在安全位置,注意观察制动装置的运行状态。
5. 如果发现异常情况,操作人员应立即停止运行,处理故障或寻求专业人士的帮助。
6. 操作人员在进行完每一台车辆的制动检验后,应及时清理工作台,确保干净整洁。
五、紧急情况处理1. 发生火灾或安全事故时,操作人员应立即采取适当的措施,保护自己和他人的人身安全。
2. 如果发现有车辆在制动检验台上发生故障或卡住,操作人员应立即切断电源,并及时寻求专业人士的帮助。
六、操作结束1. 操作人员应在操作结束后,将制动检验台的所有控制开关置于关闭状态,并及时断开电源。
2. 将工作区域进行清理,归位工具和设备,并定期进行设备的维护和保养。
七、违规处罚1. 对于违反本规程的操作人员,根据情节轻重处以警告、停职、辞退等相应处罚。
2. 对于重大违规行为造成事故的,将依法追究其法律责任。
以上为制动检验台的安全操作规程范本,操作人员在使用制动检验台时务必遵守相关规定,确保操作安全。
目录目录第1章绪论 (1)1.1 研究背景及意义 (1)1.2 国内外研究现状 (2)第2章试验系统功能及配置方案拟定 (3)2.1 轮胎性能试验系统功能及性能说明 (3)2.2 试验台设计方案拟定 (4)第3章综合试验系统的结构设计 (5)3.1 电动机的选取 (5)3.2 齿轮的设计 (8)3.3 皮带轮的设计 (9)3.4 加载装置的设计 (11)3.5 轴的设计 (14)3.6 联轴器的选取 (21)3.7 键与轴承的选取 (22)3.8 惯性系统的设计 (28)3.9 传感器元件的选取及安装设计 (32)3.10 机架和导轨的设计 (33)3.11 其他零部件的选取 (34)3.12 主工作台的润滑 (35)第4章总结与展望 (36)4.1 全文总结 (36)4.2 展望 (37)致谢 (38)参考文献 (39)(本设计有全部图纸及详细说明书,需要者联系邮箱nashkobe@)第1章绪论1.1研究背景及意义近年来,我国道路交通安全形势日益严峻,因交通事故导致的死亡人数已连续10多年位居世界第一。
根据公安部交通管理局发布的2009年全国道路交通事故情况显示,2009年,全国共发生道路交通事故238351起,造成67759人死亡、275125人受伤,直接财产损失9.1亿元[1]。
在交通事故中,群死群伤和重特大恶性交通事故也在频繁发生,其中因汽车技术状况不良导致的占35%。
典型的一起事故发生在2005年12月4日八达岭高速公路进京方向49公里处,一辆超载大货车因为制动失灵造成24人死亡,成为建国以来北京市最严重的交通事故。
此外,我国营运车辆超载、超限、偏载、超速等违反交通安全法规现象严重,爆胎、制动系统失灵、货物状态异常等情况也经常出现,营运载货汽车的运输安全问题已经成为国家和社会为保证道路交通安全而亟待解决的关键问题。
为此,国家中长期科学技术发展规划明确将“重点开发交通事故预防预警、应急处理技术”列为交通运输领域优先需要解决的关键技术之一,今年二月科技部、公安部和交通部三部委联合启动的《国家道路交通安全科技行动计划》中也将“营运车辆运行安全监控技术与装备”列为国家重大科技需求。
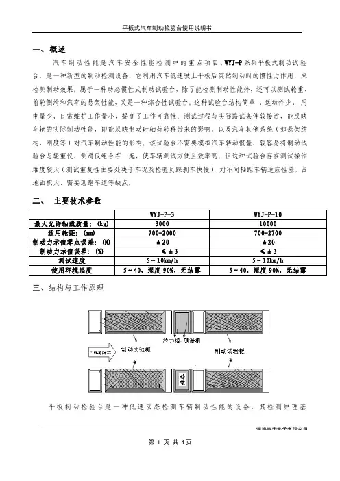
一、概述汽车制动性能是汽车安全性能检测中的重点项目。
WYJ-P系列平板式制动试验台,是一种新型的制动检测设备,它利用汽车低速驶上平板后突然制动时的惯性力作用,来检测制动效果。
属于一种动态惯性式制动试验台,除了能检测制动性能外,还可以测试轮重、前轮侧滑和汽车的悬架性能,又是一种综合性试验台。
这种试验台结构简单、运动件少、用电量少、日常维护工作量小,提高了工作可靠性。
测试过程与实际路试条件较接近,能反映车辆的实际制动性能,即能反映制动时轴荷转移带来的影响,以及汽车其他系统(如悬架结构、刚度等)对汽车制动性能的影响。
该试验台不需要模拟汽车转动惯量,较容易将制动试验台与轮重仪、侧滑仪组合在一起,使车辆测试方便且效率高。
但这种试验台存在测试操作难度较大(测试重复性主要处决于车况及检验员踩刹车快慢)、对不同轴距车辆适应性差,占地面积大、需要助跑车道等缺点。
二、主要技术参数三、结构与工作原理平板制动检验台是一种低速动态检测车辆制动性能的设备,其检测原理基淄博微宇电子有限公司于牛顿第二定理“物体运动的合外力等于物体的质量乘加速度”,即制动力等于质量乘(负)加速度。
这种试验台结构比较简单,主要由几块测试平板、传感器和数据采集系统等组成。
小车线一般由四块制动-悬架-轴重测试用平板及一块侧滑测试板组成。
数据采集系统由力传感器、放大器、多通道数据采集板等组成。
检测时只要知道轴荷与减速度即可求出制动力。
从理论上讲制动力与检测时车速无关,与刹车后的减速度相关。
检验时汽车以5~10km/h(或按出厂说明允许更高)速度驶上平板,置变速器于空档并紧急制动。
汽车在惯性作用下,通过车轮在平板上附加与制动力大小相等方向相反的作用力,使平板沿纵向位移,经传感器测出各车轮的制动力、动态轮重并由数据采集系统处理计算出轮重、制动、及悬架性能的各参数值,并显示检测结果。
平板式制动试验台结构图现代汽车在设计上为满足汽车行驶状态的制动要求,提高制动稳定性,减少制动时后轴车轮侧滑和汽车甩尾,前轴制动力一般占50~70%左右,后轴制动力设计相对较少。
摘要汽车制动性能检测设备是应用于新车研究开发的实验、新车的出厂检验和交通管理部门对上路车辆定期检验的测试装置。
鉴于目前我国汽车工业的迅速发展和有关法规的出台,以及我国汽车检测站设备的落后状况,汽车制动性能检测设备的研究尤其受到关注。
汽车制动性能检测设备的研究是一门综合性应用科学,涉及诸多学科和领域。
本论文的主要目标是设计一套汽车制动性能试验台,使之具备功能齐全、性能良好、使用方便、高精度、高可靠性的特点。
本文介绍了设计对象—平板式制动性能检测台的结构和工作原理,这种试验台能较好地模拟道路检测,采用动态检测方法,对汽车制动性能的检测结果具有真实性。
制动板底部采用滚珠滑动、梯形槽定位的方式。
这样的设计和以往的滚轮式设计方案相比有一定新意。
关键词:平板式;检测台;制动;动态;结构IABSTRACTThe automotive braking performance measuring and controlling system is an testing device which is widely used in many fields,such as the test of new car design,the roll-off test of new car and the regular test of automotive which is held by the traffic management department for the automotives on the road. According to the rapid development of automotive industry and the situation that the device of our automotive performance measuring has large distance with dereloped coutries,people have paid more attention to the research of the automotive braking performance measuring and controlling system.The research of the automotive braking performance measurement and control system is comprehensive application science including many subjects and fields. The main aim of this thesis is to design an automotive braking performance measuring system and make it more multifunctional,good-performance,easy-used and with high precise and reliability.This thesis introduces the configuration and working principle of brake system. Following the principle and the function requirement. This kind of tester can simulate road detecting better,adopting moving detecting methods. It will make the detecting results more accuracy. The bottom of the brake plate adopts rolling pearl skid,rectangle slut alignment. Compare to past design scheme,such research has more creation.Keywords:Plate; Station; Brake;Dynamic;StructureII目录摘要 (I)ABSTRACT (II)第1章绪论 (1)1.1 汽车制动性能检测系统简介 (1)1.2 汽车制动性能检测系统研究的意义 (2)1.3 汽车制动性能检测技术的发展和国内外目前的状况 (2)1.4 主要研究内容及技术途径 (3)第2章汽车制动系统及其性能的评价参数 (4)2.1 对汽车制动系统的技术要求 (4)2.2 汽车制动系统的常见故障 (4)2.3 制动性能评价参数 (5)2.3.1 制动效能 (6)2.3.2 制动抗热衰退性 (7)2.3.3 制动稳定性 (8)2.4 地面制动力与制动器制动力及附着力的关系 (8)2.5 本章小结 (9)第3章平板式制动性能检测台的设计方案 (10)3.1 平板式制动性能试验台的结构 (10)3.2 工作原理 (12)3.3 设计依据和要求 (15)3.3.1设计依据 (15)3.3.2 适用范围 (16)3.3.3 功能 (16)3.4 本章小结 (17)第4章平板式汽车制动检测台设计 (18)4.1 总体尺寸确定 (18)4.2 传感器的选择 (20)4.3 材料的选择 (24)4.4 制动检测部分结构设计 (24)4.4.1 制动板底座的设计 (24)4.4.2 制动板上盖板的设计 (25)4.4.3 轴重传感器安装 (25)4.4.4 制动力传感器支座设计 (26)4.4.5 V型槽支座的设计 (27)4.5 零件的较核 (28)4.6 本章小结 (32)结论 (33)参考文献 (33)致谢 (35)附录A 外文文献 ············································································错误!未定义书签。
摘要汽车制动性能的测试是机动车安全技术检验的重要组成部分,随着汽车保有量在中国的快速增长,汽车对环境的人们的关注的影响。
汽车制动性能直接关系到人们的生活。
因此,有必要拿出快速,准确地检测车辆的制动性能的方法和工具。
本文的内容是对关键技术的汽车制动试验进行了研究。
的现状和国内外汽车制动试验未来发展方向的第一篇论文进行了审查。
通过车辆制动过程的分析,所提出的方法来检测车辆的制动性能,比较不同检测方法的特点,并分析了车辆的性能指标和国家标准进行评价。
汽车制动试验台的部队进行了分析,车辆制动性能的检测原理,分析了影响制动性能测试的因素。
汽车制动试验台整体结构进行了分析,选择试验台滚筒的大小,速度和表面材料的方法,主要部件均给出选择试验台电动机,减速机的基础。
关键词:汽车制动试验台;制动性能;检测;滚筒;反力式ABSTRACTThe testing of the automobile brake performance is one of important parts in Vehicle safety check.With the amount of the automobile increasing rapidly in our nation,the affect of automobile to the environment is concerned by more and more people. The brake performance of automobile has the relation with the safety of people. Therefore,it is necessary to find best methods and tools of testing automobile brake performances quickly and accurately. The paper is the research of key technology in automobile brake tester.Firstly,the paper give a brief introduction about present automobile brake tester and future tendency in the world.The paper analyzes the process of the braking of auto,and present the methods of testing brake performance,compares the advantages and disadvantages of various testing methods,discusses the criterions of assessing brakep erformances and national standards.It goes dynamic analysis of braking automobile on the tester,explains the principle of testing automobile brake performance,analyzes the main factors for brake testers.It analyses the total construction of the drum type automobile brake tester,gives the methods of choosing the sizes,speed,surfaces material of tester drums,as well as reasons of choosing tester motor,gearbox,and other main parts.Keywords:Automobile Brake Tester;Brake Performance;Testing;Platen;Reaction目录摘要 (Ⅰ)Abstract (Ⅱ)第1章绪论 (1)1.1 课题研究的目的和意义 (1)1.1.1 课题研究的目的 (1)1.1.2 课题研究的意义 (1)1.2 国内外相关领域研究现状及发展方向 (2)1.2.1 平板式制动试验台 (2)1.2.2 反力滚筒式制动试验台 (3)1.2.3 发展方向 (4)1.3 论文主要研究内容及技术途径 (4)1.3.1 课题主要研究内容 (4)1.3.2 技术途径与方法 (4)第2章反力式滚筒试验台与平板式试验台对比分析 (5)2.1 反力式滚筒制动性能试验台的结构及工作原理 (5)2.1.1 结构 (5)2.1.2 工作原理 (5)2.2 平板式制动性能试验台的结构及工作原理 (6)2.2.1 平板式制动试验台结构 (6)2.2.2 工作原理 (6)2.3 反力式滚筒试验台与平板式试验台优缺点分析 (7)2.3.1 反力式滚筒试验台 (7)2.3.2 平板式制动试验台 (8)2.4 本章小结 (8)第3章汽车制动试验台总体方案 (9)3.1 引言 (9)3.2 汽车制动试验台总体构成 (9)3.3 制动试验台工作原理 (12)3.4 制动试验台力学分析 (14)3.5 影响制动性能检测的因素分析 (15)3.6 本章小结 (16)第4章汽车制动试验台结构设计 (17)4.1 引言 (17)4.2 设计依据和要求 (17)4.3 滚筒设计 (18)4.4 滚筒式制动试验台测试能力分析 (21)4.5 制动力测量装置主要参数的选择 (22)4.6 减速箱设计及零件选择 (24)4.6.1 蜗轮蜗杆的设计 (24)4.6.2 轴的设计 (27)4.7 本章小结 (28)结论 (29)参考文献 (30)致谢 (31)第1章绪论1.1 课题研究的目的和意义1.1.1 课题研究的目的汽车制动试验制动性能的测量结果的结构参数有重要的关系。
汽车制动检测台操作规程模版第一章总则第一条为规范汽车制动检测台的操作,确保检测结果的准确性和可靠性,制定本操作规程。
第二条汽车制动检测台是用于检测汽车制动性能的设备,本操作规程适用于所有使用汽车制动检测台的操作人员。
第三条操作人员应熟悉并遵守本规程,确保操作的安全和正确性。
第二章操作流程第四条操作人员在操作汽车制动检测台前,需做好以下准备工作:1. 确保检测台的设备完好无损,无异常情况;2. 了解待检车辆的制动系统类型和检测要求;3. 打开检测台的电源,确保仪器设备正常启动;4. 预热检测台,确保温度稳定在操作范围内。
第五条操作人员在开始检测前,应按照以下步骤进行操作:1. 将待检车辆停放在检测台上,并且确保车辆位置稳定;2. 进行带有负载的制动测试时,需将负载设备连接到待检车辆的传动系统上;3. 根据车辆的制动类型选择相应的测试程序,并进行设置;4. 通过检测台上的控制面板,进行制动测试的启动和停止。
第六条操作人员在检测过程中,需注意以下事项:1. 遵守汽车制动检测台的使用规定和操作要求;2. 监控检测过程中的测试数据和参数,确保数据的准确性;3. 注意观察待检车辆在测试过程中是否有异常情况出现,如异响、烧味等;4. 在必要时,可调整制动力的大小并记录相应数据。
第七条操作人员在检测结束后,应按以下步骤进行操作:1. 停止检测台的运行,并将待检车辆从检测台上移开;2. 关闭检测台的电源,并进行设备的清理和维护;3. 根据检测结果,填写相应的检测报告和记录,并保存相关数据;4. 如发现待检车辆制动性能异常,应及时通知相关部门或车主,协商解决方案。
第八条操作人员在操作过程中,如发现操作规程不明确或存在问题,应及时向主管部门反馈,并及时修订和完善操作规程。
第三章操作安全第九条操作人员在操作汽车制动检测台时,应严格遵守以下安全规定:1. 操作人员应穿戴好工作服,戴好安全帽和手套,保持仪器设备的清洁;2. 操作人员应熟悉检测台的使用方法和操作要求,并遵循仪器设备的操作指导书;3. 操作人员应定期接受相关操作培训和安全教育,提高操作技能和安全意识;4. 在操作过程中,禁止随意调整仪器设备的参数和设置,以免引起操作失误或设备损坏;5. 如发现仪器设备存在故障或异常情况,应及时报修和通知相关部门;6. 操作人员应保持操作环境整洁和安全,禁止私自调整设备布局和连接管道。
平板式制动检验台使用指南平板式制动检验台使用指南1:简介1.1 概述1.2 目的1.3 适用范围2:设备介绍2.1 设备外观及结构2.2 工作原理2.3 主要部件及功能3:检验准备3.1 设备安装与校准3.2 声明检验3.3 材料准备4:检验步骤4.1 检查制动盘和制动片4.1.1 视觉检查4.1.2 测量厚度4.1.3 检查表面状况 4.2 检查制动蹄和制动油 4.2.1 检查制动蹄磨损 4.2.2 检查制动蹄位置 4.2.3 检查制动油泄漏 4.3 检查制动系统液压泵 4.3.1 检查供油系统 4.3.2 检查压力传感器 4.3.3 检查流量传感器 4.4 检查制动蹄螺栓4.4.1 检查松紧程度 4.4.2 检查螺栓磨损 4.5 检查制动系统效能4.5.1 检查刹车距离 4.5.2 检查刹车性能5:检验结果记录5.1 制动盘和制动片记录5.2 制动蹄和制动油记录5.3 制动系统液压泵记录5.4 制动蹄螺栓记录5.5 制动系统效能记录附件:附件1:制动盘和制动片测量记录表附件2:制动蹄和制动油检查记录表附件3:制动系统液压泵检查记录表附件4:制动蹄螺栓检查记录表附件5:制动系统效能检查记录表法律名词及注释:1:制动盘:车辆制动系统中与车轮相连的固定盘状零件,通过制动片与其接触产生摩擦力以实现制动作用。
2:制动片:车辆制动系统中与制动盘接触的摩擦片,通过压力产生摩擦力以实现制动作用。
3:制动蹄:固定制动片并与制动盘接触的零件,通过压力调整制动片与制动盘之间的间隙。
4:制动油:用于传输制动力的液体介质,通过液压系统实现制动装置的工作。
5:液压泵:产生并输送液压力的设备,用于提供制动系统所需的液压动力。
6:制动距离:车辆从刹车开始直至完全停下所需的距离。
汽车制动检测台操作规程汽车制动是汽车安全性能的重要组成部分。
为了确保汽车制动系统工作正常,需要进行定期的制动检测。
汽车制动检测台是一种专门用于检测汽车制动性能的设备,操作规程的严格执行可以保证制动检测的准确性。
下面是汽车制动检测台操作规程,共2000字。
第一章检测准备1.1 确认检测台及相关设备的工作状态,检查仪器仪表的电源、开关及连接线是否正常。
1.2 检查制动片、制动盘等相关部位是否有损坏或异物,如有发现应及时修理或清除。
1.3 检查制动液液位是否在正常范围内。
1.4 确认车辆停放在水平、稳固的地面上,以确保测量结果准确。
1.5 确认车辆的轴负载是否符合制动检测标准要求。
1.6 如果车辆进行排放测试,请根据排放测试的要求进行相应的准备工作。
第二章检测流程2.1 将车辆驶入制动检测台,确保车辆的轮胎与制动滚筒、制动片等部件之间没有异物干扰。
2.2 调整制动力的测量参数,根据检测要求选择恰当的检测模式。
2.3 通过调整制动力在设定范围内,检查制动力测量系统是否工作正常。
2.4 根据检测要求选择适当的测量模式,例如静态制动力、动态制动力等。
2.5 车辆制动力测试前应预热,以确保测试结果准确。
2.6 进行静态制动力测试时,应按照要求将制动力逐渐增加,直到达到目标制动力。
同时记录下制动力与制动踏板力的对应关系。
2.7 进行动态制动力测试时,应按照要求进行制动踏板力的递增和递减,记录下对应的制动力和制动踏板力。
2.8 系统计算并显示制动力和制动踏板力的变化曲线,以便于后续的分析和判断。
2.9 检查制动液的温度和湿度,确保在合理范围内。
2.10 如果需要测量制动盘温度,应选择适当的传感器,按照要求进行测量。
第三章检测报告3.1 检测完成后,将测量数据保存到计算机或存储介质中,确保数据的安全性和完整性。
3.2 根据测量数据生成检测报告,包括制动力与制动踏板力的变化曲线图、制动盘温度曲线图等。
3.3 检测报告应包括车辆的基本信息,如车牌号、车型、车辆识别码等。
制动检验台安全操作规程范本一、操作前准备1. 确保检验台的周围没有任何杂物或障碍物,确保安全操作空间。
2. 检查制动检验台的各个部件和连接件是否完好,并进行必要的维护和修理。
3. 确保制动检验台的供电线路和接地线路正常并牢固接好。
4. 核对仪器设备和工具的完整性和可用性。
二、操作流程1. 将待检车辆放置在制动检验台上,确保车辆停稳。
2. 检查并确保车辆的制动系统处于正常工作状态,包括制动踏板、制动液和制动轮。
3. 将制动检验台的仪器设备打开,并确保其正常工作。
4. 根据制动检验台的操作手册,进行必要的设定和参数调整。
5. 通过仪器设备,对车辆进行制动测试,包括静态制动测试和动态制动测试。
6. 根据测试结果,判断车辆的制动系统是否正常,记录测试数据。
7. 在操作完成后,关闭制动检验台的仪器设备,切断供电。
三、安全注意事项1. 在操作过程中,严禁穿插其他任务或进行非操作相关的活动。
2. 切勿操作高于自身技能水平的设备或进行超出授权范围的操作。
3. 在进行制动测试时,确保车辆停稳,并有足够的安全保障措施,如使用车辆固定装置等。
4. 严禁翻越制动检验台或在上面进行走动。
5. 在操作过程中,注意机器的运转状态,及时发现异常情况及时报告。
6. 在操作过程中,遵守设备的安全操作规程,如禁止操作员手指或其他物体进入设备的运转部分。
7. 在进行任何维修和调整操作前,务必切断设备的电源。
8. 在操作过程中,不得饮食、抽烟或使用手机。
9. 操作人员必须经过专业培训,并严格按照规程操作。
四、事故处理1. 如果发生任何事故、故障或其他异常情况,应立即停止操作,并按照相应的事故处理流程进行处理。
2. 在事故处理过程中,要保持冷静,并确保自身安全。
3. 及时向相关人员和领导报告,并根据事故处理流程进行记录和归档。
五、操作结束1. 在操作结束后,切断制动检验台的电源,关闭仪器设备。
2. 清理现场,将工具和设备归位,并做好设备的保养和维护。
汽车制动检测台操作规程范本第一章总则第一条为规范汽车制动检测台的使用和操作,确保检测工作的准确性和安全性,制定本操作规程。
第二条汽车制动检测台是用于检测汽车制动系统性能的设备,适用于各类汽车维修保养和检测工作。
第三条操作人员必须经过专业培训,并持有相关证书方可操作汽车制动检测台。
第四条操作人员在操作汽车制动检测台时,必须严格遵守本操作规程和安全操作规程。
第五条操作人员应熟悉汽车制动系统的工作原理和检测方法,确保能正确操作检测台。
第六条操作人员在操作过程中应注意严格按照操作规程操作,并及时向上级报告异常情况。
第七条对于未经培训和持证人员擅自操作汽车制动检测台的,一经发现将严肃处理。
第八条对于操作过程中发生的事故和故障,及时报告上级并进行记录和处理。
第二章操作准备第九条操作人员在使用汽车制动检测台之前,必须进行以下准备工作:1.对检测台进行外观检查,确保设备完好、无损坏和松动现象。
2.检查检测台的电源和电气接线是否正常,避免电路短路和电源异常。
3.检查检测台的液压油箱液位是否正常,必要时添加或更换液压油。
4.检查检测台的喷嘴和传感器是否干净,如有污垢需及时清洗。
5.检查检测台的喷嘴和传感器是否正常,如有损坏需及时更换。
6.检查检测台的液压系统是否存在漏油现象,如有发现需及时修复。
7.清理检测台周围的杂物和障碍物,确保操作空间宽敞。
8.准备好相关的工具和耗材,如扳手、螺丝刀、刷子等。
第十条操作人员在进行准备工作时,应戴好工作服、手套、安全帽等个人防护用具。
第三章操作流程第十一条操作人员在使用汽车制动检测台时,应按照以下流程进行操作:1.将待检车辆停放在制动检测台上,确保车辆处于停稳状态并牢固固定住。
2.调整制动检测台的传送带位置和高度,使之与车轮对齐并保持水平。
3.将检测台的液压系统置于工作状态,打开液压系统的电源。
4.操作人员根据车辆类型和制动系统类型选择相应的检测项目。
5.将检测仪表仪器连接至车辆的制动系统,确保连接牢固且无松动。
制动检验台操作规程1. 引言制动检验台是汽车维修和保养过程中常用的设备之一,它用于测试和评估汽车制动系统的性能。
本文将介绍制动检验台的操作规程,以确保操作人员正确、安全地使用该设备。
2. 操作准备在进行制动检验前,操作人员应做好以下准备工作:•检查制动检验台的工作状态,确保设备正常运行并无损坏。
•准备所需的测试工具和设备,如制动压力表、踏板助力器等。
•检查测量工具的准确性,确保其能够正确测量制动系统的性能。
•确保操作人员已经接受过相关的培训,熟悉制动检验台的使用方法和操作规程。
3. 操作流程3.1 检查制动液在进行制动检验前,首先要检查制动液的情况。
具体操作步骤如下:1.打开汽车发动机盖,并找到制动液箱。
2.检查制动液的液面,确保液面在正常范围内。
如果液面过低,应及时添加制动液。
3.检查制动液的颜色和透明度,如果发现异常,应及时更换制动液。
3.2 连接制动检验台连接制动检验台是进行制动检验的关键步骤。
具体操作步骤如下:1.将制动检验台的压力传感器与制动系统的主泵连接,并确保连接牢固。
2.将制动压力表安装在汽车仪表盘上,并将其与制动检验台连接。
3.打开制动检验台的电源,启动设备,并等待设备运行稳定。
3.3 进行制动检验制动检验台可以测试不同情况下制动系统的性能,包括制动力、制动间隙等。
具体操作步骤如下:1.将汽车停放在制动检验台上,确保车辆稳定。
2.进入汽车驾驶室,并踩下制动踏板。
记录下制动压力表上显示的压力数值。
3.根据制动检验台的要求,进行不同情况下的制动测试,如紧急制动、边线制动等。
4.检查制动检验台上显示的数据,根据压力数值判断制动系统的性能是否正常。
5.根据测试结果,做出相应的维修和保养措施。
3.4 检查制动间隙制动间隙是制动系统中重要的一个指标,它影响着制动的灵敏度和效果。
检查制动间隙的操作步骤如下:1.将汽车停放在制动检验台上,并提起车辆的前轮。
2.踩下制动踏板并记录制动压力表上显示的压力数值。
摘要汽车制动性能的测试是机动车安全技术检验的重要组成部分,随着汽车保有量在中国的快速增长,汽车对环境的人们的关注的影响。
汽车制动性能直接关系到人们的生活。
因此,有必要拿出快速,准确地检测车辆的制动性能的方法和工具。
本文的内容是对关键技术的汽车制动试验进行了研究。
的现状和国内外汽车制动试验未来发展方向的第一篇论文进行了审查。
通过车辆制动过程的分析,所提出的方法来检测车辆的制动性能,比较不同检测方法的特点,并分析了车辆的性能指标和国家标准进行评价。
汽车制动试验台的部队进行了分析,车辆制动性能的检测原理,分析了影响制动性能测试的因素。
汽车制动试验台整体结构进行了分析,选择试验台滚筒的大小,速度和表面材料的方法,主要部件均给出选择试验台电动机,减速机的基础。
关键词:汽车制动试验台;制动性能;检测;滚筒;反力式ABSTRACTThe testing of the automobile brake performance is one of important parts in Vehicle safety check.With the amount of the automobile increasing rapidly in our nation,the affect of automobile to the environment is concerned by more and more people. The brake performance of automobile has the relation with the safety of people. Therefore,it is necessary to find best methods and tools of testing automobile brake performances quickly and accurately. The paper is the research of key technology in automobile brake tester.Firstly,the paper give a brief introduction about present automobile brake tester and future tendency in the world.The paper analyzes the process of the braking of auto,and present the methods of testing brake performance,compares the advantages and disadvantages of various testing methods,discusses the criterions of assessing brakep erformances and national standards.It goes dynamic analysis of braking automobile on the tester,explains the principle of testing automobile brake performance,analyzes the main factors for brake testers.It analyses the total construction of the drum type automobile brake tester,gives the methods of choosing the sizes,speed,surfaces material of tester drums,as well as reasons of choosing tester motor,gearbox,and other main parts.Keywords:Automobile Brake Tester;Brake Performance;Testing;Platen;Reaction目录摘要 (Ⅰ)Abstract (Ⅱ)第1章绪论 (1)1.1 课题研究的目的和意义 (1)1.1.1 课题研究的目的 (1)1.1.2 课题研究的意义 (1)1.2 国内外相关领域研究现状及发展方向 (2)1.2.1 平板式制动试验台 (2)1.2.2 反力滚筒式制动试验台 (3)1.2.3 发展方向 (4)1.3 论文主要研究内容及技术途径 (4)1.3.1 课题主要研究内容 (4)1.3.2 技术途径与方法 (4)第2章反力式滚筒试验台与平板式试验台对比分析 (5)2.1 反力式滚筒制动性能试验台的结构及工作原理 (5)2.1.1 结构 (5)2.1.2 工作原理 (5)2.2 平板式制动性能试验台的结构及工作原理 (6)2.2.1 平板式制动试验台结构 (6)2.2.2 工作原理 (6)2.3 反力式滚筒试验台与平板式试验台优缺点分析 (7)2.3.1 反力式滚筒试验台 (7)2.3.2 平板式制动试验台 (8)2.4 本章小结 (8)第3章汽车制动试验台总体方案 (9)3.1 引言 (9)3.2 汽车制动试验台总体构成 (9)3.3 制动试验台工作原理 (12)3.4 制动试验台力学分析 (14)3.5 影响制动性能检测的因素分析 (15)3.6 本章小结 (16)第4章汽车制动试验台结构设计 (17)4.1 引言 (17)4.2 设计依据和要求 (17)4.3 滚筒设计 (18)4.4 滚筒式制动试验台测试能力分析 (21)4.5 制动力测量装置主要参数的选择 (22)4.6 减速箱设计及零件选择 (24)4.6.1 蜗轮蜗杆的设计 (24)4.6.2 轴的设计 (27)4.7 本章小结 (28)结论 (29)参考文献 (30)致谢 (31)第1章绪论1.1 课题研究的目的和意义1.1.1 课题研究的目的汽车制动试验制动性能的测量结果的结构参数有重要的关系。
只选择合理的制动试验台的设计参数,以改善试验台试验的准确性和可靠性,以及耐用性和使用经济性。
汽车制动试验台主要研究这个课题是检测各种中小型汽车的制动性能。
应该大约相同的轴线同时测量两个轮子。
制动测试的主要结构立辊,电机,减速机等。
1.1.2 课题研究的意义汽车制动性能的测试是机动车安全技术检验的重要组成部分,也是汽车保修公司修理故障和调试提供科学依据。
近年来,随着令人费解的物理线路的检测技术,检测与车辆的制动性能诊断的发展已经结合了经验的定量和定性的方向的工具的类型,通过道路试验台试验的发展。
检测制动性能的汽车用制动试验,不仅在制动力可以被测量,每个车轮协调世界时的制动力,通过计算汽车的制动力单元获得。
和同一轴线可以测量和两个轮之间的制动力差,上升时间之间的制动力差,完全的制动和制动解除时的内阻。
这种方法可以与路试除去制动性能检测的一些弊病[1]。
汽车制动鼓试验装置的类型有和平板上。
在测试平板式制动试验,轿厢必须有一定的初速度,这需要帮助的跑道。
相反滚筒制动试验台,其体积小巧,可以调节舞台上的刹车线端测试的一面,也便于分析故障,很容易被用户部门所接受。
测试方法滚筒制动试验台是:停火,在汽车的状态,测量和制动性能相关的参数,如制动或制动距离轮。
它可分为类型和惯性反作用力。
别动惯性试验台是在每个车轮上测得的制动距离,这个试验台的试验速度高,更接近实际情况。
但由于没有标准车轮制动距离这一项,在国家规定只有汽车的制动距离制动性能标准。
如果测试车轮制动距离转化为车辆的制动距离,有一定的误差,使转换结果是准确的,在需要进行大量的对比试验中,与不同的模型应该具有的对比度,这是很难做到的,所以惯性制动试验是不容易被用户部门所接受。
反力式制动试验台的工作原理是当车辆被扣押到试验台,车轮放置在两个滚筒,然后左,右马达启动,带动滚筒转动之间。
当车速达到一个稳定值,制动踏板迅速告知驾驶员(或制动手柄),车轮速度则降低。
车轮与滑辊之间产生的,在这种情况下,在工作台上的方向上的车辆的制动力大小相等方向相反的力的测力装置,以测量其值,并记录在制动曲线。
当车轮速度被降低到一定值时,为了降低轮胎的磨损,马达自动停止。
反力式制动试验台单管结构,测试方便,低功耗,低成本。
被广泛应用于国内外。
在台湾的测试车轮的制动力中国“运行机动车安全技术条件”也给出了肯定。
因此,几乎所有的反应制动试验台国内运输,公安等部门的车辆广泛使用。
室内汽车制动试验台一般按合格与否,作为故障诊断的原因往往不能分析一些车辆的制动性能测试数据,这是一个缺陷检测技术目前存在的判断。
随着科学技术的发展,先进技术汽车技术的健康监测和预测执行情况的应用程序是必要的。
制动在汽车制动检测,分析技术来确定故障机理和预测的轿厢制动条件下的动态特性;应用诊断参数的识别信息和传感技术。
建立故障模式;充分利用计算机技术,大部分的信息的分析和诊断,提高诊断的准确性。
开发预测性故障专家系统,提高了诊断的预测水平,以保持车辆良好的技术状态,并检测,诊断和预测的整合,汽车检测技术的未来发展方向。
1.2 国内外相关领域研究现状及发展方向目前在中国的汽车制动性能的测试,广泛用于反力滚筒式制动试验台,和平板制动试验台在近几年在中国被引入。
2004年GB7258-提供制动性能测试板制动试验台可“为经营机动车辆的安全要求”,你可以使用反力滚筒式制动试验台。
平板式制动试验台是测试车在刹车性能运行,类似于实际驾驶的汽车制动,是一个动态的测试;而反作用力鼓式制动器测试仪,用于测量的增加的力的反作用力的装置上的辊轮的制动力检测车辆的制动性能,稳定状态的检测方式。
下面分别介绍这两个测试组:1.2.1 平板式制动试验台早期的汽车检测设备,都具有平坦的鼓,因为当时没有电脑,平板式检测设备的传感器和采样系统已不能满足测试要求。
然而,由于大量的应用,近年来,电子技术,数据采集系统的平板式检测设备(包括各种传感器)用于微电子和计算机控制。
因此,新一代平板电脑的各方面的性能有了质的飞跃。
从原理来看,平板式制动试验台是主动的,动态测试,其被执行以检测在汽车制动状态,只要该力传感器能够准确地对受制动的水平测试平板力和纵向力的测量下,平板制动试验台可以完全如实汽车制动过程(动力系统和其他城市)检测。
平板式制动试验机具有以下优点:(一)表中的测试平台。
焊接钢管的钢丝网冲压制成,具有良好的附着力系数比马路高出很多,正常磨损范围内可保证检测的制动性能;(2)同时对四个车轮使汽车的动态测试;(3)特别适用于现代汽车和摩托车的检测。