隧道监控量测地表沉降点技术交底
- 格式:doc
- 大小:47.50 KB
- 文档页数:5
隧道工程质量技术交底引言概述:隧道工程作为现代交通基础设施的重要组成部份,其质量关系到交通运输的安全和顺畅。
为了确保隧道工程的质量,技术交底是必不可少的环节。
本文将从五个方面详细阐述隧道工程质量技术交底的内容。
一、隧道工程的基本情况1.1 隧道工程的位置和规模:介绍隧道工程所处的地理位置以及隧道的长度、断面形状等基本信息。
1.2 隧道工程的设计要求:阐述隧道工程的设计标准、荷载要求、安全要求等。
1.3 隧道工程的施工方式:详细说明隧道工程的施工方法、主要设备和材料等。
二、隧道工程的质量控制要点2.1 隧道工程的地质勘察:介绍隧道工程的地质勘察方法和结果,包括地质结构、地下水情况等。
2.2 隧道工程的施工监控:详细阐述隧道工程施工过程中的监控要点,如隧道内部环境、支护结构、排水系统等。
2.3 隧道工程的材料选择和检测:说明隧道工程中所使用的材料的选择原则和检测方法,确保材料符合设计要求。
三、隧道工程的质量验收标准3.1 隧道工程的验收依据:介绍隧道工程质量验收的法律法规和相关标准。
3.2 隧道工程的验收内容:详细说明隧道工程质量验收的具体内容,包括隧道结构、排水系统、通风系统等。
3.3 隧道工程的验收方法:阐述隧道工程质量验收的方法和步骤,包括现场检查、试验和监测等。
四、隧道工程的质量技术交底方式4.1 隧道工程的交底对象:明确隧道工程质量技术交底的对象,包括设计单位、施工单位、监理单位等。
4.2 隧道工程的交底内容:详细说明隧道工程质量技术交底的具体内容,包括设计要求、施工方案、质量控制要点等。
4.3 隧道工程的交底形式:阐述隧道工程质量技术交底的形式,可以采用会议、文件、图纸等方式进行交底。
五、隧道工程质量技术交底的监督与管理5.1 隧道工程质量技术交底的监督要求:明确隧道工程质量技术交底的监督要求,包括监督人员的资质和监督频次等。
5.2 隧道工程质量技术交底的管理措施:详细阐述隧道工程质量技术交底的管理措施,包括记录管理、信息传递和沟通等。
隧道监控量测实施细则编制:审核:审批:二零一二年八月目录第一章总则 (1)第二章工程概况 (1)第三章监控量测技术方案制定依据 (1)第四章编制监控量测实施细则的目的 (2)第五章监控量测管理体系及作业程序 (2)一、组织机构及职责范围 (3)三、保证措施 (5)四、作业程序 (5)第六章监控量测仪器配置 (5)第七章监控量测技术要求 (6)一、监控量测项目 (6)二、监控量测断面及测点布置 (8)三、监控量测手段及频率 (16)四、监控量测控制基准 (18)五、监控量测的方法 (18)六、监控量测数据的分析 (21)七、二次衬砌施做作时机 (25)第八章工程安全性评价 (26)一、工程安全分级及应对措施 (26)二、工程安全性评价流程 (27)第九章监控量测的数据采集、反馈与工程对策 (27)一、数据采集、上传 (27)二、信息反馈 (28)三、工程对策 (32)第十章量测现场实施要点 (33)第十一章监控量测数据提交方式 (34)第十二章监控量测验收资料 (34)隧道监控量测实施细则第一章总则1、为规范隧道施工的监控量测,把监控量测作为关键工序列入现场施工组织,并在施工中严格实施,确保隧道施工安全,特制定本细则。
2、本细则适用于修建的新建XX铁路XX标段隧道监控量测。
第二章工程概况新建XX铁路站前工程XX标起止里程为:本标段共有隧道:双线19115延长米/10座,占线路长50.68%;其中L>4km的隧道有4.615/1公里/座,2km<L≤3km隧道有4.72/2公里/座,1km<L≤2km隧道有1.767/1公里/座,L<1km隧道有3.02/6公里/座。
第三章监控量测技术方案制定依据1、《铁路隧道监控量测技术规程》(Q/CR9 218-2015);2、《高速铁路隧道工程施工技术规程》(Q/CR 9604-2015);3、《铁路隧道工程施工安全技术规程》(TB10304-2009、J947-2009);4、《高速铁路隧道工程施工质量验收标准》(TB 10753-2010);5、铁总《铁路隧道监控量测数据接口暂行规定》(工管办函﹝2014﹞75号);6、铁总《关于铁路隧道监控量测标准化管理实施意见的通知》(工管办函﹝2014﹞92号);7、铁总《关于开展铁路隧道监控量测信息系统推广应用的通知》(工管办函﹝2014﹞98号);8、《江黑铁路EPC总承包隧道施工监控量测管理办法》(江黑建设安函﹝2018﹞63号);9、监控量测设计、施工图纸、设计要求和环境、地质条件;第四章编制监控量测实施细则的目的监控量测是新奥法施工重要内容之一,应达到下列目的:1、确保施工安全及结构的长期稳定性;2、验证支护结构效果,确认支护参数和施工方法的准确性或为调整支护参数和施工方法提供依据;3、及时掌握支护施工后的变形,对围岩位移速度提供准确的预报,确定二次衬砌施作时间,同时指导下一步的开挖工序;4、监控工程对周围环境的影响;5、积累量测数据,为施工中调整围岩级别、完善设计方案及支护参数、优化施工方案及施工工艺提供依据。
版公路隧道工程监控量测实施方案细则一、工程概况这条隧道,它穿越山岭,横跨两地,全长5.2公里,堪称版公路的重要枢纽。
隧道所处的地质条件复杂,岩层多变,地下水流丰富,施工难度和安全风险都相当高。
因此,为了确保工程质量和安全,我们制定了这套监控量测实施方案。
二、监控量测目的监控量测的目的,简单来说,就是实时掌握隧道施工过程中的各种变化,如围岩稳定性、地表沉降、地下水位等,从而确保施工安全,预防事故发生,保障工程顺利进行。
三、监控量测内容1.围岩稳定性监测:通过在隧道内布设位移计、收敛计等设备,实时监测围岩的变形情况,判断其稳定性。
2.地表沉降监测:在隧道上方地表布设水准点,定期进行水准测量,掌握地表沉降情况。
3.地下水位监测:在隧道周边布设水位观测井,实时监测地下水位变化,预防涌水事故。
4.支撑结构监测:对隧道内的钢拱架、喷射混凝土等支撑结构进行应力、位移等参数的监测,确保其受力合理、稳定可靠。
5.环境监测:对隧道内的空气质量、温度、湿度等环境参数进行监测,确保施工环境达标。
四、监控量测方法1.仪器监测:采用高精度仪器进行监测,如全站仪、水准仪、位移计等,确保数据准确可靠。
2.人工监测:在仪器监测的基础上,增加人工巡查,对隧道内外的异常情况进行及时发现、及时处理。
3.数据分析:对监测数据进行分析,采用统计学、力学等分析方法,预测隧道施工过程中的潜在风险。
五、监控量测流程1.施工前准备:布设监测点,安装监测设备,检查设备运行情况。
2.施工过程中监测:按照监测计划,定期进行数据采集、分析、预警。
3.数据反馈:将监测数据及时反馈给施工方,指导施工调整。
4.应急处置:对监测数据异常情况进行应急处置,确保施工安全。
六、监控量测保障措施1.建立健全组织机构:成立专门的监控量测小组,明确责任分工,确保监控量测工作的顺利进行。
2.培训专业人才:对监控量测人员进行专业培训,提高其业务水平。
3.完善管理制度:建立健全监控量测管理制度,确保监控量测工作的规范化和制度化。
一、交底对象本次技术交底针对隧道监控安全测量工作的全体工作人员,包括测量员、技术人员、现场施工人员等。
二、交底时间[具体时间]三、交底内容1. 隧道监控安全测量目的为确保隧道施工过程中的安全,及时发现和处理安全隐患,保障施工人员生命财产安全,提高施工质量,特进行隧道监控安全测量。
2. 隧道监控安全测量范围(1)隧道围岩稳定性监测(2)隧道支护结构变形监测(3)隧道渗漏水监测(4)隧道通风、照明、排水系统监测(5)隧道施工环境监测3. 隧道监控安全测量方法(1)围岩稳定性监测:采用地质雷达、地震波反射法等手段进行。
(2)支护结构变形监测:采用全站仪、水准仪、测斜仪等手段进行。
(3)渗漏水监测:采用水位计、渗漏水监测仪等手段进行。
(4)通风、照明、排水系统监测:采用风压计、照度计、流量计等手段进行。
(5)施工环境监测:采用噪声计、粉尘计、温度计等手段进行。
4. 隧道监控安全测量注意事项(1)严格遵守国家相关法律法规和行业标准。
(2)认真执行测量方案,确保测量数据的准确性。
(3)加强现场安全防护,防止意外事故发生。
(4)定期对测量仪器进行校准、维护,确保仪器精度。
(5)做好测量数据的记录、整理和分析工作。
5. 隧道监控安全测量报告编制(1)报告内容应包括:测量时间、地点、仪器设备、测量方法、测量结果、分析评价等。
(2)报告格式应符合相关规定,确保报告的规范性和可读性。
6. 隧道监控安全测量工作要求(1)各岗位人员应明确自己的职责,严格遵守操作规程。
(2)加强沟通与协作,确保隧道监控安全测量工作的顺利进行。
(3)定期对隧道监控安全测量工作进行总结和改进,不断提高工作质量。
四、交底结束本次隧道监控安全测量技术交底至此结束,请全体人员认真领会并执行。
五、备注1. 请各岗位人员认真阅读并签字确认。
2. 如有疑问,请及时向项目负责人或技术负责人咨询。
[签名][职务][日期]。
前山隧道施工技术交底一、施工准备(1)、按施工场地布置图作好水、电、路、临建工程。
(2)、对项目部测量队交付使用的隧道轴线桩、三角网基点桩、水准基点桩等按图纸进行校对,若发现桩志不足、不稳妥、被移动或测量精度不符合要求时,除应恢复原桩志外,尚需进行补测、加桩、加固、移设桩志、水准点等工作,并将检测资料书面报测量工程师复核批准.(3)、根据施工设计资料及有关合同条款,编制实施性施工组织设计交监理工程师批准后正式开工.二、隧道施工测量控制为保证隧道贯通精度,采用如下测量控制方案1、地表平面控制(1)为保证洞口投点的相对精度,平面控制网根据设计提供的控制点和实地地形情况布设精密控制网,并保证洞口附近有二个或二个以上的精密控制网点.(2)地表控制网经过多次复测,复测无误后方可引线进洞的测量工作。
2、洞口联系测量为保证地面控制测量精度很好地传递到洞内,采用如下洞口控制测量方案: (1)在洞口仰坡完成及洞口施工至设计标高后,在洞口埋设二个稳固的导线控制点。
(2)洞口附近在基础稳定处埋设2~4个水准点,与地表水准控制网观测及平差计算,以便于隧道进洞水准测量。
3、测量方法及措施(1)地表平面控制测量选用全站仪施测,建立四等导线控制网,并把隧道中线和横向轴线纳入控制网内以保证放样精度.(2)高程控制按四等网施测,用自动按平水准仪施测,精度至毫米.(3)洞内控制测量与地表控制测量按同等精度建网,施工中线测量使用全站仪。
(4)具体要点:A、项目部测量组负责地表平面控制测量、高程控制测量和洞内引线控制测量,提供正确的进洞方位和高程点。
施工队对提供的测量成果和桩以复核无误后方可使用,并负责中线、高程测量。
中线测量在隧道每掘进20米,衬砌每10米时各进行一次,隧道每延伸100米时建导线网点一次。
B、测量作业需按《公路勘测细则》要求,原始记录齐全,测量资料整洁无误,各种计算工作必须两人独立进行,对照无误后方可进行下一步工作。
隧道监控量测施工方案一、工程概况本方案针对某隧道工程项目制定,该隧道全长XX米,地质条件复杂,为确保施工安全与工程质量,特编制此隧道监控量测施工方案。
二、监控量测内容1.拱顶沉降量测:在隧道开挖后,定期监测拱顶的垂直位移变化,以评估围岩稳定性及支护效果。
2.周边收敛量测:对隧道开挖面周边的围岩变形进行连续监测,防止因收敛过大导致的安全风险。
3.地表沉降观测:通过布设地表沉降观测点,实时掌握隧道施工对地表的影响情况。
4.锚杆(索)应力监测:监测锚杆(索)受力状况,确保其工作性能满足设计要求。
5.洞内环境监测:包括通风、排水、瓦斯、地下水位等参数的监测,保障施工环境安全。
三、监控量测方法与设备选择根据上述监测内容,采用全站仪、收敛计、多点位移计、应力传感器等专业设备进行量测。
同时运用现代信息技术,建立隧道施工自动化监控系统,实现数据实时采集、传输和分析。
四、监控量测实施步骤1.量测点布置:根据隧道断面结构、地质条件等因素合理布置量测点,并做好标识。
2.初始值测定:在施工前先测定各量测点的初始值,作为后续对比分析的基础。
3.施工过程中的动态监测:按照预定频率进行持续监测,及时记录并分析数据,发现异常立即报告,并采取相应措施。
4.数据处理与预警机制:对收集的数据进行整理分析,设置合理的预警阈值,当达到预警条件时,启动应急预案。
五、安全保障与质量控制所有监控量测人员应接受专业培训,严格遵守操作规程。
同时,与施工进度紧密配合,将监控量测结果作为调整施工方法、优化支护参数的重要依据,确保隧道施工的安全与质量。
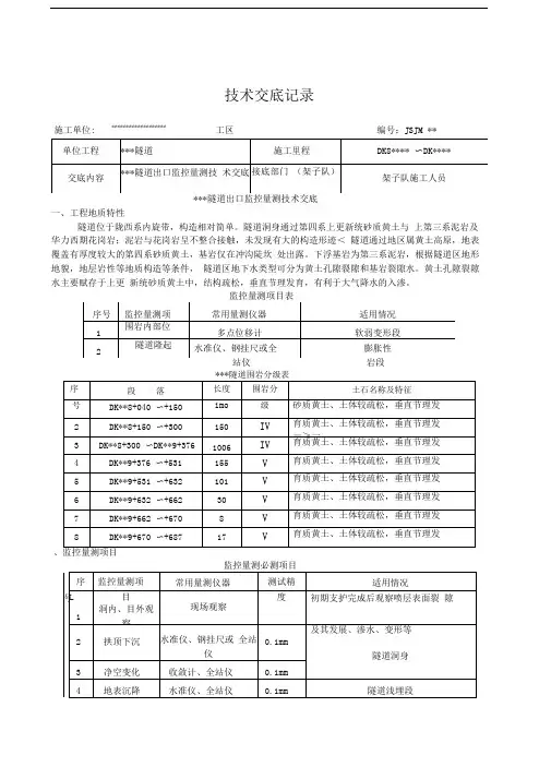
技术交底记录施工单位: *******************工区编号:JSJM **一、工程地质特性隧道位于陇西系内旋带,构造相对简单。
隧道洞身通过第四系上更新统砂质黄土与上第三系泥岩及华力西期花岗岩;泥岩与花岗岩呈不整合接触,未发现有大的构造形迹<隧道通过地区属黄土高原,地表覆盖有厚度较大的第四系砂质黄土,基岩仅在冲沟陡坎处出露。
下浮基岩为第三系泥岩,根据隧道区地形地貌,地层岩性等地质构造等条件,隧道区地下水类型可分为黄土孔隙裂隙和基岩裂隙水。
黄土孔隙裂隙水主要赋存于上更新统砂质黄土中,结构疏松,垂直节理发育,有利于大气降水的入渗。
***隧道围岩分级表三、 基础沉降观测断面及观测点布置1 •隧道洞口段进行地基处理的地段,从洞口起每25m 布设一个断面,结合本隧道设计图纸,其沉降观测点布设里程为 DK**9+687、DK**9+662、DK**9+644。
2. DK**9+644段位于基础处理与不处理分界段,此里程桩设置时左右各布置一个断 面。
3. 洞身段范围内W 级围岩每隔300m V 级围岩每隔200m,布设一个观测断面。
4•隧道两个相向施工贯通面处两侧各布置一个断面。
5.隧道主体工程完工后,每个观测断面在相应于两侧边墙高于沟槽盖板 0.3m 处设一对沉降观测点。
四、 监控量测频率隧道必测项目的监控量测频率根据测点距离开挖面的距离及位移速率确定。
如有出 现异常情况或不良地质时,应增大监控量测频率。
B 五、 监控量测人员及仪器1. ***隧道监控量测人员有甲、乙、丙2. 监控量测仪器采用莱卡TCR402全站仪一套、苏光DSZ2水准仪一套、收敛计一套 六、 监控量测断面设置原则:1. 监控量测断面及测点布置原则由于隧道洞口处于浅埋段,隧道地表沉降点应在隧道开挖前布设,地表沉降点和隧 道内测点应布置在同一断面里程,一般条件下,地表沉降测点纵向间距应按下表的要求 布置。
注:HH —隧道埋深;B —隧道最大开挖宽度。
隧道施工地表建筑物监测方法及预防沉降措施xx隧道下穿xx部分市区,隧址地表建筑物较多,为了保证明挖隧道地段基坑稳定、暗挖隧道地表建筑物的沉降在要求范围以内以及作业人员、居民的安全和附近(地下)管线的正常使用,必须进行现场监测工作,在施工前进行预测,制定预防措施。
⑴施工预测在施工前,由项目总工程师负责组织有关技术人员对施工过程中可能会发生的问题进行预测,通过对施工中可能会遇到的问题进行较为精确的预测,以便作为施工组织的参考依据,保证施工安全。
①施工预测的原则A、依据明挖及暗挖隧道的施工特点,紧抓施工重点和难点,有针对性地进行施工预测;B、根据工程地质及水文地质以及周围环境,预测施工对周围环境的影响。
②施工预测项目根据本工程的施工特点、工程地质和水文地质情况、施工方案、地面建筑物的相对位置及管线分布情况等,拟对以下项目进行施工预测:A、地面建筑物沉降、变形预测;B、地下管线沉降预测;C、基坑开挖稳定性预测。
③施工预测方案及预防措施A、地面建筑物沉降、变形预测施工前对建筑物的基础类型、地质条件等进行详细调查,如需进行加固处理时,根据量测结果确定加固方案对地表进行加固。
B、地下管线沉降预测施工前对地下管线的相对位置、埋深、类型等详细调查,采用有限元分析系统软件,对隧道开挖及结构施工过程中的地面沉降进行施工检算,预测地面沉降量,依此对地下管线的沉降进行预测。
施工前根据管线类型、位置及埋深等,对基坑周边重要的地下管线进行注浆保护。
施工过程中,对管线进行监控量测,根据量测结果确定保护方案。
C、基坑开挖稳定性预测施工前采用有限元分析系统软件,对基坑开挖及结构施工过程中的地面沉降进行施工检算,预测地面沉降量及围护结构变形情况。
⑵施工监测①监测组织及程序建立专业监测小组,以项目总工程师为直接领导,由具有丰富施工经验、监测经验及有结构受力计算、分析能力的工程技术人员组成。
负责监测方案的制定、监测点的埋设、监测仪器的调试、监测数据的收集、整理和分析,并采用先进可靠的计算软件,快速、及时准确的反馈信息,指导施工。
一、交底目的为确保隧道施工过程中监控量测工作的安全、准确、高效,特制定本安全技术交底。
二、交底内容1. 监控量测人员安全要求(1)监控量测人员必须经过专业培训,熟悉隧道监控量测技术规范和操作流程。
(2)进入施工现场前,必须穿戴好个人防护用品,如安全帽、工作服、防护眼镜、手套等。
(3)严禁酒后、疲劳作业,确保作业人员精神饱满。
2. 监控量测设备安全要求(1)监控量测设备应定期进行维护、保养,确保设备正常运行。
(2)使用前应检查设备电源、传感器、数据传输等是否正常。
(3)设备操作人员应熟悉设备性能,按照操作规程进行操作。
3. 监控量测作业安全要求(1)监控量测作业前,应了解隧道地质、水文、气象等条件,评估作业风险。
(2)作业现场应设置警示标志,确保作业人员视线清晰。
(3)监控量测人员应遵循以下作业步骤:a. 根据设计要求,确定监测断面和监测点。
b. 使用测量仪器进行监测,记录数据。
c. 分析监测数据,发现异常情况及时报告。
d. 根据监测数据,调整施工方案,确保隧道安全。
4. 监控量测数据处理安全要求(1)数据处理人员应熟悉数据处理软件,确保数据处理准确。
(2)数据处理过程中,应严格执行数据处理规范,确保数据真实性。
(3)数据存储、传输应采取加密措施,防止数据泄露。
三、安全注意事项1. 作业人员应严格遵守隧道施工安全操作规程,确保自身安全。
2. 严禁在隧道内吸烟、饮酒、使用明火等,防止火灾事故发生。
3. 严禁在隧道内进行高空作业,如需进行高空作业,必须采取安全措施。
4. 隧道内施工机械、设备应定期检查、维护,确保其安全运行。
5. 隧道内应设置应急照明、通风、排水等设施,确保应急情况下的安全。
四、应急措施1. 发生安全事故时,立即停止作业,启动应急预案。
2. 确保受伤人员得到及时救治,防止事故扩大。
3. 对事故原因进行调查,分析原因,制定整改措施。
4. 对事故责任人员进行处理,确保类似事故不再发生。
五、交底人及时间交底人:________交底时间:____年__月__日备注:本交底经双方确认,双方代表签字生效。
一、交底目的为确保隧道施工过程中的监控量测工作顺利进行,预防安全事故的发生,提高施工质量和效率,特进行本次安全技术交底。
二、交底内容1. 监控量测工作概述(1)监控量测工作是指对隧道围岩、支护结构、地下水位、地面沉降等参数进行实时监测和评估,以便及时发现问题、采取措施,确保隧道施工安全。
(2)监控量测工作分为现场监控和远程监控两部分。
2. 监控量测项目及方法(1)监控量测项目:包括围岩变形、支护结构变形、地下水位、地面沉降等。
(2)监控量测方法:1)围岩变形:采用收敛计、多点位移计、地质雷达等设备进行监测。
2)支护结构变形:采用钢卷尺、位移计、全站仪等设备进行监测。
3)地下水位:采用水位计、地下水监测井等设备进行监测。
4)地面沉降:采用全站仪、GPS等设备进行监测。
3. 监控量测工作要求(1)严格按照设计要求和技术规范进行监控量测工作。
(2)确保监控量测设备性能良好,数据准确可靠。
(3)监控量测人员应具备相关专业知识,熟悉设备操作。
(4)监控量测数据应及时整理、分析、上报。
4. 安全注意事项(1)监控量测现场应设置安全警示标志,确保施工人员安全。
(2)监控量测设备操作人员应佩戴安全帽、防护眼镜等防护用品。
(3)高空作业时,必须系好安全带,确保安全。
(4)地下水位监测井等设备操作人员应避免接触有害气体,确保人身安全。
(5)监控量测设备应定期进行维护、保养,确保设备正常运行。
三、交底责任1. 施工单位负责组织监控量测工作,确保监控量测质量。
2. 监控量测人员负责现场监控量测数据的采集、整理、分析、上报。
3. 施工单位应定期对监控量测工作进行监督检查,确保监控量测工作顺利进行。
四、交底时间及地点1. 时间:[具体时间]2. 地点:[具体地点]五、其他事项1. 施工单位应将本次安全技术交底内容纳入施工记录,作为施工过程的重要依据。
2. 施工单位应加强对监控量测工作的宣传和教育,提高全体施工人员的安全意识。
监控量测技术交底
五龙背1号隧道出口洞口段洞内监控量测点位埋设断面里程如下:
断面
监测断面里程监测点个数备注
序号
1 DK192+774 5
2 DK192+769 5
3 DK192+76
4 5
4 DK192+759 5
注:
1、洞口段洞内监控量测断面均和相应的地表沉降测点断面应在同一里程上。
其后的监测断面按围岩的等级来布点。
(监测断面统计表见附表)如实际与设计围岩等级不符,另行修改。
2、监控量测一个断面布置5个点,拱顶一个,上台阶开挖拱腰一侧各一个,下台阶开挖边墙一侧各一个。
初期支护完成后立即埋设。
当天即进行观测,获得初始数据。
(详见《监控量测细则》)。
3、不同断面的测点应布置在相同部位,测点应尽量对称布置,以便数据的相互校核。
4、监控量测点位埋设时,先用全站仪放出该断面里程。
然
后在该断面放出拱顶测点和周边收敛测点。
尽量使监测点位于同一里程上。
5、监控量测点采用钻孔埋设,保证监测点牢固,不易被破坏。
反射片粘在测钩上,用透明胶带片粘紧。
埋好后挂上测量标志牌,并写上断面里程、负责人。
6、监控量测采用非接触量测方法,用全站仪直接测得三维坐标,再反算成净空距离。
7、监控量测严格按照《监控量测细则》、《铁路隧道监控量测技术规程》、【120号文】(铁道部)实施。
交底人:
接底人:
日期:。
一、交底目的为确保监控量测工作的顺利进行,保障施工人员的人身安全及工程质量,特制定本安全措施模板。
二、适用范围本模板适用于所有监控量测施工过程,包括但不限于隧道、桥梁、高层建筑等工程。
三、安全措施1. 人员安全培训(1)所有参与监控量测的人员必须经过专业培训,了解监控量测的基本原理、操作方法和安全注意事项。
(2)新入职或转岗人员必须进行岗前安全教育培训,考核合格后方可上岗。
2. 现场安全检查(1)施工前,必须对施工现场进行安全检查,确保场地平整、稳固,无安全隐患。
(2)检查监控量测设备是否完好,必要时进行维修或更换。
3. 个人防护用品(1)所有施工人员必须佩戴安全帽、安全带、防尘口罩等个人防护用品。
(2)高处作业时,必须系好安全带,并使用安全绳。
4. 施工环境控制(1)确保施工现场通风良好,避免有害气体积聚。
(2)施工过程中,注意防雷、防触电、防滑等安全措施。
5. 操作规程(1)严格按照监控量测操作规程进行施工,不得擅自改变操作流程。
(2)操作人员必须熟悉所使用设备的性能和操作方法,确保设备运行正常。
6. 应急措施(1)制定监控量测施工过程中可能出现的突发事件的应急预案。
(2)定期进行应急演练,提高应对突发事件的能力。
7. 设备安全(1)监控量测设备在运输、安装、使用过程中,必须确保安全。
(2)设备操作人员必须熟悉设备的使用说明书,严格按照操作规程进行操作。
8. 记录与汇报(1)施工过程中,必须做好安全记录,包括人员培训、安全检查、设备使用等情况。
(2)如发生安全事故,立即上报相关部门,并按照规定进行处理。
四、安全交底内容1. 施工现场安全注意事项;2. 个人防护用品的使用要求;3. 监控量测设备的安全操作规程;4. 突发事件的应急预案;5. 安全记录与汇报要求。
五、安全责任1. 施工单位应负责施工现场的安全管理,确保施工安全;2. 监控量测人员应严格遵守安全操作规程,确保自身和他人的安全;3. 施工单位应定期对监控量测人员进行安全教育培训,提高安全意识。
主送单位隧道各工区日期.9.1
工程名称监控量测点部署依据图号
5、当拱顶下沉、水平收敛速率达5mm/d或位移累计达1OOmm时,应暂停掘进,并立刻分析原因,采取处理方法。
6、当采取接触量测时,测点挂钩应做成闭合三角形,确保牢靠不变形。
三、监控量测点部署
⑴周围水平位移、净空量测: 开挖后12小时内, 风枪钻眼, 用1:1水泥砂浆填满后再插入测点固定杆, 尽可能使两边测点固定杆在量测方向同一轴线上。
台阶法布设两条净空水平收敛量测线, 全断面最少部署一条, 具体视围岩情况和实际需要情况而定。
接触量测点具体制作以下: 前端(喷锚后外露部分)采取Φ6.5或Φ8圆钢做成边长为5cm等边闭合三角形, 测点固定杆钢筋采取Φ18~Φ22螺纹钢, 固定杆长度在40~50cm。
具体以下图:
⑵拱顶下沉量测: 拱顶下沉量测测点、水平净空量测点和地表下沉量测断面在同一里程处。
编制者复核者
接收单位隧道各工区接收人
工程技术交底书。
地表沉降监测方案一、沉降观测的自始至终要遵循“五定”原则所谓“五定”,即通常所说的沉降观测依据的基准点、工作基点和被观测物上的沉降观测点,点位要稳定;所用仪器、设备要稳定;观测人员要稳定;观测时的环境条件基本一致;观测路线、镜位、程序和方法要固定。
以上措施在客观上尽量减少观测误差的不定性,使所测的结果具有统一的趋向性,保证各次复测结果与首次观测的结果可比性更一致,使所观测的沉降量更真实。
二、监测位置布置,及测点制作1、地表沉降观测在洞口浅埋段布置4个观测断面,地表下沉量测的纵向间距为: S=5m。
沿衬砌中线隧道拱顶范围:3m一个测点,其他:每4米一个测点,最外侧不动点为基准测点,应确保不受扰动、破坏。
各测点须布设在同一断面上,使测设结果能相互对照,避免人为误差的影响。
由于受地形限制,各测点布设应遵循施测迅速方便的原则。
及时布设测点,读取初读数。
具体布置如图一、图三所示。
图一:地表沉降量测范围及测点布置示意图2、控制桩制作图二:Φ12钢筋3、控制桩网平面投影图图三:三、沉降观测精度及测量频率沉降点观测应采用精密水准测量(使用莱卡高精度水准仪及配套测尺),其主要技术要求如下1、往返较差、附和或环线闭合差:△h=Σa-Σb≤l√n—,表示测站数。
(或△h=Σa-Σb≤1.0√L—,L 表示观测路线距离)。
2、前后视距:≤30m。
3、前后视距差:≤1.0m。
4、前后视距累积差≤3.0m。
5、沉降观测点相对于后视点的高差容差:≤0.1mm。
6、测量频率:开挖面前>30m,1次/2天;开挖面后<30m,2次/1天;开挖面后30~80m, 1次/2天;开挖面后>80m1次/7天;四、沉降观测中注意事项沉降观测应采用附合线路或闭合线路,做到定机、定人、定路线。
测施前仪器必须经过检验,符合要求后方可使用。
沉降观测的前后视距应尽可能相等,仪器到水准尺的距离不得大于30m。
测施中,前后视必须采用同一根水准尺。