【CN209465643U】数控电动螺旋压力机上顶料装置【专利】
- 格式:pdf
- 大小:540.11 KB
- 文档页数:9
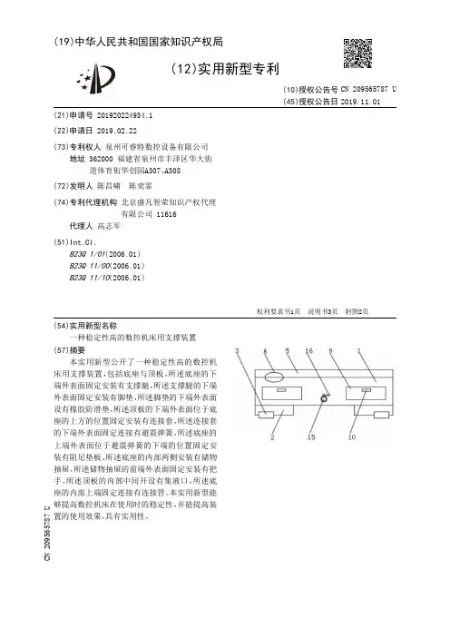
(19)中华人民共和国国家知识产权局(12)实用新型专利(10)授权公告号 (45)授权公告日 (21)申请号 201920224934.1(22)申请日 2019.02.22(73)专利权人 泉州可睿特数控设备有限公司地址 362000 福建省泉州市丰泽区华大街道体育街华创园A307、A308(72)发明人 陈昌啸 陈奕霏 (74)专利代理机构 北京盛凡智荣知识产权代理有限公司 11616代理人 高志军(51)Int.Cl.B23Q 1/01(2006.01)B23Q 11/00(2006.01)B23Q 11/10(2006.01)(54)实用新型名称一种稳定性高的数控机床用支撑装置(57)摘要本实用新型公开了一种稳定性高的数控机床用支撑装置,包括底座与顶板,所述底座的下端外表面固定安装有支撑腿,所述支撑腿的下端外表面固定安装有脚垫,所述脚垫的下端外表面设有橡胶防滑垫,所述顶板的下端外表面位于底座的上方的位置固定安装有连接套,所述连接套的下端外表面固定连接有避震弹簧,所述底座的上端外表面位于避震弹簧的下端的位置固定安装有阻尼垫板,所述底座的内部两侧安装有储物抽屉,所述储物抽屉的前端外表面固定安装有把手,所述顶板的内部中间开设有集液口,所述底座的内部上端固定连接有连接管。
本实用新型能够提高数控机床在使用时的稳定性,并能提高装置的使用效果,具有实用性。
权利要求书1页 说明书3页 附图2页CN 209565787 U 2019.11.01C N 209565787U权 利 要 求 书1/1页CN 209565787 U1.一种稳定性高的数控机床用支撑装置,包括底座(1)与顶板(5),其特征在于,所述底座(1)的下端外表面固定安装有支撑腿(2),所述支撑腿(2)的下端外表面固定安装有脚垫(3),所述脚垫(3)的下端外表面设有橡胶防滑垫(4),所述顶板(5)的下端外表面位于底座(1)的上方的位置固定安装有连接套(6),所述连接套(6)的下端外表面固定连接有避震弹簧(7),所述底座(1)的上端外表面位于避震弹簧(7)的下端的位置固定安装有阻尼垫板(8),所述底座(1)的内部两侧安装有储物抽屉(9),所述储物抽屉(9)的前端外表面固定安装有把手(10),所述顶板(5)的内部中间开设有集液口(11),所述底座(1)的内部上端固定连接有连接管(12),所述连接管(12)的中间外表面固定安装有过滤芯(13),所述底座(1)的内部位于连接管(12)的下端的位置固定安装有积液箱(14),所述底座(1)的前端下方安装有出水管(15),所述出水管(15)的外表面设有控制阀(16)。
(19)中华人民共和国国家知识产权局(12)实用新型专利(10)授权公告号 (45)授权公告日 (21)申请号 201920458292.1(22)申请日 2019.04.04(73)专利权人 江苏华兴通讯科技有限公司地址 212000 江苏省镇江市民营开发区润兴路31号(72)发明人 罗建 (74)专利代理机构 镇江京科专利商标代理有限公司 32107代理人 夏哲华(51)Int.Cl.B23Q 3/12(2006.01)B23Q 11/00(2006.01)(ESM)同样的发明创造已同日申请发明专利(54)实用新型名称一种棒料支撑装置(57)摘要本实用新型公开了一种棒料支撑装置。
它包括支撑立柱和水平安装在支撑立柱顶部的套管,套管内具有通过轴承安装的空心料杆,空心料杆能够在轴承的支撑下自由转动,空心料杆内安置有待加工的棒状零件,棒状零件能够与机床主轴配合进行加工。
采用上述的结构后,由于设置的套管以及套管内设置的能够自由转动的空心料杆,将待加工的棒状零件安置在空心料杆内,由此巧妙地利用了能够自由转动的空心料杆与机床主轴的同步转动降低了棒料高速转动产生离心力对零件带来的影响,保证了零件表面质量达到要求,在轴承和套管之间安装减震套,降低了棒料震动产生的噪音,另外,其整体结构构思巧妙,安装十分简单方便,制造成本非常低,具有非常好的应用前景。
权利要求书1页 说明书2页 附图1页CN 209986610 U 2020.01.24C N 209986610U权 利 要 求 书1/1页CN 209986610 U1.一种棒料支撑装置,其特征在于:包括支撑立柱(1)和水平安装在支撑立柱顶部的套管(2),所述套管(2)内具有通过轴承(3)安装的空心料杆(4),所述空心料杆(4)能够在轴承的支撑下自由转动,所述空心料杆(4)内安置有待加工的棒状零件,所述棒状零件能够与机床主轴配合进行加工。
2.按照权利要求1所述的棒料支撑装置,其特征在于:所述套管(2)内安装减震套(5),所述轴承(3)安装在减震套(5)内。
(19)中华人民共和国国家知识产权局(12)实用新型专利(10)授权公告号 (45)授权公告日 (21)申请号 201920191018.2(22)申请日 2019.02.12(73)专利权人 天津拓宇金属制品有限公司地址 300277 天津市滨海新区中塘镇贵园里43-2-202(72)发明人 蔡志清 庞忠水 (51)Int.Cl.B65G 47/82(2006.01)(54)实用新型名称一种螺钉滚丝自动上料机构(57)摘要本实用新型公开了一种螺钉滚丝自动上料机构,包括工作台,所述工作台的一端设有固定底座、并且固定底座的另一端固定有垫高台,所述垫高台的另一端连接有连接固定板、并且连接固定板两侧设有连接转动盘。
该螺钉滚丝自动上料机构设置有2个第一连接杆与1个第二连接杆通过其两端“T ”字形结构构成滑动结构,这样的设计方便使用者可以将第二连接杆的两端在中空结构的第一连接杆内部,方便该第一连接杆与第二连接杆构成圆环形结构的内部直径缩小,从而可以使圆环形结构外壁连接有螺钉原料杆,可以因为螺钉原料杆的压力使第一连接杆与第二连接杆构成圆环形结构向连接柱内移动,进而使2个圆环形结构将原料杆固定住。
权利要求书1页 说明书4页 附图2页CN 209554294 U 2019.10.29C N 209554294U权 利 要 求 书1/1页CN 209554294 U1.一种螺钉滚丝自动上料机构,包括工作台(4),其特征在于:所述工作台(4)的一端设有固定底座(9)、并且固定底座(9)的另一端固定有垫高台(8),所述垫高台(8)的另一端连接有连接固定板(2)、并且连接固定板(2)两侧设有连接转动盘(3),其中,靠近工作台(4)的所述连接转动盘(3)的一端固定有小号齿轮(12),所述小号齿轮(12)外壁设有连接皮带(5)、并且连接皮带(5)的另一端连接有大号齿轮(6),所述大号齿轮(6)的另一端固定有联轴器(11)、并且联轴器(11)的另一端固定有反向电机(7)和电机(10);所述连接转动盘(3)上设有连接柱(13)、并且连接柱(13)外壁固定有伸缩杆(15),所述伸缩杆(15)的另一端连接有第一连接杆(1)、并且第一连接杆(1)的两端设有第二连接杆(14)。