发电机定冷水系统介绍 王鹏宇
- 格式:pptx
- 大小:6.31 MB
- 文档页数:96
发电机定子冷却水系统及设备描述1.1.总的介绍定子冷却系统供发电机定子绕组冷却,采用闭式独立水系统并采用集装式结构。
1.2.系统及设备描述1.2.1定子冷却水系统流程1.2.2水温的控制冷却器冷却水进水设计温度为38℃,定子线圈内的冷却水的进水温度范围为40~50℃、进水温度设有自动调节装置,冷却水温度波动范围±3℃,出水温度不得大于85℃。
水系统设电加热装置。
热电偶/阻的设置:1)定子每槽内上、下层线圈间埋置二只热电阻(Pt100)。
其中一支工作,一支备用。
元件均为三线制。
2)每根绝缘引水管出口端安装测量出水温度的热电偶一只(E分度)。
3)定子铁芯齿部和轭部装设12只热电偶(E分度)。
4)氢气冷却器进、出风处各装一只Pt100的双支型热电阻(三线制)。
5)各轴瓦上各装一只热电偶(E分度)。
6)定子线圈水路进、出水处各装一只双支型热电阻(Pt100)。
7)定子压圈、压指和铜屏蔽上共装设9只热电偶(E分度,励端按120度分布)。
以满足进相运行时测温的需要。
1.2.3水质的控制水质应透明纯净,无机械混杂物,在水温为20℃时:1)电导率为 0.5~1.5μS/cm(定子线圈独立水系统)。
2)PH值 7.0~8.03)硬度<2微克当量/L(2μgE/L)4)含氨(NH3)微量定子水系统配有10%容量的离子交换器及其流量计、电导仪、压力表及温度计,以提高水质。
定子水箱按压力容器设计、制造,且采用氮气加压。
水箱排空管上装有气敏元件、测氢浓度报警。
发电机管道设计考虑定子线圈反冲洗和排水管及阀门,能方便地对定子进行反冲洗,反冲洗管道上加装激光打孔过滤器。
1.2.4定子冷却水系统设备配置定子水系统中水泵、冷水器、滤水器各设2台,互为备用。
每台冷却器都按照机组最大负荷设计流量、最高水温,并且水侧污染系数为0.000176m2. ℃/w及5%管子堵塞的情况来设计。
两台100%容量的带有温度控制系统的水冷却器隔离阀。
1000MW发电机定子冷却水补水系统改进及实践摘要:新电1000MW超超临界#1机组发电机定子冷却水水质超标,化学取样装置无法连续投运,运行无法跟踪监视和调整,除盐水补水时,影响机组运行安全。
通过对发电机定子冷却水补水管路的改进和应用,保证了化学取样装置连续投用,使运行跟踪监视和调整得到了保证,从而使凝结水水质达到国标要求。
为#2机组发电机定子冷却水补水管路的设计、安装、调试提供了资料。
关键词:1000MW超超临界机组;定子冷却水;补水管路;改进前言:新电1000MW超超临界发电机为上海汽轮发电机有限公司引进德国西门子公司技术生产的THDF125/67型三相同步汽轮发电机。
发电机采用水氢氢冷却方式:发电机的定子绕组采用定子冷却水直接冷却,转子绕组、相连接线和出线套管均采用氢气直接冷却。
定子由定子机座,定子铁心与定子绕组组成。
定子线棒内为不锈钢镀膜。
1、发电机定冷水系统补水系统改进前工况及运行方式1.1新电1000MW发电机定冷水系统补水系统改进前如图1所示。
一路补水是凝结水加氨点后至内冷水泵入口管道;另一路补水是凝补水母管来的除盐水至定冷水泵入口管道。
当定冷水电导、PH值超标,通过除盐水对其间断换水以保证其水质。
化学连续取样装置因补水不能连续无法投用。
图1 改进前定子冷却水补水系统示意图1.2定子冷却水运行中水质数据表1 定冷水补水系统改进前数据1.3#1机发电机定冷水水质要求如表2所示按化学水质标准相关规定内冷水系统需保持一定连续溢流,进行换水以保证水质及连续取样要求。
表2定冷水水质标准经对比定冷水电导超标,硬度超标严重。
2、定子冷却水补水管道改进分析1000MW发电机定子为不锈钢空心线。
按照GBT-7064-2008《隐既同步发电机技术要求》如表2所示。
改进补水管道的前提是有合适的水源。
通常情况下,水源只有两路,即除盐水和凝结水。
除盐水水质电导(25℃)<0.4μS/cm,硬度为0μmol/L,pH(25℃)在6.3~7.0,铜为0μg/L。
12.发电机定冷水系统12.1.系统概述包括的主要设备:(1)发电机定子冷却水补水电磁阀(T50V01A)(2)(T50FS01)发电机断水保护跳发电机1(1MKF01-YP01)(3)(T50FS02)发电机断水保护跳发电机2(1MKF01-YP02)(4)1号定子冷却水泵(T50M01A)(5)2号定子冷却水泵(T50M01B)(6)发电机定子冷却水加热器(T50M02A)(7)发电机补氢电磁阀(T51V01A)(8)氢气干燥器(T51M01A)(9)循环风机(T51M02A)12.2.#1定子冷却水泵(T50M01A)●操作方式:(1)单操(2)联锁●启动允许条件:(and)(1)(T50LS02L)发电机定子水箱水位低(10MKF10CL551L),取非(2)(T50LS02OK)发电机定子水箱水位正常(10MKF10CL551N)●停止允许条件:()(1)无●自动启动条件:((1/2 and,5s脉冲) or (3/4 and (5/6/7 or),5s脉冲))(1)#1定子冷却水泵联锁投入(2)#2定子冷却水泵跳闸(T50M01B.OC或T50M01B.L1)(3)#1定子冷却水泵联锁投入(4)(T50M01BZR)2号定子冷却水泵运行状态(10MKF10AP002XP03),延时2sHOLLiAS杭州和利时自动化有限公司(5)(T50PS01L)发电机定子冷却水压力低(10MKF20CP201XP02)(6)(T50PS02L)发电机定子冷却水泵出口压力低(10MKF10CP201L)(7)(T50FT081)发电机定子冷却水流量(1MKF20CF001)<104.4T/H,延时3s(定值待定)●自动停止条件:()(1)无●保护启动条件:()(1)无●保护停止条件:()(1)无12.3.#2定子冷却水泵(T50M01B)●操作方式:(1)单操(2)联锁●启动允许条件:(and)(1)(T50LS02L)发电机定子水箱水位低(10MKF10CL551L),取非(2)(T50LS02OK)发电机定子水箱水位正常(10MKF10CL551N)●停止允许条件:()(1)无●自动启动条件:((1/2 and,5s脉冲) or (3/4 and (5/6/7 or),5s脉冲))(1)#2定子冷却水泵联锁投入(2)#1定子冷却水泵跳闸(T50M01A.OC或T50M01A.L1)(3)#2定子冷却水泵联锁投入(4)(T50M01AZR)1号定子冷却水泵运行状态(10MKF10AP001XP03),延时2s(5)(T50PS01L)发电机定子冷却水压力低(10MKF20CP201XP02)(6)(T50PS02L)发电机定子冷却水泵出口压力低(10MKF10CP201L)(7)(T50FT081)发电机定子冷却水流量(1MKF20CF001)<104.4T/H,延时3s(定值待定)●自动停止条件:()(1)无HOLLiAS杭州和利时自动化有限公司●保护启动条件:()(1)无●保护停止条件:()(1)无12.4.定子冷却水水箱补水电磁阀 (T50V01A)●操作方式:(1)单操(2)联锁●开启允许条件:()(1)无●关闭允许条件:()(1)无●自动开启条件:(5s脉冲)(1)(T50PS01L)发电机定子冷却水压力低(10MKF20CP201XP02)●自动关闭条件:()(1)(T50LS02H)发电机定子水箱水位高(10MKF10CL551H)●保护开启条件:()(1)无●保护关闭条件:()(1)无12.5.发电机断水保护:((1/2/3,3取2),延时15s )(1)(T50FS01LA)发电机定子冷却水流量过低1(1MKF20DP201)(2)(T50FS01LB)发电机定子冷却水流量过低2(1MKF20DP202)(3)(T50FS01LC)发电机定子冷却水流量过低3(1MKF20DP203)HOLLiAS杭州和利时自动化有限公司12.6.发电机定子冷却水加热器(T50M02A)●操作方式:(1)单操●开启允许条件:()(1)无●关闭允许条件:()(1)无●自动开启条件:()(1)无●自动关闭条件:()(1)无●保护开启条件:()(1)无●保护关闭条件:()(1)无12.7.发电机定子冷却水加热器(T50M02A)●操作方式:(1)单操●开启允许条件:()(1)无●关闭允许条件:()(1)无●自动开启条件:()(1)(T50TE083)发电机定子冷却水进水温度(10MKF20CT351)<45℃●自动关闭条件:()(1)(T50TE083)发电机定子冷却水进水温度(10MKF20CT351)>48℃●保护开启条件:()(1)无●保护关闭条件:()HOLLiAS杭州和利时自动化有限公司(1)无12.8.氢气干燥器(T51M01A)●操作方式:(1)单操●启动允许条件:()(1)无●停止允许条件:()(1)无●自动启动条件:()(1)无●自动停止条件:()(1)无●保护启动条件:()(1)无●保护停止条件:()(1)无12.9.发电机补氢电磁阀(T51V01A)●操作方式:(1)单操(2)联锁●开启允许条件:()(1)无●关闭允许条件:()(1)无●自动开启条件:(5s脉冲)(1)(T51PS03L)发电机氢气压力低(10MKG20CP201L)●自动关闭条件:()(1)(T51PS03H)发电机氢气压力高(10MKG20CP201H)●保护开启条件:()(1)无HOLLiAS杭州和利时自动化有限公司●保护关闭条件:()(1)无12.10.循环风机(T51M02A)●操作方式:(1)单操●启动允许条件:()(1)无●停止允许条件:()(1)无●自动启动条件:()(1)无●自动停止条件:()(1)无●保护启动条件:()(1)无●保护停止条件:()(1)无HOLLiAS杭州和利时自动化有限公司。
发电机定冷水系统介绍发电机定冷水系统主要由以下几个部分组成:水泵、冷却塔、冷却液、水管道、控制系统等。
水泵是整个系统的核心组件,负责将冷却液从冷却塔吸入,并通过水管道将其送到发电机的冷却部分。
冷却塔则负责将水泵吸入的热水经过散热装置散发出去。
冷却液则是承担散热的介质,其具有良好的热导性能和热容量,能够快速而有效地吸收和释放热量。
控制系统则负责监测和调节整个系统的工作状态,确保发电机正常运行温度。
发电机定冷水系统的工作原理是通过热交换来实现对发电机的散热。
当发电机运行时,由于电流的通过以及内部机械运动带来的摩擦,会产生大量的热量。
这些热量会导致发电机温度升高,超过了其正常运行温度范围,从而影响其正常工作。
为了避免这种情况的发生,发电机定冷水系统将冷却塔中的冷却液通过水泵送至发电机冷却部分,接触到发电机表面的热量,再经过散热装置,将热量传递给空气,并将冷凝后的冷却液再次循环回发电机。
通过不断循环冷却液,将发电机产生的热量散发出去,从而保持其正常运行温度。
1.效率高:使用冷却液进行散热,可以有效地吸收和释放热量,提高散热效率,保证发电机的正常运行。
2.环保节能:发电机定冷水系统可循环利用冷却液,减少能源的消耗。
同时,通过将热量散发到空气中,避免了对环境的污染。
3.维护方便:系统的控制系统可以实现对整个系统的监测和调节,一旦出现异常情况,可以及时作出响应,减少了维护的难度和成本。
4.保护发电机:发电机定冷水系统能够及时的将发电机产生的热量散发出去,保持其正常运行温度,防止因温度过高而导致的发电机故障。
综上所述,发电机定冷水系统是一种高效、环保、易于维护的散热系统,能够有效地保护发电机,并确保其正常运行。
随着现代发电机的不断发展,发电机定冷水系统也在不断创新和提升,未来将有更多的技术和方法应用于发电机定冷水系统中,提升其效率和性能。
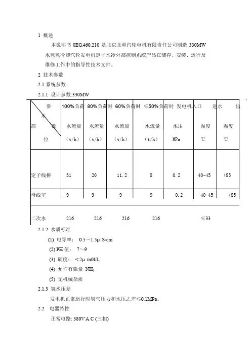
1 概述本说明书0EG.460.210是北京北重汽轮电机有限责任公司制造330MW 水氢氢冷却汽轮发电机定子水冷外部控制系统产品在储存、安装、运行及维修工作中的指导性技术文件。
2 技术参数2.1系统参数2.1.1 设计参数:330MW2.1.2 水质标准(1) 电导率:0.5~1.5μS/cm(2) PH值:7~9(3) 硬度:< 2μm0l/L(4) 允许有微量NH3(5) 无机械杂质2.1.3 氢水压差发电机正常运行时氢气压力和水压之差≤0.1MPa。
2.2 电器特性正常电路: 380V A.C (三相)配电盘: 220V A.C(三相)3 产品结构简介3.1 系统功能及工作原理3.1.1 功能本系统向发电机定子绕组和母线提供水质、压力、温度和流量符合要求的冷却水,并提供相应的控制和报警信号,保证发电机安全运行。
3.1.2 工作原理本装置把两台水泵、两台过滤器,一只树脂捕捉器、一台离子交换器及定子线圈进水温度调节单元等主要元件集装于一个底盘上,并配有JX001水集装集中接线盒。
水箱单独安装(据用户需要水箱也可装于集装底盘上),两台管式冷水器为单独集装。
本机组为调峰机组,定子线圈进水温度恒定波动值(±2.5℃)。
为了适应发电机不同工况时的运行要求,既需要控制定子线圈的进水温度,也要减小定子线圈出水温度的波动。
为达此目的,本系统采用了两套电动温度调节单元(见附图一)、据用户需要也可采用两套气动温度调节单元(见附图二),一套为三通合流阀调节单元,调节定子线圈进水温度(在集装上);一套为三通分流阀调节单元,适当调节定子水流量,借以调节定子线圈出水温度的波动(此装置不在集装上)。
系统为闭式循环,一台水泵由水箱吸水,把水分别送入冷水器和三通合流阀温度调节单元调节后,分成两路,一路(主回路)经水过滤器及1#、2#流量计进入定子线圈及母线室,带出发电机的损耗热量返回水箱;另一路经阀门25-3流经离子交换器处理后返回水箱,以保持水质参数正常。
600MW发电机定冷水系统的若干分析[摘要] 大型水氢氢汽轮发电机由于定子过热引发的电气事故多次发生,其根源在于水路故障和缺少有效的监测措施,分析和试验表明定子水路设计是合理的,安装错误和运行不当是引起故障的主要原因,分析引起发电机定子绕组烧毁原因,提出预防和改进措施,类似事故是完全可以避免的[关键词] 汽轮发电机水路管路安装气堵正反冲洗前言随着近几年国民经济的高速发展,国产大容量发电机(600MW)逐步成为电力生产的主力机组,由于大容量发电机单位容量成本下降,材料消耗降低,其经济性能就越好。
但同时发电机在运转过程中存在着能量消耗,这些能量都变成了热能,如不对其采取冷却措施,将引起转子、定子等各部件温度升高,从而导致绝缘绕组老化,出力下降,甚至烧毁发电机。
这样发电机的冷却就非常重要。
水氢氢汽轮发电机定子冷却水系统发生堵塞的事故时有发生,对定子温度进行监测是诊断冷却系统故障的重要手段之一,因此掌握冷却系统的故障状态和发电机中温度分布的对应规律是非常必要的。
为此结合水氢氢汽轮发电机的结构特点,提出了汽轮发电机定子线棒冷却水路发生堵塞时原因。
为发电机发生水路堵塞时的故障诊断提供了理论依据。
由于600MW机组已经成为国内的主力机组,所以我们的分析以600MW发电机组为研究对象。
1.发电机的冷却方式首先我们以NH电厂的上海汽轮发电机有限公司生产的600 MW发电机组为依据进行分析,发电机型号为QFSN-600-2,工作转速3000 r/min,额定功率600 MW,发电机采用水-氢-氢冷却方式,发电机定子为水冷方式,发电机氢压为0.4 MPa。
机组布置2台定子冷却水泵,额定工况流量为105立方米/小时,发电机定子线圈进水压力至少比氢压低0.035MPa。
略低于发电机氢压(如定子冷却水压力大于氢压,可能会造成定子冷却水进入发电机定子堂)。
定子水内冷的定子线圈是由实心股线和空心导线交叉组成,上层线棒的导电截面积要比下层的大;上层由4排、每排5组空实股线组成,下层为4排4组。
哈尔滨600MW发电机定子冷却水控制系统使用说明书字体大小:大| 中| 小2007-11-09 12:48 - 阅读:404 - 评论:0目录1概述2定子冷却水控制系统工作原理3定子冷却水控制系统的组成4定子冷却水控制系统的设计参数4.1水量4.2水压4.3进水温度4.4出水温度5定子冷却水控制系统的主要设备5.1水泵5.2水箱5.3水-水冷却器5.4水过滤器5.5离子交换器5.6水温调节器5.7电导率计及其传感器6水控制系统的报警信号7水系统的安装、操作及保管7.1安装7.2操作7.3存放期间的保管8定子冷却水系统及其管路的安装、试验及冲洗8.1说明8.2泄漏的预防8.3定子绕组及其它组件的空气试验8.4空心定子线圈的除水和干燥8.5定子线圈及水管路的冲洗9用氮气为水系统加压10定子冷却水控制系统的运行10.1水系统运行前的准备10.2定子冷却水系统的气体置换及充氮10.3给水系统加压10.4水系统的循环检查10.5定子水冷却器的运行10.6离子交换器的运行10.7水过滤器的运行10.8水箱的运行10.9水系统运行时的注意事项11开关运行情况12关于发电机断水保护13定子水系统发生异常现象的分析13.1断水现象13.2水电导率增加的原因1概述:该型定子冷却水控制系统是为600MW汽轮发电机配套而设计和制造的。
该系统向发电机定子绕组提供连续不断的冷却水并对其进行监控和保护。
该型汽轮发电机采用水氢氢冷却方式,即定子绕组为水冷却。
发电机所需冷却水的水质、水量、水压、水温等均由本系统来保证。
本说明书是定子冷却水控制系统现场调试、起动运行及集装维修工作中的技术说明和技术指导性文件。
2定子冷却水控制系统工作原理:冷却水控制系统采用闭式循环方式,使连续的高纯水流通过定子线圈空心导线,带走线圈损耗。
进入发电机定子的水是从化学车间直接引来的合格化学除盐水。
补入水箱的化学除盐水通过电磁阀、过滤器,最后进入水箱。
开机前管道、阀门、集装所有元件和设备要多次冲洗排污,直至水质取样化验合格后方可向发电机定子线圈充化学除盐水。