矿用照明综合保护说明书
- 格式:doc
- 大小:3.72 MB
- 文档页数:37
ZBZ-2.5(4.0)MG矿用隔爆型照明信号综合保护装置使用说明书南京双京电器有限责任公司本产品可执行Q/320123LFC03-2006、JB6312-1992的标准,说明书严格按照GB9969.1的要求编写,防爆性能应符合GB3836-2000的规定。
一、概述1、用途本装置适用于煤矿井下127V照明及信号负载的电源控制,是一种新型的照明信号综合保护装置,该产品电源与负载的通断采用大功率交流固态继电器,电路通断无机械振动、无火花、无电磁干扰、性能稳定、安全可靠,使用寿命长。
并具有短路,漏地保护以及电缆绝缘监测功能。
本装置是旧式2.5KVA、4KVA 照明信号综合保护装置的换代产品。
该装置本体与壳体连接采用插接式,便于安装调试和维修。
2、适用条件(1)海拔高度不超过2000m;(2)周围介质温度不高于+40℃,不低于-20℃;(3)周围空气的相对湿度不大于95%(+25℃时);(4)在无强烈颠波振动以及垂直斜度不超过15度的地方;(5)在无足以腐蚀金属和破坏绝缘的气体与蒸汽的环境中;(6)可用于有甲烷和煤尘爆炸危险的矿井中;3、型号意义Z B Z -2.5(4.0)/1140(660,380) MG无触点照明信号额定电压(V)功率(KVA)保护装置隔爆型综合装置一、技术特征1、主变压器(干式)参数项目单位ZBZ-2.5 ZBZ-4 额定容量KVA 2.5 4额定电压V 1140,660,380/133 1140,660,380/133 额定电流 A 1.27,2.49,3.79/10.85 2.02,3.49,5.8/17.36 接线方式Y,△/△Y,△/△允许温升℃85 85绝缘等级 B B2、照明短路保护参数电缆截面M保护距离(m)ZBZ-2.5电流整定值11AZBZ-4电流整定值5.5A6 1800 1800 4 1500 1400 2.5 1100 850 1.5 750 600 1 500 4003、信号短路保护参数电缆截面M保护距离(m)ZBZ-2.5电流整定值4.5AZBZ-4电流整定值5.5A6 1800 18004 1500 14002.5 1100 8501.5 750 6001 500 4004、照明短路保护时间小于250ms;信号短路时间小于400ms;漏地保护动作时间小于250ms;5、漏地电阻整定值1.5KΩ (1.5-3KΩ可调);6、漏地闭锁电阻动作值3KΩ±1KΩ;7、电缆绝缘危险指示值10KΩ±2KΩ;8、工作电压允许波动范围±15%;三、结构概述本综合装置的隔爆外壳为圆筒形,具有凸出的底和盖。
危险!在操作手册中标有这个图标的地方是要您注意即将接近危险,可能的后果是:非常严重的伤害甚至死亡。
小心!标有这个图标的地方是要您注意危险状况。
可能的后果是:轻度或中度重伤和设备损坏。
重要!在操作手册中标有这个图标的地方提供了使您便于操作的提示和资料,不是有关有害或危险状况的警告。
■用黑色方块列出各项。
警告!当照明综保发生故障时,一定要先切断上一级电源才可开盖维修。
第一节安全指南综述这是本操作手册中所有各章节安全指南的一个摘要。
第三章储存和运输注意!安装前检查,整机装配良好,坚固螺栓无松动现象,手柄及按钮操作灵活。
通电试验,照明综保应无振动现象和明显噪声。
PDF created with pdfFactory trial version 警告!任何工作都要遵守本手册的安全指南,也要遵守矿方管理部门制订的特殊安全指南和操作手册,否则将导致最严重的事故,甚至造成死亡。
第一节安装照明综保安装前检查照明综保应装配良好,紧固螺栓无松动现象,手柄、按钮活动灵活,无卡滞现象。
接上电源,按下停止按钮,旋转隔离开关手柄到接通位置,显示屏亮,初始化完成后,按下起动按钮,检查动作是否正常可靠,照明综保应无振动现象和明显噪声。
第二节照明综保的使用条件及要求n适用于含有爆炸性气体环境(甲烷、煤尘)的煤矿井中;n在交流50Hz,电压为1140V或660V的线路中;n海拔不超过2000米,周围环境压力为(0.8~1.1)×105Pa;n周围环境温度为-5℃~+40℃;n周围空气相对湿度不大于95%(+25℃);n须防止水或其它液体浸入照明综保内部;n无剧烈振动、颠簸以及与水平面安装倾斜度不超过15°。
第三节测试运转注意!确保重新安装完运输时拆卸下来的所有固定元件。
PDF created with pdfFactory trial version 危险!您必须十分了解照明综保的操作方法,才能操作照明综保。
您必须经过对现有操作人员进行的作业培训,并通过实践加深对照明综保控制系统的了解。
执行标准:GB3836-2000 JB6312-1992 Q/LX-005-2011 ZBZ2-10.0/1140(660)M矿用隔爆型照明信号综合保护装置使用说明书淮南市六信电控设备有限责任公司前言欢迎使用ZBZ2-10.0/1140(660)M矿用隔爆型照明信号综合保护装置控制设备。
本说明书介绍了该设备的特点和先进性,以及应用范围、安装接线、操作维护等内容。
对本设备的操作,务必是在获得了用户主管部门的授权和仔细阅读了本说明书后方可进行。
对于ZBZ-10.0/1140(660)M矿用隔爆型照明信号综合装置的微机保护装置一些重要操作,如定值修改、运行模式等,均设有授权密码,请用户注意。
如不按本说明书的要求进行操作,则有可能造成不良后果。
对本说明书如有疑问或是本说明书未涵盖的,涉及本装置的技术问题,请向厂家咨询。
一、概述1、用途:本装置为煤矿井下127V照明及信号负载的供电、电源控制以及、漏电保护等综合防爆电气设备。
可以取代现有的2.5KVA或4KVA干式变压器及手动防爆开关的多体控制方式。
ZBZ-10.0/1140(660)M矿用隔爆型照明信号综合保护装置的主要特点:ZBZ-10.0/1140(660)M矿用隔爆型照明信号综合保护装置(简称JMZB-10M)是新型高性能系列微机控制保护产品之一,主要应用于工业系统交流50Hz,标称电压在380V及以上电网中,提高供电电压可靠性的控制装置。
本装置以16位单片机为核心,辅以工业级外围芯片,精密小型互感器,小型专用继电器,以及科学的算法,保护可靠灵敏,测量精度高。
采用多种抗干扰措施,使装置具有极高的抗干扰能力。
在装置的设计上,采用标准化、模块化硬件设计,高精度的A/D转换,电源为AC50~265V,在用户介面上,采用大屏幕液晶,汉化显示,自动背光,菜单式操作指示,对重要操作均授权密码,极大的方便了用户操作,有效地防止了误操作的发生。
装置能存贮两套定值,并可在线查询、修改,分别完成双路风机的独立保护,使设备的功能更复杂更强大,用户的工作更简单。
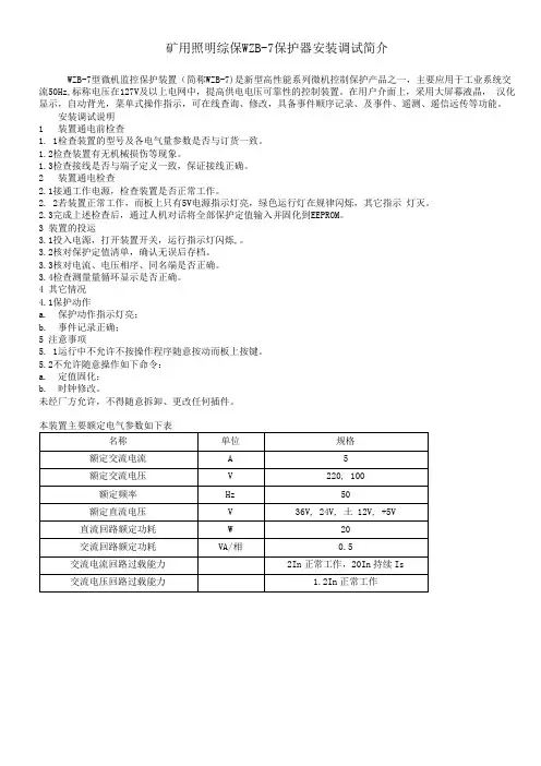
矿用照明综保WZB-7保护器安装调试简介
WZB-7型微机监控保护装置(简称WZB-7)是新型高性能系列微机控制保护产品之一,主要应用于工业系统交流50Hz,标称电压在127V及以上电网中,提高供电电压可靠性的控制装置。
在用户介面上,采用大屏幕液晶,汉化显示,自动背光,菜单式操作指示,可在线查询、修改,具备事件顺序记录、及事件、遥测、遥信远传等功能。
安装调试说明
1 装置通电前检查
1. 1检查装置的型号及各电气量参数是否与订货一致。
1.2检查装置有无机械损伤等现象。
1.3检查接线是否与端子定义一致,保证接线正确。
2 装置通电检查
2.1接通工作电源,检查装置是否正常工作。
2. 2若装置正常工作,而板上只有5V电源指示灯亮,绿色运行灯在规律闪烁,其它指示灯灭。
2.3完成上述检查后,通过人机对话将全部保护定值输入并固化到EEPROM。
3 装置的投运
3.1投入电源,打开装置开关,运行指示灯闪烁,。
3.2核对保护定值清单,确认无误后存档。
3.3核对电流、电压相序、同名端是否正确。
3.4检查测量量循环显示是否正确。
4 其它情况
4.1保护动作
a. 保护动作指示灯亮;
b. 事件记录正确;
5 注意事项
5. 1运行中不允许不按操作程序随意按动而板上按键。
5.2不允许随意操作如下命令:
a. 定值固化;
b. 时钟修改。
未经厂方允许,不得随意拆卸、更改任何插件。
ZBZ-2.5(4.0)M矿用隔爆型照明信号综合保护装置使用说明书南京双京电器有限责任公司本产品可执行Q/320123LFC03-2006、JB6312-1992的标准,说明书严格按照GB9969.1的要求编写,防爆性能应符合GB3836-2000的规定。
一、概述1、用途本装置是适用于煤矿井下127V照明及信号负载的电源控制,它是一种新型无触点照明综合保护装置,该产品性能安全可靠,使用寿命长。
并具有短路,漏电保护及电缆绝缘指示综合性保护功能的隔爆型电气设备。
本装置可以代替旧式2.5KVA、4KVA干式变压器及手动隔爆开关的多体控制方式。
该装置本体与壳体连接采用插接式,便于安装调试和维修。
2、适用条件(1)海拔高度不超过2000m;(2)周围介质温度不高于+40℃,不低于-20℃;(3)周围空气的相对温度不大于95%(+25%时);(4)在无强烈颠波振动以及垂直斜度不超过15度的地方;(5)在无足以腐蚀金属和破坏绝缘的气体与蒸汽的环境中;(6)可用于有甲烷和煤尘爆炸危险的矿井中;3、型号意义Z B Z -2.5(4.0)/1140(660,380) M照明信号额定电压(V)功率(KVA)保护装置隔爆型综合装置一、技术特征1、主变压器(干式)参数项目单位ZBZ-2.5 ZBZ-4 额定容量KVA 2.5 4额定电压V 1140,660,380/133 1140,660,380/133 额定电流 A 1.27,2.49,3.79/10.85 2.02,3.49,5.8/17.36 接线方式Y,△/△Y,△/△允许温升℃85 85绝缘等级 B B2、照明短路保护参数电缆截面M保护距离(m)ZBZ-2.5电流整定值11AZBZ-4电流整定值5.5A6 1800 18004 1500 14002.5 1100 8501.5 750 6001 500 400 3、信号短路保护参数电缆截面M保护距离(m)ZBZ-2.5电流整定值4.5AZBZ-4电流整定值5.5A6 1800 18004 1500 14002.5 1100 8501.5 750 6001 500 4004、照明短路保护时间小于250ms;信号短路时间小于400ms;漏地保护动作时间小于250ms;5、漏地电阻整定值1.5KΩ (1.5-3KΩ可调);6、漏地闭锁电阻动作值3KΩ±1KΩ;7、电缆绝缘危险指示值10KΩ±2KΩ;8、工作电压允许波动范围±15%;三、结构概述本综合装置的隔爆外壳为圆筒形,具有凸出的底和盖。
煤电钻(照明信号)综合保护管理制度
第一条井下使用的煤电钻,127V动力设备必须装用电煤钻综合保护设备,并确保灵敏可靠,正常使用,严禁甩掉不用,发现随便甩掉不用者,按违章作业追究使用单位区长、当班班长和维修工的责任。
第二条综合保护要使用矿用阻燃性电钻电缆,其长度不应超过综合保护装置保护范围的规定。
第三条综合保护的局部接地极和辅助接地极一定应单独设置,规格符合规定。
第四条综合保护的一次侧和二次侧的保险丝要根据电煤钻电缆长度和截面面积所带负荷的大小通过计算合理选择。
第五条设备组负责电煤钻综合保护的统管理工作,建立台帐和牌板管理。
第六条综保按工区、车间固定单位使用,即:领取、安装、维修、回收工作,全部由使用单位负责。
第七条为保证综保动作灵敏、可靠、值班人员每班前对综合保护的漏电、短路、远距离操作检查一次,发现问题时处理,严禁甩掉不用,使用单位认真填写综保运行日志,每月集中上交设备组,漏报一次罚10元。
第八条对于甩掉综合保护或变相甩掉保护(违章运行、强行送电)给予10-50元罚款。
第九条综保零部件,以旧换新,无故损坏丢失按实际购买价格罚款。
照明综保使用规范(总5页)--本页仅作为文档封面,使用时请直接删除即可----内页可以根据需求调整合适字体及大小--Q/JM山西晋城无烟煤矿业集团有限责任公司企业标准Q/JM XXXXX—XXXX矿用隔爆型照明信号综合保护装置使用规范XXXX - XX - XX发布XXXX - XX – XX目次前言 (II)1 范围 (1)2 规范性引用文件 (1)3 基本要求 (1)前言本标准按GB/《标准化工作导则第一部分:标准的结构和编写》的要求进行编写。
本标准由晋煤集团专家委员会提出。
本标准由晋煤集团机电与自动化专业委员会归口。
本标准起草单位:晋煤集团机电设备处。
本标准主要起草人:张志飞矿用隔爆型照明信号综合保护装置使用规范1范围本规范规定了煤矿井下隔爆型照明信号综合保护装置使用要求。
本规范适用于晋煤集团所有矿井。
2规范性引用文件下列文件对于本文件的应用是必不可少的。
凡是注日期的引用文件,仅所注日期的版本适用于本文件。
凡是不注日期的引用文件,其最新版本(包括所有的修改单)适用于本文件。
MT/T 1123-2011 矿用隔爆型照明信号综合保护装置煤矿安全规程3基本要求3.1对短路保护定值不可调的照明综保使用要求3.1.1对、4kVA照明综保使用要求a)照明短路保护距离应符合以下规定b)信号短路保护距离应符合以下规定表1信号短路保护距离3.1.2对10kVA照明综保使用要求a)照明短路保护距离应符合以下规定表2照明短路保护距离b)信号短路保护距离应符合以下规定表3信号短路保护距离c)照明负荷干线电缆截面不得小于4mm,可以在干线电缆上串接三通,用信号线引入灯具,引线距离不得超过10米。
3.2对短路保护定值可调的新型照明综保使用要求3.2.1各单位应逐步推广使用保护定值可调的新型照明综保,增加照明综保短路保护距离,满足现场使用需求。
3.2.2使用短路保护定值可调的照明综保时,应按负荷大小对照明短路保护电流进行整定,按末端两相最小短路电流进行校验,末端两相最小短路电流必须大于短路保护电流整定值的倍(即灵敏系数不小于),且不小于7A。
使用说明书矿用隔爆型照明信号综合保护装置电光防爆科技(上海)有限公司二OO六年四月一日前言欢迎使用WZB-7型照明信号综合保护控制设备。
本说明书介绍了该设备的特点和先进性,以及应用范围、安装接线、操作维护等内容。
对本设备的操作,务必是在获得了用户主管部门的授权和仔细阅读了本说明书后方可进行。
对于WZB-7型微机保护装置一些重要操作,如定值修改、运行模式等,均设有授权密码,请用户注意。
如不按本说明书的要求进行操作,则有可能造成不良后果。
对本说明书如有疑问或有本说明书未涵盖的,涉及本装置的技术问题,请向厂家咨询。
适用范围1、用途本装置为煤矿井下127V照明及信号负载的供电、电源控制以及漏电保护等综合防爆电气设备。
可以取代现有的2.5KV A或4KV A干式变压器及手动防爆开关的多体控制方式。
WZB-7/1140/660/380型矿用隔爆型智能化照明信号综合保护装置的主要特点:WZB-7型微机监控保护装置(简称WZB-7)是新型高性能系列微机控制保护产品之一,主要应用于工业系统交流50Hz,标称电压在380V及以上电网中,提高供电电压可靠性的控制装置。
本装置以16位单片机为核心,辅以工业级外围芯片,精密小型互感器,小型专用继电器,以及科学的算法,保护可靠灵敏,测量精度高。
采用多种抗干扰措施,使装置具有极高的抗干扰能力。
在装置的设计上,采用标准化、模块化硬件设计,高精度的A/D转换,电源为AC50~265V。
在用户介面上,采用大屏幕液晶,汉化显示,自动背光,菜单式操作指示,对重要操作均授权密码,极大的方便了用户操作,有效地防止了误操作的发生。
装置能存贮两套定值,并可在线查询、修改,分别完成双路风机的独立保护,使设备的功能更复杂更强大,用户的工作更简单。
具备事件顺序记录、及事件、遥测、遥信远传等功能。
具备完备的自检功能,故障定位到主要芯片。
装置分别配有带隔离RS-485/ RS-232标准异步通讯接口,通讯方式可采用通信电缆线。
矿用隔爆型照明信号综合保护装置技术要求一、物资名称及规格型号二、使用范围及环境1.满足煤矿井下防爆要求,有甲烷混合气体和煤尘,具有爆炸性危险的煤矿矿井中。
2.最高气温+40℃,最低气温-5℃;空气相对湿度不超过95%(+25℃)。
三、主要技术参数及要求1.额定电压:1140/660V;额定容量:4.0KV A。
2.适用于在交流50Hz,电压1140(660)V中性点不接地的供电系统中,提供煤矿井下127V电压等级照明及信号负载的供电、电源控制。
3.具有微机监控和智能保护功能,智能化综合保护器以高性能单片机为核心,良好的人机交互界面,中文液晶显示、菜单操作、漏电试验、保护整定、故障查询等功能。
4.接线工艺标准,接线腔和本体腔内有(有电危险)警示牌。
5.隔爆面要采用可靠的磷化处理,配带的所有螺栓必须为镀锌螺栓,配带金属挡圈、挡板厚度不小于2mm。
四、证件及标识要求1.技术资料:(1)有煤安证;(2)产品合格证;(3)说明书;(4)防爆合格证等证件(另含电子版说明书及证件一份)。
2.开关外壳防爆标识、设备铭牌、“MA”标志(安标证号)清晰准确,应采用耐腐蚀、耐磨损的材料制成,并固定在设备明显位置,便于查看。
五、包装及运输要求1.包装要求:符合国家包装标准或行业标准包装,有利于保护产品,并满足绿色环保要求。
2.运输方式:汽运到货,供应商应承担运输过程中造成的人员伤害及货物安全风险责任,保证产品在运输过程中及产品质量本身不会对环境造成污染。
六、供货及售后服务要求质保期为12个月,在质保期内,因乙方产品质量问题造成的损坏由乙方无偿负责维修或更换;因甲方使用等原因造成的设备损坏,由甲方通知乙方派人处理,甲方承担费用。
交货日期及地点:签订合同后30日内完成设备制作交货。
使用说明书矿用隔爆型照明信号综合保护装置苏兵电光防爆科技(上海)有限公司二OO六年四月一日前言欢迎使用WZB-7型照明信号综合保护控制设备。
本说明书介绍了该设备的特点和先进性,以及应用范围、安装接线、操作维护等内容。
对本设备的操作,务必是在获得了用户主管部门的授权和仔细阅读了本说明书后方可进行。
对于WZB-7型微机保护装置一些重要操作,如定值修改、运行模式等,均设有授权密码,请用户注意。
如不按本说明书的要求进行操作,则有可能造成不良后果。
对本说明书如有疑问或有本说明书未涵盖的,涉及本装置的技术问题,请向厂家咨询。
适用范围1、用途本装置为煤矿井下127V照明及信号负载的供电、电源控制以及漏电保护等综合防爆电气设备。
可以取代现有的2.5KV A或4KV A干式变压器及手动防爆开关的多体控制方式。
WZB-7/1140/660/380型矿用隔爆型智能化照明信号综合保护装置的主要特点:WZB-7型微机监控保护装置(简称WZB-7)是新型高性能系列微机控制保护产品之一,主要应用于工业系统交流50Hz,标称电压在380V及以上电网中,提高供电电压可靠性的控制装置。
本装置以16位单片机为核心,辅以工业级外围芯片,精密小型互感器,小型专用继电器,以及科学的算法,保护可靠灵敏,测量精度高。
采用多种抗干扰措施,使装置具有极高的抗干扰能力。
在装置的设计上,采用标准化、模块化硬件设计,高精度的A/D转换,电源为AC50~265V。
在用户介面上,采用大屏幕液晶,汉化显示,自动背光,菜单式操作指示,对重要操作均授权密码,极大的方便了用户操作,有效地防止了误操作的发生。
装置能存贮两套定值,并可在线查询、修改,分别完成双路风机的独立保护,使设备的功能更复杂更强大,用户的工作更简单。
具备事件顺序记录、及事件、遥测、遥信远传等功能。
具备完备的自检功能,故障定位到主要芯片。
装置分别配有带隔离RS-485/ RS-232标准异步通讯接口,通讯方式可采用通信电缆线。
ZBZ -2.5(4.0) M矿用隔爆照明信号综合保护装置使用说明书执行标准:MT828-1999八达电气目录一、用途及适用范围————————————————————— 3二、技术特征———————————————————————— 3三、构造概述———————————————————————— 4四、电气原理———————————————————————— 5五、产品运输及保管————————————————————8六、安装、使用与修理———————————————————8七、故障分析与排解————————————————————9八、订货须知————————————————————————9一、用途及适用范围1.1产品特点:本装置用于煤矿井下127V 照明及信号负载的供电、电流掌握以及短路、漏电保护等综合防爆电气设备。
可以取代现有的2.5KVA 或4KVA 干式变压器及手动防爆开关的多体掌握方式。
1.2主要用途及适用范围:本装置适用于煤矿井下爆炸性气体的环境中,在沟通50Hz,电压至660V 或380V 的供电线路中,为127V 照明及信号负载的电源。
1.3品种规格:按变压器额定容量分。
1.3.1变压器额定容量为2.5Kv A。
1.3.2变压器额定容量为4.0Kv A。
1.3.3防爆型式:矿用隔爆型防爆标志:ExdI1.4型号及其含义:Z B Z —/ 660(380) M1.5适合于条件:1.5.1环境大气压力80~110kPa;1.5.2海拔高度不超过1000米;1.5.3 四周温度-5℃~+40℃;1.5.4四周空气的相对湿度不大于95%(20±5℃时);1.5.5在无猛烈颠簸振动以及垂直倾斜不超过15度的地方;1.5.6在无足以腐蚀金属和破坏绝缘的气体与蒸汽的环境中;1.5.7可用于煤尘和瓦斯危急的矿井中;1.5.8在无滴水及其它液体浸入的地方;1.5.9安装类别:Ⅲ环境污染等级3 级;二、技术特征和主要参数:2.1电源额定频率:50Hz;2.2装置为长期工作制;2.3主要技术性能;2.3.1主变压器根本参数,联接组及接线形式,见表一型号 ZBZ-2.5 ZBZ-4.0照明短路动作时间 S≤0.1 ≤0.1信号短路动作时间 S漏电保护动作时间S≤0.4 ≤0.25 ≤0.4≤0.25表一2.4 照明信号电缆短路保护距离,见表二表二选用电缆截面 mm 2照明电缆保护距离 mZBZ-4.0 ZBZ-2.5 信号电缆保护距离 m ZBZ-4.0 ZBZ-2.52.5 短路及漏电保护动作特性,见表三、表四表三型号 ZBZ-2.5 ZBZ-4.0漏电电阻整定 (单相)K Ω 1.5~2.5表四 漏电闭锁动作值 (单相)K Ω3~4电缆绝缘危急指示值(单相)K Ω10±22.6 外型尺寸:见图 1、见图 22.6.1 外形尺寸:480×625×630(4.0KvA)480×490×630(2.5KvA)2.6.2 整机重量:95kg(2.5KvA)128kg(4.0KvA)三、构造概述3.1 总体构造综合装置的隔爆外壳为圆筒形,具有凸出的底和盖,壳盖与壳身承受转盖止口构造。
ZBZ-6(8、10)/1140(660)M 矿用隔爆型照明信号综合保护装置使用说明书南京双京电器有限责任公司警示:使用前请阅读本说明书,严禁带电开盖。
本产品执行Q/320123LFC026-2007、JB6312-1992的标准,说明书严格按照GB9969.1的要求编写.防爆性能应符合GB3836-2000的规定。
一、概述1、用途本装置是适用于煤矿井下127V照明及信号负载的电源控制,并具有短路保护,漏电保护及电缆绝缘危险指示综合性保护功能的隔爆型电气设备。
本装置可以代替旧式6KVA、8KVA、10KVA、干式变压器及手动隔爆开关的多体控制方式。
电压等级由原660V/380V升为1140V/660V。
2、适用条件(1)海拔高度不超过2000m;(2)周围介质温度不高于+40℃,不低于-20℃;(3)周围空气的相对湿度不大于95%(+25℃时);(4)在无强烈颠波振动,以及垂直斜度不超过15度的地方;(5)在无足以腐蚀金属和破坏绝缘的气体与蒸汽的环境中;(6)可用于有甲烷和煤尘爆炸危险的矿井中;3.防爆型式:矿用隔爆型防爆标志“ExdI”4.型号意义Z B Z -6(8、10)/1140(660) M照明信号额定电压(V)功率(KVA)保护装置隔爆型综合装置二、技术特征23、信号短路保护参数4、照明短路保护时间小于250ms;信号短路保护时间小于400ms;漏地保护动作时间小于250ms;5、漏地电阻整定值 1.5KΩ(1.5-3.0KΩ可调);6、漏地闭锁电阻动作值 3KΩ±1KΩ;7、电缆绝缘危险指示值 10KΩ±2KΩ;8、工作电压允许波动范围 Ue±15%;三、结构概述本综合装置的隔爆外壳为上下结构,上部为接线腔,下部为主腔,各为独立的隔爆部分。
综合装置为快开门结构,前门为平面止口式,正前方左侧有一转动手柄,抬起手柄可以打开主腔门,正前方的右侧设有联锁杆,右侧面为隔离开关的手柄,必须把手柄转到停的位置,并将联锁杆旋入手柄定位槽内,方能将门盖打开。