矿用照明综保工作原理
- 格式:doc
- 大小:392.50 KB
- 文档页数:5
017【大拿之路】ZBZ-4.0MG照明信号综合保护装置概述《煤矿安全规程》2016版第四百六十九条规定了煤矿井下及地面应当有足够照明的具体地点,第四百七十四条中要求井下照明和信号的配电装置应当具有短路、过负荷和漏电保护的照明信号综合保护装置。
照明信号综合保护装置实际上就是将电源电压1140(660)V通过小型变压器变为127V,然后控制其输出的一个装置,当然这个装置还具有一系列的保护功能。
现以南京双京ZBZ-4.0/1140(660)MG 照明综合保护装置为例,对照明信号综合保护装置作简要说明。
装置型号字母含义:Z——综合装置;B——隔爆型号;Z——保护装置;4.0——额定容量4KVA;1140(660)——额定电压,V;M——照明信号;G——可控硅。
一、机构概述该照明信号综合保护装置的外壳为圆筒形,具有凸出的底和盖。
壳盖与壳体采用转盖止口结构,壳盖上方有观察窗,可以观察内部的状态指示灯。
外壳上部的接线腔可以接进线和出线,其右侧装有操作隔离开关的手柄和检验短路、漏电保护系统是否有效的试验按钮,并有可靠的机械闭锁功能。
二、技术特征1、主变压器参数额定容量:4KVA;额定电压:1140(660)/133V;额定电流:2.02(3.49)/17.36A;接线方式:Y(△)/△;说明:主变压器一次侧电压1140V时,额定电流为2.02A;一次侧电压660V时,额定电流为3.49A;二次侧额定电流为17.36A。
填写标志牌整定值时一般填写18A。
2、照明短路保护参数电流整定值:18A;保护距离:6mm2——700m;2.5mm2——450m;1.5mm2——150m。
说明,截面积为6mm2的电缆最大保护距离为700m,其它与之相类似。
3、信号短路保护参数电流整定值:5.5A;保护距离:6mm2——1800m;2.5mm2——850m;1.5mm2——600m。
说明,截面积为6mm2的电缆最大保护距离为1800m,其它与之相类似。
020【大拿之路】ZBZ-4.0MG照明信号综保保护电路(一)照明信号综合保护装置的保护器集成了诸多的保护功能,现在我们主要探讨它的照明短路保护。
首先看图:一、保护器内部稳压电源保护器内部稳压电源由电源变压器KB(一次电压127V、二次电压20V)供电,内部有整流桥堆QSZ1、R1、C1、C2、集成稳压器W1等元件。
控制变压器KB输出20V交流电经整流桥堆QSZ1变为直流脉动电流。
经R1、C1、C2、π形滤波和集成稳压W1稳压后,输出+18V 直流电压,作为保护电路的稳压电源,并为控制回路提供工作电源。
二、照明短路保护电路该电路由集成电路T1的二分之一及其管脚8、9、10、11、13、14所接的半导体元件组成。
1、当照明线路任意两相发生短路故障时LH1、LH2产生较大的电压信号,该信号由LH1、LH2→插件18、19端子→D14、D15→R11→R10→电源负极→D13→插件端子16→起动按钮常闭点QA2→LHD形成回路(图中红色箭头线所示)。
2、在R10产生的压降信号由Tl管脚8输入,触发T1内部翻转导通,其输出端管脚13由高电位降为低电位。
此时电流由电源正极→三极管BG的e极到b极通过R3→D2→T1管脚13→负电形成回路(图中绿色箭头线所示)。
3、流过基极电流,BG的e极开关导通。
继电器1J通电吸合,其回路为正电+Ie→BGe极→c极→插件端子2→继电器1J线圈→插件端子5→负电(图中蓝色箭头线所示)。
1J的常闭接点1J1断开,2J继电器失电,此时2J1断开,固态继电器2K的E、F两端无电压,切断127V主电源。
4、发生故障,发光二极管LED1导通发出红光,给出故障指示信号。
T1触发导通后可实现自锁,只有解除故障后将lK组合开关分断停电,然后重新送电方可正常工作。
正常工作时电流传感器的信号不足以使Tl触发翻转动作。
三、相关说明1、三极管BG三极管有PNP和NPN两种结构形式,其中b为基极,c为集电极,e为发射极。
应急工矿灯的工作原理
应急工矿灯是一种常见的应急照明设备,广泛应用于矿山、隧道、地
铁等需要紧急照明的场所。
那么,应急工矿灯的工作原理是什么呢?
应急工矿灯的工作原理主要是通过电池供电,将电能转化为光能,实
现照明功能。
一般来说,应急工矿灯采用的是锂电池或镍氢电池,这
些电池具有高能量密度、长寿命、低自放电率等优点,能够满足长时
间的应急照明需求。
在应急情况下,当外部电源中断时,应急工矿灯会自动启动,将电池
中的电能转化为光能,照亮周围环境。
同时,应急工矿灯还具有防爆、防水、防尘等功能,能够适应各种恶劣环境。
除了电池供电外,应急工矿灯还采用了一些特殊的技术,以提高其照
明效果和使用寿命。
例如,应急工矿灯通常采用LED光源,LED具有高亮度、低功耗、长寿命等特点,能够提供更明亮、更持久的照明效果。
此外,应急工矿灯还采用了智能控制技术,能够根据环境亮度自
动调节照明强度,延长电池寿命。
总之,应急工矿灯的工作原理是通过电池供电,将电能转化为光能,
实现照明功能。
它具有防爆、防水、防尘等功能,能够适应各种恶劣
环境。
此外,应急工矿灯还采用了LED光源和智能控制技术,提高了照明效果和使用寿命。
综合保护器工作原理
综合保护器是一种用于保护电子设备和电路的装置,它通过监测电路中的电流、电压、温度等参数,及时检测并保护设备免受过载、过流、过压、过温等异常情况的损坏。
综合保护器的主要工作原理包括以下几个方面:
1. 过载保护:综合保护器会监测电流的大小,当电流超过设定的安全阈值时,综合保护器会立即切断电路,防止设备因电流过大而受损。
这种过载保护通常采用电流传感器来实现,当电路中的电流超过设定值时,传感器会输出信号,综合保护器便会进行相应的保护动作。
2. 过流保护:过流保护是指当电路中存在短路或故障时,电流会急剧增加,综合保护器能够监测到这种异常现象,并迅速切断电路。
过流保护通常通过测量电路中的电压降来实现,当电压降超过设定值时,综合保护器会进行保护动作。
3. 过压保护:综合保护器会监测电路中的电压,当电压超过设定的安全阈值时,综合保护器会立即切断电路,防止设备因电压过高而损坏。
过压保护通常采用电压传感器来实现,当电路中的电压超过设定值时,传感器会输出信号,综合保护器便会进行相应的保护动作。
4. 过温保护:综合保护器会监测设备或电路的温度,当温度升高到设定的安全温度时,综合保护器会切断电路,防止设备因过热而受损。
过温保护通常采用温度传感器来实现,当温度超
过设定值时,传感器会输出信号,综合保护器便会进行相应的保护动作。
通过以上工作原理,综合保护器能够保护电子设备和电路免受过载、过流、过压、过温等异常情况的侵害,确保设备的安全运行。
ZBZ-2.5、4.0M(ZXZ8)照明信号综合保护装置一、适用范围1、用途本装置为煤矿井下133V照明及信号负载的供电、电源控制以及短路、漏电保护等综合防爆电气设备,可以取代现有的2.5KV A干式变压器以及手动防爆开关的多体控制方式。
2、适用条件(1)海拔不超过2000米;(2)周围介质温度不高于+40℃,不低于-25℃;(3)周围空气的相对湿度不大于97±2%;(4)在无强烈颠簸振动以及垂直倾斜不超过15°的地方;(5)现列足以腐蚀金属和破坏绝缘的气体与蒸汽的环境中;(6)可用于有煤尘、瓦斯危险的矿井中。
3、型号意义电压等级照明额定容量综合隔爆型装置二、技术特征1、型号:ZXZ82.5/4型2、基本参数①主变压器②照明电缆短路保护③信号电缆短路保护注:用户如需容量2.5~10KV A,电压133~220V,保护距离100~2300米时,请与厂方联系。
④照明短路保护动作时间:小于0.5秒,信号短路保护动作时间小于0.1秒。
⑤漏地电阻动作值2ΚΩ。
⑥漏地闭锁电阻动作值2-4ΚΩ。
⑦电缆绝缘危险指示值13ΚΩ±10%。
⑧漏电地保护动作时间小于0.25秒。
⑨工作电压允许波动范围:Ue±10%。
⑩外形尺寸480×740×602(2.5KV A)480×625×614(4KV A)。
三、结构概述综合装置的隔爆外身为圆筒形,具有凸出的底和盖。
壳盖与盖身采用转盖止口结构,外壳上部有一接线箱作为引进和引出电缆用。
外壳右侧法有操作隔离开关闭合时壳盖打不开,壳盖打不开时,隔离开关不能闭合,壳盖上方有一透明镜,可以从外面观察状态指示灯。
外形图如下:主变压器与机芯的连接采用接线端子板方式,检修时机芯可独立拿出。
电子线路部分采用线路板插接方式,可以方便地拆卸。
主要元件作用:1、隔离开关1K:正常情况下仅作隔离电源之用,不允许带负荷操作。
在故障状态下,可分断主变压器的6倍额定电流2次。
ZBZ-2.5(4)照明信号综合保护装置原理与维修百技网出品我们先来看看照明综保的电路图(点击图片可放大),看上去,这个电路图有点复杂。
其实,如果你不去修综保插件,照明综保和QBZ-80开关原理差不多,甚至说比80开关还简单。
在这个开关讲解的过程中,我会先把综保作为一个整体进行讲解。
这样分析起来就比较简单了。
等大家熟悉了之后,再来讲保护插件的工作原理。
就像我讲80开关原理时使用的方法一样,由浅至深,逐步讲解,争取让每位坛友都能看懂,学会。
上面这张图就是照明综保的主回路,你可以对照上一贴主变压器连接图来看这张图。
电源接线柱(在接线室内)L1、L2、L3(多数开关标识的是X1、X2、X3)连接到隔离开关上,隔离开关的出来之后,通过两个熔断器连接到主变压器的一次侧。
这样,当合上隔离开关,主变压器的一次侧得电,在二次侧就会感应出127V的电源。
这个127V的电源在通过两个熔断器FU3、FU4连接到交流接触器上,从交流接触器出来,接到负载接线柱U、V、W(多数开关标示为Za、Zb、Zc)同时从W相分出一根线,为Xa,从V相分出一根,为Xb。
U、V、W、Xa、Xb就是接线室内的5个负载小接线柱。
U、V、W是接照明灯用的,Xa、Xb是接信号用的。
当按下启动按钮(为了简化,图中未标出),交流接触器KM吸合。
照明或信号负载就会得到电源工作。
当按下停止按钮,交流接触器KM断开,负载停止工作。
这就是照明综保的主回路工作原理,很简单。
众位坛友先把这个搞清楚了,下一贴,我们将综合保护器的控制回路,也就是按启动按钮,交流接触器KM是如何吸合的。
ZBZ-2.5(4)M照明综保控制回路工作原理上一贴,讲了照明综保的主回路,这一贴讲控制回路。
为了简化原理图,让初学者更容易理解,我们先省略综保插件内部的工作原理。
有的坛友也许会问,不学综保插件的工作原理,怎么维修呀。
其实是一样,我们可以把综保插件看做一个整体,只需要了解他的功能,一样可以修好照明综保。
照明信号综合保护装置概述用途参数本装置是适用于煤矿井下127V照明及信号负载的电源控制,它是一种新型无触点照明综合保护装置,该产品性能安全可靠,使用寿命长。
并具有短路,漏电保护及电缆绝缘指示综合性保护功能的隔爆型电气设备。
本装置可以代替旧式2.5KVA、4KVA干式变压器及手动隔爆开关的多体控制方式。
该装置本体与壳体连接采用插接式,便于安装调试和维修。
(1)海拔高度不超过2000m:(2)周围介质温度不高于+40℃,不低于-20℃;(3)周围空气的相对湿度不大于95%(+25%);(4)在无强烈颠簸振动及垂直斜度不超过15度的地方;(5)在无足以腐蚀和破坏绝缘的气体与蒸汽的环境中;(6)可用于有甲烷和煤尘爆炸危险的矿井中;型号意义Z B Z - 2.5(4.0)/1140(660,380) M照明信号额定电压(V)功率(KVA)保护装置隔爆型综合装置照明短路保护参数信号短路保护参数4、照明短路保护时间小于250ms;信号短路时间小于400ms;漏地保护动作时间小于250ms;5、漏地电阻动作值1.5KΩ(1.5-3KΩ可调);6、漏地闭锁动作指示值3KΩ±1KΩ;7、电缆绝缘危险指示值10KΩ±2KΩ;8、工作电压允许波动范围错误!未找到引用源。
±15%;结构概述本综合装置的隔爆外壳为圆筒形,具有凸出的底和盖。
壳盖与壳体采用转盖止口结构。
外壳上有一接线箱作为引进和引出电缆用。
外壳右侧装有操作隔离开关的手柄和检验短路、漏电保护系统是否有效的试验按钮。
并有可靠的机械联锁装置,保证当隔离开关闭合时,壳盖打不开;壳盖打开时,隔离开关不能闭合。
壳盖上方有一小透明窗,可以从外面观察状态指示灯。
机芯和机壳连接采用滑道结构,电子线路部分采用线路板插接方式,以方便检修。
主要元件作用:1、隔离开关1K:正常情况下做隔离电源之用,不允许带负荷操作。
在故障情况下可分断主变压器的6倍额定电流3次。
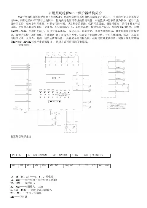
矿用照明综保WZB-7保护器结构简介WZB-7型微机监控保护装置(简称WZB-7)是新型高性能系列微机控制保护产品之一,主要应用于工业系统交流50Hz,标称电压在127V及以上电网中,提高供电电压可靠性的控制装置。
本装置以16位单片机为核心,辅以工业级外围芯片,精密小型互感器,小型专用继电器,以及科学的算法,保护可靠灵敏,测量精度高。
采用多种抗干扰措施,使装置具有极高的抗干扰能力。
在装置的设计上,采用标准化、模块化硬件设计,高精度的A/D转换,电源为AC50〜265V。
在用户介面上,采用大屏幕液晶,汉化显示,自动背光,菜单式操作指示,对重要操作均授权密码,极大的方便了用户操作,有效地防止了误操作的发生。
装置能存贮两套定值,并可在线查询、修改,具备事件顺序记录、及事件、遥测、遥信远传等功能。
具备完备的自检功能,故障定位到主要芯片。
装置分别配有带隔离RS-485/ RS-232标准异步通讯接口,通讯方式可采用通信电缆线。
接线图如下:装置外引端子定义IA | IB | IC IN ION | 10 | UON UO RON | RO N | 15V110V NC | FL+ | FL-KB1KB2KB3KB4KB5KB6 | 24G24V | XJO XJ1XJ2XJ3K4 丨K4KIA、IB、1C、IN ——A、B、C 相电流10、ION——零序电流(零序电流互感器)UO、U0N——零序电压RO、RON——电阻输入、大地N、15V、110V——两组交流电源输入FL+、FL-——直流分闸输出KB1——下移键KB2——右移键KB3——修改键KB4——取消键KB5——确认键KB6——复归键24G、24V——DC24V电源输出XJ0-分位置输入信号XJ1一合位置输入信号XJ2——速断测试输入线XJ3——风电瓦斯闭锁信号K4、K4K——遥控接点(无源)。
安全矿灯原理安全矿灯是由爆炸性气体环境中常用的安全照明设备,其原理是通过电化学反应将化学储能能量转换为光能,经由灯罩透射,实现高亮度的照明。
安全矿灯由电池盒、灯头和灯罩三部分构成。
电池盒可以存储和输出储能的化学能量,是矿灯的重要组成部分。
安全矿灯采用的电池盒一般采用电极银-氧化锌电池或锂离子电池,具有高能量密度、长寿命、低自放电等特点。
灯头内设置了电子线路及控制逻辑,可以将电化学能量转换为电能,从而实现照明。
灯罩负责保护照明组件,通常使用高透明度的聚碳酸酯材料以及聚氨酯泡沫垫设计,既能保证良好的透光性也能保证其具有良好的防护性能。
安全矿灯的照明原理有两种:一种是发光二极管照明,一种是荧光灯管照明。
发光二极管,简称LED,是一种半导体发光体,它是一种可以将电能转换为光能的电子元件。
LED主要是由P型半导体和N型半导体构成,两种材料通过PN结形成一个能带。
当一个电子从N型半导体跳到P型半导体的过程中,电子能量会被释放出来,从而形成光子,即发光。
LED矿灯利用LED的本质特性将電化学能转化为光能实现照明,具有节能、寿命长、亮度高等特点。
荧光灯管所采用的是荧光原理来实现照明。
荧光灯管由玻璃管、电极、初级放电气体、荧光粉和反射内衬等部分组成。
当两个电极之间加上足够的电压时,放电气体会从一个电极通过管内快速流动并激发荧光粉,从而引发发光现象。
荧光灯矿灯采用荧光灯管作为照明组件,由于其具有低功率、亮度高、寿命长等优点,因此受到矿井工人的青睐。
总之,安全矿灯实现照明的原理是通过将电化学能转化为光能,采用LED或荧光灯组件,实现高效、节能、高光度的照明效果。
其独特的结构设计和科学的物理原理保障了矿工在有毒气、低温等恶劣条件下的照明需求,为生产安全工作提供了有力的保障。
综合保护器的工作原理综合保护器(Integrated Protection Device,简称IPD)是一种广泛应用于电力系统中的保护装置,主要用于监测和保护电力设备免受故障和过电流等不正常情况的影响。
它在电力系统中起到了重要的保护作用,能够确保电力设备的正常运行和系统的稳定性。
综合保护器的工作原理涉及到电力系统的各个方面,包括电流、电压、频率、相序、谐波畸变等。
其主要工作原理如下:1. 电流保护:综合保护器通过测量电流信号来判断设备是否发生过载或短路等故障。
当电流超过设定阈值时,综合保护器会通过断路器将故障电路切断,从而保护设备免受损坏。
2. 电压保护:综合保护器能够检测电压的正常工作范围,并监测是否存在欠电压或过电压等异常情况。
当电压异常时,综合保护器会触发报警或切断电源,以保护设备的安全运行。
3. 频率保护:综合保护器可以检测电力系统的频率是否在正常范围内运行。
当频率超出预设范围时,综合保护器会采取相应措施,如切断电源或报警,以保护设备的正常工作。
4. 相序保护:综合保护器通过监测三相电压的相位差来判断电力系统的相序是否正确。
当相序错误时,综合保护器会自动切断电源,以防止设备由于相序错误而受损。
5. 谐波畸变保护:综合保护器能够监测电力系统中的谐波畸变情况。
当谐波畸变超过设定范围时,综合保护器会触发报警或采取其他措施,以保护设备免受谐波畸变的影响。
综合保护器的主要工作原理可以概括为通过对电流、电压、频率、相序和谐波等多个参数进行实时监测和分析,来判断电力系统是否存在异常情况。
当发现异常情况时,综合保护器会及时采取相应的保护措施,如切断电源、报警等,以防止设备受到损坏。
同时,综合保护器还通过与其他保护设备的协作来提高电力系统的保护能力。
它可以与断路器、隔离开关、电压互感器、电流互感器等设备进行联动,以实现快速切断故障电路、隔离故障设备,并阻止故障扩散的目的。
总之,综合保护器在电力系统中的工作原理主要涉及到对电流、电压、频率、相序和谐波等参数的实时监测和分析,并采取相应的保护措施来确保电力设备的正常运行和系统的稳定性。
执行标准:GB3836-2000 JB6312-1992 Q/LX-005-2011 ZBZ2-10.0/1140(660)M矿用隔爆型照明信号综合保护装置使用说明书淮南市六信电控设备有限责任公司前言欢迎使用ZBZ2-10.0/1140(660)M矿用隔爆型照明信号综合保护装置控制设备。
本说明书介绍了该设备的特点和先进性,以及应用范围、安装接线、操作维护等内容。
对本设备的操作,务必是在获得了用户主管部门的授权和仔细阅读了本说明书后方可进行。
对于ZBZ-10.0/1140(660)M矿用隔爆型照明信号综合装置的微机保护装置一些重要操作,如定值修改、运行模式等,均设有授权密码,请用户注意。
如不按本说明书的要求进行操作,则有可能造成不良后果。
对本说明书如有疑问或是本说明书未涵盖的,涉及本装置的技术问题,请向厂家咨询。
一、概述1、用途:本装置为煤矿井下127V照明及信号负载的供电、电源控制以及、漏电保护等综合防爆电气设备。
可以取代现有的2.5KVA或4KVA干式变压器及手动防爆开关的多体控制方式。
ZBZ-10.0/1140(660)M矿用隔爆型照明信号综合保护装置的主要特点:ZBZ-10.0/1140(660)M矿用隔爆型照明信号综合保护装置(简称JMZB-10M)是新型高性能系列微机控制保护产品之一,主要应用于工业系统交流50Hz,标称电压在380V及以上电网中,提高供电电压可靠性的控制装置。
本装置以16位单片机为核心,辅以工业级外围芯片,精密小型互感器,小型专用继电器,以及科学的算法,保护可靠灵敏,测量精度高。
采用多种抗干扰措施,使装置具有极高的抗干扰能力。
在装置的设计上,采用标准化、模块化硬件设计,高精度的A/D转换,电源为AC50~265V,在用户介面上,采用大屏幕液晶,汉化显示,自动背光,菜单式操作指示,对重要操作均授权密码,极大的方便了用户操作,有效地防止了误操作的发生。
装置能存贮两套定值,并可在线查询、修改,分别完成双路风机的独立保护,使设备的功能更复杂更强大,用户的工作更简单。
综合保护器的原理
综合保护器是一种用于防护电气设备的安全装置,能够在电压过高、过低、过流或者瞬时电压幅值突变时自动切断电路,以保护设备的安全运行。
其原理基于电信号检测和控制技术。
综合保护器通常由电压保护模块、电流保护模块和控制系统组成。
电压保护模块主要用于监测电压的变化情况,当电压超过设定的阈值范围时,会发出信号给控制系统。
电流保护模块用于监测电流的变化情况,当电流超过设定的阈值范围时,也会发出信号给控制系统。
控制系统是综合保护器的核心部分,它根据电压和电流保护模块的信号进行判断和控制。
当电压或电流超过设定的阈值时,控制系统会自动断开电路,防止过载或短路等危险情况的发生。
同时,控制系统还可以根据具体的需要提供其他保护功能,比如过温保护、欠压保护等。
综合保护器的工作原理是通过对电压和电流信号的监测和控制,实现对电路的保护。
当电路工作时,综合保护器会持续监测电压和电流的变化情况,并与设定的阈值进行比较。
一旦超过阈值,则会通过控制系统切断电路,防止设备损坏或火灾等事故的发生。
综合保护器的原理及其应用广泛,可以用于各种电气设备的保护,比如变压器、发电机、电动机等。
它能够及时发现并切断电路中的故障,保证电气设备的正常工作,并有效防止事故的发生,提高设备的可靠性和安全性。
矿用照明综保安装与使用简介一、特点及适用范围ZBZ-4.0(2.5)M煤矿用隔爆型照明信号综合装置(以下简称为装置)为煤矿井下127V照明及信号负载供电同时对有关线路及负载进行短路、漏电保护及漏电闭锁。
本装置适用于具有爆炸性气体(甲烷)和煤尘的矿井下,在交流50HZ、电压至660V的线路中,为井下127V照明及信号负载供电,取代现在2.5KVA或40KVA干式变压器及手动防爆开关的多体控制方式。
二、工作条件:(1) 海拔不超过2000米;(2) 周围介质温度不高于+40°C,不低于_5°C;(3) 空气相对湿度不大于95% (+25°C);(4) 在无强烈颠簸振动以及与垂直面倾斜不超过15°的地方;(5) 无足以腐蚀金属和破坏绝缘的气体与蒸汽的环境中;(6) 可用于有煤尘、瓦斯危险的矿井中。
(7)在无破坏金属及绝缘的气体和蒸气的环境中;(8)在无滴水及其它液体侵入的地方;三、安装、使用与维修1. 设备拆箱后,应检查各电器元件有无因在运输途中受到损坏,脱落和受潮现象。
如有上述情况发生,需经处理后方可使用。
2. 接线方式:出厂时产品主变压器II型按660V/133V方式接线,111型按11407/1337方式接线,如果II 型在380V 电网或III型在660V电网上工作,需将主变压器撤出外壳,按图三所示进行改装。
电缆的连接按图四中各相应端子进行连接,接线前用500兆欧表测高低压介绝缘电阻值,应不低于5MQ。
3. 综合装置应可靠接地,辅助接地应在主接地点5米以外处。
4. 综合装置接入网路后应先进行三次短路及漏电动作试验,每次均应可靠动作,并给出灯光信号指示。
其中某保护部分如产生拒动,应立即停电检查有关部件。
试验过程是当按钮压入后,此时机内的短路及漏试验按钮同时被压接闭合。
接通两种试验电路。
当装置的短路保护及漏电保护功能正常时,各相应发光二极管给出信号指示,并且CJ能自动释放,表明动作正常。
矿用照明综保工作原理-标准化文件发布号:(9556-EUATWK-MWUB-WUNN-INNUL-DDQTY-KII
矿用照明综保工作原理简介
ZBZ-4.0(2.5)M煤矿用隔爆型照明信号综合装置(以下简称为装置)为煤矿井下127V照明及信号负载供电同时对有关线路及负载进行短路、漏电保护及漏电闭锁。
本装置适用于具有爆炸性气体(甲烷)和煤尘的矿井下,在交流50HZ、电压至660V的线路中,为井下127V照明及信号负载供电,取代现在2.5KVA或40KVA干式变压器及手动防爆开关的多体控制方式。
下面结合电气原理图介绍一下其工作原理:
1、元件介绍
2、电气原理
本装置电气线路主要由主电路和控制、保护电路组成;
2.1 主电路:
由隔离开关1K、一次熔断器1RD、2RD,主变压器ZB,二次熔断器3RD、4RD,交流接触器CJ 等器件组成。
2.2 控制电路:
由接触器CJ线圈,送电按钮QA,停电按钮TA控制继电器常闭接点J1等组成。
装置投入工作时,首先闭合1K,使主变压器ZB及控制变压器KB有电工作,发光二级管
LED3(绿色)通电发光。
在127网络(负载侧)无漏电状态下可按合送电按钮QA,给CJ线圈通电,CJ 吸合主接点CJ1~3闭合,127V网络负荷得电工作。
停止工作时,可按合TA,使CJ断电释放,断开主接点。
2.3 保护电路:
主要有保护插件实现
2.3.1 稳压电源:由控制变压器KB,经保护插件输出18V直流电压,作为保护电路的稳压电源。
2.3.2 照明短路保护电路:正常运行时,电流传感信号电压(该电压为电流传感器LH1、LH2二次输出整流,滤波后的电压值)不足以使保护插件动作。
当照明负载任意二相发生短路时,保护插件动作,继电器J吸合,使控制回路J1接点断开,切断主电路。
同时发光二极管LED1(红色)给出信号指示。
2.3.3 信号短路保护电路:正常运行时电流传感信号电压(该电压为电流传感路LH3二次输出整流,滤波后的电压值)不足以使保护插件动作。
当信号负载发生短路时,保护插件动作,继电器吸合,控制回路J1断开。
切断主电路,同时发光二极管LED2(黄色)给出信号指示。
2.3.4 漏电保护电路:
在负荷侧127v状态未送电状态下,网络存在漏电故障时,电路可实现漏电闭锁。
其动作回路为:插件电源正→插座端子1→CJ5→接地极→127V漏地处→Za(Zb、Zc) →插座端子11(12、13) →插件电源负,插件动作。
电流由电源正→插座端子8→J→插座端子16→插件电源负,继电器J吸合,断开J1切断主电路,同时发光二极管LED5(红色)给出信号指示。
在负荷侧127v送电状态下,若发生漏电故障可实现漏电跳闸保护,其动作回路为Za(Zb、Zc) →插座端子11(12、13) →插件电源负→插座端子15→接地极→127V漏地处→Zb(Za、Zc),插件动作,电流由电源正→插座端子8→J→插座端子16→插件电源负。
继电器J吸合,断开J1切断主电路,同时发光二极管LED5(红色)给出信号指示。
2.3.5 电缆绝缘危险指示电路:
在127V网络对地绝缘电阻较高时,漏电信号电压较小,不足以启动插件。
当网络对地绝缘电阻下降达到一定数值时(降至13K±10%)R25、26之信号电压上升使插件动作,LED4(黄色)给出绝缘危险信号指示,当电缆绝缘电阻恢复至大于13KΩ时,插件能自动返回初始状态,LED4熄灭,撤消危险信号指示。
本保护电路的照明短路、信号短路、漏电保护均具有自锁功能,必须将故障切除后,将1K重新合上方能恢复正常运行。
2.4 动作试验电路
2.4.1 短路动作试验
按合停止按钮,TA2闭合其回路为:电源正→插座端子8→TA2→QA2→LH0→LH1、
LH2(LH3) →插座端子17、18(19) →电源负,插件动作,继电器动作。
2.4.2 漏电动作试验
按合上停止按钮,TA4闭合其回路为:电源正→CJ5→主接地极→辅接地极→TA4→电源负。
插件动作,继电器动作。
以上两种动作试验的模拟信号电压均由保护电路的直流稳压电源18v供给。